Einzelnen Beitrag anzeigen
Alt 29.05.2024, 10:20:47   #12
AmigaHarry
Erfahrener Benutzer
 
Benutzerbild von AmigaHarry
 
Registriert seit: 13.11.2005
Ort: Perchtoldsdorf
Alter: 64
Beiträge: 5.313
Kilometer: 1.1mio
Standard

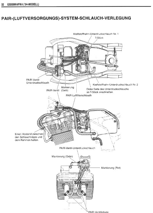
Ich weis gar nicht ob das im Wiki alles steht. Aber zur F gibts natürlich auch Unterlagen:
Miniaturansicht angehängter Grafiken
Klicke auf die Grafik für eine größere Ansicht

Name:	AN31.jpg
Hits:	6249
Größe:	60,4 KB
ID:	32079   Klicke auf die Grafik für eine größere Ansicht

Name:	AN32.jpg
Hits:	6074
Größe:	60,9 KB
ID:	32080   Klicke auf die Grafik für eine größere Ansicht

Name:	PistonValveControll.jpg
Hits:	6187
Größe:	93,0 KB
ID:	32081  
AmigaHarry ist offline   Mit Zitat antworten