gs-500.de  

Zurück   gs-500.de > GS500(E/F) > Fehlerdiagnose

Hinweise

Antwort
 
Themen-Optionen
Alt 06.05.2017, 19:12:31   #1
Saven2014
Benutzer
 
Benutzerbild von Saven2014
 
Registriert seit: 15.04.2017
Ort: Köln
Alter: 35
Beiträge: 50
Baujahr: 1993
Kilometer: 53000
Standard Motor geht aus

Hallo zusammen,

heute auf eine Tour ist folgendes passiert.

Nach einem Notaus habe ich den Motor neu gestartet und da fingen die Probleme an.
Motor dreht von alleine auf 6-8 tausend Umdrehungen. Choke nicht hochgestellt und Gashahn klemmte augenscheinlich auch nicht. Dachte dass es sich eventuell legt - pustekuchen. Gasannahme immer schlechter bis ich dann irgendwann liegen geblieben bin...
Habe nun das Problem dass ich bei langem und mehrmaligen Startversuchen (15-20 Sekunden?!) den Motor zum laufen bekomme. Aber auch nur wenn der Choke voll aufgedreht ist. Sobald ich aber Gas gebe stirbt er. Manchmal kann ich den Motor starten und er dreht auf 6-8k und ich kann eine längere Strecke fahren dann aber auch nur mit ruckeln und ohne Gas sonst stirbt er ab. Mal klappt es mit dem Gas dann nimmt das ruckeln jedoch stark zu. Im oberen Drehzahlbereich nimmt das ruckeln ab aber dann verreckt mir die Maschine wieder (nimmt kein Gas mehr an) wird langsamer bis sie stehen bleibt. Dann geht der Motor wieder aus.
Weiß jemand was es sein kann??

Vg Sven
Saven2014 ist offline   Mit Zitat antworten
Alt 06.05.2017, 19:42:32   #2
berndy
Super-Moderator
 
Benutzerbild von berndy
 
Registriert seit: 16.08.2006
Ort: Schifferstadt/Pfalz
Alter: 63
Beiträge: 10.720
Baujahr: 1995
Kilometer: 66666
Standard

Warum Notaus?

Sturz, Umfaller?

Generell hört sich das nach Vergaser an.

Bei Sturz oder Umfaller kann es vorkommen, dass sich der Schwimmer verkantet oder Schmutz, der irgendwo festsitzt, löst und dann Probleme macht.

Es kann auch sein, dass eine Vergasermembran ein Loch hat oder ein Gasschieber klemmt.

Muss man halt mal in die Vergaser gucken.
__________________

Man sollte es so oder so nicht übertreiben.
berndy ist offline   Mit Zitat antworten
Alt 06.05.2017, 19:53:34   #3
Saven2014
Benutzer
 
Benutzerbild von Saven2014
 
Registriert seit: 15.04.2017
Ort: Köln
Alter: 35
Beiträge: 50
Baujahr: 1993
Kilometer: 53000
Standard

Teste aktuell die CoPilot App und nachdem sie mich in die Pampa gelotst hat habe ich eine Pause eingelegt um die Route neu einzurichten.

Mache die Maschiene immer über den Kill aus.
Saven2014 ist offline   Mit Zitat antworten
Alt 06.05.2017, 21:22:49   #4
AmigaHarry
Erfahrener Benutzer
 
Benutzerbild von AmigaHarry
 
Registriert seit: 13.11.2005
Ort: Perchtoldsdorf
Alter: 64
Beiträge: 5.311
Kilometer: 1.1mio
Standard

Mit dem Kill-Schalter hat das nichts zu tun. Vermutlich Dreck im Vergaser - Hauptdüse zu.....zerlegen und reinigen!
AmigaHarry ist offline   Mit Zitat antworten
Alt 07.05.2017, 07:23:47   #5
Saven2014
Benutzer
 
Benutzerbild von Saven2014
 
Registriert seit: 15.04.2017
Ort: Köln
Alter: 35
Beiträge: 50
Baujahr: 1993
Kilometer: 53000
Standard

Danke für die Einschätzung. Wenn es der Vergaser ist lasse ich besser die Finger davon. So viel Schrauberfähigkeiten traue ich mir noch nicht zu.

Hoffentlich läuft sie danach wieder

VG Sven
Saven2014 ist offline   Mit Zitat antworten
Alt 07.05.2017, 08:53:10   #6
gsmattis
Stammtisch Hamburg
 
Benutzerbild von gsmattis
 
Registriert seit: 16.03.2008
Ort: Extertal
Alter: 36
Beiträge: 8.808
Baujahr: 1999
Kilometer: 158000
Standard

Nach einem Beitrag im Bereich Stammtische auf. Schraubertage werden manchmal gerne angenommen. Wenn sich einer oder 2 finden, die sich auskennen und noch ein paar, die was zu erledigen haben, könnte dass ein entspannter Tag werden.
__________________
Bandit 1200
TL1000S
weil nur 6 Zylinder Sinn ergeben
gsmattis ist offline   Mit Zitat antworten
Alt 07.05.2017, 16:08:41   #7
TheKiki
Erfahrener Benutzer
 
Benutzerbild von TheKiki
 
Registriert seit: 12.11.2015
Ort: OWL
Beiträge: 210
Baujahr: 1997
Kilometer: 23000
Standard

Zitat:
Zitat von Saven2014 Beitrag anzeigen
So viel Schrauberfähigkeiten traue ich mir noch nicht zu.


Es gibt eine gute Anleitung hier im Forum, wie man den Vergaser zerlegt und reinig. So schwer ist das auch nicht...
__________________
wEr RechtsschreibfehleR findet, darff sie Behalten
TheKiki ist offline   Mit Zitat antworten
Alt 08.05.2017, 05:38:13   #8
Vinz-Georg
Erfahrener Benutzer
 
Benutzerbild von Vinz-Georg
 
Registriert seit: 06.05.2016
Ort: Potsdam
Alter: 44
Beiträge: 746
Baujahr: 1996
Kilometer: 133000
Standard

Es stimmt das es nicht so schwer ist, aber wenn er es das erste Mal macht sollte schon mal jmd mit Tipps und Tricks zur Seite stehen. Da gibts doch Kniffe wie man am besten die Airbox rausfummelt, bzw. erstmal den Tank runter zu machen.

Meine Empfehlung:

Frag mal nach einem Helferlein in deiner Umgebung, denn derjenige der sich opfert sieht vielleicht noch mehr zukünftige Probleme (Bremsen/Kette/usw.).

P.S.: Vernünftiges Werkzeug, sprich passendes Werkzeug sollte auch dabei sein...
Vinz-Georg ist offline   Mit Zitat antworten
Alt 08.05.2017, 08:20:37   #9
gsmattis
Stammtisch Hamburg
 
Benutzerbild von gsmattis
 
Registriert seit: 16.03.2008
Ort: Extertal
Alter: 36
Beiträge: 8.808
Baujahr: 1999
Kilometer: 158000
Standard

Zitat:
Zitat von Vinz-Georg Beitrag anzeigen
Es stimmt das es nicht so schwer ist, aber wenn er es das erste Mal macht sollte schon mal jmd mit Tipps und Tricks zur Seite stehen. Da gibts doch Kniffe wie man am besten die Airbox rausfummelt, bzw. erstmal den Tank runter zu machen.
So ist es. Die Sache kann noch so einfach sein, aber wenn man unsicher ist, geht evtl was schief und/oder man repariert es kaputt.
__________________
Bandit 1200
TL1000S
weil nur 6 Zylinder Sinn ergeben
gsmattis ist offline   Mit Zitat antworten
Alt 11.05.2017, 14:22:12   #10
Saven2014
Benutzer
 
Benutzerbild von Saven2014
 
Registriert seit: 15.04.2017
Ort: Köln
Alter: 35
Beiträge: 50
Baujahr: 1993
Kilometer: 53000
Standard

Danke für die ganzen Tipps.

Wenn es eine überschaubare Ursache wäre hätte ich es selbst gemacht. Das blöde ist mir ist die GS am Nürburgring abgeschmiert, mal eben 80 km von mir entfernt.
Wenn mir da Werkzeug oder Material fehlt ist das nicht schnell besorgt.
Werde jetzt in den sauren Apfel beißen müssen und 250€ an den Händler bezahlen damit er mit den Vergaser reinigt...

VG Sven
Saven2014 ist offline   Mit Zitat antworten
Alt 11.05.2017, 15:11:57   #11
Vinz-Georg
Erfahrener Benutzer
 
Benutzerbild von Vinz-Georg
 
Registriert seit: 06.05.2016
Ort: Potsdam
Alter: 44
Beiträge: 746
Baujahr: 1996
Kilometer: 133000
Standard

Möglicherweise wird eine Reinigung der Vergaser gar nichts bringen.

Deiner Beschreibung nach zieht sie Falschluft, daher müsste man auch nachschauen ob die Dichtungen gerissen oder einfach alt sind und mal ausgetauscht gehören. Die Werkstätten geben sich da nicht allzuviel Mühe.

Versuch doch es über den Stammtisch/Schraubertreffen, das macht dreimal mehr Sinn als 500€ in der Werkstatt zu lassen und am Ende stottert die Kiste immernoch!
Vinz-Georg ist offline   Mit Zitat antworten
Alt 13.05.2017, 13:59:29   #12
Saven2014
Benutzer
 
Benutzerbild von Saven2014
 
Registriert seit: 15.04.2017
Ort: Köln
Alter: 35
Beiträge: 50
Baujahr: 1993
Kilometer: 53000
Standard

Die Werkstatt hat das Moped am Donnerstag auf die Bühne gehoben, den Vergaser ausgebaut und im Ultraschallbad anschließend gereinigt. Nach der Reinigung wieder zusammengebaut eingestellt und in die Susi verpflanzt. Laut Aussage des Mechanikers läuft sie nun wieder einwandfrei und die Reinigung war wohl sehr nötig. Auch bei der Testfahrt (30km) gab es keine Probleme hoffen wir das sie erstmal nichts anderes mehr hat 😄

DLzG
Sven

Beim Stammtisch melde ich mich trotzdem mal
Saven2014 ist offline   Mit Zitat antworten
Alt 13.05.2017, 20:49:18   #13
Vinz-Georg
Erfahrener Benutzer
 
Benutzerbild von Vinz-Georg
 
Registriert seit: 06.05.2016
Ort: Potsdam
Alter: 44
Beiträge: 746
Baujahr: 1996
Kilometer: 133000
Standard

Naja, hoffen wir mal das er recht hat . Du solltest mal in den Tank mit einer Taschenlampe (oder Handy-LED) mal reinleuchten und nach Rostpunkten suchen.

Entweder stand deine GS zu lange rum und das Benzin verharzte oder der Dreck kommt vermutlich aus dem Tank. Denn wenn da wieder Dreck in die Vergaser reinkommt, geht die Geschichte wieder von vorne los. Lange dauert das dann nicht...

Als Tipp: Bestelle dir mal die Vergaserreparaturkits für die Vergaser und leg sie dir in den Schrank. Unter der Voraussetzung das die Werkstatt nicht gerade alles getauscht hat, was ich aber nicht glaube...

Ultraschallreinigung ist meiner Meinung nach überbewertet...Druckluft tut es auch !
Vinz-Georg ist offline   Mit Zitat antworten
Alt 14.05.2017, 10:45:23   #14
TheKiki
Erfahrener Benutzer
 
Benutzerbild von TheKiki
 
Registriert seit: 12.11.2015
Ort: OWL
Beiträge: 210
Baujahr: 1997
Kilometer: 23000
Standard

Wenn der Vergaser nicht richtig versifft ist, kann man den auch selber gut reinigen. Wie Vinz-Georg schon gesagt hat.
Anleitung gibt´s natürlich hier im Forum
__________________
wEr RechtsschreibfehleR findet, darff sie Behalten
TheKiki ist offline   Mit Zitat antworten
Alt 14.05.2017, 19:17:09   #15
KurtPeter
Neuer Benutzer
 
Registriert seit: 14.05.2017
Ort: Berlin
Beiträge: 1
Baujahr: 1981
Kilometer: 98500
Standard Motor geht auf der Autobahn aus

Hallo,

ich grüße euch alle.

ich brauche mal eure Meinung. Ich habe seit letztem Jahr wieder ein Motorrad, nach Pause. Eine Suzuki GS500 Baujahr 1996, sie hat stolze 98000km jetzt runter.

Ich bin im letzten Jahr, im Sommer von Berlin nach Leipzig über Autobahn gefahren. Anfangs 110 bis 130kmh, dann ca. 20min 140kmh. Nach einer Stunde Fahrt ist sie mir beim überholen bei ca. 160kmh ausgegangen, bei der Fahrt. Auf dem Standstreifen, hab ich sie erst mal nicht wieder anbekommen. Der Temperaturmesser, der der Ölstopfen ist, zeigte 120Grad an. Ich wartete 15Minuten, danach sprang sie wieder an. Hat jemand oder andere GS-Fahrer eine Vermutung woran das liegen kann?

Die Maschine hat ja nur Luftkühlung. Sie ist sonst gut im Schuss und macht keine Zicken. Nutze sie hauptsächlich in der Stadt.Ich hatte im letzten Sommer TÜV, wo alles okay war und habe den Mechaniker davon erzählt. Der meinte das muss man beobachten. Ich bin seitdem ungern länger schneller als 130kmh gefahren.
KurtPeter ist offline   Mit Zitat antworten
Alt 14.05.2017, 19:41:13   #16
geko4711
Erfahrener Benutzer
 
Benutzerbild von geko4711
 
Registriert seit: 16.05.2011
Ort: Ostsachsen
Alter: 73
Beiträge: 1.602
Baujahr: 1994
Kilometer: 50+++
Standard

Das klingt nach dem altbekannten Benzinhahnproblem.
__________________
Grüße vom geko4711

geko4711 ist offline   Mit Zitat antworten
Alt 15.05.2017, 06:49:50   #17
Vinz-Georg
Erfahrener Benutzer
 
Benutzerbild von Vinz-Georg
 
Registriert seit: 06.05.2016
Ort: Potsdam
Alter: 44
Beiträge: 746
Baujahr: 1996
Kilometer: 133000
Standard

Kann der Benzinhahn sein, könnten auch die Benzinschläuche sein.
Wenn das Problem nochmal auftritt (Autobahn > 140km/h) auf PRI stellen, wenn sie dann wieder Sprit kriegt ist es der Benzinhahn.

Bei mir waren vor kurzem die Benzinschläuche von innen aufgequollen, so das nur sehr wenig Sprit hindurch kam. Gemerkt habe ich es das die GS ab 100km/h immer leicht "zuckte" ging aber nicht aus. Als ich die Schläuche gewechselt hatte, habe ich versucht mal durchzupusten und das ging nur mit kräftigen pusten . Was ich sagen will, von außen sieht und fühlt man das nicht !

Tippe aber auch eher auf den Benzinhahn.
Vinz-Georg ist offline   Mit Zitat antworten
Alt 16.05.2017, 05:28:03   #18
gsmattis
Stammtisch Hamburg
 
Benutzerbild von gsmattis
 
Registriert seit: 16.03.2008
Ort: Extertal
Alter: 36
Beiträge: 8.808
Baujahr: 1999
Kilometer: 158000
Standard

Warum werden eigentlich dauernd Problemfremde Threads gekapert und die Suche ignoriert? Geht mir das auf den Sack!
__________________
Bandit 1200
TL1000S
weil nur 6 Zylinder Sinn ergeben
gsmattis ist offline   Mit Zitat antworten
Alt 16.05.2017, 06:06:23   #19
Vinz-Georg
Erfahrener Benutzer
 
Benutzerbild von Vinz-Georg
 
Registriert seit: 06.05.2016
Ort: Potsdam
Alter: 44
Beiträge: 746
Baujahr: 1996
Kilometer: 133000
Standard

Zitat:
Zitat von gsmattis Beitrag anzeigen
Warum werden eigentlich dauernd Problemfremde Threads gekapert und die Suche ignoriert? Geht mir das auf den Sack!
Ist wohl ein neuer Trend . Ich finde das aber auch doof, hatte ich vergessen in meinem Beitrag mal zu erwähnen.
Vinz-Georg ist offline   Mit Zitat antworten
Alt 16.05.2017, 07:41:08   #20
Saven2014
Benutzer
 
Benutzerbild von Saven2014
 
Registriert seit: 15.04.2017
Ort: Köln
Alter: 35
Beiträge: 50
Baujahr: 1993
Kilometer: 53000
Standard

Zitat:
Zitat von Vinz-Georg Beitrag anzeigen
Naja, hoffen wir mal das er recht hat . Du solltest mal in den Tank mit einer Taschenlampe (oder Handy-LED) mal reinleuchten und nach Rostpunkten suchen.

Entweder stand deine GS zu lange rum und das Benzin verharzte oder der Dreck kommt vermutlich aus dem Tank. Denn wenn da wieder Dreck in die Vergaser reinkommt, geht die Geschichte wieder von vorne los. Lange dauert das dann nicht...

Als Tipp: Bestelle dir mal die Vergaserreparaturkits für die Vergaser und leg sie dir in den Schrank. Unter der Voraussetzung das die Werkstatt nicht gerade alles getauscht hat, was ich aber nicht glaube...

Ultraschallreinigung ist meiner Meinung nach überbewertet...Druckluft tut es auch !
Beim Kauf habe ich in den Tank reingeschaut und nichts gefunden...
Laut Besitzer stand die GS länger, daher gehe ich davon aus dass das Benzin teilweise verharzte. Mein Problem trat nach ca 500 KM und zwei Tankfüllungen später auf. Ich denke das neue Benzin hat den Schmodder gelöst und den Vergaser verdreckt.

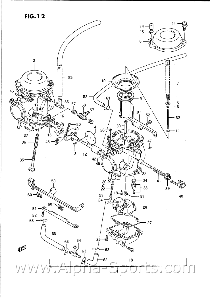
Übrigens hat der Händler in Adenau einige Teile ausgetauscht. Darunter in der Zeichnung im Anhang die Nummer 33 (Hülse und Düsen oder was ist das???) und etliche O-Ring Dichtungen.
Nun läuft sie wieder einwandfrei
Miniaturansicht angehängter Grafiken
Klicke auf die Grafik für eine größere Ansicht

Name:	Technische Zeichnung Vergaser.gif
Hits:	806
Größe:	61,1 KB
ID:	26613  
Saven2014 ist offline   Mit Zitat antworten
Alt 16.05.2017, 07:45:38   #21
Vinz-Georg
Erfahrener Benutzer
 
Benutzerbild von Vinz-Georg
 
Registriert seit: 06.05.2016
Ort: Potsdam
Alter: 44
Beiträge: 746
Baujahr: 1996
Kilometer: 133000
Standard

Hi,

dann wirds vermutlich eine Verharzung und nicht abgelassene Schwimmerkammern gewesen sein. Dein Schrauber scheint fit zu sein und keine halben Sachen zu machen. Er hat die Schwimmernadelventile und die O-Ringe getauscht (Vergaserreparaturkit). Dann solltest du damit erstmal Ruhe haben. Fein!

Als Tipp: Wenn deine Saison zu Ende ist, solltest du unbedingt das Benzin aus den Schwimmerkammern ablassen. Dann bekommst du auch diese Probleme nicht mit den Vergasern.

Gruß und gute Fahrt.
Vinz-Georg ist offline   Mit Zitat antworten
Alt 16.05.2017, 08:15:13   #22
Saven2014
Benutzer
 
Benutzerbild von Saven2014
 
Registriert seit: 15.04.2017
Ort: Köln
Alter: 35
Beiträge: 50
Baujahr: 1993
Kilometer: 53000
Standard

Danke für den Tipp!
Neben der Batterie werde ich dann auch die Kammern leeren:

Heißt dann Benzinhahn auf ON/RES drehen, Schraube 18 auf drehen und Benzin ablassen. Das ganze dann nochmal bei der anderen Kammer und alles wieder festschrauben
Und im Frühjahr natürlich daran denken die Kammern wieder zu fluten (Pri).

VG und ebenfalls eine gute Fahrt
Sven
Saven2014 ist offline   Mit Zitat antworten
Alt 16.05.2017, 08:52:49   #23
gsmattis
Stammtisch Hamburg
 
Benutzerbild von gsmattis
 
Registriert seit: 16.03.2008
Ort: Extertal
Alter: 36
Beiträge: 8.808
Baujahr: 1999
Kilometer: 158000
Standard

Genau so
__________________
Bandit 1200
TL1000S
weil nur 6 Zylinder Sinn ergeben
gsmattis ist offline   Mit Zitat antworten
Antwort

Lesezeichen


Forumregeln
Es ist dir nicht erlaubt, neue Themen zu verfassen.
Es ist dir nicht erlaubt, auf Beiträge zu antworten.
Es ist dir nicht erlaubt, Anhänge hochzuladen.
Es ist dir nicht erlaubt, deine Beiträge zu bearbeiten.

BB-Code ist an.
Smileys sind an.
[IMG] Code ist aus.
HTML-Code ist aus.

Gehe zu

Ähnliche Themen
Thema Autor Forum Antworten Letzter Beitrag
Motor geht bei niedriger Drehzahl aus, nun geht nichts mehr Kunki84 Fehlerdiagnose 24 19.03.2009 21:51:34
Motor geht bei Autobahnfahrt aus Fastrabbit Motor, Getriebe, Kettensatz 3 12.09.2008 11:00:42
Motor geht aus Jermone Fehlerdiagnose 2 30.05.2008 14:26:41
Motor geht aus ralle Motor, Getriebe, Kettensatz 9 01.04.2008 19:32:49
Motor geht im Stand aus! :( Vergaser - Kraftstoff - Drosseln - Tuning 6 03.08.2006 22:27:41


Alle Zeitangaben in WEZ +1. Es ist jetzt 11:20:01 Uhr.


Powered by vBulletin® Version 3.8.9 (Deutsch)
Copyright ©2000 - 2026, vBulletin Solutions, Inc.