Einzelnen Beitrag anzeigen
Alt 02.02.2012, 19:07:37   #7
Vernom
Erfahrener Benutzer
 
Benutzerbild von Vernom
 
Registriert seit: 03.08.2009
Ort: Riedstadt - Erfelden
Alter: 36
Beiträge: 299
Baujahr: 1991
Kilometer: 20.000
Standard

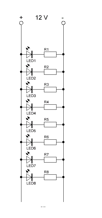
Bei den Stripes sind LED + SMD in Reihe, die parallel zu die anderen geschaltet.

Das ist so geschaltet, damit die Spannungs- und Stromverhältnisse stimmen.

Und diese halten 12-14 V Problemlos stand! Ich würde dir nur empfehlen eine Konstantspannungsquelle vor die LEDs zu schließen, sonst kanns dir passieren, dass bei einer Spannungsschwankung durch die Lima die LEDs kaputt gehn, ich habs noch nicht erlebt, aber sicher is sicher ;D

Ich kann außerdem die 5050-LED-Stripes von Ebay kann ich nur begrenzt empfehlen. Ich hab in einer 5m Kette schon ein paar LED Ausfälle aufgrund der Widerstände die anscheinen nicht richtig gelötet sind.

Aber ich denke, das wird bei dir kein großes Problem darstellen, da du nur einen kurzen Streifen benötigst.

Die Leuchtkraft ist klasse.

Gruß Mike
Miniaturansicht angehängter Grafiken
Klicke auf die Grafik für eine größere Ansicht

Name:	LED Schaltung.GIF
Hits:	395
Größe:	6,0 KB
ID:	12424  
__________________
'A Man's best friend is a good wife!'


Mathilda
Vernom ist offline   Mit Zitat antworten