Einzelnen Beitrag anzeigen
Alt 23.11.2024, 20:26:55   #2
AmigaHarry
Erfahrener Benutzer
 
Benutzerbild von AmigaHarry
 
Registriert seit: 13.11.2005
Ort: Perchtoldsdorf
Alter: 64
Beiträge: 5.317
Kilometer: 1.1mio
Standard

Geht theoretisch schon. Die Kabelbelegung ist dabei kein Problem. Alle "richtigen" Anzeigen verlangen ein seperates Signal für jeden Gang.
Nur von welcher Maschine willst du das nehmen? Bei älteren ist jedem Gang ein Lämpchen zugeordnet - also braucht man ein Gehäuse wo man das unterbringen kann (man braucht etwa 6cm x 1cm im Cockpit und natürlich das Abdeckglas mit den Ziffern (siehe Bild).
Neuere haben zwar digital, aber auch hier muss man das wo unterbringen. Weiters haben die meisten neueren Modelle diese Schaltung mit anderen Funktionen in einer (größeren) Platine integriert. Mir ist jetzt auf die Schnelle keine Suzi bekannt, die eine eigene, kleine Platine nur für die Gangschaltung hätte (vielleicht bei einer der alten GSen aus 1980)
Zudem wirst du die nirgends solo bekommen - nur im Zuge der ganzen Amaturen - teurer Spaß!
Billiger ist die Lösung mit eigener, kleiner Platine. Vielleicht gibts auch in den Weiten des Netzes so eine Platine zu kaufen (HEX/BCD/LCD-converter).
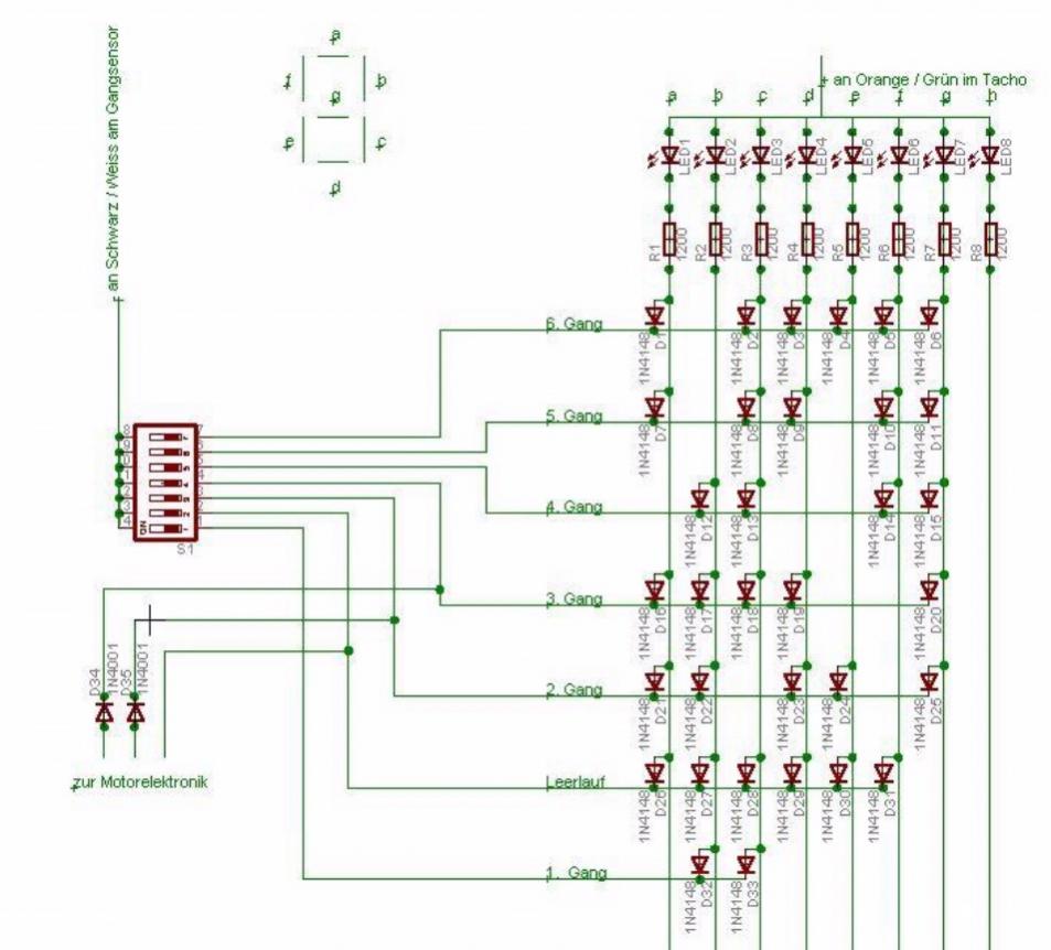
Oder einfacher, mit Diodengitter (siehe Bild Gitter1 und 2).
Miniaturansicht angehängter Grafiken
Klicke auf die Grafik für eine größere Ansicht

Name:	Cockpit.jpg
Hits:	387
Größe:	15,1 KB
ID:	32238   Klicke auf die Grafik für eine größere Ansicht

Name:	Gitter1.jpg
Hits:	354
Größe:	82,7 KB
ID:	32239   Klicke auf die Grafik für eine größere Ansicht

Name:	Gitter2.jpg
Hits:	372
Größe:	42,9 KB
ID:	32240  
AmigaHarry ist offline   Mit Zitat antworten