gs-500.de  

Zurück   gs-500.de > Fun, Offtopic, etc. > Offtopic

Hinweise

Antwort
 
Themen-Optionen
Alt 01.12.2009, 19:23:22   #1
Custom-S51
Gast
 
Beiträge: n/a
Standard Schaltplan umändern (MOPED): Kennt sich jemand damit aus?

Hey,
undzwar bräuchte ich mal Hilfe für einen Schaltplan der optmiert werden muss.

Ich habe den schon soweit angepasst wie ich Ahnung habe.


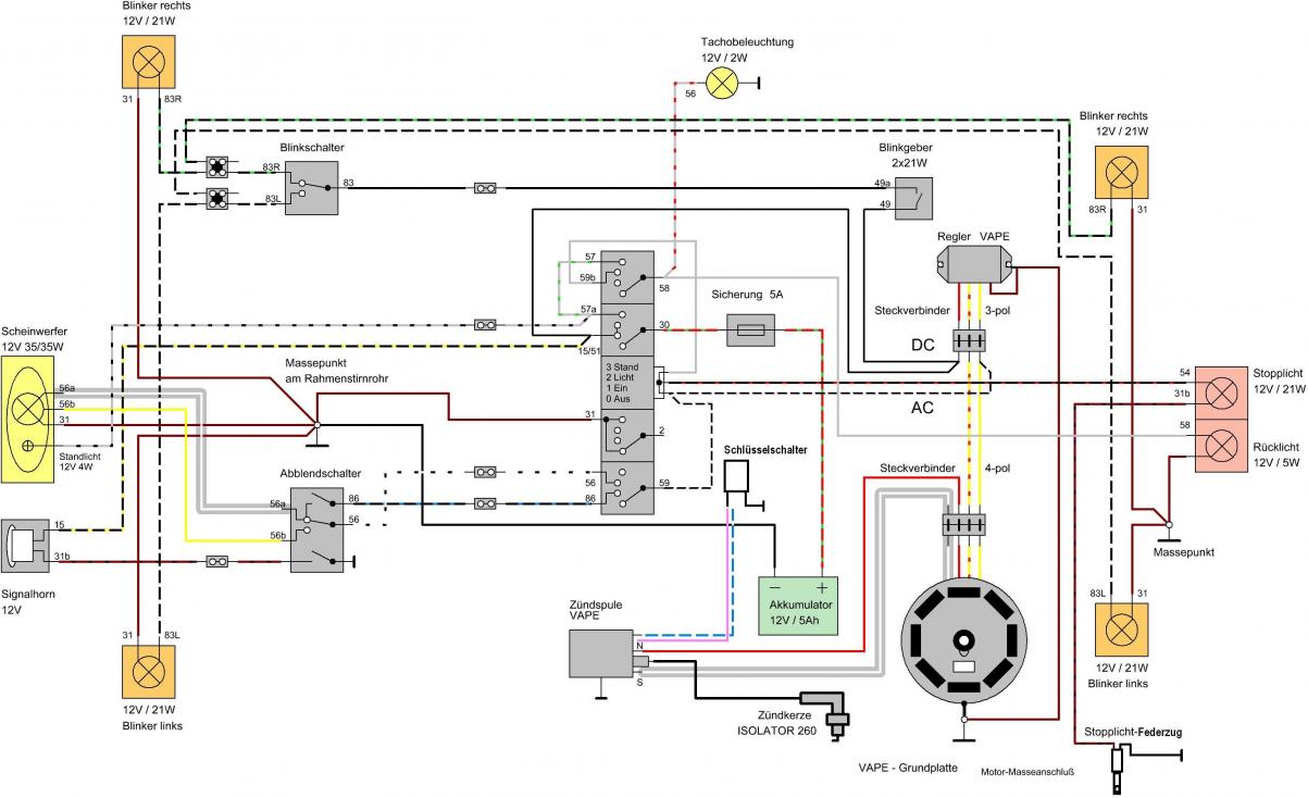
Das Zündschloss soll komplett raus (der graue Steckleiste im Bild) (Hab da ja schon den Schlüsselschalter reingebaut)

Ich brauche auch nicht diese ganzen Ebenen (0-3).
Ich brauche kein Parklicht, kein Standlicht etc., ich möchte nur das das Abblendlicht funktioniert und auszuschalten geht.

Rest soll halt so bleiben.
Miniaturansicht angehängter Grafiken
Klicke auf die Grafik für eine größere Ansicht

Name:	Schaltplan Simson Umbau.jpg
Hits:	1500
Größe:	103,3 KB
ID:	6312  
  Mit Zitat antworten
Alt 01.12.2009, 19:38:50   #2
Saugwurmmensch
Public-Relations-Manager
 
Benutzerbild von Saugwurmmensch
 
Registriert seit: 19.07.2004
Ort: Strausberg
Alter: 42
Beiträge: 24.180
Baujahr: 1998
Kilometer: 22000
Standard

Und wo ist da das Problem?
Stecker ziehen, Zündstellungen durchprobieren und dabei die Kontakte zwischen den Steckverbindungen durchmessen.
Dann weißt du wer mit wem wie zusammenspielt und kannst entsprechend überbrücken/zusammenlegen.

Hab mal fix gegoogled:
Vielleicht ist hier ein besser zu durchschauender Schaltplan dabei:
http://moser-bs.de/index.html (unter Simson kannste dir den Typ raussuchen)

oder wie isses mit diesem:
http://www.reichtuning.de/_schaltpla...ruecklicht.gif
__________________
Wer hat noch keinen Organspendeausweis ?

Warning: may contain Verballhornung.
Suzuki - ride the wings of stain !

Geändert von Saugwurmmensch (01.12.2009 um 19:48:17 Uhr)
Saugwurmmensch ist offline   Mit Zitat antworten
Antwort

Lesezeichen


Forumregeln
Es ist dir nicht erlaubt, neue Themen zu verfassen.
Es ist dir nicht erlaubt, auf Beiträge zu antworten.
Es ist dir nicht erlaubt, Anhänge hochzuladen.
Es ist dir nicht erlaubt, deine Beiträge zu bearbeiten.

BB-Code ist an.
Smileys sind an.
[IMG] Code ist aus.
HTML-Code ist aus.

Gehe zu

Ähnliche Themen
Thema Autor Forum Antworten Letzter Beitrag
Kennt sich jemand mit der Kawasaki KMX 200 aus? CorollaTuningFreak Allgemeines 0 25.06.2008 06:08:15
Hilfe ;) kennt sich da jemand aus? Pyro Verkleidungen, Anbauteile und Zubehör 4 09.03.2008 14:59:36
Kennt sich jemand mit Wildfire aus? Flör Computer, Handy, Technik, ... 0 22.10.2006 15:16:48
Kennt sich jemand mit §21 der StvO aus? In Flames Allgemeines 20 29.08.2006 18:24:21
Kennt sich jemand mit Vespas aus??? Krambambulli Technik 2 15.07.2006 15:40:36


Alle Zeitangaben in WEZ +1. Es ist jetzt 15:36:47 Uhr.


Powered by vBulletin® Version 3.8.9 (Deutsch)
Copyright ©2000 - 2026, vBulletin Solutions, Inc.