gs-500.de  

Zurück   gs-500.de > GS500(E/F) > Fehlerdiagnose

Hinweise

Antwort
 
Themen-Optionen
Alt 02.06.2008, 22:24:39   #1
Chris Tucker
Stammtisch Karlsruhe
 
Benutzerbild von Chris Tucker
 
Registriert seit: 20.02.2008
Ort: Karlsruhe
Alter: 36
Beiträge: 280
Standard Falscher Sprit oder Regen???

Hey Leute als ich vorhin von der arbeit nach Hause fahrn wollte hat ich irgendwie Probleme beim fahren sie hat zwar normal gezogen ja so im Bereich zwischen 4000 und 4500 U/min gings irgendwie so komisch rüchkartig voran und an der Ampel is sie jedes mal fast ausgegangen was normal garnich der Fall is... Jetzt hab ich mir gedacht, dass es vllt daran lag dass es direkt davor geregnet hatte und die Maschine draußen stand oder vllt dass ich den Falschen Sprit getankt hab. Ich war nähmlcih am Sonntag in Frankreich und hab da getankt. Aber da auf der Heimfahrt war alles wunderbar. Lag vllt daran dass sie da halt schon warm war... keine Ahnung... Was meint ihr dazu???
__________________
Wenn Frankreich nich wär läg Karlsruhe am Meer!!!
Chris Tucker ist offline   Mit Zitat antworten
Alt 03.06.2008, 06:46:48   #2
berndy
Super-Moderator
 
Benutzerbild von berndy
 
Registriert seit: 16.08.2006
Ort: Schifferstadt/Pfalz
Alter: 63
Beiträge: 10.720
Baujahr: 1995
Kilometer: 66666
Standard Re: Falscher Sprit oder Regen???

Wenn du in Frankreich nicht gerade Diesel getankt hast, würde ich den Sprit ausschließen.

Regen erscheint mir plausibler.

Wo endet denn der Tanküberlauf bzw. Drainageschlauch bei dir? Ist der zufällig da angeschlossen, wo von den Vergasern der Entlüftungsschlauch abgeht?

Ansonsten könnte noch Feuchtigkeit irgendwo in die Steckverbindungen der Zündanlage gekommen sein.
__________________

Man sollte es so oder so nicht übertreiben.
berndy ist offline   Mit Zitat antworten
Alt 03.06.2008, 09:18:06   #3
Rocky
Erfahrener Benutzer
 
Benutzerbild von Rocky
 
Registriert seit: 11.01.2008
Ort: Baden
Alter: 57
Beiträge: 3.866
Standard Re: Falscher Sprit oder Regen???

Da bei deinem Langhaar-Fellbezug das Wasser etwas schlechter abläuft und vermutlich auch andere Wege einschlägt als bei einer frisch rasierten GS , könnte Feuchtigkeit ( z.B. in den Kerzensteckern ) ursächlich für das Problem sein.

Was kostet eigentlich der Sprit auf der anderen Rheinseite ?
__________________
` `

Rocky ist offline   Mit Zitat antworten
Alt 03.06.2008, 13:48:55   #4
Chris Tucker
Stammtisch Karlsruhe
 
Benutzerbild von Chris Tucker
 
Registriert seit: 20.02.2008
Ort: Karlsruhe
Alter: 36
Beiträge: 280
Standard Re: Falscher Sprit oder Regen???

ich hab den teuersten getankt und hab 1,489 gezahlt also kaum billiger... Welches is der Tank...drainagenschlauch?
Aber was ich heute noch "beobachted" hab ist dann dei irgentwie viel übler nach benzin müffelt an der Ampel z.B. Und ein Kumpel hat gemeint sie qualmt ein bisschen arg beim anmachen. Hilft das weiter?
__________________
Wenn Frankreich nich wär läg Karlsruhe am Meer!!!
Chris Tucker ist offline   Mit Zitat antworten
Alt 03.06.2008, 14:09:27   #5
Saugwurmmensch
Public-Relations-Manager
 
Benutzerbild von Saugwurmmensch
 
Registriert seit: 19.07.2004
Ort: Strausberg
Alter: 42
Beiträge: 24.180
Baujahr: 1998
Kilometer: 22000
Standard Re: Falscher Sprit oder Regen???

Das klingt schon nach ärgeren Problemen!
Da musst du mal nachschauen, ob vielleicht ein Schwimmernadelventil hängt.
__________________
Wer hat noch keinen Organspendeausweis ?

Warning: may contain Verballhornung.
Suzuki - ride the wings of stain !
Saugwurmmensch ist offline   Mit Zitat antworten
Alt 03.06.2008, 23:07:05   #6
Chris Tucker
Stammtisch Karlsruhe
 
Benutzerbild von Chris Tucker
 
Registriert seit: 20.02.2008
Ort: Karlsruhe
Alter: 36
Beiträge: 280
Standard Re: Falscher Sprit oder Regen???

Hey jungs macht mich nich unglücklich! Wo finde ich denn die Schwimmernadelventile???
__________________
Wenn Frankreich nich wär läg Karlsruhe am Meer!!!
Chris Tucker ist offline   Mit Zitat antworten
Alt 03.06.2008, 23:44:57   #7
Rocky
Erfahrener Benutzer
 
Benutzerbild von Rocky
 
Registriert seit: 11.01.2008
Ort: Baden
Alter: 57
Beiträge: 3.866
Standard Re: Falscher Sprit oder Regen???

Die sind in der Schwimmerkammer,wo sie hingehören .

Hattest du nicht einen zusätzlichen Benzinfilter montiert (....vom Vorbesitzer geerbt ?) , dann könnte es sein , dass das Problem früher schon einmal aufgetreten war ....
(......oder verwechsle ich da was ? )
__________________
` `

Rocky ist offline   Mit Zitat antworten
Alt 03.06.2008, 23:46:53   #8
Che
Stammtisch Karlsruhe
 
Benutzerbild von Che
 
Registriert seit: 03.11.2007
Ort: Heidelberg, Basel
Alter: 67
Beiträge: 1.288
Baujahr: 1989
Kilometer: 79500
Standard Re: Falscher Sprit oder Regen???

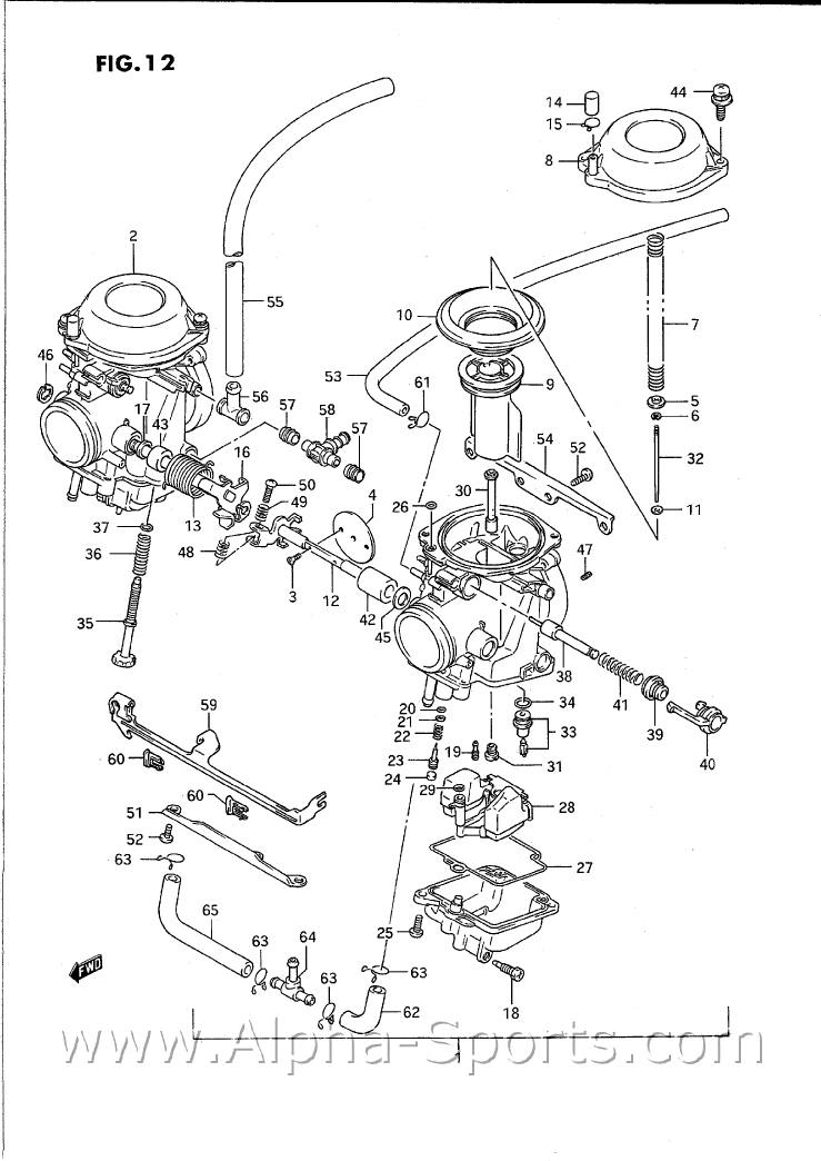
Nr. 33 = Schwimmernadel + Ventil
Die Schwimmernadel ist am Schwimmer an einem schmalen
Metallfinger eingehängt. Die Spitze der Schwimmernadel sollte
schön konisch zulaufen und im Ventilteil frei beweglich sein.
Vorsicht beim Ausbau des Schwimmers. Die Nadel fällt leicht
vom Metallfinger, da vorne offen.
Miniaturansicht angehängter Grafiken
Klicke auf die Grafik für eine größere Ansicht

Name:	vegaser.gif
Hits:	698
Größe:	61,1 KB
ID:	849  
__________________
***Spraypainting is not a crime***
Che ist offline   Mit Zitat antworten
Alt 11.06.2008, 18:30:56   #9
Gampo
Erfahrener Benutzer
 
Registriert seit: 11.06.2008
Ort: Bonn
Alter: 38
Beiträge: 180
Baujahr: 1996
Standard Re: Falscher Sprit oder Regen???

Hallo,

hatte letztens ähnliche Symptome.
Bei mir war der Grund Wasser im Vergaser. Hab über die Ablassschraube unten den Vergaser entleert, also das Wasser rausgelassen und danach lief sie wieder prima.
Versuch das doch mal, sofern, das Problem nicht schon behoben ist.

Gruß, Markus
__________________
Bj. 96, 14000 km, entdrosselt
Gampo ist offline   Mit Zitat antworten
Alt 11.06.2008, 20:10:50   #10
Chris Tucker
Stammtisch Karlsruhe
 
Benutzerbild von Chris Tucker
 
Registriert seit: 20.02.2008
Ort: Karlsruhe
Alter: 36
Beiträge: 280
Standard Re: Falscher Sprit oder Regen???

Ja hab ich jetzt auch gemacht hba nachgetankt Schwimmerkammer gelehrt und einige Stunden ohne Tank in der Sonne stehn lassen... Njaa keine Ahnugn was genau es jetzt war aber ich tipp auch drauf dass Wasser im Vergaser war...
__________________
Wenn Frankreich nich wär läg Karlsruhe am Meer!!!
Chris Tucker ist offline   Mit Zitat antworten
Antwort

Lesezeichen


Forumregeln
Es ist dir nicht erlaubt, neue Themen zu verfassen.
Es ist dir nicht erlaubt, auf Beiträge zu antworten.
Es ist dir nicht erlaubt, Anhänge hochzuladen.
Es ist dir nicht erlaubt, deine Beiträge zu bearbeiten.

BB-Code ist an.
Smileys sind an.
[IMG] Code ist aus.
HTML-Code ist aus.

Gehe zu

Ähnliche Themen
Thema Autor Forum Antworten Letzter Beitrag
Ruckelt bei Regen Singha Fehlerdiagnose 14 07.05.2010 12:21:13
Wo soll ich suchen? Drehzahlprobs oder Sprit in der Airbox Baer Fehlerdiagnose 6 25.05.2008 19:41:43
Regen und Winterbereifung Räder, Reifen und Bremsen 22 17.11.2006 23:01:22
Ich hasse Regen...!!!!!!!!!! Citgo Allgemeines 7 28.03.2006 12:52:19


Alle Zeitangaben in WEZ +1. Es ist jetzt 17:16:41 Uhr.


Powered by vBulletin® Version 3.8.9 (Deutsch)
Copyright ©2000 - 2026, vBulletin Solutions, Inc.