gs-500.de  

Zurück   gs-500.de > GS500(E/F) > Fehlerdiagnose

Hinweise

Antwort
 
Themen-Optionen
Alt 28.04.2009, 18:17:46   #1
desspo650
Neuer Benutzer
 
Registriert seit: 28.04.2009
Beiträge: 16
Standard Motorruckeln nach Entdrosselung

Guten Tag die herren, ich hab da mal n'paar Fragen, vielleicht kann mir da ja mal wer helfen. also folgendes:
Meine Freundin besitzt ne gs 500, bj 2001. diese war von Werk ab gedrosselt auf 34ps und hat jetz 16000 km drauf.
nun hab ich mich aufs entdrosseln gemacht, mich informiert und Gasschieber mit Löcher gegen die ungedrosselten ohne Loch verbaut.

An und für sich war alles ganz ok, bei ner Probefahrt bemerkte ich dann beim konstant fahren in den hohen gängen bei 100 oder so ein ruckeln, als ob der Motor entweder kurzfristig kein Sprit bekäme oder die Zündung aussetzt. Auch beim Beschleunigen in den hohen Gängen fing der Bock an zu ruckeln.

Folge: Tank wech, Vergaser raus, komplett gereinigt, Gummimanschetten auf korrekten Sitz geprüft, Gummiringe auf Vorhandensein, Schläuche geprüft, kein dreck, alles ok.

nächste Probefahrt: gleiche Symptome: Ruckeln bei konstanfahrt oder beschleunigen in hohen Gängen.

Kann mir jemand helfen? Muss ich evtl. noch die Nadel umhängen um entrosselt zu fahren? in den unterlagen stünde nix drin!

ich bedank mi jetz schon für eure unterstützung.
gruß aus bayern
flo
desspo650 ist offline   Mit Zitat antworten
Alt 28.04.2009, 18:22:12   #2
Allak
Stammtisch Bodensee
 
Registriert seit: 30.06.2008
Alter: 35
Beiträge: 242
Baujahr: 1993
Kilometer: 30000
Standard Re: Motorruckeln nach Entdrosselung

Zitat:
Anleitung für die Baujahre 2001 - 2004

Die neueren Modelle sind über die Hauptdüsen und die Membranschieber auf die 34PS gedrosselt!

Entdrosseln:
1.) 2 neue Schieber (haben keine seitliche Löcher, weiters weichen sie geometrisch etwas ab - allerdings nur sehr wenig - im Zehntelbereich, könnte daher auch die normale Fertigungstoleranz sein.....)

2.). 2 Neue Hauptdüsen: #130 [statt #135 (>=K4) bzw. #115 (K1-K3)]
Bei K1-K3 muss noch die Nadel auf die 3. Raststufe gesetzt werden und u.U. muss noch die Gemischregulierung abgestimmt werden (2 5/8 Umdrehungen raus statt 2 Umdrehungen)......

Das wars! Damit hat die GS ab 2001 45PS und ab 2004 48PS
Unter K1-K3 versteht man die Modelle BJ. 2001-2003
Allak ist offline   Mit Zitat antworten
Alt 28.04.2009, 18:25:09   #3
desspo650
Neuer Benutzer
 
Registriert seit: 28.04.2009
Beiträge: 16
Standard Re: Motorruckeln nach Entdrosselung

Danke für die schnelle info, aber warum sagt der suzi händler nix?

Krieg ich die düsen auch übers internet her?

woher weiß ich ob ich k1 oder so hab?
desspo650 ist offline   Mit Zitat antworten
Alt 28.04.2009, 18:56:28   #4
Saugwurmmensch
Public-Relations-Manager
 
Benutzerbild von Saugwurmmensch
 
Registriert seit: 19.07.2004
Ort: Strausberg
Alter: 42
Beiträge: 24.180
Baujahr: 1998
Kilometer: 22000
Standard Re: Motorruckeln nach Entdrosselung

Die Händler wissen leider auch nicht alles (ich hab ds Gefühl, die Suzukihändler noch weniger als andere ).
Wenn du schon das neue Design hast, ist deine mindestens ´01.

Hauptdüsen bekommst du auch im Internet.
Benutz mal die Forumssuche oder schau im Vergaser-Unterforum nach.
__________________
Wer hat noch keinen Organspendeausweis ?

Warning: may contain Verballhornung.
Suzuki - ride the wings of stain !
Saugwurmmensch ist offline   Mit Zitat antworten
Alt 28.04.2009, 19:01:38   #5
desspo650
Neuer Benutzer
 
Registriert seit: 28.04.2009
Beiträge: 16
Standard Re: Motorruckeln nach Entdrosselung

ALLES KLARO,

jetz hab i no ne dumme Frage:

von wo aus zähl i die drei rastnasen?
desspo650 ist offline   Mit Zitat antworten
Alt 28.04.2009, 19:03:04   #6
Allak
Stammtisch Bodensee
 
Registriert seit: 30.06.2008
Alter: 35
Beiträge: 242
Baujahr: 1993
Kilometer: 30000
Standard Re: Motorruckeln nach Entdrosselung

Vom langen Ende aus.
Allak ist offline   Mit Zitat antworten
Alt 28.04.2009, 19:28:54   #7
verbali
Erfahrener Benutzer
 
Benutzerbild von verbali
 
Registriert seit: 11.06.2008
Ort: Berlin
Alter: 53
Beiträge: 4.218
Baujahr: 1990
Kilometer: 106000
Standard Re: Motorruckeln nach Entdrosselung

Zitat:
Zitat von desspo650
ALLES KLARO,

jetz hab i no ne dumme Frage:

von wo aus zähl i die drei rastnasen?
ist bei drei sch**** egal
__________________
Sollte sich jemanden an meinen Posts stören, beziehe ich mich in jedem Fall auf §20 STGB
verbali ist offline   Mit Zitat antworten
Alt 09.05.2009, 13:37:05   #8
desspo650
Neuer Benutzer
 
Registriert seit: 28.04.2009
Beiträge: 16
Standard Re: Motorruckeln nach Entdrosselung

tag die herren,
habe gerade die besagten hauptdüsen ersetzt, einstellschraube korrigiert und wollte noch die düsennadel anders hängen, drei rastnasen waren drin ok, nur sind an der nadel oben und unten jeweils eine metallbeilagscheibe und ne kunststoffscheibe verbaut. hab die karre wieder zusammengebaut und hab probefahrt gemacht.

jetz zieht sie zwar besser, ruckelt aber nach wie vor!

muss ich evtl die beilagscheiben entfernen?
Info: modelljahr 2001, von werk ab gedrosselt.

danke desspo
desspo650 ist offline   Mit Zitat antworten
Alt 09.05.2009, 13:44:51   #9
gsmattis
Stammtisch Hamburg
 
Benutzerbild von gsmattis
 
Registriert seit: 16.03.2008
Ort: Extertal
Alter: 36
Beiträge: 8.808
Baujahr: 1999
Kilometer: 158000
Standard Re: Motorruckeln nach Entdrosselung

das ruckeln beim konstanten fahren hatte ich weil mein schwimmerstand falsch eingestellt war, kontrollier den mal
__________________
Bandit 1200
TL1000S
weil nur 6 Zylinder Sinn ergeben
gsmattis ist offline   Mit Zitat antworten
Alt 10.05.2009, 17:39:36   #10
desspo650
Neuer Benutzer
 
Registriert seit: 28.04.2009
Beiträge: 16
Standard Re: Motorruckeln nach Entdrosselung

hallo leute,

so, hab an meinem moped mal wieder alles geprüft, dabei leichte verschmutzung im Tank gefunden.

alles gereinigt, filter dazwischen und wieder Probefahrt-> gleiche symptome

während der Probefahrt gabs dann zwei saubere fehlzündungen.

nun hats mir die neue Batterie zsamm-ghaut.

hat irgendwer ne idee?

könnts vielleicht am zündsystem liegen und kanns mir durch ne fehlzündung die batterie schrotten?

helft mir bitte, ich schmeiß die karre sonst noch weg.

danke, desspo
desspo650 ist offline   Mit Zitat antworten
Alt 10.05.2009, 17:53:03   #11
bytexxx
Stammtisch Hamburg
 
Registriert seit: 27.06.2008
Ort: Schwarzenbek
Alter: 49
Beiträge: 661
Standard Re: Motorruckeln nach Entdrosselung

Hi, also als erstes mal denke ich nicht das man sich durch eine Fehlzündung die Batterie himmelt.

Hab da noch was in den FAQ´s gefunden:


Ist von AmigaHarry(und der hat wirklich Ahnung!!!!!)
__________________________________________________ __________________________________________________ ___
Habe mir das jetzt angesehen -ist so wie ich vermutet habe:
Es gibt in EU 3 Versionen der gedrosselten GS500 (K1/K2): GS500H, GS500U und GS500HU

Je nachdem welche du hast, sind folgende Duesen gedrosselt eingebaut:

H: #135 Kennung Vergaser:01DF (Deutschland?)
U: #115 Kennung Vergaser:01DG (Spanien, Deutschland?)
HU:#130 Kennung Vergaser:01DK (Oesterreich, Deutschland,)
(Genaue Laenderzuordnung ist in meinen Unterlagen schwierig....)

Zum Entdrosseln muessen in allen 3 Typen #115 und andere Schieber eingebaut werden. Ausgenommen davon ist die Type GS500U - diese braucht nur andere Schieber.
__________________________________________________ __________________________________________________ ___



Welche Haupdüsen hast du denn jetzt verbaut?

Tausch mal den Luftfilter. Ausblasen oder so hat "fast" keinen Sinn.
Pass aber auf das du den Filter 01D50 erwischt. Das ist der mit dem Rohr drin bis etwa zur Hälfte.
Wird bei Tante Louise gerne falsch verkauft(war oder ist nämlich falsch gelistet...)
__________________
Gruß, Andre.
bytexxx ist offline   Mit Zitat antworten
Alt 10.05.2009, 18:00:03   #12
desspo650
Neuer Benutzer
 
Registriert seit: 28.04.2009
Beiträge: 16
Standard Re: Motorruckeln nach Entdrosselung

hab jetz 130er drin, auf den alten stand aber 60 drauf. des ruckeln war aber mit den alten genauso wie mit den 130ern, also bezweifle ich langsam, dass es nicht am vergaser liegt.

kurz nach dem entdrosseln ist dieses problem nämlich auch nicht aufgetreten und es tritt auch nur sporadisch auf! am stärksten wenn ich im schiebebetrieb gas gebe, aber auch nicht immer!
und jetz das ganze noch mit der batterie!
irgendwie komisch oder?
desspo650 ist offline   Mit Zitat antworten
Alt 10.05.2009, 18:04:05   #13
bytexxx
Stammtisch Hamburg
 
Registriert seit: 27.06.2008
Ort: Schwarzenbek
Alter: 49
Beiträge: 661
Standard Re: Motorruckeln nach Entdrosselung

naja, das mit der Batterie ist warscheinlich Zufall oder dein Laderegler hat einen weg.
Aber 130er sind schonmal falsch...
Und wenn du sagst das 60 auf den alten stand dann sei die Frage erlaubt ob du dir ganz ganz sicher bist das du die richtigen Düsen ausgetauscht hast?
Ich will dir mit dieser Frage auf keinen Fall zu nahe treten, aber auf jeder Düse die ich bis jetzt gesehen habe stand schon die Größe drauf...
__________________
Gruß, Andre.
bytexxx ist offline   Mit Zitat antworten
Alt 10.05.2009, 18:06:32   #14
desspo650
Neuer Benutzer
 
Registriert seit: 28.04.2009
Beiträge: 16
Standard Re: Motorruckeln nach Entdrosselung

irgendwie wars ja auch komisch, aber des is die hauptdüse gewesen, schauen ja nicht alle gleich aus oder?
desspo650 ist offline   Mit Zitat antworten
Alt 10.05.2009, 18:10:08   #15
bytexxx
Stammtisch Hamburg
 
Registriert seit: 27.06.2008
Ort: Schwarzenbek
Alter: 49
Beiträge: 661
Standard Re: Motorruckeln nach Entdrosselung

Ich hab eben mal nachgeschaut.
Es gibt eine 60er Düse(Nr.23). Die gegen eine 130er zu tauschen ist auf jeden Fall falsch!
Du mußt Düse Nr.22 tauschen, aber nur wenn es keine 115er ist!
Ich denke da liegt auf jeden Fall schonmal ein möglicher Fehler.

[attachment=0:jm89mk68]VergaserBJ2001.jpg[/attachment:jm89mk68]
Miniaturansicht angehängter Grafiken
Klicke auf die Grafik für eine größere Ansicht

Name:	VergaserBJ2001.jpg
Hits:	1768
Größe:	332,4 KB
ID:	3990  
__________________
Gruß, Andre.
bytexxx ist offline   Mit Zitat antworten
Alt 10.05.2009, 18:20:08   #16
berndy
Super-Moderator
 
Benutzerbild von berndy
 
Registriert seit: 16.08.2006
Ort: Schifferstadt/Pfalz
Alter: 63
Beiträge: 10.720
Baujahr: 1995
Kilometer: 66666
Standard Re: Motorruckeln nach Entdrosselung

Eine Batterie kann auch mal so kaputt gehen.

Ich würde trotzdem mal den Lichtmaschinenregler überprüfen. Spannungsschwankungen können auch zu Zündproblemen und unruhigem Motorlauf mit Leistungseinbußen führen.

Wenn die Batterie während des Motorlaufs zusammenbricht, kann das auch zu Fehlzündungen führen.

Die Zündbox kann man überprüfen lassen. Dazu muss man aber eine Fachwerkstatt finden, die die nötigen Messgeräte hat. Selber geht das leider nicht und auf Verdacht tauschen ist teuer, die Zündbox kostet neu ca. 300 bis 400 €. Eventuell kann da Suzuki Deutschland weiter helfen. Muss man mal anrufen.

Was man selber prüfen kann sind die Zündgeber, die Zündspulen und die Verkabelung.

Umgekehrt führen Fehlzündungen nicht zu Batterieschäden.

Deine Probleme können aber auch mehrere Ursachen haben, die zufällig zusammen auftreten.

Treten die Probleme aber nach Änderungen am Vergaser auf, ist es am wahrscheinlichsten, dass das zusammenhängt.

Eventuell muss man die Düsennadel auch noch etwas durch Unterlegen oder Entfernen von Unterlagscheiben anpassen. Die Leerlaufdüse ist für den Bereich um den Leerlauf, die Hauptdüse für den Bereich um Vollgas und die Düsennadel für den Zwischenbereich. Wenns da Probleme gibt muss man mit der Anpassung der Düsennadel versuchen das Problem zu lösen.
__________________

Man sollte es so oder so nicht übertreiben.
berndy ist offline   Mit Zitat antworten
Alt 10.05.2009, 19:57:11   #17
desspo650
Neuer Benutzer
 
Registriert seit: 28.04.2009
Beiträge: 16
Standard Re: Motorruckeln nach Entdrosselung

das änder der hauptdüse von 60 auf 130 brachte aber keine Veränderungen, weder positiv noch negativ, sollte ich also die 160er wieder einschrauben?

kann ein defekt an der batterie selber auch zu diesem unrunden motorlauf führen? hat zwar noch ne spannung von 10 volt, lässt sich aber auch nicht mehr laden.

ps. ich find euren Einsatz hier im forum echt toll!
desspo650 ist offline   Mit Zitat antworten
Alt 10.05.2009, 20:06:58   #18
desspo650
Neuer Benutzer
 
Registriert seit: 28.04.2009
Beiträge: 16
Standard Re: Motorruckeln nach Entdrosselung

@bytexxx:

war beim Händler und sagte, ich brauch ne 130 er Hauptdüse, weil ich oben in diesem beitrag so informiert worden bin. ok und hat mir diese auch gegeben. die ausgebauten scheinen auf dem foto die nr 23 zu sein. is doch auch ne hauptdüse (jet main?). an die 22 könnt ich mich gar ned erinnern, müsste ja auf der langen "düse" sein, in der die Nadel ist oder?

Kerzenbild ist rehbraun
desspo650 ist offline   Mit Zitat antworten
Alt 10.05.2009, 20:36:01   #19
bytexxx
Stammtisch Hamburg
 
Registriert seit: 27.06.2008
Ort: Schwarzenbek
Alter: 49
Beiträge: 661
Standard Re: Motorruckeln nach Entdrosselung

Mach die 60er wieder da rein wo du sie rausgeschraubt hat!!!
Das war definitiv falsch da die 130er reinzuschrauben.
Die Hauptdüse(Nr.22) ist die in die die Düsennadel reingeht.
Wenn du Gas gibst dann wird die Düsennadel aus der Düse gezogen und je weiter dies passiert desto mehr Sprit kommt durch.
Das ist auch die Düse um die es beim Entdrosseln geht.
Und Suzuki sagt nunmal das dort beim Entdrosseln einer 2001er GS500 eine 115er Düsen rein gehört.

Wenn du wüßtest was hier schon für haarsträubende Dinge von Fachwerkstätten geäußert oder gemacht wurden...
Ich hatte gerade vorletzte Woche eine Maschiene bei der ich durch Zufall festgestellt habe das sie nicht gedrosselt wurde obwohl die Besitzerin 250€ dafür bezahlt hat(kein Scherz!)
Vertrau dem Forum und nicht dem Händler...(ich will hier keinen schlechtmachen...!)

P.s.: Kerzenbild soll weißlich sein. Rehbraun sind nur 2-Takt Roller... Durch die 130er anstatt 60er Hauptnebendüse läuft sie viiieel zu fett!
__________________
Gruß, Andre.
bytexxx ist offline   Mit Zitat antworten
Alt 11.05.2009, 16:42:31   #20
desspo650
Neuer Benutzer
 
Registriert seit: 28.04.2009
Beiträge: 16
Standard Re: Motorruckeln nach Entdrosselung

hallo die herren.
habe jetz mal vor, die batterie zu ersetzen(bleibt mir ja nix anderes übrig) und werd dann mal die Ladespannung prüfen. dann werd ich mal die vergaser komplett zurückrüsten auf den gedrosselten zustand und dann prüfen, ob sie ruckelt, dann weiß ich wenigstens, obs am vergaser liegt oder nicht. mit da ein bisschen schrauben und da ein bisschen schauen komm ich nicht mehr weiter. is doch sinnvollste oder?

der suzi-händler behauptet, sie würden die düsen immer so verbauen, nimmt mir auch die 130er nicht mehr zurück. 28€ schon mal im a****.

ich krieg noch die Kräze mit dem zeuch................
desspo650 ist offline   Mit Zitat antworten
Alt 22.05.2009, 18:18:24   #21
desspo650
Neuer Benutzer
 
Registriert seit: 28.04.2009
Beiträge: 16
Standard Re: Motorruckeln nach Entdrosselung

Hallo die Herren,
hat jetz ein bisschen gedauert, bis ich ne neue batterie bekommen hab.

hab jetz die die 130er düsen wieder entfernt und die anlage wieder zsamm-baut mit der neuen batterie. generatorspannung zwischen 13,5-14,5 meiner ansicht nach in ordnung, ruckelt nur immer noch, wird meiner ansicht nach sogar immer schlimmer. aber nur ab dem 5. gang.

ich weiß etz nimmer weiter, vielleicht mach i no neue zündkerzen rein.

aber nem händler will ich sie nicht überlassen, hab noch nie(!!) mit ner Motorradwerkstatt gute erfahrungen gemacht!
desspo650 ist offline   Mit Zitat antworten
Alt 25.05.2009, 18:59:03   #22
desspo650
Neuer Benutzer
 
Registriert seit: 28.04.2009
Beiträge: 16
Standard Re: Motorruckeln nach Entdrosselung

So, mit den neun Zündkerzen is es des gleiche spiel!!
hat von euch jemand noch ne idee oder was i noch prüfen könnte?

wenn ich in der stadt fahre, gibts überhaupt keine probleme, auch wenn ich sie bis 9k drehe, sobalds aber aber an die 100km/h geht, ruckelt sie ganz leicht.
am besten spürbar ist es, wenn ich sie nen berg im schiebebetrieb runterfahre und gib dann ein bisschen gas.
desspo650 ist offline   Mit Zitat antworten
Alt 26.05.2009, 12:53:42   #23
AmigaHarry
Erfahrener Benutzer
 
Benutzerbild von AmigaHarry
 
Registriert seit: 13.11.2005
Ort: Perchtoldsdorf
Alter: 64
Beiträge: 5.311
Kilometer: 1.1mio
Standard Re: Motorruckeln nach Entdrosselung

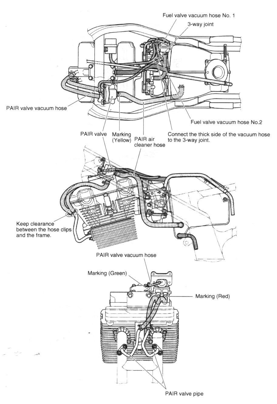
Halte das ausschließlich für ein Vergaserproblem - nichts elektrisches (zumindest nicht direkt).

Ich gehe davon aus, daß die Vergaser Synchronisiert sind und LuFi sowie Verbindungsflansche OK bzw. dicht sind. Zudem hoffe ich, daß die Öffnungen für die Unterdruckmessung (Synchronisation) ordentlich verschlossen sind, sowie Ventile eingestellt sind und der Zündzeitpunkt nicht durch Bastelleien an der Zündgeberplatte verändert wurde........

Wenn du eine K1 hast, hast du auch 2 auf Unterdruck basierende Zusatzsysteme am Vergaser:

1. Das PAIR-System zur sekundären Auspuffgasreinigung. Das funktioniert über ein Vakuumventil welches vom Vergaser aus angesteuert wird: Ist dieses Ventil und die zugehörigen Unterdruckschläuche i.O.?
2. Das PVLS-System, welches den Schieber im Vergaser gegen zu heftige Reaktion beim Aufreissen der Drosselklappen schützt. Dieses System wird durch die Zündbox über ein Magnetventil angesteuert. Bitte prüfe ob dieses Ventil OK ist, ob alle Schläuche dazu dicht und richtig angeschlossen sind und, last but not least, ob der kleine runde Luftfilter des PVLS unterm Tank sauber ist.
Notfalls das ganze PVLS abhängen und die Unterdruckanschlüsse an den Vergasern verschließen und testen ob das Konstantfahrruckeln wieder auftritt.....

Ist das alles OK müssen die Schiebermembranen auf Risse untersucht werden (sind manchmal ganz feine Risse, kaum zu sehen....), die Schieber selbst auf Freigängigkeit, ob die Drosselklappen fest auf der Welle sitzen und ob der Schwimmerstand OK ist.
Nächster Schritt ist der Ausbau SÄMTLICHER Düsen und der DÜSENSTÖCKE zwecks gründlicher Reinigung. Achtung: Ablagerungen und Schmutz können manchmal so fein sein, daß man das erst beim 3. Hinschauen erkennt.

Ich hoffe daß du den Fehler damit eingrenzen/finden kannst......
AmigaHarry ist offline   Mit Zitat antworten
Alt 26.05.2009, 17:03:54   #24
desspo650
Neuer Benutzer
 
Registriert seit: 28.04.2009
Beiträge: 16
Standard Re: Motorruckeln nach Entdrosselung

danke für deine Antwort, nur leider verfügt das Fahrzeug über keine dieser beiden Systeme, das wäre mir schon aufgefallen, aber ich werde nun die oben genannten Punkte nochmals überprüfen. werd sie dann auch mal an nen Abgastester hängen und mir die Werte anschauen. hat jemand ne idee, ob sie nahe lambda=1 oder eher ein bisschen magerer laufen sollte?
desspo650 ist offline   Mit Zitat antworten
Alt 27.05.2009, 08:37:27   #25
AmigaHarry
Erfahrener Benutzer
 
Benutzerbild von AmigaHarry
 
Registriert seit: 13.11.2005
Ort: Perchtoldsdorf
Alter: 64
Beiträge: 5.311
Kilometer: 1.1mio
Standard Re: Motorruckeln nach Entdrosselung

Wenn deine eine wirkliche K1 (=BJ 2001) ist, dann sollten diese Systeme verbaut sein bzw. mal verbaut gewesen sein. Möglicherweise wurde das vom Vorbesitzer entfernt. Du brauchst nur nachzusehen ob du am Zylinderkopf unter den Krümmerausgängen kleine, verschlossene, längliche zusätzliche Öffnungen hast. Wenn nicht ist dein Modell keine K1 sondern älter! (Kommt vor, da die Maschinen oft lang auf Lager standen bis sie Erstangemeldet wurden....). In dem Fall musst du an Hand der Rahmennummer herausfinden wann deine GS gebaut wurde und die entsprechend richtige Entdrosselmethode anwenden (könnte durchaus auch eine 98/99er sein). Die Rahmennummerzuordnung gibts, glaube ich, hier irgendwo im Forum - dein SUZI-Händler sollte das aber auch wissen..... Übrigends: Die neue Tankform + Sitz ist kein 100% stichhaltiges Indiz für ein Motorbaujahr nach 2000(!!) - es gibt durchaus noch 2001er Modelle mit Motorentypen aus 1999! Findet man gar nicht so selten in USA....und teilweise auch bei uns. Erst ab 2004 mit Einführung von Ölkühler und KAT ist das eindeutig.

btw.: Konstantfahrruckeln ist bei Vergasermaschinen (im Gegensatz zu Einspritzern) bauartbedingt sehr ungewöhnlich - eine Fehlfunktion des PVLS kann aber genau das erzeugen, daher ist es wichtig herauszufinden, ob das mal an deiner Maschine vorhanden war, und wenn ja ob es wirklich ordentlich entfernt wurde (Unterdrucköffnungen an den Vergaserdeckeln dicht verschlossen!). Der CDI macht es normalerweis nichts aus wenn das Magnetventil nicht mehr dranhängt - sie überprüft dessen Vorhandensein nicht.....allerdings ist mir schon eine untergekommen die auf den fehlenden Aussenwiderstand des Magnetventil sonderbar reagiert hat - glaube aber daß das eine fehlerhafte Ausnahme war...... solltest du die Anschlusskabel noch finden kannst du probeweise mal einen Widerstand mit 300-400 Ohm drannhängen........ Mir ist jedenfalls noch kein Fall untergekommen in der die CDI von sich aus so ein Fahrverhalten erzeugt hätte (zumindest nicht ohne weitere gravierende Symptome).

Wenn deine GS älter ist und das alles nicht vorhanden war, bleibt dir nur mehr die Suche im Vergaser selbst bzw. alles was ihn beeinflussen könnte (Airbox, Benzinzufuhr, Unterdruck am Hahn, etc.).......
AmigaHarry ist offline   Mit Zitat antworten
Alt 29.05.2009, 18:23:13   #26
desspo650
Neuer Benutzer
 
Registriert seit: 28.04.2009
Beiträge: 16
Standard Re: Motorruckeln nach Entdrosselung

hallo
hab grad nochmal nachgeschaut:
hab folgende Fahrgestellnummer: js1bk311100100023.

laut der liste im FAQ handelt es sich hierbei um eine von Werk ab gedrosselte gs500 u, Typ bk3111.

laut dem Faq müssen zum entdrosseln NUR andere Schieber eingebaut werden.

Am Zylinderkopf sind lange Vorgefertigte Löcher drin, nicht nachträglich verschlossen oder so.

habe auch keine übrigen stecker oder so gefunden!
desspo650 ist offline   Mit Zitat antworten
Alt 29.05.2009, 18:54:53   #27
AmigaHarry
Erfahrener Benutzer
 
Benutzerbild von AmigaHarry
 
Registriert seit: 13.11.2005
Ort: Perchtoldsdorf
Alter: 64
Beiträge: 5.311
Kilometer: 1.1mio
Standard Re: Motorruckeln nach Entdrosselung

Die Oeffnungen des PAIR MUESSEN am Zylinderkopf verschlossen sein!!!!

Siehe Bilder.....

Das Magnetventil (Solenoid) findest du (falls vorhanden) unter dem rechten Vergaser.......
Miniaturansicht angehängter Grafiken
Klicke auf die Grafik für eine größere Ansicht

Name:	PAIR.jpg
Hits:	1587
Größe:	157,9 KB
ID:	4321   Klicke auf die Grafik für eine größere Ansicht

Name:	PVLS.jpg
Hits:	1630
Größe:	96,5 KB
ID:	4322   Klicke auf die Grafik für eine größere Ansicht

Name:	GS500.jpg
Hits:	2003
Größe:	109,6 KB
ID:	4323  
AmigaHarry ist offline   Mit Zitat antworten
Alt 29.05.2009, 19:27:30   #28
Igi
Forumssponsor
 
Benutzerbild von Igi
 
Registriert seit: 25.05.2008
Ort: Hamburg
Alter: 53
Beiträge: 1.950
Baujahr: 2004
Kilometer: 22000
Standard Re: Motorruckeln nach Entdrosselung

also ich hab ne
GS500 U
WVBK
BK3111 (also gleich)
K2

bj 02

(laut Suzi Händler Süderstr. und laut Tabelle hier im Forum)

es werden NUR die Schieber gewechselt
und 115er Düsen (ok ich hab etwas grössere drin, aber das spielt jetzt hier keine Rolle)

hab auch nur Vergaser, keine dieser anderen Systeme dran
(also was AmigaHarry aufgezählt hatte)

die genaue Vergaserbezeichnung weiss ich jetzt nicht


und hab den Luffi von Delo drin OHNE dieses Rohr
also für die offene GS
(bzw seit kurzem nen K&N - ist aber auch erstmal egal)

glaube nicht, dass es ein Vergaserproblem bei dir ist.
man könnte ja auch mal schnell von ner anderen GS den vergaser dran machen und testen

hast mal Ventilspiel geprüft ?
du sagtest eher im Schiebebetrieb bzw. danach ?
Zündgeberplatte ?
__________________
Gruß.
...... IGI

SV-1000N - wen der Motor nicht aufweckt, den weckt die Hupe
Igi ist offline   Mit Zitat antworten
Alt 30.05.2009, 11:47:58   #29
desspo650
Neuer Benutzer
 
Registriert seit: 28.04.2009
Beiträge: 16
Standard Re: Motorruckeln nach Entdrosselung

hallo, also ich hab jetz mal entgegen aller tipps statt der 115er düsen 130 düsen verbaut und finde, dass sich die symptome verbessert haben, werde jetz mal ein bisschen an der düsennadel einstellen, ob sich da was tut.
gibt es auch verschiedene luftfilter für gedrosselt bzw ungedrosselt?

am meisten merk ich es, wenn ich einen berg runter fahre und gib leicht gas, dann ruckt sie. bei volllast gibts keine probleme mehr.
hab sie grad getestet auf ner geraden, gebückt hab ich 170 geschafft. wär schon in ordnung oder?

die löcher am zylinderkopf sind verschlossen, und ich habe auch kein magnetventil am oder in der nähe des vergasers.
desspo650 ist offline   Mit Zitat antworten
Alt 30.05.2009, 12:10:33   #30
verbali
Erfahrener Benutzer
 
Benutzerbild von verbali
 
Registriert seit: 11.06.2008
Ort: Berlin
Alter: 53
Beiträge: 4.218
Baujahr: 1990
Kilometer: 106000
Standard Re: Motorruckeln nach Entdrosselung

130 statt 115er Hauptdüse?
Willste Drosseln?
__________________
Sollte sich jemanden an meinen Posts stören, beziehe ich mich in jedem Fall auf §20 STGB
verbali ist offline   Mit Zitat antworten
Alt 30.05.2009, 14:52:35   #31
desspo650
Neuer Benutzer
 
Registriert seit: 28.04.2009
Beiträge: 16
Standard Re: Motorruckeln nach Entdrosselung

nö, entdrosseln!

wenn ich doch den den düsendurchlass vergrößer, bekommt sie doch mehr sprit oder?
desspo650 ist offline   Mit Zitat antworten
Alt 30.05.2009, 14:57:38   #32
verbali
Erfahrener Benutzer
 
Benutzerbild von verbali
 
Registriert seit: 11.06.2008
Ort: Berlin
Alter: 53
Beiträge: 4.218
Baujahr: 1990
Kilometer: 106000
Standard Re: Motorruckeln nach Entdrosselung

130er Düsen haben die Gedrosselten mit Gasschieberanschlag.

Ein Motor kann auch Zu viel Sprit bekommen
__________________
Sollte sich jemanden an meinen Posts stören, beziehe ich mich in jedem Fall auf §20 STGB
verbali ist offline   Mit Zitat antworten
Alt 01.06.2009, 00:54:19   #33
Igi
Forumssponsor
 
Benutzerbild von Igi
 
Registriert seit: 25.05.2008
Ort: Hamburg
Alter: 53
Beiträge: 1.950
Baujahr: 2004
Kilometer: 22000
Standard Re: Motorruckeln nach Entdrosselung

warum haben die 06er wieder grössere Düsen drin ?

und wenn er das Gefühl hat, dass sie nun besser läuft ?
warum nicht ?
vieleicht zieht sie irgendwo am Luftfilterkasten Nebenluft und deshalb klappt das nun ?

solang sie nicht zu fett läuft (also dunkle Zündkerze oder Qualm oder n verruster Brennraum)
schadet ner Luftgekühlten n bischen Kühlung durch etwas fetteres Gemisch ja nix oder ?

und wenn seine jetzt nicht ruckelt ?!

Gut man sollte sehen, wo der Fehler oder das zuviel an Luft herkommt, denn ruckeln sollte sie auch mit den 115er Düsen nicht.

vieleicht Luffi nicht "richtig" dicht eingebaut ?
oder ne andere Öffnung/Undichtigkeit im Luftfilterkasten ?
__________________
Gruß.
...... IGI

SV-1000N - wen der Motor nicht aufweckt, den weckt die Hupe
Igi ist offline   Mit Zitat antworten
Antwort

Lesezeichen


Forumregeln
Es ist dir nicht erlaubt, neue Themen zu verfassen.
Es ist dir nicht erlaubt, auf Beiträge zu antworten.
Es ist dir nicht erlaubt, Anhänge hochzuladen.
Es ist dir nicht erlaubt, deine Beiträge zu bearbeiten.

BB-Code ist an.
Smileys sind an.
[IMG] Code ist aus.
HTML-Code ist aus.

Gehe zu

Ähnliche Themen
Thema Autor Forum Antworten Letzter Beitrag
Probleme mit Gasannahme nach Entdrosselung Robs Vergaser - Kraftstoff - Drosseln - Tuning 13 17.09.2007 07:17:58
Nach der Entdrosselung säuft er ab. HELP HELP HELP gnomik Vergaser - Kraftstoff - Drosseln - Tuning 32 04.09.2007 13:10:27
Umtypiserung nach der Entdrosselung Allgemeines 1 17.08.2005 07:19:35
Fragen nach der Entdrosselung Vergaser - Kraftstoff - Drosseln - Tuning 5 24.03.2003 17:27:33
Probleme nach Entdrosselung Vergaser - Kraftstoff - Drosseln - Tuning 4 01.06.2002 19:30:07


Alle Zeitangaben in WEZ +1. Es ist jetzt 20:54:01 Uhr.


Powered by vBulletin® Version 3.8.9 (Deutsch)
Copyright ©2000 - 2026, vBulletin Solutions, Inc.