gs-500.de  

Zurück   gs-500.de > GS500(E/F) > Elektrik, Elektronik und Beleuchtung

Hinweise

Antwort
 
Themen-Optionen
Alt 23.02.2011, 12:16:47   #1
Luki
Neuer Benutzer
 
Registriert seit: 23.02.2011
Ort: Gießen
Beiträge: 2
Baujahr: 2006
Kilometer: 25000
Standard Drigende Hilfe bei Suche von Hanbdbuch für Bj.06

Hallo Leute,

Ich bräuchte dringend Hilfe.
Und zwar springt meine GS nicht mehr an, macht kein laut
aber wenn ich am Kabel von der Rechtenlenkeramatuer wackel
wo ja der Startknopf sitzt springt sie an.
Also denk ich das es ein Wackler ist in der Amatuer oder Kabelbruch.

Meine frage hätte da jemand eine Schrauberhandbuch für das Bj. 2006
oder ähnliches ?
Kann mir da jemand Helfen ???

MFG Luki
Luki ist offline   Mit Zitat antworten
Alt 23.02.2011, 12:27:49   #2
Saugwurmmensch
Public-Relations-Manager
 
Benutzerbild von Saugwurmmensch
 
Registriert seit: 19.07.2004
Ort: Strausberg
Alter: 42
Beiträge: 24.180
Baujahr: 1998
Kilometer: 22000
Standard

Ein Reparaturhandbuch wird dir da auch nicht viel helfen.
Du hast den Fehler doch schon einigermaßen eingegrenzt.
Schraub die Armatur auf (sind ja nur 2 Schrauben) und schau nach, ob dir vielleicht nur eine kalte Lötstelle Ärger macht.
__________________
Wer hat noch keinen Organspendeausweis ?

Warning: may contain Verballhornung.
Suzuki - ride the wings of stain !
Saugwurmmensch ist offline   Mit Zitat antworten
Alt 23.02.2011, 19:48:55   #3
majestic_morpheus
Super-Moderator
 
Benutzerbild von majestic_morpheus
 
Registriert seit: 09.06.2006
Ort: 85435 Erding
Alter: 50
Beiträge: 6.739
Baujahr: 1992
Kilometer: 68000
Standard

Und wenn du da nichts entdecken kannst, kannst du dir die Mühe machen und die Kabel durchmessen. Oder einfach im Marktplatz oder bei Ebay für einen schmalen Taler eine gebrauchte Armatur kaufen.
__________________



__________________________________________________ ____

Entdrosseln - die FAQ (ins PDF schauen)

FAQ - immer einen Blick wert
majestic_morpheus ist offline   Mit Zitat antworten
Alt 23.02.2011, 20:13:35   #4
Goose
Erfahrener Benutzer
 
Benutzerbild von Goose
 
Registriert seit: 06.12.2010
Ort: 83527 Haag
Alter: 27
Beiträge: 4.738
Baujahr: 1989
Standard

Die neuen Armaturen findest du leider nicht für nen schmalen Taler...
__________________
Das GS Wikipedia mit vielen Anleitungen und Bildern. -> www.gs-500.info

Hebamme und Entwicklungshelfer geiler Moppeds
Goose ist offline   Mit Zitat antworten
Alt 23.02.2011, 20:52:50   #5
majestic_morpheus
Super-Moderator
 
Benutzerbild von majestic_morpheus
 
Registriert seit: 09.06.2006
Ort: 85435 Erding
Alter: 50
Beiträge: 6.739
Baujahr: 1992
Kilometer: 68000
Standard

Zitat:
Zitat von Goose Beitrag anzeigen
Die neuen Armaturen findest du leider nicht für nen schmalen Taler...
Ach ja, war ja von 06. Na dann bleibt nur messen.

Kontrolliere vorher mal die Stecker, eventuell ist da einer nicht richtig eingerastet oder leicht korrodiert.
__________________



__________________________________________________ ____

Entdrosseln - die FAQ (ins PDF schauen)

FAQ - immer einen Blick wert
majestic_morpheus ist offline   Mit Zitat antworten
Alt 23.02.2011, 21:20:21   #6
AmigaHarry
Erfahrener Benutzer
 
Benutzerbild von AmigaHarry
 
Registriert seit: 13.11.2005
Ort: Perchtoldsdorf
Alter: 64
Beiträge: 5.313
Kilometer: 1.1mio
Standard

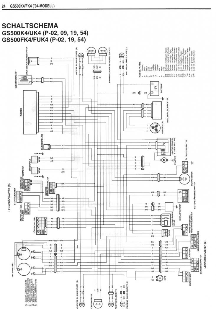
Villeicht hilft dir der Schaltplan. Seit der K04 ist das Verdrahtungsschema gleich geblieben.....
Miniaturansicht angehängter Grafiken
Klicke auf die Grafik für eine größere Ansicht

Name:	AN26.jpg
Hits:	417
Größe:	113,8 KB
ID:	9325  
AmigaHarry ist offline   Mit Zitat antworten
Alt 23.02.2011, 23:20:26   #7
Saugwurmmensch
Public-Relations-Manager
 
Benutzerbild von Saugwurmmensch
 
Registriert seit: 19.07.2004
Ort: Strausberg
Alter: 42
Beiträge: 24.180
Baujahr: 1998
Kilometer: 22000
Standard

Zitat:
Zitat von Goose Beitrag anzeigen
Die neuen Armaturen findest du leider nicht für nen schmalen Taler...
Dann ist das Set Armaturen im Lager ja richtig was wert
__________________
Wer hat noch keinen Organspendeausweis ?

Warning: may contain Verballhornung.
Suzuki - ride the wings of stain !
Saugwurmmensch ist offline   Mit Zitat antworten
Alt 24.02.2011, 20:13:42   #8
Luki
Neuer Benutzer
 
Registriert seit: 23.02.2011
Ort: Gießen
Beiträge: 2
Baujahr: 2006
Kilometer: 25000
Standard

Ja Teile für mein Bj sind sehr schwer zu kriegen für wenig Geld und
neu Kostet das teil 116 Euronen.

werd mich Morgen mal auf die Fehlerbehebung machen und dann mal
berichten.
Luki ist offline   Mit Zitat antworten
Alt 26.02.2011, 15:42:49   #9
AmigaHarry
Erfahrener Benutzer
 
Benutzerbild von AmigaHarry
 
Registriert seit: 13.11.2005
Ort: Perchtoldsdorf
Alter: 64
Beiträge: 5.313
Kilometer: 1.1mio
Standard

Du kannst auch die alten Amaturen nehmen - die passen genauso, nur wird der Lichtschalter keine Funktion haben (dazu müsstest du den Kabelbaum anpassen - was aber ganz leicht geht und meiner Meinung nach auch sehr sinnvoll ist!). Bei der K4 (die ja auch deinem BJ entspricht) sind die Stecker ident, nur sind einige Pins nicht belegt.
Aus "Designgründen" würde ich aber nicht die ganz alten Amaturen aus der ersten Hälfte der 90er-Jahre suchen....die sehen auf einer neuen GS schon etwas deplaziert aus......
Die linke Amaturenhälfte sollte noch 1:1 mit den alten passen.
AmigaHarry ist offline   Mit Zitat antworten
Antwort

Lesezeichen


Forumregeln
Es ist dir nicht erlaubt, neue Themen zu verfassen.
Es ist dir nicht erlaubt, auf Beiträge zu antworten.
Es ist dir nicht erlaubt, Anhänge hochzuladen.
Es ist dir nicht erlaubt, deine Beiträge zu bearbeiten.

BB-Code ist an.
Smileys sind an.
[IMG] Code ist aus.
HTML-Code ist aus.

Gehe zu

Ähnliche Themen
Thema Autor Forum Antworten Letzter Beitrag
Hilfe,suche dringend SB Umbau GS 500 gs-schrauber Verkleidungen, Anbauteile und Zubehör 16 12.05.2009 14:29:51
Vergaserdrama! suche hilfe schnuck Vergaser - Kraftstoff - Drosseln - Tuning 15 15.10.2007 20:48:45
Suche Hilfe im Raum Wien Allgemeines 1 11.08.2006 22:43:14
Suche Hilfe PrinZ Allgemeines 4 28.04.2006 20:18:51


Alle Zeitangaben in WEZ +1. Es ist jetzt 02:59:20 Uhr.


Powered by vBulletin® Version 3.8.9 (Deutsch)
Copyright ©2000 - 2026, vBulletin Solutions, Inc.