gs-500.de  

Zurück   gs-500.de > GS500(E/F) > Fehlerdiagnose

Hinweise

Antwort
 
Themen-Optionen
Alt 30.03.2024, 22:47:46   #1
Hynnes
Benutzer
 
Benutzerbild von Hynnes
 
Registriert seit: 30.03.2024
Ort: Hamburg
Beiträge: 32
Baujahr: 2000
Kilometer: 9000
Unglücklich GS Geht nach 15km fahrt einfach aus!

Moin,
leider bin ich komplett frustriert und brauche rat.
Meine 2000er GS500E, macht mir nur Probleme. Nach etwa 15km Fahrt geht sie einfach aus und startet danach auch nicht mehr, sie läuft bis dahin einwandfrei, bevor jedoch die Maschine komplett den geist aufgibt stottert sie beim beschleunigen für paar Km. Ich habe bereits einiges unternommen jedoch hat nichts gebracht.
  • Der Vergaser wurde gereinigt, dass keine Verstopfungen oder Ablagerungen vorliegen.

    Die Zündkerzen wurden durch neue ersetzt

    Der Luftfilter wurde erneuert

    Aktuell wird der Tank gereinigt

trotz der oben genannten Maßnahmen lief sie nur für eine kurze weile.
Erwähnenswert ist es glaub ich das die Rechte Zündkerze sauber/leichtbräunlich ausschaut und die linke matt schwarz. Zudem fühlte sich der linke Zylinder kälter an als der rechte. Also Links Warm und Rechts Heiß.

Die Schläuche hab ich auch schon geprüft sitzt alles fest und nicht verstopft.
Ich habe leider keine Ahnung was ich gezielt unternehmen könnte und das Problem besser zu beheben/diagnostizieren.
Würde mich sehr freuen wenn jemand mir etwas weiterhelfen könnte
VG
Hynnes ist offline   Mit Zitat antworten
Alt 31.03.2024, 00:21:05   #2
berndy
Super-Moderator
 
Benutzerbild von berndy
 
Registriert seit: 16.08.2006
Ort: Schifferstadt/Pfalz
Alter: 63
Beiträge: 10.721
Baujahr: 1995
Kilometer: 66666
Standard

Was heißt "startet dann nicht mehr"? Anlasser dreht aber der Motor zündet nicht? Anlasser dreht nicht? Motor lässt sich nach x Minuten wieder starten?

Wie siehts mit dem Choke aus? Geht der komplett zurück, klemmt nicht? Wenn der Choke nicht komplett zurückgeht, überfettet irgendwann der Motor und geht aus. Das kann nach der Strecke sein. Chokezug ausgehängt, klemmt, geknickt, falsch verlegt, Chokeschlitten festgegammelt ...?

Es könnte auch ein Fehler an der Zündanlage vorliegen.
Wenn Sie wieder ausgeht, sofort überprüfen, ob sie auf beiden Seiten Zündfunken hat. Denkbar wären Haarrisse in den Pikups oder den Zündspulen. Auch ein Defekt an der Zündbox wäre möglich. Oder aber die Batterie entlädt sich weil es ein Problem mit der Lichtmaschine gibt. Ohne ausreichende Spannung gibt die Zündanlage keinen Zündfunken.

Es gibt bestimmt noch weitere Möglichkeiten, an die ich jetzt nicht gedacht habe.
__________________

Man sollte es so oder so nicht übertreiben.
berndy ist offline   Mit Zitat antworten
Alt 31.03.2024, 01:01:45   #3
Hynnes
Benutzer
 
Benutzerbild von Hynnes
 
Registriert seit: 30.03.2024
Ort: Hamburg
Beiträge: 32
Baujahr: 2000
Kilometer: 9000
Standard

Zitat:
Zitat von berndy Beitrag anzeigen
Was heißt "startet dann nicht mehr"? Anlasser dreht aber der Motor zündet nicht? Anlasser dreht nicht? Motor lässt sich nach x Minuten wieder starten?

Wie siehts mit dem Choke aus? Geht der komplett zurück, klemmt nicht? Wenn der Choke nicht komplett zurückgeht, überfettet irgendwann der Motor und geht aus. Das kann nach der Strecke sein. Chokezug ausgehängt, klemmt, geknickt, falsch verlegt, Chokeschlitten festgegammelt ...?

Es könnte auch ein Fehler an der Zündanlage vorliegen.
Wenn Sie wieder ausgeht, sofort überprüfen, ob sie auf beiden Seiten Zündfunken hat. Denkbar wären Haarrisse in den Pikups oder den Zündspulen. Auch ein Defekt an der Zündbox wäre möglich. Oder aber die Batterie entlädt sich weil es ein Problem mit der Lichtmaschine gibt. Ohne ausreichende Spannung gibt die Zündanlage keinen Zündfunken.

Es gibt bestimmt noch weitere Möglichkeiten, an die ich jetzt nicht gedacht habe.
Sorry das ich undeutlich war,
Alsooooo, der Anlasser dreht, jedoch zündet der Motor nicht, mit Glück startet sie läuft dann aber nicht länger als eine Minute, bis ich sie wieder "normal" starten kann damit sie wieder ca. 15 mitmacht dauert es schon mehrere Stunden.
Der Choke ist auch in einem guten Zustand, Schlitten sauber, und hab auch den Tank nicht dran und da sieht man deutlich das der Choke Seilzug sein job macht.
Die Zündanlage müsste ich jedoch überprüfen das hab ich noch nicht getan, könntest du mir vielleicht sagen was pick ups sind?
Hynnes ist offline   Mit Zitat antworten
Alt 31.03.2024, 08:12:40   #4
Vinz-Georg
Erfahrener Benutzer
 
Benutzerbild von Vinz-Georg
 
Registriert seit: 06.05.2016
Ort: Potsdam
Alter: 44
Beiträge: 749
Baujahr: 1996
Kilometer: 133000
Standard

Bevor du dir die Zündung anschaust, fallen mir noch folgende Sachen zur Spritzufuhr ein:

Hast du nach der Vergaserreinigung auch neue Dichtungen verbaut? Wenn du links ne schwarze Zündkerze hast bekommt sie links zuviel Sprit, das kann an dem Schwimmernadelventil liegen oder über den Unterdruckschlauch bekommt sie auch Benzin weil der Benzinhahn defekt ist.

Die Benzinschläuche könnten auch von innen aufgequollen sein und der Benzinfluss ist nicht mehr ausreichend oder die Membran im Benzinhahn ist verhärtet und mindert den Benzinfluss. Dies kannst du testen wenn du auf PRI stellst, nach der Fahrt aber wieder auf ON/RES stellen. Halte ich aber nach deiner Beschreibung nach als eher unwahrscheinlich das es daran liegt.

Die Pickups sind Hallgeber die den Zündzeitpunkt vorgeben. Die findest du in Fahrtrichtung rechts am kleinen Motordeckel mit den 3 Schrauben und wo Suzuki drauf steht.
Vinz-Georg ist gerade online   Mit Zitat antworten
Alt 31.03.2024, 09:44:20   #5
Kay73
Erfahrener Benutzer
 
Registriert seit: 18.10.2014
Ort: 18184 Roggentin (bei HRO)
Alter: 53
Beiträge: 1.564
Baujahr: 1993
Kilometer: 100Mm+
Standard

Wenn sie frisch ausgegangen ist: Tank geöffnet und neu verschlossen?
Tankentlüftung (fast) zu kann ich mir zwar nicht vorstellen, das wäre aber wengstens einfach zu prüfen.

Wie sehen die Probleme aus, wenn beim "Stottern" der BH schon auf PRI geschaltet wird?
Kay73 ist offline   Mit Zitat antworten
Alt 31.03.2024, 09:51:25   #6
berndy
Super-Moderator
 
Benutzerbild von berndy
 
Registriert seit: 16.08.2006
Ort: Schifferstadt/Pfalz
Alter: 63
Beiträge: 10.721
Baujahr: 1995
Kilometer: 66666
Standard

Ich lasse einfach mal meine Gedanken schweifen:

Möglicherweise ist auch die Belüftung im Tankdeckel zugesetzt.

Aber: Ich schätze mal, mit einem nicht funktionierenden Benzinhahn oder zu wenig nachlaufendem Benzin fährt man keine 15 km weit. Das würde dann auch nicht so lange dauern, bis der Motor wieder startet. Mit PRI wären die Vergaser ja relativ schnell wieder gefüllt.

Ich denke da eher an ein thermisches Problem.

Allerdings: Wenn es etwas mit den Pick-Ups zu tun hätte, wäre es unwahrscheinlich (aber nicht ausgeschlossen), dass beide Seiten zeitgleich aussetzen. Die 2000er sollte noch zwei Pick-Ups haben.

Wäre noch die Möglichkeit, dass die Zündbox eine Macke hat.

Dass die Kerze links etwas dunkler als rechts ist, kann auch daran liegen, dass der Leerlauf des linken Vergasers etwas fetter steht.

Wer weiß schon, was in den letzten 24 Jahren an den Vergasern herumgestellt/umgebaut wurde?

Wenn der Tank zum Reinigen weg ist, wie sehen denn jetzt die Vergaser innen aus? Wenn Dreck oder Rost im Tank war, ist vermutlich jetzt auch wieder etwas in den Vergasern.

Apropos Rost/Schmutz im Tank, ist da vielleicht ein zusätzlicher Benzinfilter in der Leitung? Wenn ja, das kann schon die Ursache sein.

Thermisches Problem: Ventilspiel? Wurde das mal kontrolliert? Wobei, bei 9000 km, dürfte da noch nichts im Argen sein. Da dürften überhaupt alle o.g. Probleme noch nicht auftreten außer eventuell Dreck im Tank und verharzte Vergaser.

Aber wer weiß das schon.

Die Membran in meinem Benzinhahn ist 28 Jahre alt. Ja, bei längeren Vollgasfahrten gibts das bekannte Problem, das sich aber nach Gaswegnehmen und etwas Rollen lassen wieder gibt. Außerdem ist meine 95er GS ab Werk gedrosselt, also über Ansaugverengung und größere Hauptdüsen. Die saugt da schon etwas mehr.
Eine verhärtete Membran würde ich deshalb als Ursache ausschließen wollen. Selbst wenn mein Motor ausgeht, springt er sofort danach wieder einwandfrei an. Und ich muss da keine Stunden warten.

Was mich wieder an ein thermisches Problem denken lässt.

Da m.M.n. die Pick-Ups und ein Benzinproblem unwahrscheinlich sind, würde ich mal gucken, ob sich die Möglichkeit bietet die Zündbox zu tauschen. Vll. gibts einen User in deiner Nähe, der eine übrig hat oder sie mal probehalber zur Verfügung stellt.
__________________

Man sollte es so oder so nicht übertreiben.
berndy ist offline   Mit Zitat antworten
Alt 31.03.2024, 10:20:25   #7
Vinz-Georg
Erfahrener Benutzer
 
Benutzerbild von Vinz-Georg
 
Registriert seit: 06.05.2016
Ort: Potsdam
Alter: 44
Beiträge: 749
Baujahr: 1996
Kilometer: 133000
Standard

Naja bei 9000km Laufleistung hat sie viel rumgestanden. Da härtet doch gerne alles aus was aus Gummi ist.

Das du mit deiner GS weniger Ärger hast liegt vor allem daran das du sie fährst berndy und im Winter ordentlich abstellst.
Vinz-Georg ist gerade online   Mit Zitat antworten
Alt 31.03.2024, 10:30:19   #8
Hynnes
Benutzer
 
Benutzerbild von Hynnes
 
Registriert seit: 30.03.2024
Ort: Hamburg
Beiträge: 32
Baujahr: 2000
Kilometer: 9000
Standard

Den vergaser hab ich komplett auseinander genommen und zum Ultraschall gegeben, dannach wieder mit einem reparatursatz komplett wieder zusammen gebaut, also Dichtungen, düsen, Ventile alles neu.
Auf PRI wollte die Maschine bei der letzten Fahrt wo sie ausgegangen ist aber auch nicht starten, jedoch hab ich es nicht mit offenen tank Deckel versucht. Kann ich mal probieren wenn ich den Tank wieder habe.
Zum Tank, da hab ich nen Blick eingeworfen und ziemlich Dreck und rost entdeckt, anzumerken ist aber das der Kraftstoff Filter sauber aussah, nichtsdestotrotz ist der jetzt zum reinigen weg.
Da das Problem ständig nach etwas fahren auftritt denke ich auch das es mit der aufkommenden Wärme zutun haben müsste, jedoch probiere ich mal eine andere zündbox zu bekommen und zu schauen ob das der Übeltäter ist.
Hynnes ist offline   Mit Zitat antworten
Alt 31.03.2024, 11:10:45   #9
berndy
Super-Moderator
 
Benutzerbild von berndy
 
Registriert seit: 16.08.2006
Ort: Schifferstadt/Pfalz
Alter: 63
Beiträge: 10.721
Baujahr: 1995
Kilometer: 66666
Standard

Gerade die Zündox kann thermische Probleme haben. Die wird während der Fahrt warm und kann die Wärme so gut wie gar nicht loswerden. Das ist eine hermetisch eingegossene Elektronik. Wenn die auf der Platine einen Haarriss hat und sich das alles durch die Wärme ausdehnt, kann es passieren, dass die Elektronik innen keinen ausreichenden Kontakt mehr hat und nicht mehr funktioniert. Da die Zündbox für beide Seiten zuständig ist, würde es ins Fehlerbild passen. Wenn die dann abgekühlt ist, hats wieder Kontakt und geht wieder eine Zeit lang.

Das gleiche kann bei den Pick-Ups (die heißen richtig Zündinduktionsspulen und sind was anderes als Zündspulen) und auch den Zündspulen passieren. Aber, wie bereits beschrieben, auf beiden Seiten gleichzeitig ist unwahrscheinlich.

Jetzt warte erstmal auf deinen Tank. Dann die Lösungsvorschläge nach und nach, am besten immer einen nach dem anderen, von billig zu teuer bzw. einfach zu kompliziert abarbeiten. Damit man zum Schluss auch weiß was es war.

In der Zwischenzeit kann man ja mal Ausschau nach einer Zündbox (CDI) halten.

Die Ersatzteilnummer für die 2000er ist 32900-01D20 (die 32900-01D00 könnte eventuell auch passen, da bin ich mir aber nicht sicher). Achtung, die von den neueren (nach 2002, 32900-01D10) passen nicht. Neu kostet die ca. 600 €. Also wäre ein Gebrauchtteil wohl eher zu bevorzugen. Die kosten zwischen 35 und 150 (+) €. Am besten die Nummer deiner ablesen und eine entsprechende suchen.

Möglicherweise gibt es auch kompatible von Drittanbietern neu. Da könnte eventell AmigaHarry etwas wissen.

Gebraucht sollte aber eine für kleines Geld aufzutreiben sein.
__________________

Man sollte es so oder so nicht übertreiben.
berndy ist offline   Mit Zitat antworten
Alt 31.03.2024, 19:40:37   #10
AmigaHarry
Erfahrener Benutzer
 
Benutzerbild von AmigaHarry
 
Registriert seit: 13.11.2005
Ort: Perchtoldsdorf
Alter: 64
Beiträge: 5.317
Kilometer: 1.1mio
Standard

Zündboxen gibts leider nicht alternativ.

Falls das wirklich auf einen el. Fehler hinausläuft und nicht doch am Vergaser, etc., liegt:

Bevor du die CDI angreifst, gehören Pickups und Zündspulen gemessen (Widerstände in kaltem Zustand!!)

Zündspulen Niederspannungsseite 3-6 Ohm, Hochspannungsseite 18-30 kOHM

Beide Pickups:
Kabelfarbe Braun und schwarz mit blauen Streifen, sowie grün mit weissen streifen und schwarz mit blauen Streifen jeweils 250-400 OHM

Da es aussieht als würde sie zum Schluss nur mehr auf einem Zylinder laufen, die Zündspulen untereinander Tauschen und schauen ob der Fehler mitwandert. Zündspulen können nämlich im kalten Zustand völlig OK sein und versagen erst bei Erwärmung.

Zur Elektrik findest du auch eine Menge Infos in den FAQ.
AmigaHarry ist offline   Mit Zitat antworten
Alt 01.04.2024, 04:37:34   #11
berndy
Super-Moderator
 
Benutzerbild von berndy
 
Registriert seit: 16.08.2006
Ort: Schifferstadt/Pfalz
Alter: 63
Beiträge: 10.721
Baujahr: 1995
Kilometer: 66666
Standard

Eine Alternative gibt es anscheinend, der Preis ist aber unattraktiv weil fast so hoch wie das Orginalteil (422,29€).

https://www.carmo.nl/index.php?main_...61&language=de
__________________

Man sollte es so oder so nicht übertreiben.
berndy ist offline   Mit Zitat antworten
Alt 01.04.2024, 07:56:30   #12
AmigaHarry
Erfahrener Benutzer
 
Benutzerbild von AmigaHarry
 
Registriert seit: 13.11.2005
Ort: Perchtoldsdorf
Alter: 64
Beiträge: 5.317
Kilometer: 1.1mio
Standard

Carmo Holland baut von verschiedenen Modellen Boxen nach (habe für die Guzzis dort schon einiges machen lassen) - wusste aber nicht das sie eine für die GS haben. Sie sind eher für Repararuren defekter Geräte (Steuersysteme, Dashbords) bekannt.
Die angegebenen Verbesserungen beziehen sich auf die Modelle von vor der K4 - ab dann ist da sowieso eine andere BOX im Einsatz, die das alles (und noch mehr) sowieso schon verbaut hat.
Carmo ist nicht billig, aber sie arbeiten sauber. Der Preis ist aber auffällig hoch (die verbaute Hardware kostet keine €15.-) - vielleicht ein Lizenzthema mit Suzuki (die sind da etwas "pingelig").
AmigaHarry ist offline   Mit Zitat antworten
Alt 01.04.2024, 09:22:47   #13
HWK
Erfahrener Benutzer
 
Benutzerbild von HWK
 
Registriert seit: 30.06.2008
Ort: München
Beiträge: 196
Standard

Zitat:
Zitat von AmigaHarry Beitrag anzeigen
Bevor du die CDI angreifst, gehören Pickups und Zündspulen gemessen
Aus eigener Erfahrung: Die Pickups fallen im warmen Zustand aus, meine damals pünktlich bei 80 Grad Öltemperatur. Könnte mit den 15km zusammen passen.
Viel Erfolg! HWK
HWK ist offline   Mit Zitat antworten
Alt 01.04.2024, 15:48:15   #14
Hynnes
Benutzer
 
Benutzerbild von Hynnes
 
Registriert seit: 30.03.2024
Ort: Hamburg
Beiträge: 32
Baujahr: 2000
Kilometer: 9000
Standard

Vielen vielen dank für die ganzen Vorschläge, ich bin erst nächste Woche Montag wieder da um an der Maschine zu Schrauben, aber dann check ich erstmal die pickups, sollten diese in Ordnung sein werd ich mich eine neue zündbox kaufen und dann wieder mal schauen, Updates werden kommen 👍👍
Hynnes ist offline   Mit Zitat antworten
Alt 01.04.2024, 17:57:25   #15
berndy
Super-Moderator
 
Benutzerbild von berndy
 
Registriert seit: 16.08.2006
Ort: Schifferstadt/Pfalz
Alter: 63
Beiträge: 10.721
Baujahr: 1995
Kilometer: 66666
Standard

Dann müsstest du die aber erwärmen. Wenn die wegen Hitze ausfallen, funktionieren sie ja, wenn sie kalt sind. Vielleicht kann man ja trotzdem etwas sehen. Die Zündinduktionsspulen sollen einen Widerstand von 250 - 420 Ohm haben. Zündspulen: Primärwicklung 3 - 6 Ohm, Sekundärwicklung 18 - 30 Kilo-Ohm.
__________________

Man sollte es so oder so nicht übertreiben.
berndy ist offline   Mit Zitat antworten
Alt 02.04.2024, 08:54:17   #16
Hynnes
Benutzer
 
Benutzerbild von Hynnes
 
Registriert seit: 30.03.2024
Ort: Hamburg
Beiträge: 32
Baujahr: 2000
Kilometer: 9000
Standard

Im Internet finde ich leide Garnichts zu den Zündinduktionsspuhlen, und ich bin jetzt auch nicht so erfahren da die GS meine erste Maschine ist, wo kann ich den Wiederstand für die spuhlen messen? Am Kabelende etwa die auf die Zündkerze gesteckt werden?
Hynnes ist offline   Mit Zitat antworten
Alt 02.04.2024, 09:14:54   #17
AmigaHarry
Erfahrener Benutzer
 
Benutzerbild von AmigaHarry
 
Registriert seit: 13.11.2005
Ort: Perchtoldsdorf
Alter: 64
Beiträge: 5.317
Kilometer: 1.1mio
Standard

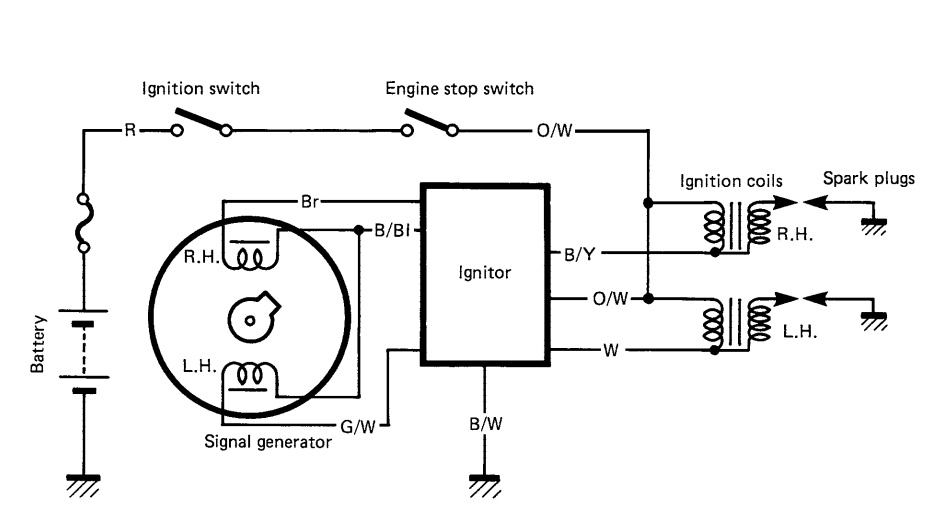
Ich denke, du solltest erst einmal lernen, wie ein Zündsystem funktioniert:

An Hand der unten stehenden Bilder siehst du das grundlegende Schema und dann was zu messen ist.
Signal Generator = Pickups für links und rechts
Ignition Coils = Zündspule links und rechts

Ich empfehle dir das Suzuki Service Manual zu besorgen (findest du im Netz)
Achja: Wenn ich in Go...le "Zündspulen" eingebe, kommen zigtausende Einträge......
Miniaturansicht angehängter Grafiken
Klicke auf die Grafik für eine größere Ansicht

Name:	Ignit_Shematics.jpg
Hits:	5660
Größe:	72,5 KB
ID:	32015   Klicke auf die Grafik für eine größere Ansicht

Name:	Inspection.jpg
Hits:	5660
Größe:	76,3 KB
ID:	32016  
AmigaHarry ist offline   Mit Zitat antworten
Alt 02.04.2024, 15:36:33   #18
berndy
Super-Moderator
 
Benutzerbild von berndy
 
Registriert seit: 16.08.2006
Ort: Schifferstadt/Pfalz
Alter: 63
Beiträge: 10.721
Baujahr: 1995
Kilometer: 66666
Standard

Zitat:
Zitat von Hynnes Beitrag anzeigen
Im Internet finde ich leide Garnichts zu den Zündinduktionsspuhlen, und ich bin jetzt auch nicht so erfahren da die GS meine erste Maschine ist, wo kann ich den Wiederstand für die spuhlen messen? Am Kabelende etwa die auf die Zündkerze gesteckt werden?
Versuchs mal mit Signalgenerator, Hallgeber, Hallsensor

https://www.google.com/search?client...hallgeber#ip=1

Die Schemazeichnungen von AmigaHarry sind eventuell für völlig unbedarfte User nicht aussagekräftig genug.

Wenn du Fragen hast, keine Scheu, frag einfach.

Eine dem Baujahr entsprechende Reparaturanleitung ist sehr hilfreich und natürlich braucht man ein gescheites Messgerät, das Spannung und Widerstand messen kann.

Noch etwas zur Rechtschreibung: Es heißt Widerstand (mit einfachem i, von wider = gegen) und Spule schreibt man ohne h. Ich weiß, ich mache selbst auch manchmal Fehler, niemand ist vollkommen, wir sollten aber alle lernfähig sein.

Beim Messen sollte möglichst die Batterie abgeklemmt sein. Sicher ist sicher und so vermeidet man einen Kurzschluss.

Messen Pick-Ups: rechten Motordeckel abschrauben, darunter sitzt die Zündgeberplatte mit den Zündinduktionsspulen. Mit den Messspitzen des Messgerätes sollte man an die gelöteten Anschlüsse der Spulen kommen. Messgerät auf Ohm (Ω) und den entsprechenden Messbereich also mehr als 420 Ω (bei meinem Multimeter müsste ich auf 2 kΩ stellen) einstellen und die Messspitzen auf die Anschlüsse halten. Die Polung spielt hier keine Rolle. Kommst du nicht an die Kontaktstellen und kannst nichts abbauen um dran zu kommen, musst du die Kabel verfolgen und an der nächsten Trennstelle (Stecker) messen. Dazu ist ein Schaltplan gut.

Bei den Zündspulen ist es so ähnlich.

Aber immer eins nach dem anderen.

Man braucht natürlich ein Messgerät, das Widerstand und Spannung messen kann und sollte auch damit vertraut sein. Solche Multimeter gibts in Baumärkten, Elektronik-Märkten im Motorradzubehör, auf Amazon, ebay... Die ganz billigen taugen nicht sehr viel, ganz teure sind overkill, so im mittleren Preissegment (ca. 40 € +/-) dürfte man etwas brauchbares finden.
__________________

Man sollte es so oder so nicht übertreiben.
berndy ist offline   Mit Zitat antworten
Alt 11.04.2024, 01:00:28   #19
Hynnes
Benutzer
 
Benutzerbild von Hynnes
 
Registriert seit: 30.03.2024
Ort: Hamburg
Beiträge: 32
Baujahr: 2000
Kilometer: 9000
Standard

Nochmal moin, morgen will ich endlich mal mich an den pick up machen und nur nochmal paar Sachen abgehen und nachfragen.
Klingt wie ne dumme Frage, aber ich müsste das Öl erstmal leeren oder?

Auf dem Bild (blau eingekreist) hab ich die Zündinduktionsspuhlen eigekreist, jedenfalls nehme ich an das es sie sind. Nachdem ich diese gemessen hab soll ich ja die Zündspule mal anchauen, sowie die Primär- und Sekundärwicklung messen, wo finde ich diese auf dem bild oder muss ich dafür wo anders schauen.

Und sollten deren Widerstände alle stimmen, ist es fair anzunehmen das Steuergerät zu ersetzen.

Sollten die Widerstände nicht stimmen soll ich gleich den ganzen pickups ersetzen?

Vg
Miniaturansicht angehängter Grafiken
Klicke auf die Grafik für eine größere Ansicht

Name:	Screenshot_20240411_014438_Opera.jpg
Hits:	5669
Größe:	73,2 KB
ID:	32045  
Hynnes ist offline   Mit Zitat antworten
Alt 11.04.2024, 07:20:10   #20
berndy
Super-Moderator
 
Benutzerbild von berndy
 
Registriert seit: 16.08.2006
Ort: Schifferstadt/Pfalz
Alter: 63
Beiträge: 10.721
Baujahr: 1995
Kilometer: 66666
Standard

Die Zündspulen sitzen unter dem Tank am Rahmen. Wie die gemessen werden erfährst du in dem aktuellen Thread:
https://forum.gs-500.de/showthread.p...209#post622209
Dann brauchen wir nicht alles doppelt zu erklären.

Ja, das blau eingekreiste sind die Zündinduktionsspulen (Pick-ups).

Die Zündgeberplatte (da sitzen die beiden Zündinduktionsspulen drauf, kann man so abschrauben, ohne das Öl abzulassen.

Warum willst du das Öl ablassen? steht sowieso ein Ölwechsel an?

Immer eins nach dem anderen. Ich würde mit dem anfangen, was für mich (oder in dem Fall für dich) am einfachsten zu realisieren ist.

Wenn du unkompliziert und günstig, vll auch leihweise, an eine Zündbox kommst, dann probiere das zuerst.

Wenn die Pick-Ups ein thermisches Problem haben, funktionieren die ja, solange sie kalt sind. Also muss man die messen, sobald der Motor ausgeht, also wenn er heiß ist.

Widerstand der Pick-ups kalt messen, dann fahren, bis der Motor nicht mehr will, direkt die Pick-ups messen. Wenn beide Widerstände ok sind, hat man das als Ursache ausgeschlossen.

Die Zündinduktionsspulen gibt es nicht einzeln als Suzuki-Ersatzteil. Man bekommt nur die gesamte Zündgeberplatte, kostet neu ca. 250 €. Sollte der Tausch nötig sein, etwas gebrauchtes suchen.

Ebenso ist das Vorgehen bei den Zündspulen, die gibt es aber einzeln auch von Drittanbietern.

Aber, da ja der Motor ganz ausgeht und nicht nur auf einem Zylinder aussetzt, gehe ich eher davon aus, dass es etwas ist, was auf beiden Zylindern wirkt. Entweder die Benzinversorgung (glaube ich nicht so recht dran) oder die Zündbox.

Ist dein Tank von der Reinigung zurück?

Nicht vergessen die Benzinleitungen und die Benzinhähne zu spülen. Wenn Dreck/Rost im Tank war, ist der auch in den Leitungen und Hähnen. Sonst hast du gleich wieder Schmutz in den Vergasern.
__________________

Man sollte es so oder so nicht übertreiben.
berndy ist offline   Mit Zitat antworten
Alt 18.04.2024, 13:10:15   #21
Hynnes
Benutzer
 
Benutzerbild von Hynnes
 
Registriert seit: 30.03.2024
Ort: Hamburg
Beiträge: 32
Baujahr: 2000
Kilometer: 9000
Standard

Moin moin, ich war leider die letzte Woche über krank im Bett und konnte nicht messen, jedoch hab ich es heute und hab folgendes raus.
Beide pickups sitzen bei 290Ohm (kalt, warm werde ich gleich messen) welche ja innerhalb der Toleranz sein sollte, dannach machte ich and die Zündspulen.
Problem hier, beide spuhlen haben einen Widerstand von 4-5Ohm wenn ich richtig gemessen habe, im Anhang sind nochmal Bilder, habt ihr vielleicht ne Idee woran das liegen könnte oder ist die spuhle eindach nicht mehr fit genug.
Zudem weiß ich nicht ob es sich bei der linken oder rechten um primär oder sekundär spuhle handelt, ich dachte das der Widerstand mir das sagen könnte aber da beide den selben Wert ausgespuckt haben bin ich noch immer planlos.
Nun ja, ich würd mich über eure Gedanken dazu freuen, ich werd die Maschine nun mal warm laufen lassen und nochmal die pick ups prüfen.
Klicke auf die Grafik für eine größere Ansicht

Name:	20240418_135639.jpg
Hits:	10629
Größe:	113,3 KB
ID:	32055
Klicke auf die Grafik für eine größere Ansicht

Name:	20240418_140124.jpg
Hits:	10640
Größe:	113,3 KB
ID:	32056
Hynnes ist offline   Mit Zitat antworten
Alt 18.04.2024, 13:33:44   #22
Hynnes
Benutzer
 
Benutzerbild von Hynnes
 
Registriert seit: 30.03.2024
Ort: Hamburg
Beiträge: 32
Baujahr: 2000
Kilometer: 9000
Standard

Kleines Update: Motor ist noch am laufen jedoch fiel mir auf das die rechte Motorhälfte sehr warm ist und die linke kaum, ist das vielleicht ein indiez für die spuhle?
Hynnes ist offline   Mit Zitat antworten
Alt 18.04.2024, 14:04:04   #23
Hynnes
Benutzer
 
Benutzerbild von Hynnes
 
Registriert seit: 30.03.2024
Ort: Hamburg
Beiträge: 32
Baujahr: 2000
Kilometer: 9000
Standard

Update 2: Problem nachgestellt, der Motor geht nun ständig aus, jedoch sind die pick ups ausgeschlossen, sie haben einen Widerstand von 340Ohm, was mir nur noch zu denken gibt das es die CDI oder einer der spuhlen sein muss.
Hynnes ist offline   Mit Zitat antworten
Alt 18.04.2024, 14:22:17   #24
klassikfon
Erfahrener Benutzer
 
Benutzerbild von klassikfon
 
Registriert seit: 20.08.2010
Ort: Halle (Saale)
Alter: 49
Beiträge: 1.918
Baujahr: 1992
Kilometer: 33.000
Standard

Wenn die linke Seite im Stand nicht mitläuft, dann ist es oft die Unterdruckgeschichte vom Benzinhahn. Also Membrane oder Schlauch.
__________________
Vergaser-Ultraschallreinigung für Forenmitglieder:

www.vergaseronkel.de

Vergaser zerlegen:http://forum.gs-500.de/showthread.ph...458#post424458
klassikfon ist offline   Mit Zitat antworten
Alt 18.04.2024, 14:30:01   #25
Hynnes
Benutzer
 
Benutzerbild von Hynnes
 
Registriert seit: 30.03.2024
Ort: Hamburg
Beiträge: 32
Baujahr: 2000
Kilometer: 9000
Standard

Schläuche hatte ich alle beim zerlegen des vergasers geprüft, die sind in Ordnung, kann jedoch gut möglich sein das die Membran im Benzinhahn hin ist. Diese wollte ich eh mal wechseln, aber sollte der Motor nicht auch ohne die linke Seite laufen können, also zum Problem das er nach längeren laufen ausgeht.
Hynnes ist offline   Mit Zitat antworten
Alt 18.04.2024, 15:21:48   #26
Vinz-Georg
Erfahrener Benutzer
 
Benutzerbild von Vinz-Georg
 
Registriert seit: 06.05.2016
Ort: Potsdam
Alter: 44
Beiträge: 749
Baujahr: 1996
Kilometer: 133000
Standard

Wenn du den Unterdruckschlauch am Vergaser abziehst und da Sprit rauskommt haste deinen Fehler gefunden. Siehe Beitrag Nr. #4!

Bei der Standuhr wäre es auch nicht verwunderlich wenn der BH defekt ist...
Vinz-Georg ist gerade online   Mit Zitat antworten
Alt 18.04.2024, 16:14:04   #27
berndy
Super-Moderator
 
Benutzerbild von berndy
 
Registriert seit: 16.08.2006
Ort: Schifferstadt/Pfalz
Alter: 63
Beiträge: 10.721
Baujahr: 1995
Kilometer: 66666
Standard

Zitat:
Zitat von Hynnes Beitrag anzeigen
Moin moin, ich war leider die letzte Woche über krank im Bett und konnte nicht messen, jedoch hab ich es heute und hab folgendes raus.
Beide pickups sitzen bei 290Ohm (kalt, warm werde ich gleich messen) welche ja innerhalb der Toleranz sein sollte, dannach machte ich and die Zündspulen.
Problem hier, beide spuhlen haben einen Widerstand von 4-5Ohm wenn ich richtig gemessen habe, im Anhang sind nochmal Bilder, habt ihr vielleicht ne Idee woran das liegen könnte oder ist die spuhle eindach nicht mehr fit genug.
Zudem weiß ich nicht ob es sich bei der linken oder rechten um primär oder sekundär spuhle handelt, ich dachte das der Widerstand mir das sagen könnte aber da beide den selben Wert ausgespuckt haben bin ich noch immer planlos.
Nun ja, ich würd mich über eure Gedanken dazu freuen, ich werd die Maschine nun mal warm laufen lassen und nochmal die pick ups prüfen.
Anhang 32055
Anhang 32056
Die GS hat für jeden Zylinder eine eigene Zündspule. Die Zündspulen wiederum haben jeweils eine Primär- und eine Sekundär-Wicklung. Die Werte für die Primärwicklung mit 4 - 5 Ω ist ok. Werksangabe sind 3 - 6 Ω. Die Sekundär-Wicklung misst man zwischen dem +Pol der Primärwicklung und dem Kerzenstecker. Wenn du den falschen Pol der Primärwicklung erwischst passiert nichts, dann zeigt dein Messgerät nur unendlich an, also keinen Durchgang. Dann probiere den andern Pol. Wenn beide Pole keinen Durchgang hätten, wäre die Sekundärwicklung möglicherweise unterbrochen oder das Zündkabel oder der Kerzenstecker defekt. Der Sollwert liegt hier bei 18 - 30 kΩ (Kilo Ohm also 18 000 - 30 000 Ω)

In diesem Thread ist das ausführlich beschrieben: https://forum.gs-500.de/showthread.php?t=41813
__________________

Man sollte es so oder so nicht übertreiben.
berndy ist offline   Mit Zitat antworten
Alt 18.04.2024, 16:23:49   #28
Hynnes
Benutzer
 
Benutzerbild von Hynnes
 
Registriert seit: 30.03.2024
Ort: Hamburg
Beiträge: 32
Baujahr: 2000
Kilometer: 9000
Standard

Ahhhhhh okay das wusste ich nicht, dann hab ich wohl nur die beiden primär wicklungen gemessen, ich werde am Wochenende nochmal die Sekundärwicklungen ins Auge nehmen, danke Berndy.
Jetzt nur mal angenommen, das die Sekundärwicklungen auch den passenden Widerstand haben, würdest du sagen das ich mir die neue CDI zulegen sollte?
Hynnes ist offline   Mit Zitat antworten
Alt 18.04.2024, 16:50:28   #29
AmigaHarry
Erfahrener Benutzer
 
Benutzerbild von AmigaHarry
 
Registriert seit: 13.11.2005
Ort: Perchtoldsdorf
Alter: 64
Beiträge: 5.317
Kilometer: 1.1mio
Standard

Nein! Vorerst die Vegaser prüfen. Ein Ausfall eines Zylinders ist zu 99% die Spritversorgung der Zylinder Erst dann kommen Zündkerzen, Kabel, Spulen (nicht Spuhlen - das tut weh!) und zu allerletzt die CDI (wobei der Ausfall nur einer Zündstrecke ein sehr, sehr seltener Fehler ist).
AmigaHarry ist offline   Mit Zitat antworten
Alt 18.04.2024, 16:54:47   #30
Hynnes
Benutzer
 
Benutzerbild von Hynnes
 
Registriert seit: 30.03.2024
Ort: Hamburg
Beiträge: 32
Baujahr: 2000
Kilometer: 9000
Standard

Moin Harry,
den vergaser hab ich doch bereits geprüft wie in den ersten Beiträgen erklärt. Dieser wurde komplett gewartet und gereinigt, sowie geprüft. Ein Reparatur Set für den BH wollte ich auch noch bestellen.
Da bleiben als mögliche Fehler Quellen doch nur spulen oder CDI oder nicht?
Anzumerken ist das ich die Schläuche auch alle geprüft habe
Hynnes ist offline   Mit Zitat antworten
Alt 18.04.2024, 18:36:00   #31
Vinz-Georg
Erfahrener Benutzer
 
Benutzerbild von Vinz-Georg
 
Registriert seit: 06.05.2016
Ort: Potsdam
Alter: 44
Beiträge: 749
Baujahr: 1996
Kilometer: 133000
Standard

Wenn die GS aber den Sprit über den Unterdruckschlauch zieht dann säuft dir der linke Zylinder ab.

Prüfe ob der Unterdruckschlauch trocken ist.

Die Zündkerze ist vermutlich nass kannst du ja auch mal prüfen. Falls das so ist, liegts an der Spritzufuhr.
Vinz-Georg ist gerade online   Mit Zitat antworten
Alt 18.04.2024, 19:56:21   #32
AmigaHarry
Erfahrener Benutzer
 
Benutzerbild von AmigaHarry
 
Registriert seit: 13.11.2005
Ort: Perchtoldsdorf
Alter: 64
Beiträge: 5.317
Kilometer: 1.1mio
Standard

Bitte Check zuerst was Vinz-Georg geschrieben hat.
Glaube mir: In deinem Fall deutet alles auf den Vergaser hin - egal was du schon geprüft und angesehen hast. Besser das nochmals ganz, ganz, ganz genau checken.

Denn wenn die el. Messwerte an den Spulen, Kabeln und den Pickups passen, rennt die Kiste von der elektrischen Seite her auch. Klar kann man die CDI ohne enstprechendes Testequippement nicht 100% ausschließen, aber die ist erfahrungsgemäß, nur in den seltensten Fällen ein Problem.
AmigaHarry ist offline   Mit Zitat antworten
Alt 18.04.2024, 20:07:54   #33
berndy
Super-Moderator
 
Benutzerbild von berndy
 
Registriert seit: 16.08.2006
Ort: Schifferstadt/Pfalz
Alter: 63
Beiträge: 10.721
Baujahr: 1995
Kilometer: 66666
Standard

Was uns bisher als mögliche Fehlerquellen eingefallen ist, ist sicherlich alles plausibel. Was mir aber doch etwas zu denken gibt, ist die Tatsache, dass die GS ja anscheinend 15 km fährt und dann ausgeht.

Also nicht in der Leistung nachlässt, bockt, muckt oder was auch immer, sondern ausgeht.

Es muss also etwas sein, das beide Zylinder beeinflusst.

Möglich wäre natürlich auch, dass der rechte Zylinder von Anfang an alleine läuft und den linken einfach nur mitschleppt und nach 15 km der rechte aus irgendeinem Grund ausfällt.

Zunächst sollte man versuchen beide Zylinder zum Laufen zu bringen.

@Hynnes Hast du mal überprüft, ob beide Zündkerzen funken? Nicht, dass eine einfach nur defekt ist. Sollten beide funken, gehen wir zunächst mal davon aus, dass die Zündung funktioniert.

Zum Fehlerbild könnte auch passen: Wenn der linke Zylinder wegen eines defekten Benzinhahns oder hängenden Schwimmernadelventils nicht mitläuft, kann Benzin ins Motoröl wandern. Sobald das Öl warm genug wird, verdunstet das Benzin und geht über die Kurbelgehäuseentlüftung in die Vergaser. Das führt dazu, dass das Gemisch überfettet und der Motor bzw. dann auch der rechte Zylinder ausgeht.

Also, wie Vinz-Georg schon vorgeschlagen hat, Benzinhahn überprüfen.
__________________

Man sollte es so oder so nicht übertreiben.
berndy ist offline   Mit Zitat antworten
Alt 18.04.2024, 22:16:25   #34
Kay73
Erfahrener Benutzer
 
Registriert seit: 18.10.2014
Ort: 18184 Roggentin (bei HRO)
Alter: 53
Beiträge: 1.564
Baujahr: 1993
Kilometer: 100Mm+
Standard

Auch, wenn ich mich wiederhole- und alle anderen wiederhole:
UNTERDRUCKSCHLAUCH PRÜFEN- ob da Benzin drin ist!

Das ist keine Kontrolle, ob der Schlauch in Ordnung ist, sondern, ob die Membrane vom BH in Ordnung ist.
Kay73 ist offline   Mit Zitat antworten
Alt 19.04.2024, 04:20:30   #35
berndy
Super-Moderator
 
Benutzerbild von berndy
 
Registriert seit: 16.08.2006
Ort: Schifferstadt/Pfalz
Alter: 63
Beiträge: 10.721
Baujahr: 1995
Kilometer: 66666
Standard

Würde denn eine gerissene Membran nicht dazu führen, dass der Unterdruckhahn erst gar nicht öffnet?
__________________

Man sollte es so oder so nicht übertreiben.
berndy ist offline   Mit Zitat antworten
Alt 19.04.2024, 07:34:35   #36
Hynnes
Benutzer
 
Benutzerbild von Hynnes
 
Registriert seit: 30.03.2024
Ort: Hamburg
Beiträge: 32
Baujahr: 2000
Kilometer: 9000
Standard

Ich habe jeden gehört und verstanden.
Ich hab gestern neue Membran, Schläuche und Dichtungen bestellt und werde diese im laufe der nächsten Woche wechseln.
Der Unterdruckschlauch war beim Ausbau der Vergasers auch trocken, kann ich beim wechseln nächste Woche ja noch einmal prüfen.
Präventiv bau ich einfach den Benzinhahn auch mit nem Reparatur Set neu auf.
Hynnes ist offline   Mit Zitat antworten
Alt 19.04.2024, 07:42:21   #37
Kay73
Erfahrener Benutzer
 
Registriert seit: 18.10.2014
Ort: 18184 Roggentin (bei HRO)
Alter: 53
Beiträge: 1.564
Baujahr: 1993
Kilometer: 100Mm+
Standard

Zitat:
Zitat von berndy Beitrag anzeigen
Würde denn eine gerissene Membran nicht dazu führen, dass der Unterdruckhahn erst gar nicht öffnet?
Bei mir hat er geöffnet.


Zitat:
Zitat von Hynnes Beitrag anzeigen
Ich habe jeden gehört und verstanden.
Ich hab gestern neue Membran, Schläuche und Dichtungen bestellt und werde diese im laufe der nächsten Woche wechseln.
Der Unterdruckschlauch war beim Ausbau der Vergasers auch trocken, kann ich beim wechseln nächste Woche ja noch einmal prüfen.
Präventiv bau ich einfach den Benzinhahn auch mit nem Reparatur Set neu auf.

Spricht nicht für einen defekten BH.
(Wobei das zuviel an Sprit da bei mir auch eher ein Problem bei kaltem Motor darstellte - und nicht erst nach 15km. Aber der Schlauch lässt sich mit am einfachsten prüfen....)
Kay73 ist offline   Mit Zitat antworten
Alt 19.04.2024, 18:25:04   #38
AmigaHarry
Erfahrener Benutzer
 
Benutzerbild von AmigaHarry
 
Registriert seit: 13.11.2005
Ort: Perchtoldsdorf
Alter: 64
Beiträge: 5.317
Kilometer: 1.1mio
Standard

Wenn ein Fehler immer erst nach kurzer Fahrzeit auftritt und es beide Zylinder zugleich betrifft, gibts im Grunde nur 2 Möglichkeiten:

1. Irgendwo baut sich ein Problem in der Spritversorgung auf (Vakuum?). Dafür würde auch das Stottern vorm ausgehen und das es beide Zylinder Betrifft, sprechen. Ganz oft tritt das bei verstopfter Tankdeckelentlüftung auf.

2. Es ist ein thermisches elektrisches Problem. Dieses ist aber nicht leicht zu finden.
Deswegen wären es ja sehr wichtig, Spulen und Pickups im warmen/heissen Zustand einmal (richtig!) zu messen, um sie definitiv ausschließen zu können!
Am Besten misst man, wenn sie gerade wieder nicht will - also nach den ominösen 15km. Sollte einer der Spulen-Wickelkerne tatsächlich einen Riss haben, kann man es so am Besten feststellen. Sobald alles weder kalt ist, gehen die Risse zusammen und man misst keine Fehler - die Spule erscheint vollkommen intakt. Dagegen spricht aber, das es beide Zylinder gleichzeitig betrifft - wäre auch sehr selten das die Spulen beider Zündstränge zugelich den Geist aufgeben.

Sollte jedoch die CDI themperaturbedingt nicht mehr wollen, kann das nicht gemessen werden (nur mit Revolution-Tester oder Signalgenerator und Oszilloskop). Ausserdem würde so ein Fehler wohl in die Hall-of-Fame für den seltensten und unwarscheinlichsten Fehler einer Denso- oder Kokushan-Zündeinheit kommen - denn die funktionieren, oder funktionieren nicht. Mir ist kein Fall einer solchen, jemals bei Suzuki verbauten Einheit bekannt, die sich erst immer nach einigen Kilometern entschließt, nichts mehr zu tun. Aber wer weis - es gibt immer wieder was noch kurioseres zu sehen.
AmigaHarry ist offline   Mit Zitat antworten
Alt 23.04.2024, 12:15:54   #39
Hynnes
Benutzer
 
Benutzerbild von Hynnes
 
Registriert seit: 30.03.2024
Ort: Hamburg
Beiträge: 32
Baujahr: 2000
Kilometer: 9000
Standard

Zitat:
Zitat von AmigaHarry Beitrag anzeigen
Wenn ein Fehler immer erst nach kurzer Fahrzeit auftritt und es beide Zylinder zugleich betrifft, gibts im Grunde nur 2 Möglichkeiten:

1. Irgendwo baut sich ein Problem in der Spritversorgung auf (Vakuum?). Dafür würde auch das Stottern vorm ausgehen und das es beide Zylinder Betrifft, sprechen. Ganz oft tritt das bei verstopfter Tankdeckelentlüftung auf.

2. Es ist ein thermisches elektrisches Problem. Dieses ist aber nicht leicht zu finden.
Deswegen wären es ja sehr wichtig, Spulen und Pickups im warmen/heissen Zustand einmal (richtig!) zu messen, um sie definitiv ausschließen zu können!
Am Besten misst man, wenn sie gerade wieder nicht will - also nach den ominösen 15km. Sollte einer der Spulen-Wickelkerne tatsächlich einen Riss haben, kann man es so am Besten feststellen. Sobald alles weder kalt ist, gehen die Risse zusammen und man misst keine Fehler - die Spule erscheint vollkommen intakt. Dagegen spricht aber, das es beide Zylinder gleichzeitig betrifft - wäre auch sehr selten das die Spulen beider Zündstränge zugelich den Geist aufgeben.

Sollte jedoch die CDI themperaturbedingt nicht mehr wollen, kann das nicht gemessen werden (nur mit Revolution-Tester oder Signalgenerator und Oszilloskop). Ausserdem würde so ein Fehler wohl in die Hall-of-Fame für den seltensten und unwarscheinlichsten Fehler einer Denso- oder Kokushan-Zündeinheit kommen - denn die funktionieren, oder funktionieren nicht. Mir ist kein Fall einer solchen, jemals bei Suzuki verbauten Einheit bekannt, die sich erst immer nach einigen Kilometern entschließt, nichts mehr zu tun. Aber wer weis - es gibt immer wieder was noch kurioseres zu sehen.
Nun Möglichkeit Nummer 1 konnte ich ausschließen, da das Motorrad auch mit offenen Tankdeckel ausging.
Um die Probleme mit dem linken Zylinder anzugehen wechsele ich Membran, sowie Schläuche um nur mal sicher zu gehen.
Die pick-ups habe ich im "defekten/warmen" zustand vom Motorrad gemessen und die Werte waren im guten Bereich, die Primär- und Sekundärspulen im warmen zustand zu messen konnte ich noch nicht ganz verwirklichen, da ich nach jedem mal den tank weghauen muss, ich bastel mir dann für den Test wohl ne Flasche wo ich den Sprit rein kippe.
Sollte ich feststellen das diese auch im norm bereich liegen schaffe ich mir dann die CDI zu und hoffe einfach das dies mein Problem lösen wird.
Hynnes ist offline   Mit Zitat antworten
Alt 24.04.2024, 08:49:48   #40
berndy
Super-Moderator
 
Benutzerbild von berndy
 
Registriert seit: 16.08.2006
Ort: Schifferstadt/Pfalz
Alter: 63
Beiträge: 10.721
Baujahr: 1995
Kilometer: 66666
Standard

Es ist zwar nichts ausgeschlossen, aber mir will nicht so richtig einleuchten, warum bei 9000 km, auch wenn sie lange gestanden hat, ein solcher Defekt auftreten sollte. Auch bei der Elektrik fällt mir das schwer.

Ich komme wieder auf meinen Post #33 zurück. Den Abschnitt mit dem Benzin im Öl.
__________________

Man sollte es so oder so nicht übertreiben.
berndy ist offline   Mit Zitat antworten
Alt 24.04.2024, 17:39:30   #41
Hynnes
Benutzer
 
Benutzerbild von Hynnes
 
Registriert seit: 30.03.2024
Ort: Hamburg
Beiträge: 32
Baujahr: 2000
Kilometer: 9000
Standard

Zitat:
Zitat von berndy Beitrag anzeigen
Es ist zwar nichts ausgeschlossen, aber mir will nicht so richtig einleuchten, warum bei 9000 km, auch wenn sie lange gestanden hat, ein solcher Defekt auftreten sollte. Auch bei der Elektrik fällt mir das schwer.

Ich komme wieder auf meinen Post #33 zurück. Den Abschnitt mit dem Benzin im Öl.

Also, ich habe den BH neu aufgebaut, neue Membran, neue dichtung.
Orientiert hab ich mich an diesem Video: https://youtu.be/vZZ7QwMOQcs hatte auch alles perfekt geklappt.
BH eingebaut, Schläuche (welche auch alle neu sind) angeschlossen und das ding geht schwer an, wenn sie mal angeht nimmt sie kaum Gas an.

Und es ist sie Kay sagte, bei Ausbau vom BH kam da etwas sprit raus weshalb ich dachte, das die neue Membran dieses Problem beheben würde, leider war dies nxiht der fall

Ich hab aufgenommen wie die Maschine lief: https://youtube.com/shorts/kjiHoQX_Wc4

Links und rechts Funken die Zündkerzen, rechts sieht die Kerze gut aus und links kommt sie immer wieder schwarz und nass raus, ich verstehe wirklich nicht wieso, der BH ist frisch, Tank sauber, Luft bekommt, Zünden tut er auch(ob er warm zündet konnte ich leider nicht testen weil er diesmal Garnicht laufen wollte), kann es ein Problem mit der sprit Zufuhr sein?
Hynnes ist offline   Mit Zitat antworten
Alt 24.04.2024, 18:12:23   #42
berndy
Super-Moderator
 
Benutzerbild von berndy
 
Registriert seit: 16.08.2006
Ort: Schifferstadt/Pfalz
Alter: 63
Beiträge: 10.721
Baujahr: 1995
Kilometer: 66666
Standard

Ich denke es liegt am Vergaser. Da stimmt irgendwas nicht. Scheint ein Zylinder läuft viel zu mager.

Ich würde den nochmal auseinander bauen und von Hand reinigen. Dabei den Schwimmerstand und die Leerlaufgemischregulierschrauben einstellen.

Warum steht der Leerlauf so hoch?

Wenn du das selbst mit dem Vergaser nicht in den Griff bekommst, wende dich an klassikfon (Vergaseronkel) hier im Forum. Der bringt deine Vergaser auf Vordermann.
__________________

Man sollte es so oder so nicht übertreiben.
berndy ist offline   Mit Zitat antworten
Alt 24.04.2024, 18:42:43   #43
Hynnes
Benutzer
 
Benutzerbild von Hynnes
 
Registriert seit: 30.03.2024
Ort: Hamburg
Beiträge: 32
Baujahr: 2000
Kilometer: 9000
Standard

Zitat:
Zitat von berndy Beitrag anzeigen
Ich denke es liegt am Vergaser. Da stimmt irgendwas nicht. Scheint ein Zylinder läuft viel zu mager.

Ich würde den nochmal auseinander bauen und von Hand reinigen. Dabei den Schwimmerstand und die Leerlaufgemischregulierschrauben einstellen.

Warum steht der Leerlauf so hoch?

Wenn du das selbst mit dem Vergaser nicht in den Griff bekommst, wende dich an klassikfon (Vergaseronkel) hier im Forum. Der bringt deine Vergaser auf Vordermann.
Leerlauf stand etwas höher weil der Choke noch gezogen war.

Also den vergaser habe ich mithilfe vom vergaseronkel komplett auseinander gebaut, zur Ultraschall Reinigung geschickt, und mit einem Reparatur Satz von Wömbi neu wieder aufgebaut.
Leerlaufgemischregulierschrauben hatte ich glaube ich wie im Video erklärt, nach dem Anschlag zwei umdrehungen zurück gedreht, kann dies alles jedoch nochmal kontrollieren, viel bleibt mir ja leider nicht
Hynnes ist offline   Mit Zitat antworten
Alt 24.04.2024, 19:05:01   #44
berndy
Super-Moderator
 
Benutzerbild von berndy
 
Registriert seit: 16.08.2006
Ort: Schifferstadt/Pfalz
Alter: 63
Beiträge: 10.721
Baujahr: 1995
Kilometer: 66666
Standard

Ich bin davon ausgegangen, dass der Motor Betriebstemperatur, also > 80 °C hat.

Choke und ruckartig Gasgeben, mh, das hebt sich gegenseitig auf. Der Choke fettet das Gemisch etwas an, wenn du dann ruckartig Gas gibst, magert das Gemisch ab. Unsere CB 600 geht die ersten 20 sec. dabei sogar direkt aus.

Die 2 Umdrehungen für die LLGRS sind ein Anhaltswert. Genauer muss man das dann nach Gehör oder mit einem CO-Tester einstellen.

https://forum.gs-500.de/showthread.p...erlauf+geh%F6r

Das erklärt aber immer noch nicht, warum deine GS nach 15 km ausgeht.

Wie stehen denn die Drosselklappen zueinander bzw. wurden die Vergaser nach der Überholung synchronisiert?
__________________

Man sollte es so oder so nicht übertreiben.
berndy ist offline   Mit Zitat antworten
Alt 24.04.2024, 19:24:45   #45
Hynnes
Benutzer
 
Benutzerbild von Hynnes
 
Registriert seit: 30.03.2024
Ort: Hamburg
Beiträge: 32
Baujahr: 2000
Kilometer: 9000
Standard

Zitat:
Zitat von berndy Beitrag anzeigen
Ich bin davon ausgegangen, dass der Motor Betriebstemperatur, also > 80 °C hat.

Choke und ruckartig Gasgeben, mh, das hebt sich gegenseitig auf. Der Choke fettet das Gemisch etwas an, wenn du dann ruckartig Gas gibst, magert das Gemisch ab. Unsere CB 600 geht die ersten 20 sec. dabei sogar direkt aus.

Die 2 Umdrehungen für die LLGRS sind ein Anhaltswert. Genauer muss man das dann nach Gehör oder mit einem CO-Tester einstellen.

https://forum.gs-500.de/showthread.p...erlauf+geh%F6r

Das erklärt aber immer noch nicht, warum deine GS nach 15 km ausgeht.

Wie stehen denn die Drosselklappen zueinander bzw. wurden die Vergaser nach der Überholung synchronisiert?
Vergaser ist synchronisiert, ich habe die komplette Wartung vom Vergaser Onkel befolgt.
Nochmal um sicherzustellen, meinst du die Leerlauf Schraube im vergaser drinnen oder die Länge die draußen sitzt?
Hynnes ist offline   Mit Zitat antworten
Alt 24.04.2024, 19:24:55   #46
AmigaHarry
Erfahrener Benutzer
 
Benutzerbild von AmigaHarry
 
Registriert seit: 13.11.2005
Ort: Perchtoldsdorf
Alter: 64
Beiträge: 5.317
Kilometer: 1.1mio
Standard

Die scheint komplett verstellt zu sein und zieht möglicherweise auch noch Falschluft.
Um den Hahn komplett auszuschließen, hänge den Unterdruck vom linken Vergaser zum Hahn ab und verschließe die Öffnung am Vergaser luftdicht. Dann lass sie mit dem Benzinhahn in Stellung PRI laufen und teste erneut. Wenn sich nichts ändert, ist der Hahn erst einmal aussen vor. Achtung: Nach Abstellen des Motors Hahn wieder auf ON schalten! Nicht vergessen!

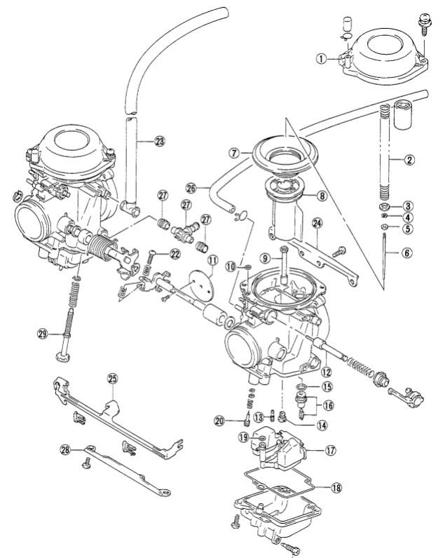
Ist es nicht der Hahn, kann man an die nächste Baustelle gehen: Zieht sie noch wo Falschluft? Sind alle Schläuche i.O.? Keine Risse,etc? Absprühen mit StarterPilot oder Bremsenreiniger und nochmals penibel schauen ob alles richtig angeschlossen ist. Nicht vergessen: der Entlüftungsschlauch des Vergasers oben geht ins Leere! (Nr.23 im Bild). Auch die Airbox und den richtigen LuFi-Sitz prüfen (hoffentl. der richtige LuFi eingebaut?)

Findest du da auch nichts, muss man nochmals an die Vergaserinternas ran! Der Linke liefert eindeutig zu viel Sprit. Das kann jetzt mehrere Gründe haben:

1. Schwimmernadel oder Ventilsitz undicht - Sprit geht daneben vorbei
2. Hauptdüsensitz undicht oder Düse locker
3. Chokesystem undicht oder hängt
4. Schiebernadel falsch eingebaut oder zu hoch gehängt
5. Schieberfehlfunktion (defekte Membrane)
6. komplett verstellte Gemischregulierschrauben (GMR) Diese werden warscheinlich, egal wo der Fehler jetzt liegt, nachjustiert werden müssen.

Versuch dich da einmal nacheinander durchzutasten und dann sehen wir weiter (speziell wenn es dann um die GMR geht). Und lass dir Zeit - lieber alles 3 mal ansehen.


Nochwas: Es gibt nur eine Leerlaufschraube und die wirkt aussen aufs Drosselklappengestänge für Beide Vergaser. Das andere sind die Gemischregulierschrauben. Wenn du da herumgespielt hast ohne zu wissen was du tust, wundert es mich dann wenig das die Kiste nicht will.
Bitte poste die Vergserkennnummer - steht aussen am Gehäuse - ist ein alphanumerischer Code. Dann kann ich dir die Grundeinstellung sagen.
Miniaturansicht angehängter Grafiken
Klicke auf die Grafik für eine größere Ansicht

Name:	Carb_expl_89ff.jpg
Hits:	5662
Größe:	60,7 KB
ID:	32058  
AmigaHarry ist offline   Mit Zitat antworten
Alt 24.04.2024, 21:31:16   #47
Kay73
Erfahrener Benutzer
 
Registriert seit: 18.10.2014
Ort: 18184 Roggentin (bei HRO)
Alter: 53
Beiträge: 1.564
Baujahr: 1993
Kilometer: 100Mm+
Standard

ich ergänze mal:

7. zieht über den BH durch den Unterdruckanschluss (links am versager) Sprit



(Das machte bei mri aber nur im kalten Zustand Probleme, sowie die Kiste warm wurde, machte das fette dann nicht mehr vel aus)
Kay73 ist offline   Mit Zitat antworten
Alt 25.04.2024, 00:42:20   #48
Hynnes
Benutzer
 
Benutzerbild von Hynnes
 
Registriert seit: 30.03.2024
Ort: Hamburg
Beiträge: 32
Baujahr: 2000
Kilometer: 9000
Standard

Zitat:
Zitat von AmigaHarry Beitrag anzeigen
Die scheint komplett verstellt zu sein und zieht möglicherweise auch noch Falschluft.
Um den Hahn komplett auszuschließen, hänge den Unterdruck vom linken Vergaser zum Hahn ab und verschließe die Öffnung am Vergaser luftdicht. Dann lass sie mit dem Benzinhahn in Stellung PRI laufen und teste erneut. Wenn sich nichts ändert, ist der Hahn erst einmal aussen vor. Achtung: Nach Abstellen des Motors Hahn wieder auf ON schalten! Nicht vergessen!

Ist es nicht der Hahn, kann man an die nächste Baustelle gehen: Zieht sie noch wo Falschluft? Sind alle Schläuche i.O.? Keine Risse,etc? Absprühen mit StarterPilot oder Bremsenreiniger und nochmals penibel schauen ob alles richtig angeschlossen ist. Nicht vergessen: der Entlüftungsschlauch des Vergasers oben geht ins Leere! (Nr.23 im Bild). Auch die Airbox und den richtigen LuFi-Sitz prüfen (hoffentl. der richtige LuFi eingebaut?)

Findest du da auch nichts, muss man nochmals an die Vergaserinternas ran! Der Linke liefert eindeutig zu viel Sprit. Das kann jetzt mehrere Gründe haben:

1. Schwimmernadel oder Ventilsitz undicht - Sprit geht daneben vorbei
2. Hauptdüsensitz undicht oder Düse locker
3. Chokesystem undicht oder hängt
4. Schiebernadel falsch eingebaut oder zu hoch gehängt
5. Schieberfehlfunktion (defekte Membrane)
6. komplett verstellte Gemischregulierschrauben (GMR) Diese werden warscheinlich, egal wo der Fehler jetzt liegt, nachjustiert werden müssen.

Versuch dich da einmal nacheinander durchzutasten und dann sehen wir weiter (speziell wenn es dann um die GMR geht). Und lass dir Zeit - lieber alles 3 mal ansehen.


Nochwas: Es gibt nur eine Leerlaufschraube und die wirkt aussen aufs Drosselklappengestänge für Beide Vergaser. Das andere sind die Gemischregulierschrauben. Wenn du da herumgespielt hast ohne zu wissen was du tust, wundert es mich dann wenig das die Kiste nicht will.
Bitte poste die Vergserkennnummer - steht aussen am Gehäuse - ist ein alphanumerischer Code. Dann kann ich dir die Grundeinstellung sagen.
BH auf PRI und Unterdruck vom linken Zylinder geschlossen, brachte leider gar nichts, dafür ist dieser wohl ausgeschlossen.

Hab auch einen brand neuen Luftfilter verbaut, an der filterbox sind ebenso der schlauch der unten rankommt als auch der schlauch der oben rankommt angeschlossen, risse hab ich nicht entdeckt.

Der Entlüftungsschlauch des Vergasers geht auch ins Leere.

Nun stelle ich mir die Frage, wenn Luft kommt, Sprit ankommt (auch wenn es links Zuviel sein sollte), und die Zündkerzen funken, wieso wollte das Bike heute so schwer anspringen und kaum Gas annehmen?

Den Vergaser nehme ich dann wohl morgen mal auseinander und prüfe alles was du aufgelistet hast nochmal nach um diesen auch wirklich ausschließen zu können.

nochmal zur GMS, an dieser habe ich gar nichts verstellt, da diese bei der ersten Fahrt mit warmen Motor sauber und ruhig gemütlich auf tausend Umdrehungen saß, bis dann die ersten Probleme kamen...

Zur Gemischregulierschrauben kann ich nur sagen das ich dem Tutorial vom Onkel befolgt habe, bis zum Anschlag drehen dann 2 volle Umdrehungen zurück.

Vergaserkennnummer: Mikuni BST33SS
Typ von der GS: GM51B

Danke nochmal das ihr alle mir bei meinem Problem so behilflich seid.
Hynnes ist offline   Mit Zitat antworten
Alt 25.04.2024, 05:21:19   #49
Kay73
Erfahrener Benutzer
 
Registriert seit: 18.10.2014
Ort: 18184 Roggentin (bei HRO)
Alter: 53
Beiträge: 1.564
Baujahr: 1993
Kilometer: 100Mm+
Standard

Hab da lang nicht mehr dran gebastelt, aber:

.....der Entlüftungsschlauch des Vergasers....????
Kay73 ist offline   Mit Zitat antworten
Alt 25.04.2024, 07:46:01   #50
Hynnes
Benutzer
 
Benutzerbild von Hynnes
 
Registriert seit: 30.03.2024
Ort: Hamburg
Beiträge: 32
Baujahr: 2000
Kilometer: 9000
Standard

Zitat:
Zitat von Kay73 Beitrag anzeigen
Hab da lang nicht mehr dran gebastelt, aber:

.....der Entlüftungsschlauch des Vergasers....????
Wie soll ich das verstehen

Der der Schlauch der oben an den vergaser rankommt schließt doch an nichts ran, also hängt rum, oder nicht???
Hynnes ist offline   Mit Zitat antworten
Antwort

Lesezeichen

Stichworte
motorradprobleme, probleme bei warmen motor


Forumregeln
Es ist dir nicht erlaubt, neue Themen zu verfassen.
Es ist dir nicht erlaubt, auf Beiträge zu antworten.
Es ist dir nicht erlaubt, Anhänge hochzuladen.
Es ist dir nicht erlaubt, deine Beiträge zu bearbeiten.

BB-Code ist an.
Smileys sind an.
[IMG] Code ist aus.
HTML-Code ist aus.

Gehe zu

Ähnliche Themen
Thema Autor Forum Antworten Letzter Beitrag
Motorrad geht nach Vergaserreinigung einfach aus. EagleRgbg Fehlerdiagnose 13 20.03.2017 06:54:29
Geht wärend der Fahrt einfach aus! Sylvie Fehlerdiagnose 4 04.03.2013 18:41:37
GS 500 geht während der Fahrt einfach aus Nox Fehlerdiagnose 4 27.04.2010 21:47:07
Auch nach Zündspulenwechsel: nach 15km kein Funke mehr Elektrik, Elektronik und Beleuchtung 13 18.07.2005 15:10:31
Motor geht nach ca. 40 km einfach aus ghostrider Vergaser - Kraftstoff - Drosseln - Tuning 13 30.08.2004 12:58:50


Alle Zeitangaben in WEZ +1. Es ist jetzt 12:36:18 Uhr.


Powered by vBulletin® Version 3.8.9 (Deutsch)
Copyright ©2000 - 2026, vBulletin Solutions, Inc.