gs-500.de  

Zurück   gs-500.de > GS500(E/F) > Elektrik, Elektronik und Beleuchtung

Hinweise

Antwort
 
Themen-Optionen
Alt 03.02.2015, 10:14:01   #1
3PA
Benutzer
 
Benutzerbild von 3PA
 
Registriert seit: 29.08.2011
Ort: Halle (Saale)
Beiträge: 44
Baujahr: 1993
Kilometer: 72000
Standard Spezielle Frage zum Gleichrichter/Regler

Hallo,

ich möchte gerne wissen, ob es sich bei der Gleichrichter/Regler Einheit der GS500 E um einen permanent erregten 3 Phasen Gleichrichter/Regler handelt.

Ich fahre neben der GS 500 auch noch eine Suzuki GS 550 M Katana von 1981.
Hier wird die 3te Fase der Lichtmaschine über den Lichtschalter geschaltet und wird nicht geregelt. Das hat zur Folge, dass alle Stecker und elektrischen Elemente extrem warm werden. Vor allem der Regler/Gleichrichter wird ziemlich heiß.

Ich musste diesen Winter den Stator meiner Katana tauschen und habe dabei festgestellt, dass der GS 500 Stator von Bauform, Größe und Suzuki Ersatzteilnummer dem Katana Stator vorkommen gleich ist.

Jetzt spiele ich mit dem Gedanken, den GS 500 Gleichrichter/Regler in die Katana zu pflanzen, da trotz neuem Stator viel Wärme entsteht und ich Angst habe den neuen Stator auch abzubrennen.

Andere Fahrer der Katana Modelle haben ähnliches mit Honda oder Kawasaki Gleichrichtern gemacht.

Gruß

3PA
3PA ist offline   Mit Zitat antworten
Alt 03.02.2015, 17:10:24   #2
AmigaHarry
Erfahrener Benutzer
 
Benutzerbild von AmigaHarry
 
Registriert seit: 13.11.2005
Ort: Perchtoldsdorf
Alter: 64
Beiträge: 5.318
Kilometer: 1.1mio
Standard

Grundsätzlich erregt sich der Regler gar nicht . Er regelt nur - und das bei der GS500 durch Gegeninduktion der LiMa-Spulen (in denen erregt er dann tatsächlich was - nämlich einen Gegenstrom). Dadurch wird die (theoretische) überschüssige Energie erst gar nicht zum Regler geschickt, sondern in den Spulen selbst verbraten. Zu dem Thema gibts im Forum genug Beiträge.

Bei der alten Katana (= GS500/550/650/850/1000 4-Zyl) verbrät der Regler die überschüssige Energie thermisch - er kennt noch keine Gegeninduktion. Zusätzlich wird die 3. Spule nur bei eingeschaltetem Licht zugeschaltet - ansonsten ist ihr Stromkreis offen und sie tut gar nichts..... (aus diesem Grund würde eine Gegeninduktion nicht funktionieren, solange das Licht nicht brennt - es fehlt dafür eine um 120° verschobene Phase). Der Regler wird also ziemlich heiß - würden alle 3 Phasen immer laufen (also auch ohne den Lichtverbraucher), würde er das niemals aushalten......
Das deswegen auch die Stecker heiss werden halte ich für ein Gerücht (bin selber lange genug GS500/650/850 gefahren).

Wenn du die GS500 (2-Zyl) Lima verbaust, MUSST du auch den neuen Regler/Gleichrichter verbauen! Die neue Lima lebt mit dem alten Regler nicht lange und umgekehrt. Die Limas mögen zwar äusserlich baugleich aussehen, haben aber eine andere Wicklungszahl, Drahtstärke und Thermoschutzlackierung - die neue Lima ist eben für Gegeninduktion ausgelegt, die alte aber nicht!
Extrem wichtig ist bei allen im Öl laufenden Limas, das der Ölstand genau eingehalten wird, da sie durch das Öl gekühlt werden - zu wenig Öl ist häufig der Grund für den Tod der LiMa (und infolge des Reglers).
AmigaHarry ist offline   Mit Zitat antworten
Alt 03.02.2015, 17:43:07   #3
3PA
Benutzer
 
Benutzerbild von 3PA
 
Registriert seit: 29.08.2011
Ort: Halle (Saale)
Beiträge: 44
Baujahr: 1993
Kilometer: 72000
Standard

Erstmal vielen Dank für die ausführliche Erklärung.
Den Lichtschalter habe ich schon raus genommen. Die dritte Phase ist direkt am Gleichrichter und das Licht dauerhaft an.

Wenn man bei Suzuki schaut, haben die Ersatztstatoren für biede Maschinen gleiche Ersatztteilnummern, das ist von Suzuki scheinbar nicht wirklich durchdacht.

Ich werde jetzt den GS 500 Gleichrichter einbauen.
Eine Frage die ich noch habe ist... Gleichrichter und Stator sind dann aus der GS 500 aber der Rotor hat entgegen der GS 500 nur 3 Magnete anstatt 6. Ist das ein Problem?

Gruß und nochmal Danke
3PA

Geändert von 3PA (03.02.2015 um 19:28:06 Uhr)
3PA ist offline   Mit Zitat antworten
Alt 03.02.2015, 19:31:35   #4
3PA
Benutzer
 
Benutzerbild von 3PA
 
Registriert seit: 29.08.2011
Ort: Halle (Saale)
Beiträge: 44
Baujahr: 1993
Kilometer: 72000
Standard

Hier mal noch Bilder zu meiner Frage:

Klicke auf die Grafik für eine größere Ansicht

Name:	CIMG0066.jpg
Hits:	1280
Größe:	107,0 KB
ID:	21735Klicke auf die Grafik für eine größere Ansicht

Name:	CIMG9460.jpg
Hits:	1347
Größe:	112,5 KB
ID:	21736

Links der Rotor der Katana und recht der der GS 500.

Besten Gruß
3PA
3PA ist offline   Mit Zitat antworten
Alt 03.02.2015, 23:53:06   #5
AmigaHarry
Erfahrener Benutzer
 
Benutzerbild von AmigaHarry
 
Registriert seit: 13.11.2005
Ort: Perchtoldsdorf
Alter: 64
Beiträge: 5.318
Kilometer: 1.1mio
Standard

Suzuki betreibt Baukastensystem - kann sein das sie die ältere Lima nicht mehr bauen und die neuere adaptiert und abwärts kompatibel ist....

Anzahl Magnete: Diese gibt die Frequenz des Wechselfeldes vor - d.h. das die Frequenz in deiner Katana nur die Hälfte der in der GS500 bei gleicher Drehzahl hat. Da deine Zündelektronik noch diskret aufgebaut ist (und kein kleiner 8Bit Computer wie bei der GS500 ist) sollte die etwas "gröbere" Welligkeit des gleichgerichteten Stromes kein Problem darstellen. Die Erhöhung der Frequenz bei der GS500 ist der empfindlicheren Elektronik geschuldet. Der Regler/Gleichrichter ist zwar auch komplexer aufgebaut als der Alte der Katana, aber er sollte damit zurande kommen. Problematisch kann es nur werden wenn der Regler aus einer K4 oder späteren GS stammt (nach 2004). Diese Regler haben eine integrierte Regelelektronik zur Ansteuerung der Thyristoren für die Gegeninduktion. Was dann da für eine Wellenform rauskommt und wie dessen nachgeschaltete Gleichrichterbrücke auf die halbe Frequenz reagiert kann ich nicht sagen - das müsste man einmal am Signalgenerator simulieren, oder einfach ausprobieren und die Ladespannung über das ganze Drehzahlband messen. Vermutlich wird die Spannung sehr wellig - aber die Katana verträgt ja einiges............ Nicht vergessen das billige Messgeräte bei welligem Gleichstrom nicht sehr genau messen!
Das Licht würde ich weiterhin zum Ausschalten machen (nur das Licht - nicht die Phase) - schont die Batterie beim Starten ungemein. Habe deswegen auch meine K4 wieder auf Lichtschalter umgebaut....
AmigaHarry ist offline   Mit Zitat antworten
Alt 04.02.2015, 09:50:44   #6
3PA
Benutzer
 
Benutzerbild von 3PA
 
Registriert seit: 29.08.2011
Ort: Halle (Saale)
Beiträge: 44
Baujahr: 1993
Kilometer: 72000
Standard

Vielen Dank, dass Du dich mit meinem Problem so beschäftigst.
Das was Du mir erklärt hast, konnte mir bisher keiner meiner Leute erklären.

Der Lichtschalter hat seine Funktion noch, eben aus der Erleichtung beim Starten für die Batterie. (Nur die Phase ist direkt)

Ich werde einen Gleichrichter aus den frühen Baujahren der GS500 nehmen.
Die von 90 bis 2000 sollten ja alle baugleich sein.
Die drei Phasen lege ich auf direktem Wege auf die drei gelben Kabel am Gleichrichter und das rote Kabel vom Gleichrichter verbinde ich mit dem normalen Katana Kabelbaum.
Das schwarze Kabel vom Gleichrichter kommt auf Masse und dann werde ich testen, ob der Ladestrom ordnungsgemäß anliegt.

Der Gleichrichter sollte sich dann im Betrieb hoffentlich nicht mehr so heftig aufheizen.

Vielen Dank nochmal für deine Erklärungen...

Gruß
3PA
3PA ist offline   Mit Zitat antworten
Alt 04.02.2015, 19:54:50   #7
AmigaHarry
Erfahrener Benutzer
 
Benutzerbild von AmigaHarry
 
Registriert seit: 13.11.2005
Ort: Perchtoldsdorf
Alter: 64
Beiträge: 5.318
Kilometer: 1.1mio
Standard

Ich nehme an das in deiner Katana Regler und Gleichrichter bereits in einem Bauelement vereinigt sind (war vorher anders) - zumindest war das bei uns in Österreich bei der GS500M (Katana) bereits so. Dann sollte dein Kabelbaum einen Stecker direkt zum Regler haben, der sowohl das rote Kabel (zum +Pol der Batterie), als auch das Massekabel enthält. Damit kannst du den Regler/Gleichrichter da direkt draufhängen und brauchst kein eigenes Massekabel verlegen (wenn ich deinen letzten Post richtig verstanden habe....)
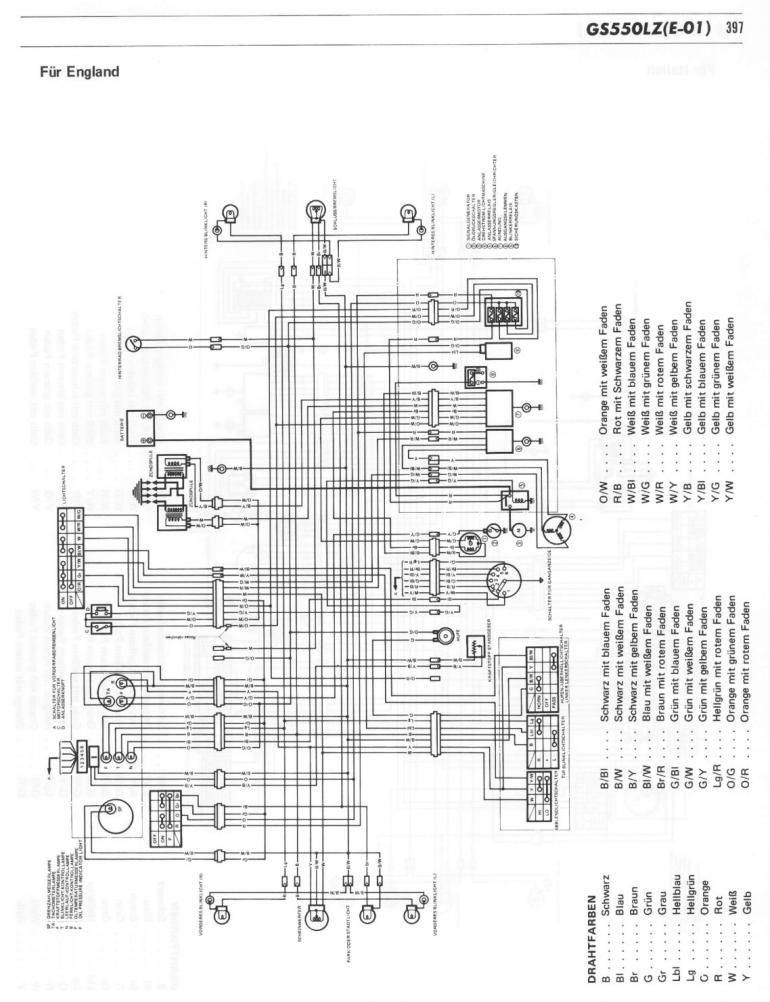
Habe den Schaltplan von 1980/81 angehängt - der müsste deiner Kiste (im Lima-Bereich) entsprechen (ist einer von einer Englischen GS500T).....
Miniaturansicht angehängter Grafiken
Klicke auf die Grafik für eine größere Ansicht

Name:	397_S_GS550T.jpg
Hits:	2897
Größe:	111,8 KB
ID:	21747  
AmigaHarry ist offline   Mit Zitat antworten
Alt 04.02.2015, 23:21:06   #8
3PA
Benutzer
 
Benutzerbild von 3PA
 
Registriert seit: 29.08.2011
Ort: Halle (Saale)
Beiträge: 44
Baujahr: 1993
Kilometer: 72000
Standard

Danke für den Schaltplan... er entspricht meiner Katana im originalen Zustand.

Der Gleichrichter/Regler ist in einem Bauteil kombiniert aus dem 5 einzelne Kabel kommen.
Das Schwarze hat einen Ringkabelschuh drauf, das Rote einen weiblichen Rundstecker und die 3 Lima-Phasen (gelb, blau/weiß, rot/weiß) jeweils einen männlichen Rundstecker.

Ich habe im Zuge der Steckererneuerung den Ringkabelschuh des Massekabels direkt auf den Batterieminuspol gelegt. Original wird er einfach nur mit an den Batteriekasten geschraubt.

Das rote Kabel kommt aus dem Gleichrichter und verschwindet im Kabelbaum, geht übers Zündschloss zum Sicherungskasten und von dort aus an das rote 10 qmm Batteriekabel und somit auf die Batterie.

Die drei Phasen gehen direkt von der Lima zum Gleichrichter, die Schaltung der dritten Phase ist bereits ausgenommen.

Der GS 500 Gleichrichter/Regler bekommt die gleichen Anschlüsse wie der alte Gleichrichter/Regler jetzt hat und passt somit direkt an den Kabelbaum dran.
Das Massekabel bekommt einen Ringkabelschuh und geht dann wieder auf den Batterieminuspol.

Gruß
3PA
3PA ist offline   Mit Zitat antworten
Alt 05.02.2015, 00:15:03   #9
3PA
Benutzer
 
Benutzerbild von 3PA
 
Registriert seit: 29.08.2011
Ort: Halle (Saale)
Beiträge: 44
Baujahr: 1993
Kilometer: 72000
Standard

Mal noch ein Bild...

Klicke auf die Grafik für eine größere Ansicht

Name:	regler.jpg
Hits:	1272
Größe:	65,9 KB
ID:	21748

Gruß
3PA
3PA ist offline   Mit Zitat antworten
Alt 07.02.2015, 19:32:27   #10
3PA
Benutzer
 
Benutzerbild von 3PA
 
Registriert seit: 29.08.2011
Ort: Halle (Saale)
Beiträge: 44
Baujahr: 1993
Kilometer: 72000
Standard

Ich habe heute mein Vorhaben in die Tat umgesetzt.

Den Gelichrichter/Regler an meinen Kabelbaum adaptiert:

Klicke auf die Grafik für eine größere Ansicht

Name:	20150207_142507.jpg
Hits:	1248
Größe:	74,0 KB
ID:	21757

Dann das ganze in die Katana eingefügt, sogar die Bohrungen passen...

Klicke auf die Grafik für eine größere Ansicht

Name:	20150207_181805.jpg
Hits:	1336
Größe:	108,4 KB
ID:	21758Anhang 21760

Ergebnis ist:

Das System lädt ordnungsgemäß und die Maschine läuft klaglos.
Der Ladestrom pendelt sich sauber ein, egal welche Drehzahl.
Aber, der Gleichrichter/Regler hat eine konstante Temperatur von 52 °C, gemessen mit dem IFR Thermometer.
Ich habe alles nach Anleitung nochmalig durchgemessen, alles passt.
Warum wird das Teil trotzdem so heiß?

Gruß
3PA
Miniaturansicht angehängter Grafiken
Klicke auf die Grafik für eine größere Ansicht

Name:	20150207_181958.jpg
Hits:	1902
Größe:	105,3 KB
ID:	21759  
3PA ist offline   Mit Zitat antworten
Alt 07.02.2015, 22:44:45   #11
AmigaHarry
Erfahrener Benutzer
 
Benutzerbild von AmigaHarry
 
Registriert seit: 13.11.2005
Ort: Perchtoldsdorf
Alter: 64
Beiträge: 5.318
Kilometer: 1.1mio
Standard

Das kann schon sein - 50°C ist für so ein Teil durchaus möglich. Deswegen ist er auch so montiert, das er im Fahrwind liegt, bzw. gekühlt wird - zum Spass sind die großen Kühlrippen da nicht drauf....
Auch wenn die Leistungsregelung über Gegeninduktion erfolgt, laufen doch ganz ordentliche Ströme durch die Thyristoren und dadurch erwärmen sie sich. Auch die Gleichrichterbrücke arbeitet nicht verlustfrei. Gibt Regler die locker auf 70-80°C kommen....
AmigaHarry ist offline   Mit Zitat antworten
Alt 08.02.2015, 00:50:55   #12
3PA
Benutzer
 
Benutzerbild von 3PA
 
Registriert seit: 29.08.2011
Ort: Halle (Saale)
Beiträge: 44
Baujahr: 1993
Kilometer: 72000
Standard

Alles klar...

Dann belasse ich es jetzt so und lebe damit.
Rein von der Funktion ist ja alles wieder perfekt.

Danke nochmal für deine Hilfe...

Gruß
3PA
3PA ist offline   Mit Zitat antworten
Alt 08.02.2015, 10:53:57   #13
AmigaHarry
Erfahrener Benutzer
 
Benutzerbild von AmigaHarry
 
Registriert seit: 13.11.2005
Ort: Perchtoldsdorf
Alter: 64
Beiträge: 5.318
Kilometer: 1.1mio
Standard

Beobachte es die nächste Zeit trotzdem weiter - du hast die Teile doch gebraucht gekauft, oder? Nicht das da etwas dabei ist, das nicht mehr ganz astrein ist.......
AmigaHarry ist offline   Mit Zitat antworten
Alt 08.02.2015, 12:04:53   #14
3PA
Benutzer
 
Benutzerbild von 3PA
 
Registriert seit: 29.08.2011
Ort: Halle (Saale)
Beiträge: 44
Baujahr: 1993
Kilometer: 72000
Standard

Ja, die Teile sind alle gebraucht von anderen Maschinen.

Ich werde es auf jeden Fall weiter beobachten. Die Katana ist sowieso nur für Sonntagsausfahrten gedacht. Im Alltag bewege ich sie kaum.
Nach jeder Tour wird alles gründlich geprüft und kontrolliert.

Besten Gruß
3PA
3PA ist offline   Mit Zitat antworten
Alt 31.08.2022, 08:11:21   #15
Dragonsoul
Neuer Benutzer
 
Registriert seit: 17.08.2022
Ort: Aachen, NRW
Beiträge: 11
Baujahr: 2004
Kilometer: 24000
Standard

Ich muss jetzt in Kürze meinen Spannungsregler Mal Austauschen, Teil ist bestellt, Frage mich nur: Wo liegt der? Und was muss ich abbauen um da dran zu kommen?
Dragonsoul ist offline   Mit Zitat antworten
Alt 31.08.2022, 09:18:50   #16
AmigaHarry
Erfahrener Benutzer
 
Benutzerbild von AmigaHarry
 
Registriert seit: 13.11.2005
Ort: Perchtoldsdorf
Alter: 64
Beiträge: 5.318
Kilometer: 1.1mio
Standard

Das Ding mit den Riesenkühlrippen unter der rechten Seitenverkleidung.
AmigaHarry ist offline   Mit Zitat antworten
Alt 31.08.2022, 10:15:44   #17
Dragonsoul
Neuer Benutzer
 
Registriert seit: 17.08.2022
Ort: Aachen, NRW
Beiträge: 11
Baujahr: 2004
Kilometer: 24000
Standard

Zitat:
Zitat von AmigaHarry Beitrag anzeigen
Das Ding mit den Riesenkühlrippen unter der rechten Seitenverkleidung.
Danke dir
Dragonsoul ist offline   Mit Zitat antworten
Antwort

Lesezeichen


Forumregeln
Es ist dir nicht erlaubt, neue Themen zu verfassen.
Es ist dir nicht erlaubt, auf Beiträge zu antworten.
Es ist dir nicht erlaubt, Anhänge hochzuladen.
Es ist dir nicht erlaubt, deine Beiträge zu bearbeiten.

BB-Code ist an.
Smileys sind an.
[IMG] Code ist aus.
HTML-Code ist aus.

Gehe zu

Ähnliche Themen
Thema Autor Forum Antworten Letzter Beitrag
Spezielle Bremsflüssigkeit mohpet50 Pflege und Wartung 8 26.02.2009 12:30:50
spezielle frage zur drosselung ! Desaster Vergaser - Kraftstoff - Drosseln - Tuning 10 07.04.2005 23:20:56
Gleichrichter / Regler Elektrik, Elektronik und Beleuchtung 1 12.06.2002 12:04:35


Alle Zeitangaben in WEZ +1. Es ist jetzt 21:43:07 Uhr.


Powered by vBulletin® Version 3.8.9 (Deutsch)
Copyright ©2000 - 2026, vBulletin Solutions, Inc.