gs-500.de  

Zurück   gs-500.de > GS500(E/F) > Elektrik, Elektronik und Beleuchtung

Hinweise

Antwort
 
Themen-Optionen
Alt 08.04.2017, 10:16:13   #1
Johnny
Neuer Benutzer
 
Registriert seit: 08.04.2017
Beiträge: 3
Baujahr: 2001
Kilometer: 46000
Frage Abblendlicht geht nicht, Lichthupe schon?!

Hallo Servus!

Habe schon das Forum durchforstet aber leider nichts gefunden, das mir weitergeholfen hätte.

Folgendes Problem: Ich habe vor ein paar Wochen meine GS nach dem Überwintern aus der Garage geholt und mir fiel auf, dass das Abblendlicht sowie das Fernlicht nicht gehen. Allerdings funktioniert die Lichthupe.

1. Neue Birne gekauft -> keine Änderung
2. Neuer Schalter -> keine Änderung
3. Neuer Kabelbaum (erstmal so angeschlossen, ohne den alten auszurupfen)
-> immernoch keine Änderung


Muss dazu sagen, dass die Vorbesitzer anscheinend schon ordentlich Schindluder mit der Elektrik getrieben haben. Kurz nach dem Kauf letztes Jahr musste ich erst LiMa, Gleichrichter und Polrad ersetzen. Danach ging aber das Licht noch.

Ich bin mit meinem Latein am Ende. Jemand ne Idee woran das liegen könnte?

Grüße und Danke im Voraus
Johnny ist offline   Mit Zitat antworten
Alt 08.04.2017, 11:32:05   #2
berndy
Super-Moderator
 
Benutzerbild von berndy
 
Registriert seit: 16.08.2006
Ort: Schifferstadt/Pfalz
Alter: 63
Beiträge: 10.721
Baujahr: 1995
Kilometer: 66666
Standard

Könnte an veroxidierten Kontakten im Kabelbaum liegen. Kann natürlich auch an der Lampenfassung liegen.

Muss man halt suchen.
__________________

Man sollte es so oder so nicht übertreiben.
berndy ist offline   Mit Zitat antworten
Alt 08.04.2017, 11:34:09   #3
Jim Knopf
Erfahrener Benutzer
 
Benutzerbild von Jim Knopf
 
Registriert seit: 06.12.2010
Ort: 74635 Kupferzell
Alter: 58
Beiträge: 7.398
Baujahr: 1989
Kilometer: 33333
Standard

Könnte an veroxidierten Kontakten im Lenkerschalter liegen.

Muss man halt suchen.
__________________
Duracell ist Scheiße
Jim Knopf ist offline   Mit Zitat antworten
Alt 08.04.2017, 11:45:05   #4
Johnny
Neuer Benutzer
 
Registriert seit: 08.04.2017
Beiträge: 3
Baujahr: 2001
Kilometer: 46000
Standard

Wie gesagt, neuen Schalter + Kabelbaum habe ich bereits.
Die Lampenfassung ist ja an der Birne dran, also auch neu.

Hab jetzt einfach mal für wenig Geld ein Scheinwerferrelais bestellt. Mal sehen.
Johnny ist offline   Mit Zitat antworten
Alt 08.04.2017, 12:48:17   #5
Jim Knopf
Erfahrener Benutzer
 
Benutzerbild von Jim Knopf
 
Registriert seit: 06.12.2010
Ort: 74635 Kupferzell
Alter: 58
Beiträge: 7.398
Baujahr: 1989
Kilometer: 33333
Standard

Zitat:
Zitat von Johnny Beitrag anzeigen
Wie gesagt, neuen Schalter + Kabelbaum habe ich bereits.
Hat ja nix zu heißen!
__________________
Duracell ist Scheiße
Jim Knopf ist offline   Mit Zitat antworten
Alt 09.04.2017, 18:13:31   #6
Johnny
Neuer Benutzer
 
Registriert seit: 08.04.2017
Beiträge: 3
Baujahr: 2001
Kilometer: 46000
Standard

Also das Problem hat sich jetzt auf zauberhafte Art und Weise von selbst gelöst. Bin heute eine Tour gefahren und als ich ankam ging das Licht einfach wieder. Werde das jetzt erstmal beobachten. Wird irgendwo ein Wackler sein...
Johnny ist offline   Mit Zitat antworten
Alt 09.04.2017, 19:28:43   #7
fw2842
Erfahrener Benutzer
 
Benutzerbild von fw2842
 
Registriert seit: 05.10.2013
Ort: Frankfurt
Beiträge: 787
Baujahr: 1993
Kilometer: RIP
Standard

Zitat:
Zitat von Johnny Beitrag anzeigen
Also das Problem hat sich jetzt auf zauberhafte Art und Weise von selbst gelöst. Bin heute eine Tour gefahren und als ich ankam ging das Licht einfach wieder. Werde das jetzt erstmal beobachten. Wird irgendwo ein Wackler sein...


Wie Jim gesagt hat wird ein oxidierter Kontakt sein
__________________
Susi 2012-2016 11000-35000km RIP

Honda 2016- ...
fw2842 ist offline   Mit Zitat antworten
Alt 09.04.2017, 20:20:44   #8
caddy
Erfahrener Benutzer
 
Registriert seit: 15.02.2016
Ort: Berlin
Alter: 61
Beiträge: 376
Baujahr: 2002
Standard

Berndy aber auch
__________________
Ist mir Scheißegal wer dein Vater ist, solange ich Angel geht mir hier keiner übers Wasser!
caddy ist offline   Mit Zitat antworten
Alt 09.04.2017, 21:06:57   #9
fw2842
Erfahrener Benutzer
 
Benutzerbild von fw2842
 
Registriert seit: 05.10.2013
Ort: Frankfurt
Beiträge: 787
Baujahr: 1993
Kilometer: RIP
Standard

Zitat:
Zitat von caddy Beitrag anzeigen
Berndy aber auch
Überlesen =P. Dann natürlich Beide ^^
__________________
Susi 2012-2016 11000-35000km RIP

Honda 2016- ...
fw2842 ist offline   Mit Zitat antworten
Alt 09.02.2024, 17:45:02   #10
morris
Neuer Benutzer
 
Registriert seit: 11.01.2023
Beiträge: 5
Standard

Hallo,

ich hänge mich hier mal an.

Bei mir funktioniert das Fernlicht nur mittels Lichthupentasters, aber nicht mit dem Hi-Lo-Taster.
Das Abblendlicht geht gar nicht.
Das Standlicht funktioniert.

Messe ich ohne Birne die Spannung am Lampensockel, messe ich 12V beim Abblendlicht.
Aber sobald die Birne steckt, bricht die Spannung offensichtlich ein.

Gibts eine übliche Problemstelle?
Die Schaltet hatte ich auf beiden Seiten auf. Sahen gut aus.

Grüße!
morris ist offline   Mit Zitat antworten
Alt 09.02.2024, 18:11:46   #11
berndy
Super-Moderator
 
Benutzerbild von berndy
 
Registriert seit: 16.08.2006
Ort: Schifferstadt/Pfalz
Alter: 63
Beiträge: 10.721
Baujahr: 1995
Kilometer: 66666
Standard

Schalter oder Kabel/Stecker. Muss man halt suchen. Kann sein, dass ein Kabel gebrochen, ein Stecker abgerutscht oder oxidiert ist. Du kannst ja die Kabel vom Lichtschalter verfolgen, wo die hingehen und absuchen. Sollten in den Lampentopf gehen (sofern deine GS noch die Originalverkabelung hat).

Einen Schaltplan hast du?

Und dann die Leitungen auf Durchgang prüfen.

Edit: Ist die Birne denn in Ordnung? Es wäre noch möglich, dass die innwendig eine Macke hat.
__________________

Man sollte es so oder so nicht übertreiben.
berndy ist offline   Mit Zitat antworten
Alt 09.02.2024, 21:13:54   #12
AmigaHarry
Erfahrener Benutzer
 
Benutzerbild von AmigaHarry
 
Registriert seit: 13.11.2005
Ort: Perchtoldsdorf
Alter: 64
Beiträge: 5.318
Kilometer: 1.1mio
Standard

Gib einmal eine neue Birne rein. Vielleicht hat sie innen einen Kurzschluss.
AmigaHarry ist offline   Mit Zitat antworten
Alt 10.02.2024, 15:24:10   #13
morris
Neuer Benutzer
 
Registriert seit: 11.01.2023
Beiträge: 5
Standard

Also gebe ich die Spannung direkt auf die Birne, funktionieren beide Leuchtwendel.

Habe aber trotzdem auch schon eine zweite getestet. Leider gleiches Ergebnis.

Schaltplan habe ich irgendwie nicht wieder gefunden.

Ich hatte gehofft, dass es eine typische Ursache gibt
morris ist offline   Mit Zitat antworten
Alt 10.02.2024, 17:39:32   #14
berndy
Super-Moderator
 
Benutzerbild von berndy
 
Registriert seit: 16.08.2006
Ort: Schifferstadt/Pfalz
Alter: 63
Beiträge: 10.721
Baujahr: 1995
Kilometer: 66666
Standard

Nein, typisch für dieses Problem gibts nichts.

Ist denn diese GS im Originalzustand oder wurde an der Elektrik etwas verändert, z.B. eine andere Lampe angebaut, die Beleuchtung über ein Relais geschaltet, Kabel umgesteckt ...? Trat der Fehler plötzlich auf? Was ist mit der Batterie, ist die geladen oder bereits defekt, steht seit langer Zeit ... ?
__________________

Man sollte es so oder so nicht übertreiben.
berndy ist offline   Mit Zitat antworten
Alt 10.02.2024, 20:06:56   #15
AmigaHarry
Erfahrener Benutzer
 
Benutzerbild von AmigaHarry
 
Registriert seit: 13.11.2005
Ort: Perchtoldsdorf
Alter: 64
Beiträge: 5.318
Kilometer: 1.1mio
Standard

Welches BJ ist deine GS?
Schaltplan-> PN
AmigaHarry ist offline   Mit Zitat antworten
Alt 10.02.2024, 20:14:07   #16
morris
Neuer Benutzer
 
Registriert seit: 11.01.2023
Beiträge: 5
Standard

Baujahr 95
Kabelbaum ist original
Fehler trat plötzlich, nach längerer Standzeit auf (bei Wiederinbetriebnahme mit neuer und geladener Batterie).

Habe nun mit einer 12V Prüflampe noch mal gemessen.
Ich habe ausschließlich bei der Lichthupe 12V am Lampensockel. Nicht bei HI und auch nicht bei LO -Einstellung.
morris ist offline   Mit Zitat antworten
Alt 10.02.2024, 21:13:39   #17
berndy
Super-Moderator
 
Benutzerbild von berndy
 
Registriert seit: 16.08.2006
Ort: Schifferstadt/Pfalz
Alter: 63
Beiträge: 10.721
Baujahr: 1995
Kilometer: 66666
Standard

Dann tippe ich auf den Lichtschalter am rechten Lenkergriff oder Unterbrechung des gelben Kabels vom Lichtschalter zum Abblendschalter. Der Lichthupentatser bekommt über ein oranges Kabel direkt Strom von vor dem Lichtschalter (rechter Lenker). Das zweigt von der Zuleitung der beiden Kontrollleuchten für Leerlauf und Öldruck ab. Kann sein, dass es ein loses/abgerutsches Kabel oder ein schlechter Kontakt ist. Gelbes Kabel = Aufblendlicht, weiß = Abblendlicht, schwarz/weiß = Masse. Masse kann man ausschließen, sonst würde die Lichthupe auch nicht gehen. Also ich denke, irgendwo zwischen dem Lichtschalter und dem Abblendschalter liegt der Fehler.
__________________

Man sollte es so oder so nicht übertreiben.
berndy ist offline   Mit Zitat antworten
Alt 10.02.2024, 21:27:13   #18
AmigaHarry
Erfahrener Benutzer
 
Benutzerbild von AmigaHarry
 
Registriert seit: 13.11.2005
Ort: Perchtoldsdorf
Alter: 64
Beiträge: 5.318
Kilometer: 1.1mio
Standard

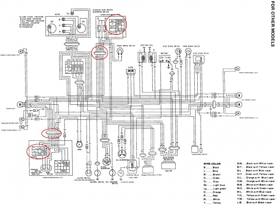
Dein Problem liegt vermutlich irgendwo in den markierten Bereichen (wie Berndy auch schon geschrieben hat). Könnte sein das vom rechten Lichtschalter nichts zum linken Hi-Lo-Schalter kommt (YW). Vermutlich irgendein Kontakt (Stecker oder im Schalter selbst) korrodiert bzw. abgegangen. Möglicherweise auch Kabelbruch.
Miniaturansicht angehängter Grafiken
Klicke auf die Grafik für eine größere Ansicht

Name:	Schaltplan.jpg_0245.jpg
Hits:	1644
Größe:	109,6 KB
ID:	31969  
AmigaHarry ist offline   Mit Zitat antworten
Antwort

Lesezeichen

Stichworte
abblendlicht, elektrik, fernlicht, scheinwerfer


Forumregeln
Es ist dir nicht erlaubt, neue Themen zu verfassen.
Es ist dir nicht erlaubt, auf Beiträge zu antworten.
Es ist dir nicht erlaubt, Anhänge hochzuladen.
Es ist dir nicht erlaubt, deine Beiträge zu bearbeiten.

BB-Code ist an.
Smileys sind an.
[IMG] Code ist aus.
HTML-Code ist aus.

Gehe zu

Ähnliche Themen
Thema Autor Forum Antworten Letzter Beitrag
Abblendlicht und Fernlicht geht nicht, Fernlichkontrolle leuchtet dauerhaft GS-Stegi Elektrik, Elektronik und Beleuchtung 11 09.04.2017 20:13:26
Five Stars Verkleidung Abblendlicht defekt! aber irgendwie auch nicht!? kchnes Elektrik, Elektronik und Beleuchtung 4 03.05.2016 22:30:00
Abblendlicht und fehenlicht geht nicht förki089 Elektrik, Elektronik und Beleuchtung 12 24.08.2014 16:31:35
Abblendlicht und Hupe gehen nicht Yorbo Elektrik, Elektronik und Beleuchtung 26 08.08.2014 07:18:06
geht-geht nicht: Zieht ab 6-7000 U/min nicht mehr Berserkerlein Fehlerdiagnose 16 22.10.2011 02:32:42


Alle Zeitangaben in WEZ +1. Es ist jetzt 09:32:35 Uhr.


Powered by vBulletin® Version 3.8.9 (Deutsch)
Copyright ©2000 - 2026, vBulletin Solutions, Inc.