gs-500.de  

Zurück   gs-500.de > GS500(E/F) > Räder, Reifen und Bremsen

Hinweise

Antwort
 
Themen-Optionen
Alt 22.04.2011, 11:57:57   #1
tanja-86
Benutzer
 
Registriert seit: 24.10.2010
Beiträge: 38
Standard Bremspedal verstellen?

Hallo!

Zum bremsen muss ich immer den Fuß ein Stück anheben um auf das Pedal zu kommen. Deswegen würde ich gerne das Pedal etwas nach Unten versetzen.

Zwischen Bremspumpe und Pedalhebelei an der Bremskolbenstange ist eine Verstellschraube und aus der Gummihutze direkt an der Pumpe sehe ich da dran eine "Mutter".

Ist diese Mutter mit der BKS verbunden? Halte ich da dran die Stange fest, damit ich sie Unten verstellen und kontern kann?
Und überhaupt: das ist so blöde "Hinten dran" montiert, da komme ich nicht gescheit dran!
Das Pedal lässt sich vlt. auch so versetzen, wie die Schaltung?
Wer weiß Rat?

lg
Tanja
tanja-86 ist offline   Mit Zitat antworten
Alt 22.04.2011, 13:24:46   #2
bluebiker
Erfahrener Benutzer
 
Benutzerbild von bluebiker
 
Registriert seit: 16.12.2009
Ort: stuttgart
Alter: 33
Beiträge: 221
Baujahr: 1991
Kilometer: 47000
Standard

soweit ich das weiß musst du es so verstellen wie du beschrieben hast...
und den versenschoner (das chromteil, dass dir im weg ist) kannst mit den den inbusschrauben lösen
__________________
Four wheels move the body.
Two wheels move the soul.
bluebiker ist offline   Mit Zitat antworten
Alt 22.04.2011, 15:13:33   #3
berndy
Super-Moderator
 
Benutzerbild von berndy
 
Registriert seit: 16.08.2006
Ort: Schifferstadt/Pfalz
Alter: 63
Beiträge: 10.720
Baujahr: 1995
Kilometer: 66666
Standard

Das Premspedal hat eine Verzahnung, das Pedal kann man so wie den Schalthebel verstellen.

Wenn der Fersenschoner im Weg ist, einfach abschrauben.
__________________

Man sollte es so oder so nicht übertreiben.
berndy ist offline   Mit Zitat antworten
Alt 22.04.2011, 16:49:41   #4
bluebiker
Erfahrener Benutzer
 
Benutzerbild von bluebiker
 
Registriert seit: 16.12.2009
Ort: stuttgart
Alter: 33
Beiträge: 221
Baujahr: 1991
Kilometer: 47000
Standard

dann tuts mir leid für die falsche info..
aber im reparaturhandbuch steht auch nur die erstgenannte methode
__________________
Four wheels move the body.
Two wheels move the soul.
bluebiker ist offline   Mit Zitat antworten
Alt 22.04.2011, 19:01:31   #5
berndy
Super-Moderator
 
Benutzerbild von berndy
 
Registriert seit: 16.08.2006
Ort: Schifferstadt/Pfalz
Alter: 63
Beiträge: 10.720
Baujahr: 1995
Kilometer: 66666
Standard

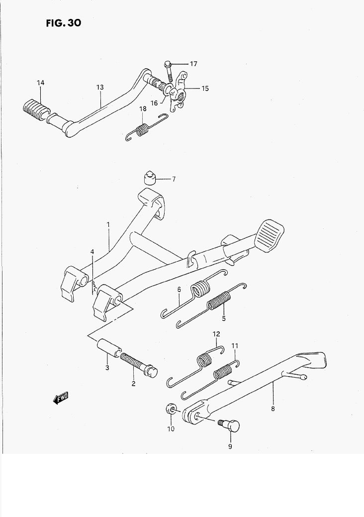
Bild zur Verdeutlichung
Miniaturansicht angehängter Grafiken
Klicke auf die Grafik für eine größere Ansicht

Name:	48.gif
Hits:	588
Größe:	26,9 KB
ID:	10155  
__________________

Man sollte es so oder so nicht übertreiben.
berndy ist offline   Mit Zitat antworten
Alt 22.04.2011, 20:18:05   #6
Jim Knopf
Erfahrener Benutzer
 
Benutzerbild von Jim Knopf
 
Registriert seit: 06.12.2010
Ort: 74635 Kupferzell
Alter: 58
Beiträge: 7.392
Baujahr: 1989
Kilometer: 33333
Standard

servus,

im Prinzip habt Ihr beide Recht!

Wenn der Bremshebel anderst eingenutet wird, muss an der Einstellschraube der Pumpe gedreht werden, sonst drückt die Stange immer auf zu.
__________________
Duracell ist Scheiße
Jim Knopf ist offline   Mit Zitat antworten
Alt 23.04.2011, 08:13:20   #7
berndy
Super-Moderator
 
Benutzerbild von berndy
 
Registriert seit: 16.08.2006
Ort: Schifferstadt/Pfalz
Alter: 63
Beiträge: 10.720
Baujahr: 1995
Kilometer: 66666
Standard

Ich versteh jetzt nicht genau was du damit sagen willst.

Die Verzahnung der Bremshebelachse ist ja u.a. dazu da, dass man die Neigung des Bremshebels verstellen kann ohne die Druckstange des Bremszylinders zu kürzen oder zu verlängern.

Soviel Spielraum hat man da ja auch nicht.

Das Gegenstück, die Aufnahme des Bremshebels, bleibt ja durch die Feder unverändert, wenn man den Bremshebel einen Zahn nach unten oder oben versetzt.

Beim Getriebe verändert man durch das Versetzen des Schalthebels ja auch nichts.
__________________

Man sollte es so oder so nicht übertreiben.

Geändert von berndy (23.04.2011 um 08:15:38 Uhr) Grund: Ergänzung
berndy ist offline   Mit Zitat antworten
Alt 24.04.2011, 11:33:15   #8
irato
Benutzer
 
Registriert seit: 23.08.2010
Beiträge: 81
Standard

Hallo Tanja,

Das Bremspedal justiert sich am einfachsten so:

- löse die 2 Inbusschrauben, welche die Fußraste, inkl. Fersenschoner tragen
- den Fußrasten-/ Bremskolbenträger etwas zu Dir drehen
- die Mutter an der Bremskolbenstange mit einer 10er Gabel halten
- die Kontermutter Unten mit einer 12er lösen
- an der Mutter der Bremskolbenstange die gewünschte Position einstellen
-> Vorsicht: zu viel Verstellen bewirkt u.U., dass Du die Bremse blockierst!
-> Vorsicht 2: Du verdrehst dabei die obere Staubmanschette! Diese deshalb etwas nach Oben von der Mutter hoch drücken und am Ende kontrollieren, dass sie unverdreht sitzt!

@bluebiker:
Den Fersenschutz abzubauen macht die Sache komplizierter: 3, statt 2 Schrauben, der Bremsgeberzylinder fällt auch noch mit ab... würde aber sicher funktionieren.

@berndy:
die Verzahnung ist derart grob, da lässt sich -zumindest an meiner Suzi- keine vernünftige Position einstellen!
Ich vermute mal, dass die Verzahnung nur das Bremspedal auf der Achse fixiert.

So long!
irato ist offline   Mit Zitat antworten
Alt 27.04.2011, 13:31:11   #9
tanja-86
Benutzer
 
Registriert seit: 24.10.2010
Beiträge: 38
Standard

Oh danke!
Warn paar Tage weg. Am WE probier ich das mal so einzustellen!

lg
Tanja
tanja-86 ist offline   Mit Zitat antworten
Alt 05.05.2011, 09:56:10   #10
tanja-86
Benutzer
 
Registriert seit: 24.10.2010
Beiträge: 38
Standard

Jop!
Das mit den 2 dicken Inbusschrauben zum abmachen geht gut!
Ich glaube beim einstellen verkürzt sich sog. der "Bremsweg" vom Pedal. Ich werde es noch etwas weiter stellen weil ich nur sehr sparsam verstellt hatte, wg. "Vorsicht"!

lg
Tanja
tanja-86 ist offline   Mit Zitat antworten
Antwort

Lesezeichen


Forumregeln
Es ist dir nicht erlaubt, neue Themen zu verfassen.
Es ist dir nicht erlaubt, auf Beiträge zu antworten.
Es ist dir nicht erlaubt, Anhänge hochzuladen.
Es ist dir nicht erlaubt, deine Beiträge zu bearbeiten.

BB-Code ist an.
Smileys sind an.
[IMG] Code ist aus.
HTML-Code ist aus.

Gehe zu

Ähnliche Themen
Thema Autor Forum Antworten Letzter Beitrag
Federung schwer zu verstellen? Fahrwerk 20 20.03.2014 12:15:51
Hintere Federung verstellen Verkleidungen, Anbauteile und Zubehör 5 28.06.2010 17:37:14
Federspannung hinten verstellen Fahrwerk 24 29.06.2006 10:53:52
Federgabel verstellen bei BJ '91?? Fahrwerk 21 07.07.2004 04:17:17
Federbein verstellen Fahrwerk 3 06.03.2003 12:58:20


Alle Zeitangaben in WEZ +1. Es ist jetzt 07:09:52 Uhr.


Powered by vBulletin® Version 3.8.9 (Deutsch)
Copyright ©2000 - 2026, vBulletin Solutions, Inc.