gs-500.de  

Zurück   gs-500.de > GS500(E/F) > Fehlerdiagnose

Hinweise

Antwort
 
Themen-Optionen
Alt 26.09.2017, 06:38:23   #1
Sasa
Erfahrener Benutzer
 
Benutzerbild von Sasa
 
Registriert seit: 12.07.2013
Ort: Norderstedt
Alter: 35
Beiträge: 196
Standard Motor klackert

Und wieder eine typische Überschrift xD
"Der Motor macht Geräusche, was kann es nur sein?"

Guten Morgen erstmal,

mir ist am Sonntag nach einer Tour zu Hause aufgefallen, als ich die GS ohne Helm in die Garage gefahren habe, dass der Motor klackerte. Hörte sich wie Galopp an. Gut auf dem Video zu hören.
Obs während der Fahrt war, weiß ich nicht. Habs erst gehört als ich die GS wieder gestartet und eben ohne Helm manövriert habe.


https://youtu.be/Gdhaybda7r0


Ventilspiel wurde Anfang des Jahres erst kontrolliert und berichtigt, vllt 300km her.
Auch ist das Geräusch bisher nicht aufgetreten.

Habe die Maschine gestern Abend angemacht. Beim Kaltstart keine Probleme und kein Klackeb. Habe sie mal (nur) nach links geneigt (tiefer als Seitenständer) und laufen lassen. Nix.
Evtl taucht das Klackern nr auf, wenns warm ist? Hmm... müsst ich mal ausprobieren.
Fahren tu ich jetze sehr ungern. Wer weiß, was passiert.

Ich würde als nächstes die GS dennoch mal warm fahren und das Öl ablassen. Schauen, ob Späne drin enthalten sind. Dann in jedem Fall wohl mal den Motor auseinanderbauen.

Habe auch den Thread von Peter aus März gesehen. Leider werden meistens die Ergebnisse nicht gepostet. Vllt kommt da noch was (ebenso in anderen Threads).


Hab da einen Onlineshop gefunden, habt ihr damit Erfahrungen?
Suzuki Motorrad Ersatzteile heißt die Seite.

Ein Pleuel kostet um die 100euro. Schon nicht wenig. Aber ein Austauschmotor möcht ich ungern haben. Wer weiß, was man da bekommt. Peter hatte zB nach einigen km wieder das Problem.

Tja, erstmal dazu. Ich mag die Probleme und Vorgehensweise bis zum Ende auch posten.
LG und einen schönen Wochenstart.
Sasa ist offline   Mit Zitat antworten
Alt 26.09.2017, 07:26:31   #2
gsmattis
Stammtisch Hamburg
 
Benutzerbild von gsmattis
 
Registriert seit: 16.03.2008
Ort: Extertal
Alter: 37
Beiträge: 8.809
Baujahr: 1999
Kilometer: 158000
Standard

Hmm, könnte sich nach einem beginnendem Pleuellagerschaden anhören, ganz sicher bin ich mir aber nicht. Ich meine, das wäre auch etwas dumpfer. Ich nehme an, dass die Frequenz mit der Drehzahl steigt.
Kommt es von ganz unten oder weiter oben? Du kannst auch einen Schraubendreher zwischen Ohr und Motorblock halten und so die Stelle besser lokalisieren
__________________
Bandit 1200
TL1000S
weil nur 6 Zylinder Sinn ergeben
gsmattis ist offline   Mit Zitat antworten
Alt 26.09.2017, 09:37:50   #3
CustomRider
Erfahrener Benutzer
 
Benutzerbild von CustomRider
 
Registriert seit: 30.03.2014
Ort: Gelsenkirchen
Beiträge: 267
Baujahr: 1999
Kilometer: 25000
Standard

https://youtu.be/GmukQMtS6MI

Ist 1A das gleiche Schlagen.

Meiner Einschätzung nach können es nur zwei Sachen sein. 1. Nockenwellenaxialspiel ODER wo ich langsam eher von überzeugt bin, denn ich habe genau deswegen einen Motorwechsel vollzogen,2. komisch synchronisierte Vergaser, weil das Geräusch bei mir mitgewandert ist.
__________________
Abfahrt....
CustomRider ist offline   Mit Zitat antworten
Alt 26.09.2017, 11:44:20   #4
Sasa
Erfahrener Benutzer
 
Benutzerbild von Sasa
 
Registriert seit: 12.07.2013
Ort: Norderstedt
Alter: 35
Beiträge: 196
Standard

@Mattis: Mit der Drehzahl kann ich nicht sagen. Habe das in dem Moment natürlich nicht ausprobiert
Sicher, von wo das Geräusch genau kommt, bin ich mir nicht. Irgendwo aus Richtung Motor ^^'

@CustomRider: hmmm... den Vergaser habe ich vor einigen Jahren mal synchronisiert; vllt einfach mal neu synchronisieren?? Gar nicht so doof die Idee...

Ist bisher auch erst einmal aufgetaucht.
Ich werde die Maschine demnächst nochmal fahren, sodass sie ordentlich warm gefahren ist. Dann hören/testen, ob das Klackern nochmal auftaucht. Erst synchronisieren, dann nach Öl mal schauen. Oder evtl. auch vorher mal das Öl wechseln, dann synchronisieren. Mal gucken.

Der Ölwechsel steht eigentlich auch schon seit einigen Tagen an.

Ich bleibe dran
Sasa ist offline   Mit Zitat antworten
Alt 26.09.2017, 12:00:56   #5
CustomRider
Erfahrener Benutzer
 
Benutzerbild von CustomRider
 
Registriert seit: 30.03.2014
Ort: Gelsenkirchen
Beiträge: 267
Baujahr: 1999
Kilometer: 25000
Standard

Komisch synchronisierte Vergaser mit daraus resultierendem Steuerkettenschwingen. So wollte ich es formulieren.
__________________
Abfahrt....
CustomRider ist offline   Mit Zitat antworten
Alt 02.10.2017, 14:46:34   #6
Saugwurmmensch
Public-Relations-Manager
 
Benutzerbild von Saugwurmmensch
 
Registriert seit: 19.07.2004
Ort: Strausberg
Alter: 42
Beiträge: 24.180
Baujahr: 1998
Kilometer: 22000
Standard

Axialspiel der Nockenwellen würde zur Seite geneigt verschwinden.

Ich denke auch, dass es die Steuerkette ist und schlechte Synchronisation die Ursache.
Wenn das Ventilspiel eingestellt wurde (also Shims getauscht), muss/sollte danach auch synchronisiert werden.
__________________
Wer hat noch keinen Organspendeausweis ?

Warning: may contain Verballhornung.
Suzuki - ride the wings of stain !
Saugwurmmensch ist offline   Mit Zitat antworten
Alt 23.11.2017, 18:35:46   #7
Sasa
Erfahrener Benutzer
 
Benutzerbild von Sasa
 
Registriert seit: 12.07.2013
Ort: Norderstedt
Alter: 35
Beiträge: 196
Standard

Hab sie heute mal gefahren und bin dabei, sie zu synchronisieren. Die Anleitungen im Netz sind ehrlich gesagt alle scheiße. Irgendwelche Infos fehlen immer.
Also Standgas hoch auf etwa 1800 (1750 laut Berndy). Ich gehe davon aus, dass die Einstellschraube des vergasers die "Gasschraube" ist.
Aber ich dreh und nix tut sich an der Uhr. Der linke Vergaser ist sehr hoch, der rechte bleibt mittig, aber zittert extrem. Wenn ich die schraube mit nem Schlitzer dreh, tourt sie teilweise auf 3.000

Dann mach ich aus, weils mir nicht geheuer ist.

Bitte um Hilfe!!

Ich brauch die Maschine morgen, weil das auto auch nihht will.

Geändert von Sasa (23.11.2017 um 18:49:34 Uhr)
Sasa ist offline   Mit Zitat antworten
Alt 23.11.2017, 20:01:44   #8
gsmattis
Stammtisch Hamburg
 
Benutzerbild von gsmattis
 
Registriert seit: 16.03.2008
Ort: Extertal
Alter: 37
Beiträge: 8.809
Baujahr: 1999
Kilometer: 158000
Standard

Oben mittig zwischen den Versagern ist die Einstellschraube. Damit gleichst du sie aneinander an.
Du hast eine Uhr mit Zeigerinstrumenten? Dann kannst und musst du die Zeiger so weit dämpfen, dass sie nicht mehr zittern, sich beim Dreh am Gasgriff aber bewegen (logisch).
Welche Schraube mit Schlitz meinst du?
__________________
Bandit 1200
TL1000S
weil nur 6 Zylinder Sinn ergeben

Geändert von gsmattis (24.11.2017 um 05:56:38 Uhr)
gsmattis ist offline   Mit Zitat antworten
Alt 23.11.2017, 20:16:28   #9
Sasa
Erfahrener Benutzer
 
Benutzerbild von Sasa
 
Registriert seit: 12.07.2013
Ort: Norderstedt
Alter: 35
Beiträge: 196
Standard

Ich habe den Tester von Carbtune. Für 4 Vergaser mit Quecksilber (???) als Anzeige. Keine Zeiger.

Ich sehe diese Schraube nicht...
Zwischen den Versagern ist eine Schraube in einer Feder. Wenn man diese Schraube runterdrückt, ist es so, als ob man Gas gibt ("Gasschraube").


Dein Satz mit dem Gasgriff versteh ich nicht ganz
Sasa ist offline   Mit Zitat antworten
Alt 23.11.2017, 20:34:44   #10
snailie
Super-Moderator
 
Benutzerbild von snailie
 
Registriert seit: 05.04.2013
Ort: Wuppertal
Alter: 43
Beiträge: 3.415
Baujahr: 2004
Kilometer: 28300
Standard

Zitat:
Zitat von Sasa Beitrag anzeigen
Zwischen den Versagern ist eine Schraube in einer Feder. Wenn man diese Schraube runterdrückt, ist es so, als ob man Gas gibt ("Gasschraube").
Das klingt eher nach der großen Schraube unten mittig... Mattis sprach aber von oben mittig.

Und in dem Satz mit dem Gasgriff ist einmal "Gasgriff" zu viel
__________________
...still out here in the wind and rain ~ I look a little older but I feel no pain...
.::battered but proud::.
~*~
Forumstreffen 2026 - Es sind noch Plätze frei!!!
snailie ist offline   Mit Zitat antworten
Alt 23.11.2017, 20:43:26   #11
Sasa
Erfahrener Benutzer
 
Benutzerbild von Sasa
 
Registriert seit: 12.07.2013
Ort: Norderstedt
Alter: 35
Beiträge: 196
Standard

Ahja, jetzt macht es Sinn

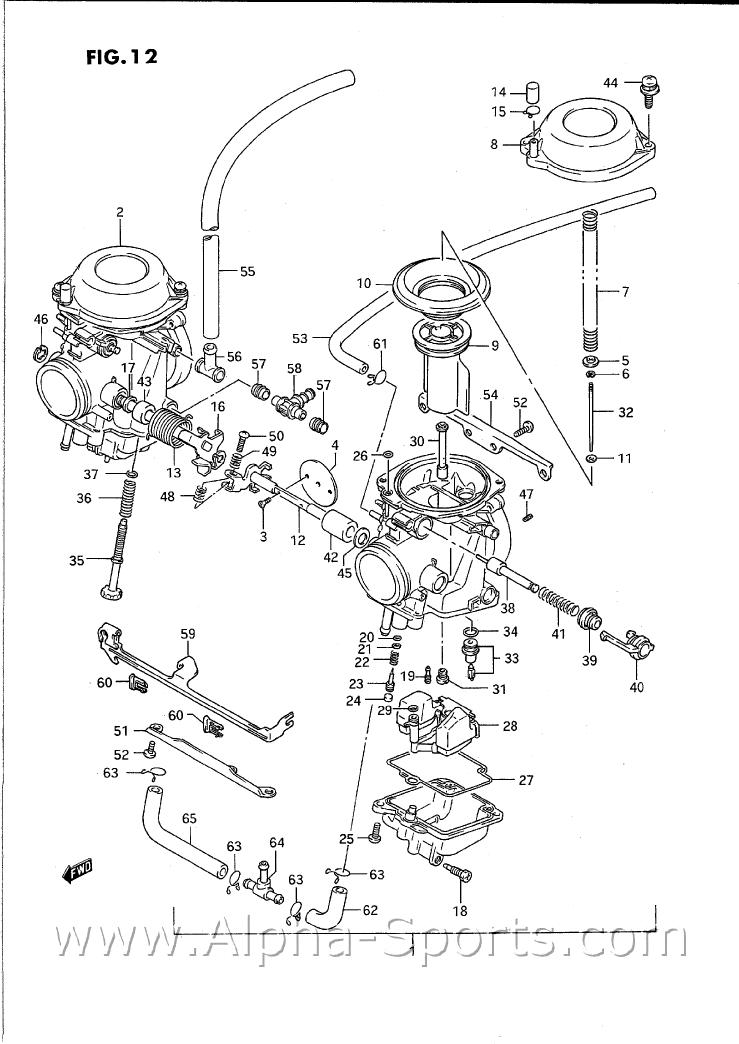
Hänge mal eine Explosionszeichnung an. Die Schraube, von der ich spreche, ist die Nr. 50 (irgenwo im Forum auch mal gelesen).
Eine andere Schraube sehe ich beim Vergaser nicht.

Ich hab vor ca. 3 Jahren schonmal synchronisiert; aber weiß nicht mehr, wie genau...
Miniaturansicht angehängter Grafiken
Klicke auf die Grafik für eine größere Ansicht

Name:	06.gif
Hits:	1786
Größe:	61,1 KB
ID:	27390  
Sasa ist offline   Mit Zitat antworten
Alt 23.11.2017, 21:10:00   #12
AmigaHarry
Erfahrener Benutzer
 
Benutzerbild von AmigaHarry
 
Registriert seit: 13.11.2005
Ort: Perchtoldsdorf
Alter: 64
Beiträge: 5.313
Kilometer: 1.1mio
Standard

#35 ist die Standgasschraube. #50 dient zur Synchronisation der Vergaser zueinander.
AmigaHarry ist offline   Mit Zitat antworten
Alt 23.11.2017, 22:09:19   #13
Sasa
Erfahrener Benutzer
 
Benutzerbild von Sasa
 
Registriert seit: 12.07.2013
Ort: Norderstedt
Alter: 35
Beiträge: 196
Standard

Sag ich doch.

Aber aus welchem Grund steigt die Drehzahl auf 3000, wenn an der #50 gedreht wird? Soll das so sein?
Sasa ist offline   Mit Zitat antworten
Alt 24.11.2017, 04:22:06   #14
berndy
Super-Moderator
 
Benutzerbild von berndy
 
Registriert seit: 16.08.2006
Ort: Schifferstadt/Pfalz
Alter: 63
Beiträge: 10.720
Baujahr: 1995
Kilometer: 66666
Standard

Mit dieser Schraube wird die Drosselklappe von Zylinder 2 zur Drosselklappe von Zylinder 1 verstellt. Die Drosselklappenstellung von Zylinder 1 ändert sich dabei nicht. Du kannst nur Zylinder 2 an Zylinder 1 angleichen.

(Um die Drosselklappe von Zylinder 1 zu verändern, müsste man die Rändelschraube unten zwischen den Vergasern verstellen, dabei verstellt sich aber auch die Drosselklappe von Zylinder 2.)

Wenn die eine Drosselklappe (Zylinder 2) dabei zu weit offen ist, hat der betreffende Zylinder zu viel Kraft und schleppt den anderen mit. Ohne Last kann der Motor dabei hoch drehen. (Ich hoffe man versteht, was ich damit ausdrücken will.)

Man müsste sich einmal ansehen, wie weit die Drosselklappen offen sind, bzw. wie sie überhaupt zueinander stehen.

Voraussetzung für brauchbare Anzeigen ist aber auch, dass alles absolut dicht ist. Wenn ein Synchronanschluss am Vergaser oder ein Schlauch gerissen ist, klappt das mit den Anzeigen nicht.

Bei der Schlauchwaage (kommunizierende Röhren) verändert sich der Flüssigkeitspegel insgesamt, weil die Röhren verbunden sind. Und der Pegel bei dem Zylinder hoch geht, der am meisten zieht. Bei den einzelnen Quecksilberröhren, verändert sich nur die eine, die an Vergaser 2 hängt, weil die Röhren voneinander unabhängig sind. Du verstehen?

Du musst nur gucken, dass die Anzeige für Vergaser 2 mit der von Vergaser 1 übereinstimmt.

Wenn das Synchronisieren nicht hinhaut, mach den Luftfilter raus und stell die beiden Drosselklappen nach Luftspalt ein, Also beide möglichst genau gleich offen. So hast du zumindest einen gescheiten Ausgangszustand und kannst nochmal versuchen.
__________________

Man sollte es so oder so nicht übertreiben.
berndy ist offline   Mit Zitat antworten
Alt 24.11.2017, 06:04:34   #15
gsmattis
Stammtisch Hamburg
 
Benutzerbild von gsmattis
 
Registriert seit: 16.03.2008
Ort: Extertal
Alter: 37
Beiträge: 8.809
Baujahr: 1999
Kilometer: 158000
Standard

Zitat:
Zitat von Sasa Beitrag anzeigen
Ich sehe diese Schraube nicht...
Zwischen den Versagern ist eine Schraube in einer Feder. Wenn man diese Schraube runterdrückt, ist es so, als ob man Gas gibt ("Gasschraube")
Genau das ist die Schraube zum Synchronisieren.
Zitat:
Zitat von Sasa Beitrag anzeigen
Dein Satz mit dem Gasgriff versteh ich nicht ganz
Zitat:
Zitat von takoda Beitrag anzeigen
Und in dem Satz mit dem Gasgriff ist einmal "Gasgriff" zu viel
Genau, und es fehlte was. Den Satzbau hat mein Handy verbockt. Da springt der Cursor ab und an einfach im Textfeld rum und beim Löschen des falsch platzierten Wortes springt er wieder zurück oder woanders hinund löscht auch andere Wörter. Habs geändert
Zitat:
Zitat von Sasa Beitrag anzeigen
Aber aus welchem Grund steigt die Drehzahl auf 3000, wenn an der #50 gedreht wird? Soll das so sein?
Wenn du auf die Schraube drückst, öffnest du die Drosselklappen. Da musst du entweder mit viel Gefühl und nem Schlitzschraubendreher ran (da brauchts nicht so viel Andruckkraft um sie drehen zu können) oder von unten mit nem Finger gegendrücken.

PS:
Zitat:
Zitat von Sasa Beitrag anzeigen
Zwischen den Versagern
Schön, dass meine Art, die Vergaser so zu benennen, wenn sie Versager sind, so großen Anklang findet
__________________
Bandit 1200
TL1000S
weil nur 6 Zylinder Sinn ergeben
gsmattis ist offline   Mit Zitat antworten
Alt 24.11.2017, 14:43:06   #16
Sasa
Erfahrener Benutzer
 
Benutzerbild von Sasa
 
Registriert seit: 12.07.2013
Ort: Norderstedt
Alter: 35
Beiträge: 196
Standard

Lieben Dank ihr Zwei! Eure Antworten helfen mir weiter und ich kann gut damit etwas anfangen.

Berndy, nach 2x in Ruhe lesen, verstehe ich, was du sagst. Bin ja nicht Hellste o

Ich schaue mir die Drosselklappen erstmal an und werde die Maschine dann nochmal warmfahren, um das Synchronisieren zu versuchen.
Eins nach dem anderen...
Sasa ist offline   Mit Zitat antworten
Alt 24.11.2017, 15:06:38   #17
3y3joe
Erfahrener Benutzer
 
Registriert seit: 31.08.2015
Ort: Sinsheim
Beiträge: 894
Baujahr: 1993
Kilometer: 105000
Standard

Also Leute, ganz ehrlich, ich glaube nicht dass das Klackern etwas mit der Synchronisation zu tun hat.
Der eine oder andere musste doch sicher achon mal seinen Twin auf nur einem Zylinder heimfahren. Hat da die Steuerkette geschlagen?

Ich halte einen Lagerschaden für am Warscheinlichsten, bei kaltem Motor ist das Öl dicker, ergo auch der Öldruck etwas höher, dann reichts in diesem Fall wohl noch aus.... und der Öldruck steigt auch bei Drehzahlen, deswegen ist der Krach da auch weg. Unter Umständen könnte auch ein verdrecktes Ölsieb für den beginnenden Infarkt sorge, aber eher unwarscheinlich.

Klar hat der Kollege mit den Versagern ein Problem, aber das hat ncihts mit dem Klackern zu tun.
3y3joe ist offline   Mit Zitat antworten
Alt 24.11.2017, 16:24:15   #18
AmigaHarry
Erfahrener Benutzer
 
Benutzerbild von AmigaHarry
 
Registriert seit: 13.11.2005
Ort: Perchtoldsdorf
Alter: 64
Beiträge: 5.313
Kilometer: 1.1mio
Standard

Habe mir das jetzt auch angehört: Hat halbe Motorfrequenz -> Nockenwellen Axialspiel!
Leider hat Suzuki bei allen BJ nach der 4-Zyl. GS500 das seitliche Axiallager eingespart - ab der 2005 gibt es das allerdings in der GS auch wieder. Leider ist das nicht abwärtskompatibel - man müsste NW und Zylinderkopf tauschen....
Ahja - und Synchronisieren bringt da genau gar nichts. Da es nur ein Schönheitsfehler ist kann/muss man damit leben........
AmigaHarry ist offline   Mit Zitat antworten
Antwort

Lesezeichen


Forumregeln
Es ist dir nicht erlaubt, neue Themen zu verfassen.
Es ist dir nicht erlaubt, auf Beiträge zu antworten.
Es ist dir nicht erlaubt, Anhänge hochzuladen.
Es ist dir nicht erlaubt, deine Beiträge zu bearbeiten.

BB-Code ist an.
Smileys sind an.
[IMG] Code ist aus.
HTML-Code ist aus.

Gehe zu

Ähnliche Themen
Thema Autor Forum Antworten Letzter Beitrag
Motor klackert Mapexman Fehlerdiagnose 27 10.08.2017 14:59:27
Motor ,,klackert" Niko 18 Motor, Getriebe, Kettensatz 4 29.07.2016 20:41:04
Motor klackert, wen er warm ist AlexVanRickert Fehlerdiagnose 9 12.04.2011 14:44:54
Motor klackert labei01 Fehlerdiagnose 4 02.05.2010 02:14:59
Motor klimpert (bzw klackert) rambothekid Motor, Getriebe, Kettensatz 7 03.07.2007 15:44:20


Alle Zeitangaben in WEZ +1. Es ist jetzt 18:15:30 Uhr.


Powered by vBulletin® Version 3.8.9 (Deutsch)
Copyright ©2000 - 2026, vBulletin Solutions, Inc.