gs-500.de  

Zurück   gs-500.de > GS500(E/F) > Fehlerdiagnose

Hinweise

Antwort
 
Themen-Optionen
Alt 29.03.2020, 22:38:05   #1
Lars23
Neuer Benutzer
 
Registriert seit: 06.03.2020
Beiträge: 13
Standard Lagerschaden GS500F

Servus Leute,

Kurzer Umriss meiner Story:
Hab mir im letzten September als mein erstes Motorrad ne gebrauchte GS500 F Baujahr 2004 mit grade mal gut 2000km gekauft. Bin auch sehr zufrieden gewesen. Gut 4800km selber gefahren. Ende des Liedes. Hab zu wenig Öl reingekippt (eigentlich garkeins) und jetzt ist der Lagerschaden da. Also Motor aufgemacht und geguckt.
Lager des linken Pleus haben sich in klein Teilen im Motor und Ölwanne verteilt. Habe sonst alle Teile überprüft und keine Schäden gefunden. Original Ersatzteile sind aber wie ihr sicher wisst Schweine teuer. Da mir gesagt wurde dass auch ein GS Motor aus einem älteren Modell funktionieren würde habe ich diesen gekauft da man für die F anscheinend gar keinen findet.
Tja also den eingebaut und wer hätte es gedacht. Funktioniert nicht, da kein Zündfunke kommt. Naja also wieder ausgebaut.
Und jetzt sitz ich hier und weiß grad nicht mehr wirklich weiter.
Ich wäre sogar bereit die ersatzteile zu kaufen aber einen Motor wieder zusammenschrauben ist halt auch kein Zuckerschlecken.
Deshalb mal meine Fragen:
Was sagt ihr dazu? Kann man einen Motor vom Baujahr 97 wirklich nicht verwenden?
Lohnt es sich überhaupt zu probieren meinen Motor zu reparieren?
Wisst ihr wo ich einen neuen passenden Motor herbekommen?

Ich freu mich aufjedenfall auf eure Meinungen.

Mir ist das Bike eigentlich zu schade zum auseinanderbauen und verkaufen da es sonst echt in nem super Zustand ist.
Lars23 ist offline   Mit Zitat antworten
Alt 29.03.2020, 23:34:10   #2
AmigaHarry
Erfahrener Benutzer
 
Benutzerbild von AmigaHarry
 
Registriert seit: 13.11.2005
Ort: Perchtoldsdorf
Alter: 64
Beiträge: 5.318
Kilometer: 1.1mio
Standard

Der 97 passt elektrisch nicht zu deiner Zündanlage. Der hat noch 2 Zündgeberkontakte, deine F nur einen. Du musst die komplette Zündgeberplatte inkl. Geber der F verwenden.


Zum F-Motor: Wenn es die Lagerschalen zerrrieben hat, wird der KW-Zapfen was abbekommen haben. Diesen könnte man flammspritzen und neu schleifen. Pleuel und Lagerschalen müssen neu. Würde sagen mit Dichtungssatz ca. 500.- bis 600.-, wenn man es selber macht.
Warum: Der F-Motor hat einen Ölkühler!
AmigaHarry ist offline   Mit Zitat antworten
Alt 29.03.2020, 23:47:18   #3
Lars23
Neuer Benutzer
 
Registriert seit: 06.03.2020
Beiträge: 13
Standard

Zum 97er:
Habs mit beiden Zündgeberplatten probiert.
Zündfunken gabs leider trotzdem keine. Nur der Anlasser hat sein bestes gegeben. Dann gabs zwar n blubbern aber der Motor sprang halt nicht an.

Zum F:
Naja der KW-Zapfen zeigt Verfärbungen aber keine sonstigen schwerwiegenden Schäden. Hab n neues Pleu und Lagerschalen schon ausprobiert. Lagerschalen werden aber wohl nicht die richtigen sein, da es ein (wirklich wiiiirklich) minimales Spiel zu geben scheint.
Was genau bedeutet denn Flammspritzen?
Lars23 ist offline   Mit Zitat antworten
Alt 30.03.2020, 11:00:24   #4
AmigaHarry
Erfahrener Benutzer
 
Benutzerbild von AmigaHarry
 
Registriert seit: 13.11.2005
Ort: Perchtoldsdorf
Alter: 64
Beiträge: 5.318
Kilometer: 1.1mio
Standard

Dann hat es noch woanders ein Problem. Elektrisch gibts sonst am Motor keinen Unterschied. Und alles andere (Vergaser, PVLS) ist ja gleich geblieben, oder? Gangsensor brauchst auch nur Neutral anhängen, der Rest ist egal.
Siehst du Zündfunken? Und hast du auch den Geber auf dem KW-Stumpf mitgetauscht?

Flammspritzen ist Auftragen von Stahl mittels Plasma. Damit kann man dünne Schichten Stahl auf Lagerflächen auftragen und dann wieder auf Maß schleifen. Wenn dein Zapfen nur verfärbt ist, ist das vielleicht nicht nötig. Die Lagerschalen müssen die richtige Paarung zu Pleuel und Zapfen haben - dazu gibt es verschiedene, farblich codierte Größen. Wenn du den Code an den alten Schalen nicht mehr erkennen kannst, heist es messen! Solle der Zapfen und vielleicht auch das Pleues tatsächlich nichts haben, wird dir Rep deutlich billiger (Dichtsatz, Lagerschalen)
Miniaturansicht angehängter Grafiken
Klicke auf die Grafik für eine größere Ansicht

Name:	0068.jpg
Hits:	4073
Größe:	113,1 KB
ID:	29222   Klicke auf die Grafik für eine größere Ansicht

Name:	0069.jpg
Hits:	4094
Größe:	114,0 KB
ID:	29223   Klicke auf die Grafik für eine größere Ansicht

Name:	0070.jpg
Hits:	4070
Größe:	100,0 KB
ID:	29224  
AmigaHarry ist offline   Mit Zitat antworten
Alt 30.03.2020, 11:18:36   #5
Lars23
Neuer Benutzer
 
Registriert seit: 06.03.2020
Beiträge: 13
Standard

Danke erstmal für deine Hilfe!

Ich habe am Motor auch die Lichtmaschine gewechselt, da ich die originale vom 97er nicht an den Kabelbaum ohne weiteres anschließen konnte. Mit Geber meinst du schätze ich den kleinen Sensor der hinter dem Ritzel am Motor mit zwei kleinen Schrauben angebracht ist oder? Da hab ichs nämlich auch mit beiden probiert. Der Unterscheidet sich aber auch schon darin, dass der 97er nur einen Kontaktpol hat und der neuere aus der F drei.
Aber ich habe auch da leider bei beiden keinen Zündfunken gehabt.

Ah ok. Ich denke dass das Flammspritzen nicht notwendig sein sollte, da selbst die anscheinend "falschen" Lager relativ gut passten. Aber eben nur relativ.

Bei Originale Ersatzteile Suzuki gabs nur ein Pleu zur Auswahl. Mein Pleu war leider auch komplett hinüber da es große riefen und kratzer hatte. Immerhin haben sich ja auch die Lager die darin waren komplett verabschiedet.
Also werd ich wohl die größe des Zapfens messen müssen oder was muss ich unter messen hier verstehen?
Lars23 ist offline   Mit Zitat antworten
Alt 30.03.2020, 14:05:32   #6
AmigaHarry
Erfahrener Benutzer
 
Benutzerbild von AmigaHarry
 
Registriert seit: 13.11.2005
Ort: Perchtoldsdorf
Alter: 64
Beiträge: 5.318
Kilometer: 1.1mio
Standard

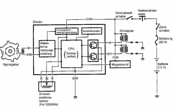
Geber: Nein, das ist alles unter der rechten Kurbelwellenabdeckung. Der Zündimpuls wird hier durch 2 Komponenten erzeugt:
1. Die Zündgeberplatte (Nr. 3 im Bild), auf der 1 (nur einer!!) Hallkontakt sitzt
2. Die Kullissennocke (Nr. 4 im Bild), die am rechten Kurbelwellenstumpf sitzt. Diese Nocken haben einen anderen Abstand und eine andere Form als jene der 97er. Sie liefert im Gegensatz zur 97er nur einen (1!) direkten Fire- Impuls, 2 OT-Impulse und 2 Positionsimpulse. Die CDI der F ist keine alte, festverdrahtete Schaltung mehr, sondern ein eine komplette MPU mit einem 8Bit/8Mhz-Signalprozessor. Deswegen muss die ganze Zündseite umgebaut werden und das Vergaser-PVLS, sowie der Drosselklappensensor der Vergaser angeschlossen sein - sonst geht da nichts. Anbei das Prinzipbild der Zündung. Mit Magnetventil ist das Schaltventil des PVLS (Piston valve lift system) gemeint. Die MPU erwartet hier einen Widerstand ansonsten springt sie in eine leistungsschwächere Notmap. Dasselbe gilt für den Drosselklappenpositionssensor. Wenn du das alles so gelassen hast, wie es voher war, wirds keine Probleme geben.

Den Geber den du meinst (der beim Ritzel) ist nur der Gangsensor. Hier brauchst du nur den Neutralanschluss (einzelnes Kabel) anschließen. den 2-poligen Stecker für 2.und 3. Gang kannst du offenlassen (ist nur eine Art Drossel für die Zulassungsmessung).

Messen: So wie oben in Bild 2 beschrieben: Lager mit eingelegtem Kunststoffmesstreifen zusammenbauen und dann die Breite des gequetschten Streifens messen.
An Hand der Breite kann man dann die richtigen Schalen auswählen. Ist von den alten Lagerschalen nichts mehr da? Wenn ja, schau genau - an den Stirnflächen sollte ein Farbmarkierung ein. Damit würdes du den ursprünglichen Zustand kennen und kannst daraus ohne messen die neuen, passenden für das neue Pleuel heraussuchen.
Wenn die richtigen Lagerschalen eingebaut sind, gibts ABSOLUT kein Spiel (vorher ölen nicht vergessen). Ich würde vorher den KW-Zapfen auch auf Rundheit messen. Dazu reicht eine i.d.R. eine Bügel-Mikrometerschraube bzw. Mikrometeruhr auf Messgestell.
Miniaturansicht angehängter Grafiken
Klicke auf die Grafik für eine größere Ansicht

Name:	72.jpg
Hits:	4094
Größe:	58,5 KB
ID:	29226   Klicke auf die Grafik für eine größere Ansicht

Name:	MPU.jpg
Hits:	4083
Größe:	37,3 KB
ID:	29227  

Geändert von AmigaHarry (30.03.2020 um 14:16:03 Uhr)
AmigaHarry ist offline   Mit Zitat antworten
Alt 30.03.2020, 15:47:55   #7
Lars23
Neuer Benutzer
 
Registriert seit: 06.03.2020
Beiträge: 13
Standard

Ok also einmal Rückfrage für Dummies:
Ich habe zwar die Zündgeberplatte durch die der F getauscht aber nicht die Kulissennocke. Bedeutet also die hätte ich auch wechseln müssen richtig?

Der Vergaser ist noch der selbe aus der F. Daran habe ich auch nichts geändert. Der wurde auch ganz normal wieder an den Kabelbaum angeschlossen.
Der dürfte also keine weiteren schwierigkeiten machen oder?
Lars23 ist offline   Mit Zitat antworten
Alt 30.03.2020, 15:52:37   #8
Jim Knopf
Erfahrener Benutzer
 
Benutzerbild von Jim Knopf
 
Registriert seit: 06.12.2010
Ort: 74635 Kupferzell
Alter: 58
Beiträge: 7.398
Baujahr: 1989
Kilometer: 33333
Standard

Servus,

Mal ne doofe Frage: Warum wurde nicht einfach der passende Kabelbaum eingebaut?
__________________
Duracell ist Scheiße
Jim Knopf ist offline   Mit Zitat antworten
Alt 30.03.2020, 16:01:54   #9
Lars23
Neuer Benutzer
 
Registriert seit: 06.03.2020
Beiträge: 13
Standard

Servus Jim,

einfache Antwort: heiden Arbeit und möglicherweise andere Probleme die ich vorher nicht sehen kann.

Klar wäre es machbar den Kabelbaum komplett rauszurupfen und nen alten aus dem Baujahr einzufriemeln. Aber derzeit suche ich noch nach der leichtesten Lösung, um die gute Dame wieder zum laufen zu bekommen.
Lars23 ist offline   Mit Zitat antworten
Alt 30.03.2020, 16:05:28   #10
Jim Knopf
Erfahrener Benutzer
 
Benutzerbild von Jim Knopf
 
Registriert seit: 06.12.2010
Ort: 74635 Kupferzell
Alter: 58
Beiträge: 7.398
Baujahr: 1989
Kilometer: 33333
Standard

Die leichteste Lösung ist der Kabelbaum!
__________________
Duracell ist Scheiße
Jim Knopf ist offline   Mit Zitat antworten
Alt 30.03.2020, 16:08:17   #11
Lars23
Neuer Benutzer
 
Registriert seit: 06.03.2020
Beiträge: 13
Standard

Ist das so?
Mir wurde gesagt dass der Kabelbaum auch vollkommen anders lag bei den älteren Modellen als bei der F.
Wie siehts denn da mit der restlichen Elektrik aus also blinker Scheinwerfer usw. Passen die Stecker dann überhaupt noch drauf? Und dann würde ich wohl zwangsläufig so oder so noch n alten Vergaser benötigen oder?
Ich lasse mich da gerne belehren

Außerdem: die leichteste Lösung wäre ein neuer passender Motor aber die sche*** findet man nirgendwo vernünftig.
Lars23 ist offline   Mit Zitat antworten
Alt 30.03.2020, 16:11:24   #12
Jim Knopf
Erfahrener Benutzer
 
Benutzerbild von Jim Knopf
 
Registriert seit: 06.12.2010
Ort: 74635 Kupferzell
Alter: 58
Beiträge: 7.398
Baujahr: 1989
Kilometer: 33333
Standard

Die Anbauteile wie Relais, CDI usw alles vom alten Modell und natürlich der Vergaser.

Alles in allem: 2 Stunden Arbeit.
__________________
Duracell ist Scheiße
Jim Knopf ist offline   Mit Zitat antworten
Alt 30.03.2020, 16:16:31   #13
Lars23
Neuer Benutzer
 
Registriert seit: 06.03.2020
Beiträge: 13
Standard

Okey klingt sehr optimistisch.
Aber Beleuchtung Lenkerschalter usw. kann ich ja nicht einfach ändern. Wenn das nicht passt hätte ich wieder ganz andere Probleme.
Davor bangt es mir da etwas. Oder meinst du die Geschichte passt auf den alten Kabelbaum?
Lars23 ist offline   Mit Zitat antworten
Alt 30.03.2020, 16:40:10   #14
Jim Knopf
Erfahrener Benutzer
 
Benutzerbild von Jim Knopf
 
Registriert seit: 06.12.2010
Ort: 74635 Kupferzell
Alter: 58
Beiträge: 7.398
Baujahr: 1989
Kilometer: 33333
Standard

Licht kann man sich zurecht machen, sind ja nur 3Kabel.

Schaltereinheiten werden mit getauscht, ist ja klar.
__________________
Duracell ist Scheiße
Jim Knopf ist offline   Mit Zitat antworten
Alt 30.03.2020, 19:20:52   #15
snailie
Super-Moderator
 
Benutzerbild von snailie
 
Registriert seit: 05.04.2013
Ort: Wuppertal
Alter: 43
Beiträge: 3.416
Baujahr: 2004
Kilometer: 28300
Standard

Seitenständerschalter hat auch einen anderen Stecker bei der F als bei der E, den müßtest du dann auch mittauschen. Irgendwas war noch anders, aber ich komm grad nicht drauf...
__________________
...still out here in the wind and rain ~ I look a little older but I feel no pain...
.::battered but proud::.
~*~
Forumstreffen 2026 - Es sind noch Plätze frei!!!
snailie ist gerade online   Mit Zitat antworten
Alt 30.03.2020, 19:49:37   #16
AmigaHarry
Erfahrener Benutzer
 
Benutzerbild von AmigaHarry
 
Registriert seit: 13.11.2005
Ort: Perchtoldsdorf
Alter: 64
Beiträge: 5.318
Kilometer: 1.1mio
Standard

Nein Lars, den Kabelbaum neu zu machen ist in deinem Fall weit aufwändiger, als eine Zündplatte UND die Nockenkulisse umzubauen! Alles andere kann bleiben wie es ist. Du hättest nichteinmal die LiMa umbauen müssen - nur den Stecker.
Normalerweise ein 10min-Aufwand.
Das einzige was du noch schauen musst, ob deine Ansaugstutzen des 97er-Motors (so welche montiert sind) zum BSS34-Vergaser (Durchmeser!) der F passen. Die 97 müsste noch BSR oder BSS33 haben - d.h. 33mm Innendurchmesser. Könnte aber sein, das die aussen gleich geblieben sind - das weis ich leider nicht.
AmigaHarry ist offline   Mit Zitat antworten
Alt 30.03.2020, 20:27:36   #17
Jim Knopf
Erfahrener Benutzer
 
Benutzerbild von Jim Knopf
 
Registriert seit: 06.12.2010
Ort: 74635 Kupferzell
Alter: 58
Beiträge: 7.398
Baujahr: 1989
Kilometer: 33333
Standard

@ Harry: was ist aufwändig beim Kabelbaumwechsel?
__________________
Duracell ist Scheiße

Geändert von Jim Knopf (30.03.2020 um 20:58:45 Uhr)
Jim Knopf ist offline   Mit Zitat antworten
Alt 30.03.2020, 22:02:53   #18
AmigaHarry
Erfahrener Benutzer
 
Benutzerbild von AmigaHarry
 
Registriert seit: 13.11.2005
Ort: Perchtoldsdorf
Alter: 64
Beiträge: 5.318
Kilometer: 1.1mio
Standard

Damit ist es ja nicht getan. Die Schalter sind anders belegt - hier muss man im Stecker auf Dauerlicht brücken bzw. alte Schalter verbauen (die designmäßig wieder nicht zum Rest passen), der komplette Ansteuerbereich für den Vergaser muss weg, eine alte CDI muss her - die neue geht mit dem Kabelbaum nicht, ausser man verkabelt zusätzliche Leitungen, was ja nicht ganz im Sinne der Sache sein dürfte und steht dann wieder vor dem Anfangsproblem der falschen Zündgeberplatte/Nocke. Ausserdem kanns/wirds Probleme mit den BSR/BSS34 Vergasern geben. Die sind für schnelle Unterdruckreaktion ausgelegt und verschlucken sich ohne Ansteuerung durch das PVLS schon bei rel. moderatem Gasgeben - es reist die Schieber viel zu schnell auf. Alternativ könnte man Schieber mit kleineren Unterdruckbohrungen verwenden (so wie bei den alten Modellen) - aber das kostet doch einiges an Ansprechdynamik.


Ich würde sagen: Einfacher ist es die 2 Bauteile am rechten KW-Ende zu wechseln.

Und so nebenbei zur Reparatur des F-Motors: Auch wenn der F-Motor aussieht wie der alte Motor - er ist nicht gleich. Und damit meine ich nicht nur den Ölkühler. Am F Motor wurden sehr viele (oft nur kleine, aber wirksame) Änderungen an Toleranzen, Materialpaarungen, Ölblenden, Führungsbohrungen, usw. durchgeführt. Deswegen läuft er auch wesentlich ruhiger und leiser - ich würde das nicht missen wollen.
AmigaHarry ist offline   Mit Zitat antworten
Alt 31.03.2020, 18:55:30   #19
Lars23
Neuer Benutzer
 
Registriert seit: 06.03.2020
Beiträge: 13
Standard

Danke erstmal für eure ganzen Rückmeldungen. Das hätte ich garnicht erwartet.

Ich hatte den Motor letztens wieder ausgebaut weil ich die Hoffnung schon aufgegeben hatte. Aber die Idee mit der Zündplatte und die Nockenkullise scheint mir noch wenigstens den Versuch Wert zu sein.

Der Vergaser passte auf den Motor sogar drauf. Aber da dachte ich mir jetzt dass die Einstellungen da sicher nicht zu passen werden. Aber selbst wenn wäre ein alter vergaser noch ein geringer Aufwand. Den Kabelbaum werd ich nicht wechseln. Ich hab mir das mal angeguckt. Interessante Idee aber sehr aufwendig (meiner Meinung nach).
Den F Motor wieder zusammen zu Schrauben wird sich einfach nicht lohnen. Da fehlt mir das passende Know-How sowie schlicht und ergreifen die Muse für. Auch wenn ich den Motor sehr toll fand.
Und wenn das nicht klappt muss halt ein neues Mopped her. Schade drum aber dann findet ihr zumindest ein paar neue Ersatzteile bei eBay.

Andere Frage aber noch: Kanns sein dass die Drehzahl bei der F anders gemessen wurde als bei der alten E?

Geändert von Lars23 (31.03.2020 um 19:12:34 Uhr)
Lars23 ist offline   Mit Zitat antworten
Alt 31.03.2020, 19:38:55   #20
AmigaHarry
Erfahrener Benutzer
 
Benutzerbild von AmigaHarry
 
Registriert seit: 13.11.2005
Ort: Perchtoldsdorf
Alter: 64
Beiträge: 5.318
Kilometer: 1.1mio
Standard

Ja, die F hat einen elektrischen DZM. Die 97er noch einen mechanischen mit Welle von der NW weg. Bei der F wird das DZM-Signal von der MPU generiert. D.h. die Öffnung am NW-Deckel des 97-Motors muss verschlossen werden.

An den Vergasern würde ich vorab alles lassen wie es ist. Erst wenn du einmal einen laufenden Motor hast, kann man nach Probefahrt das angehen. Wobei ich denke, das da kaum was kommen wird, da ja die ganze Peripherie (Auspuff, Lufi, MPU,.. gleich bleibt - und das sind die bestimmenden Teile für eine etwaige Abstimmung.

Übrigends: Weisst du ob der 97er Motor vorher überhaupt gelaufen ist? Nicht das der eine Leiche ist......
AmigaHarry ist offline   Mit Zitat antworten
Alt 31.03.2020, 20:03:38   #21
Lars23
Neuer Benutzer
 
Registriert seit: 06.03.2020
Beiträge: 13
Standard

Okey. Gut Drehzahlmesser ist das geringste Problem.

Aber der Vergaser bereitet mir zumindest gedanklich etwas Kopfschmerzen. Sind das nicht immerhin zwei komplett unterschiedliche Systeme?

Was den Motor angeht: Naja laufen gesehen habe ich ihn leider nicht da ich ihn nicht ausgebaut habe. Aber ich bin mir relativ sicher dass der geht. Immerhin hat sich ja mitm anlasser anscheinend alles bewegt.
Aber ohne zündfunken konnte ich ihn bislang ja auch nicht richtig testen.
Lars23 ist offline   Mit Zitat antworten
Alt 31.03.2020, 20:36:03   #22
AmigaHarry
Erfahrener Benutzer
 
Benutzerbild von AmigaHarry
 
Registriert seit: 13.11.2005
Ort: Perchtoldsdorf
Alter: 64
Beiträge: 5.318
Kilometer: 1.1mio
Standard

Wenn du an den Vergasern und ihrem Ansteuersystem (also das PVLS, die Zündbox) nichts änderst, was soll dann großartig anders sein? Der Motor verhält sich ab den Ansaugstutzen kaum anders als der F Motor. Beide haben denselben Hubraum, dieselbe Bohrung, dieselben NW. Rauher und etwas heisser laufen wird er, das ist aber alles. Empfehle dir für später auf jeden Fall in Ölthermometer, wenn du mit Verkeidung fahren willst.
Bau jetzt einmal das richtige Kulissenstück ein (1 Schraube!) und schau ob du einen Zündfunken kriegst. Dann gehts weiter.
AmigaHarry ist offline   Mit Zitat antworten
Alt 31.03.2020, 20:55:54   #23
Lars23
Neuer Benutzer
 
Registriert seit: 06.03.2020
Beiträge: 13
Standard

Zündfunken ist da. Hab die Zündkerzen erstmal draußen getestet.

Hab aber Auspuff und tank noch nicht drauf.
Muss der Auspuff zwangsläufig drauf zum testen?
Lars23 ist offline   Mit Zitat antworten
Alt 31.03.2020, 21:06:33   #24
AmigaHarry
Erfahrener Benutzer
 
Benutzerbild von AmigaHarry
 
Registriert seit: 13.11.2005
Ort: Perchtoldsdorf
Alter: 64
Beiträge: 5.318
Kilometer: 1.1mio
Standard

Wenn du keinen Gehörschaden erleiden willst
AmigaHarry ist offline   Mit Zitat antworten
Alt 31.03.2020, 21:12:05   #25
Lars23
Neuer Benutzer
 
Registriert seit: 06.03.2020
Beiträge: 13
Standard

Verdammt. Wollte unbedingt die Nachbarschaft wach machen.

Na gut dann brauch ich noch etwas um das alles fertig zu machen.
Lars23 ist offline   Mit Zitat antworten
Alt 31.03.2020, 21:50:32   #26
Lars23
Neuer Benutzer
 
Registriert seit: 06.03.2020
Beiträge: 13
Standard

Es gibt ne gute und ne schlechte Nachricht:
Die gute: er springt an.
Die schlechte: es qualmte vorne etwas.

Edit: merke: der Auspuff sollte wenn dann auch vernünftig drauf sein. Riechen tuts aber etwas komisch
Lars23 ist offline   Mit Zitat antworten
Alt 31.03.2020, 23:27:35   #27
AmigaHarry
Erfahrener Benutzer
 
Benutzerbild von AmigaHarry
 
Registriert seit: 13.11.2005
Ort: Perchtoldsdorf
Alter: 64
Beiträge: 5.318
Kilometer: 1.1mio
Standard

Noja - wirds dir halt den Dreck der langen Lagerung oder etwas von den Auspuffdichtungen angesengt haben.
Aber sie läuft!
AmigaHarry ist offline   Mit Zitat antworten
Alt 01.04.2020, 06:51:39   #28
gsmattis
Stammtisch Hamburg
 
Benutzerbild von gsmattis
 
Registriert seit: 16.03.2008
Ort: Extertal
Alter: 37
Beiträge: 8.813
Baujahr: 1999
Kilometer: 158000
Standard

Bei mir hat bisher jeder Motor nach dem Einbau etwas gequalmt. Hier ein bisschen Öl, da ein bisschen Fett, beim dritten war es Kupferpaste am Krümmer (gesteckter Auspuff).
__________________
Bandit 1200
TL1000S
weil nur 6 Zylinder Sinn ergeben
gsmattis ist offline   Mit Zitat antworten
Alt 01.04.2020, 18:52:46   #29
AmigaHarry
Erfahrener Benutzer
 
Benutzerbild von AmigaHarry
 
Registriert seit: 13.11.2005
Ort: Perchtoldsdorf
Alter: 64
Beiträge: 5.318
Kilometer: 1.1mio
Standard

@Lars: Zu deinem F-Motor: Den zerlegen ist keine Hexerei. Um die richtigen Lagerschalen auszusuchen genügt es auch die Kennung des Zapfens auf der KW-Wange und des neuen Pleuels zu ermitteln. Auch daraus kann man die neuen Schalen ermitteln. Den Zapfen musst du aber dennoch mit Mircometerschraube messen, da wir ja nicht wissen, ob er sich bei dem Malheur nicht vielleicht doch abgenutzt hat. Jedenfalls solltest du da mit 200-300.- den Motor herrichten können. Wenn du Unterlagen dazu brauchst -> PN.
AmigaHarry ist offline   Mit Zitat antworten
Alt 01.04.2020, 20:14:28   #30
Lars23
Neuer Benutzer
 
Registriert seit: 06.03.2020
Beiträge: 13
Standard

Dank dir @AmigaHarry!

Schritt 1 ist jetzt grad erstmal die Maschine so zum fahren zu bringen. Und derzeit siehts gut aus!
Maschine läuft. Erste Testrunden im Hof haben gezeigt dass dir Kuplung noch vernünftig eingestellt werden muss und die Gangschaltung noch nicht so will außerdem läuft er etwas unruhig im Leerlauf.
Aber das ist ja noch morgen machbar. Hoffe ich kann morgen oder übermorgen mal die erste Testfahrt machen.

Wenn das läuft kann ich mal gucken mich um den Motor zu kümmern der hier noch in Einzelteilen liegt.

Edit: SIE LÄUFT!

Geändert von Lars23 (02.04.2020 um 19:57:08 Uhr)
Lars23 ist offline   Mit Zitat antworten
Antwort

Lesezeichen

Stichworte
austauschmotor, lagerschaden, motor, reparatur


Forumregeln
Es ist dir nicht erlaubt, neue Themen zu verfassen.
Es ist dir nicht erlaubt, auf Beiträge zu antworten.
Es ist dir nicht erlaubt, Anhänge hochzuladen.
Es ist dir nicht erlaubt, deine Beiträge zu bearbeiten.

BB-Code ist an.
Smileys sind an.
[IMG] Code ist aus.
HTML-Code ist aus.

Gehe zu

Ähnliche Themen
Thema Autor Forum Antworten Letzter Beitrag
Ausgleichswelle Lagerschaden Barbarossa67 Motor, Getriebe, Kettensatz 4 05.05.2017 08:08:13
Lagerschaden??? Krustenkaas Fahrwerk 1 17.04.2010 14:00:25
Lagerschaden an Getriebeausgangswelle; Hilfe !! Ralfl Fehlerdiagnose 26 04.08.2008 06:06:15
Lagerschaden Ausgleichswelle Motor, Getriebe, Kettensatz 15 07.06.2004 20:15:22


Alle Zeitangaben in WEZ +1. Es ist jetzt 14:46:42 Uhr.


Powered by vBulletin® Version 3.8.9 (Deutsch)
Copyright ©2000 - 2026, vBulletin Solutions, Inc.