gs-500.de  

Zurück   gs-500.de > GS500(E/F) > Fehlerdiagnose

Hinweise

Antwort
 
Themen-Optionen
Alt 17.06.2013, 21:17:00   #1
Guenni
Neuer Benutzer
 
Registriert seit: 14.06.2013
Ort: Hannover Region
Alter: 38
Beiträge: 14
Baujahr: 1994
Kilometer: 20000
Standard Wiederaufbauhilfe

Hallo,

bin neu hier im Forum und möchte mich erstmal vorstellen. Ich bin Günni, Hallo!

Ich habe mir jetzt viele Beiträge hier durchgelesen aber es passt nichts so ganz zu den zicken meiner GS.
Ich habe sie einem Arbeitskollegen für schmales Geld abgekauft. Die GS 500 E stand 6 Jahre unter einer Plane in einer Scheune. Es ist eine gedrosselte 94er mit 19900 km.

Ich habe das Mopped vor einer guten Woche abgeholt. Nach einer Ölstandsprüfung habe ich sie im gedrosselten Zustand kurz angeworfen um zu testen ob sie läuft, sie läuft.

Ich habe daraufhin die 122,5er und die 125er Hauptdüsen bestellt und diese nach einer Vergaserreinigung eingesetzt. Mein Nachbar hat eine CNC Fräse womit er mir die Ansaugstutzen aufgefräst hat. Ich habe die nicht mehr vorhanden O-Ringe vom Ansaugstutzen zum Zylinder gegen frische getauscht. Der Nadelclip war bereits in der mittleren Stellung also habe ich hier keine Änderung vorgenommen.

Nachdem ich einen Luftfilter besorgt und eingesetzt habe wollte ich einen kleinen weiteren Testlauf durchführen bevor es mit dem Ölwechsel weitergehen sollte. Leider hatte ich nun das Problem das das Standgas auf ca. 4000U/min stieg und es unten aus dem Ablaufschlauch vom Luftfilter tropfte. Nach einiger Recherche fand ich einen Anschlussplan für Vergaser und Benzinhahn und musste mit scham feststellen das ich oberes und unteres T-Stück vertauscht hatte. Nachdem ich die Beiden getauscht hatte war das Standgas immernoch so hoch aber das permanente Tropfen aus dem Luftfilter überlauf war weg. Ich habe darauf hin die O-Ringe im Vergaser also die am Schwimmerventil und am Choke glaube ich gegen neue getauscht. Der Leerlauf war auf Anhieb einwandfrei. Die Drehzahl fiel auch nach kurzem angasen ganz sauber und schnell wieder ab.
Da der Kettensatz eh neu muss und man Ölwechsel ja bei warmem Motor machen soll bin ich eine kleine Runde durchs Dorf gefahren und konnte keine weiteren Probleme feststellen. Zu Hause angekommen habe ich mich gleich an den Ölwechsel und Kerzenwechsel gemacht. Nachdem beides gewechselt war wollte ich zu einem bekannten fahren um die Vergaser zu synchronisieren. Leider bin ich dort nicht angekommen.

Auf dem Weg zu ihm ging es mit den gleichen Zicken los die ich vor dem Tausch der O-Ringe hatte. Sehr hohes Standgas, beim Anfahren also unter last extrem anfällig fürs absaufen. Wenn man im Stand den Hahn schnell öffnet hört man das dumpfe "Luftfilterröhren", die drehzahl steigt ganz kurz doch das Mopped säuft direkt ab, und es stinkt nach Benzin. Dann dauert es auch ewig bis Sie wieder anspringt. Es tropft aber nichts aus den Abläufen. Ich werde morgen gleich auf die Suche nach Falschluft gehen. Vermute aber Irgendwie zuviel Benzin. Beim Ein- und Ausbau der Vergaser und der Ansaugstutzen sind mir keinerlei Risse oder beschädigungen aufgefallen. Sie lief ja auch für einige Kilometer.

1. Kann es Falschluft sein obwohl sie schon reibungslos lief? (wenn auch nur kurz)

2. Muss das Schwimmerventil fest in der Bohrung sitzen? Eine Seite hat sich mit dem neuen O-Ring direkt "festgesaugt" und liegt mit dem Anschlag auf der Bohrung auf. Bei der Anderen Seite geht das Ventil nicht ganz bis zum Anschlag in die Bohrung, es kommt immer 1-2mm raus.

3. Könnte es etwas anderes sein das ich übersehe? Die O-Ringe bei den "Synchronisierungskappen" sind beide vorhanden daran kann es nicht liegen.

4. Mein Nachbar hat mir gesagt er hat die Stutzen auf 36mm gefräst, macht das was aus? Dachte da der O-Ring ja abdichtet und der Vergaser ja nicht gefräst wurde ist das egal.

Vielen Dank im für eure Mühen, ich freue mich auf antworten und Vorschläge, ich berichte hier natürlich wie es weitergeht und wie ich vorwärts komme



lg Günni
Guenni ist offline   Mit Zitat antworten
Alt 17.06.2013, 21:27:19   #2
Merle
Erfahrener Benutzer
 
Benutzerbild von Merle
 
Registriert seit: 01.08.2009
Ort: Bergisches Land
Alter: 41
Beiträge: 1.258
Baujahr: 1994
Kilometer: 36000
Standard

Hallo günni und erstmal herzlich Willkommen im Forum.

Teste sie doch mal auf Falschluft indem du sie mit Bremsenreiniger im Bereich der Ansaugstutzen einsprühst.
Wie hast du die Leerlaufdüsen eingestellt? Hattest du sie entfernt zum Vergaserreinigen?

Was meinst du bitte mit dem Schwimmerventil fest in der Bohrung? Ich bin da gerade etwas Ratlos was du damit meinen könntest.

Hast du sie bei denen Probefahrten auf PRI oder ON gefahren?
Der Unterdruckschlauch richtig auf dem Vergaser?

lg

merle
__________________
Meine Moppeds sind jetzt in einem Alter, sie entscheiden selbstständig ob sie mit Dir eine Ausfahrt machen oder nicht.
Merle ist offline   Mit Zitat antworten
Alt 17.06.2013, 21:33:01   #3
Guenni
Neuer Benutzer
 
Registriert seit: 14.06.2013
Ort: Hannover Region
Alter: 38
Beiträge: 14
Baujahr: 1994
Kilometer: 20000
Standard

Ich meine die Führung der Schwimmernadeln, die laufen ja in einem kleinen Stutzen der per Bohrungen mit dem unterem T-Stück und darüber mit dem Benzinhahn verbunden sind. Einer dieser "stutzen" passt irgendwie nicht komplett in die Bohrung sondern steht halt ca. 1mm raus.

Die Leerlaufdüsen waren draußen aber die kann man ja nur wie die Hauptdüse rein oder rausschrauben oder? Die Gemischschrauben habe ich ganz rein und dann 1 7/8 umdrehungen rausgeschraubt.

lg.
Guenni ist offline   Mit Zitat antworten
Alt 18.06.2013, 10:54:36   #4
Guenni
Neuer Benutzer
 
Registriert seit: 14.06.2013
Ort: Hannover Region
Alter: 38
Beiträge: 14
Baujahr: 1994
Kilometer: 20000
Standard

Morgen, wenn ich den Tank runternehme dürfte doch eigentlich obwohl der Tankbenzinhahn auf ON steht eigentlich kein Benzin fließen da kein Unterdruck herrscht oder? Ich hab eben vergessen den zu schließen und als ich eben den rechten Schlauch vom Motorradbenzinhahn (der mit Knick) abgezogen habe ist ein Sturzbach aus ihm rausgeflossen! Da hat das Handtuch zum aufhalten nicht lange durchgehalten.

Ist das so richtig oder könnte das die Ursache fürs ständige absaufen sein und die hohen Drehzahlen im Stand, ist der Benzinhahn defekt?

LG


EDIT: Wenn ich jetzt beim Ausgebauten Tank den Hahn auf ON stelle läuft aus beiden Öffnungen Benzin
Guenni ist offline   Mit Zitat antworten
Alt 18.06.2013, 11:05:35   #5
Merle
Erfahrener Benutzer
 
Benutzerbild von Merle
 
Registriert seit: 01.08.2009
Ort: Bergisches Land
Alter: 41
Beiträge: 1.258
Baujahr: 1994
Kilometer: 36000
Standard

oh nein da hast du was missverstanden.

Es gibt im Prinzip zwei Benzinhähne.
Einer ist direkt unterm Tank. Der andere ist neben der Seitenverkleidung wo du auf PRI, ON und RES schalten kannst.

Wenn du den Tank runter nimmst und die Schläuche entfernst, IMMER auf OFF schalten.
Sonst fließt aus dem Tankverschluss unter dem Tank hemmungslos das Benzin raus.

Der Unterdruck ist nur für die Spritversorgung im zweiten Hahn wichtig um die Membrane zu öffnen.

Edit: egal auf welcher Position fließt dir der Tank leer? Egal ob auf On oder Off?
__________________
Meine Moppeds sind jetzt in einem Alter, sie entscheiden selbstständig ob sie mit Dir eine Ausfahrt machen oder nicht.
Merle ist offline   Mit Zitat antworten
Alt 18.06.2013, 11:06:02   #6
Saugwurmmensch
Public-Relations-Manager
 
Benutzerbild von Saugwurmmensch
 
Registriert seit: 19.07.2004
Ort: Strausberg
Alter: 42
Beiträge: 24.180
Baujahr: 1998
Kilometer: 22000
Standard

Hehe, klar läuft da Benzin raus!

Du hast den Schlauch abgezogen, der aus dem Reserve-Stutzen des Tanks kommt. Den benutzt PRI auch.
Die Unterdrucksteuerung greift erst NACH dem ON/RES/PRI-Benzinhahn, also zwischen Hahn und Vergaser

Der obere Hahn lässt immer Sprit raus (aus beiden Röhrchen, bis der Benzinpegel für das "ON"-Röhrchen nichtmehr ausreicht, dann läufts nur noch aus em tiefer im Tank abgreifenden "RES"-Röhrchen), wenn du den Schlitz nicht quer stellst und ihn somit schließt.
__________________
Wer hat noch keinen Organspendeausweis ?

Warning: may contain Verballhornung.
Suzuki - ride the wings of stain !
Saugwurmmensch ist offline   Mit Zitat antworten
Alt 18.06.2013, 11:22:03   #7
Guenni
Neuer Benutzer
 
Registriert seit: 14.06.2013
Ort: Hannover Region
Alter: 38
Beiträge: 14
Baujahr: 1994
Kilometer: 20000
Standard

Ist quer und so läuft auch nix. Gut dann weiß ich wieder etwas mehr. Falschlufttest wird verschoben da das Mopped nicht anspringen wollte und nun die Batterie leer ist.

Ich lese hier immer von Bremsenreiniger in Verbindung mit Falschlufttest aber auf dem steht extra drauf nicht auf Gummiteile sprühen?!
Wie entferne ich denn das Zeug nachdem ich das aufgesprüht habe?
Guenni ist offline   Mit Zitat antworten
Alt 18.06.2013, 11:41:56   #8
Saugwurmmensch
Public-Relations-Manager
 
Benutzerbild von Saugwurmmensch
 
Registriert seit: 19.07.2004
Ort: Strausberg
Alter: 42
Beiträge: 24.180
Baujahr: 1998
Kilometer: 22000
Standard

Ich habe schon etliche Maschinen und Teile in Bremsenreiniger "getränkt", da ist nie was passiert...weder Lack noch Gummi hat sich beeindruckt gezeigt.
Sicher ist Vorsicht da die Mutter der Porzellankiste...

Wegputzen brauchst du nix, das Zeug verdunstet beinahe rückstandsfrei in Windeseile.

Beim Falschlufttest macht wenig auch schon viel aus.
Merkst du schnell, wenn du mal ein ganz bisschen in den Luftfilter sprühst.
__________________
Wer hat noch keinen Organspendeausweis ?

Warning: may contain Verballhornung.
Suzuki - ride the wings of stain !
Saugwurmmensch ist offline   Mit Zitat antworten
Alt 18.06.2013, 14:22:58   #9
wELz
Erfahrener Benutzer
 
Registriert seit: 15.10.2007
Ort: München
Alter: 38
Beiträge: 414
Baujahr: 1993
Kilometer: 61887
Standard

Zitat:
Zitat von Guenni Beitrag anzeigen
[...] Da der Kettensatz eh neu muss und man Ölwechsel ja bei warmem Motor machen soll bin ich eine kleine Runde durchs Dorf gefahren und konnte keine weiteren Probleme feststellen. Zu Hause angekommen habe ich mich gleich an den Ölwechsel und Kerzenwechsel gemacht. [...]
Zündkerzen besser bei kaltem Motor wechseln. Wenn du nämlich kalte Zündkerzen in den warmen Motor schraubst und der Motor abkühlt, zieht sich das Metall (Gewinde) zusammen. Da kanns passieren, dass sie später unglaublich fest sitzen.
wELz ist offline   Mit Zitat antworten
Alt 18.06.2013, 16:06:03   #10
berndy
Super-Moderator
 
Benutzerbild von berndy
 
Registriert seit: 16.08.2006
Ort: Schifferstadt/Pfalz
Alter: 63
Beiträge: 10.720
Baujahr: 1995
Kilometer: 66666
Standard

Zitat:
Zitat von Guenni Beitrag anzeigen
Ich meine die Führung der Schwimmernadeln, die laufen ja in einem kleinen Stutzen der per Bohrungen mit dem unterem T-Stück und darüber mit dem Benzinhahn verbunden sind. Einer dieser "stutzen" passt irgendwie nicht komplett in die Bohrung sondern steht halt ca. 1mm raus.
Die Leerlaufdüsen waren draußen aber die kann man ja nur wie die Hauptdüse rein oder rausschrauben oder? Die Gemischschrauben habe ich ganz rein und dann 1 7/8 umdrehungen rausgeschraubt.

lg.
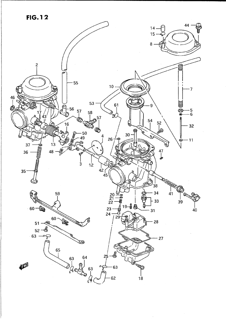
Das ist nicht gut. Das muss auf jeden Fall vollständig dicht sein damit das Schwimmernadelventil richtig arbeiten kann. Ist die Verbindung da undicht, läuft ständig Benzin nach, auch wenn die Schwimmernadel schließt. Dadurch läuft der Vergaser über, der Schwimmerstand stimmt nicht und der betreffende Zylinder überfettet bzw. läuft erst gar nicht. Kann aber auch sein, dass da fertigungsbedingt größere Toleranzen sind, dass trotz des 1 mm Spiels alles dicht ist.

Auch die entsprechende Verbindung Vergaser-Schwimmer, dort ist ebenfalls ein O-Ring, muss dicht sein.

Das wären die Positionen 33-34 und 28-29
Miniaturansicht angehängter Grafiken
Klicke auf die Grafik für eine größere Ansicht

Name:	06a.GIF
Hits:	669
Größe:	55,8 KB
ID:	16924  
__________________

Man sollte es so oder so nicht übertreiben.
berndy ist offline   Mit Zitat antworten
Alt 18.06.2013, 19:43:26   #11
Guenni
Neuer Benutzer
 
Registriert seit: 14.06.2013
Ort: Hannover Region
Alter: 38
Beiträge: 14
Baujahr: 1994
Kilometer: 20000
Standard

Ja genau die vier O-Ringe habe ich ersetzt und 33 sitzt halt nicht so super in dem Loch! Dann werde ich die Gaser nochmal ausbauen und mir da was überlegen, ich versuche einfach mal die beiden "Düsen/Stutzen" zu tauschen, eventuell passt es dann ja besser. Außerdem Falschlufttest.

Danke erstmal ich berichte über Erfolg oder Misserfolg, hoffentlich ersteres

LG
Günni
Guenni ist offline   Mit Zitat antworten
Alt 19.06.2013, 12:07:42   #12
Guenni
Neuer Benutzer
 
Registriert seit: 14.06.2013
Ort: Hannover Region
Alter: 38
Beiträge: 14
Baujahr: 1994
Kilometer: 20000
Standard

Guten tag,

so heute habe ich die Mopete noch einmal auseinander gebaut und die "Düsen/Stutzen" gewechselt. So haben sie auf jeden fall besser gepasst. Auf der Probefahrt lief auch anfangs alles super. Nach ca. 2 Minuten ist sie allerdings wieder ausgegangen. Ich habe mich an einige Beiträge über den Benzinhahn erinnert und den einfach mal auf PRI gestellt. Siehe da sie läuft.

Also ist es der Benzinhahn.

Ist das relevant für den Tüv oder kann ich die GS auch ohne das zu beheben vorführen?

Morgen werden die Gaser synchronisiert.

Da dann am Motor alles läuft geht es weiter mit Bremsbelägen vorne und hinten, Bremsflüssigkeit vorne und hinten, Simmerringe Gabel, Gabelöl, Kettensatz.

Hierzu noch zwei kurze fragen:
Könnt ihr mir einen kostengünstigen Kettensatz empfehlen oder muss es ein teuerer sein?

An einer Seite der Gabel verliert die GS relativ viel Öl über den Simmerring, sollte ich gleich beide seiten ersetzen?

LG
Günni
Guenni ist offline   Mit Zitat antworten
Alt 19.06.2013, 13:12:14   #13
gsmattis
Stammtisch Hamburg
 
Benutzerbild von gsmattis
 
Registriert seit: 16.03.2008
Ort: Extertal
Alter: 37
Beiträge: 8.808
Baujahr: 1999
Kilometer: 158000
Standard

Mach beide Simmerringe. Und achte drauf, dass keine Rostpickel o.ä. auf den Standrohren sind, die zerheun dir gleich wieder die neuen Simmerringe. Bei ner Kette würde ICH nur drauf achten, dass sie mit O-, X-, sonstwasringen gedichtet ist. Und keine, deren Namen man nicht schon mal ansatzweise gehört hat.
__________________
Bandit 1200
TL1000S
weil nur 6 Zylinder Sinn ergeben
gsmattis ist offline   Mit Zitat antworten
Alt 20.06.2013, 18:03:52   #14
wELz
Erfahrener Benutzer
 
Registriert seit: 15.10.2007
Ort: München
Alter: 38
Beiträge: 414
Baujahr: 1993
Kilometer: 61887
Standard

Ist zwar nicht genau dein Problem, aber evtl. ist die Ursache ähnlich:
http://forum.gs-500.de/showthread.php?t=19376

Sollte dem TÜV recht egal sein. Denke nicht, dass das eine sicherheitsrelevante Angelegenheit ist.

Geändert von wELz (20.06.2013 um 18:04:33 Uhr) Grund: Ergänzung
wELz ist offline   Mit Zitat antworten
Alt 23.06.2013, 10:23:14   #15
Guenni
Neuer Benutzer
 
Registriert seit: 14.06.2013
Ort: Hannover Region
Alter: 38
Beiträge: 14
Baujahr: 1994
Kilometer: 20000
Standard

Super Danke! Sehr schöne Übersicht
Guenni ist offline   Mit Zitat antworten
Alt 26.06.2013, 21:51:15   #16
Guenni
Neuer Benutzer
 
Registriert seit: 14.06.2013
Ort: Hannover Region
Alter: 38
Beiträge: 14
Baujahr: 1994
Kilometer: 20000
Standard

So wollte ja hier etwas weiter berichten, auch wenn es etwas OT ist.

- Simmerringe eingebaut, Gabelöl ausgetauscht. Ich habe mich, nachdem ich mich hier etwas belesen habe, für 15W und originale Federn entschieden. Das Gabelöl zu wechseln war bitter nötig! Es war pechschwarz und hat so sehr gestunken das ich die ganze zeit leichte Übelkeit und leichten Brechreitz verspürt habe. Dagegen war das neue Öl zartfließender Honig.
- Bremsbeläge vo+hi eingebaut. Vorne saß ein Bremskolben fest. Hatte mich gewundert das die alten Beläge schief abgefahren waren. Ich habe ihn gründlich gereinigt und ihn dann mittels ALU-Blechen und schraubzwinge wieder an seine eigentliche Funktion erinnern können.
- Bremsflüssigkeit vo+hi gewechselt.

Heute ist der Kettensatz gekommen und ich erwarte Ende dieser bzw. Anfang nächster Woche meine Bridgestone BT 45 (Satz 146 €) und meine Fühlerlehre (0,03mm-0,1mm | 5,6€) Damit ich dann nochmal das Ventilspiel messen kann und die GS dann endlich auf die Straße bekomme.

Auf diesem Weg auch nochmals viele viele Dankeschön an alle die sich mit Rat, Tat und Tipps beteiligt haben.


Hat jemand eine Ahnung wie viel das Umtragen auf offene Leistung mit vorhandenem Gutachten so ca. kostet?


Wenn ich das aufgetragene Originalfett der Kette entfernt habe, welches sollte ich dann auftragen? Ich habe bei meiner Aprillia RS 125 (34PS) immer ein Teflonspray benutzt "Dry Lube". Da ich damit gute Erfahrungen gemacht habe würde ich dieses auch bei der GS Kette gerne wieder zum Einsatzt bringen. Spricht etwas dagegen oder kann ich das bedenkenlos einsetzen?

LG
Günni
Guenni ist offline   Mit Zitat antworten
Alt 26.06.2013, 21:59:03   #17
Saugwurmmensch
Public-Relations-Manager
 
Benutzerbild von Saugwurmmensch
 
Registriert seit: 19.07.2004
Ort: Strausberg
Alter: 42
Beiträge: 24.180
Baujahr: 1998
Kilometer: 22000
Standard

Hast du kontrolliert, ob der Kolben auch wieder richtig mitmacht?
Reinigen und zurückdrücken reicht oft nicht aus.
Das solltest du penipel checken um dir nicht zB die Scheibe auszuglühen.


Abnahme kostet 30-35€.
__________________
Wer hat noch keinen Organspendeausweis ?

Warning: may contain Verballhornung.
Suzuki - ride the wings of stain !
Saugwurmmensch ist offline   Mit Zitat antworten
Alt 27.06.2013, 06:55:37   #18
gsmattis
Stammtisch Hamburg
 
Benutzerbild von gsmattis
 
Registriert seit: 16.03.2008
Ort: Extertal
Alter: 37
Beiträge: 8.808
Baujahr: 1999
Kilometer: 158000
Standard

Das Originalfett habe ich bei meinem Bruder letzte Woche draufgelassen, da er mit der Dose fettet. Ich habe nen Öler dran und würde das Fett auch nicht abmachen.

Wies bei Dry Lube ist, kann ich nicht sagen, aber das Zeug ist doch nicht wirklich richtig haftend, oder?
__________________
Bandit 1200
TL1000S
weil nur 6 Zylinder Sinn ergeben
gsmattis ist offline   Mit Zitat antworten
Alt 27.06.2013, 07:23:23   #19
majestic_morpheus
Super-Moderator
 
Benutzerbild von majestic_morpheus
 
Registriert seit: 09.06.2006
Ort: 85435 Erding
Alter: 50
Beiträge: 6.739
Baujahr: 1992
Kilometer: 68000
Standard

Zitat:
Zitat von gsmattis Beitrag anzeigen
Wies bei Dry Lube ist, kann ich nicht sagen, aber das Zeug ist doch nicht wirklich richtig haftend, oder?
DryLube funktioniert hervorragend, hatte ich eine Zeit lang benutzt. Man darf allerdings nicht in den Regen kommen, dann wäscht es das Trockenfett sofort ab. Inzwischen benutze ich aus diesem Grund wieder Kettenfett, werde aber auf Motoröl umsteigen und meine Altöl-Bestände nutzen.
__________________



__________________________________________________ ____

Entdrosseln - die FAQ (ins PDF schauen)

FAQ - immer einen Blick wert
majestic_morpheus ist offline   Mit Zitat antworten
Alt 27.06.2013, 14:44:51   #20
Guenni
Neuer Benutzer
 
Registriert seit: 14.06.2013
Ort: Hannover Region
Alter: 38
Beiträge: 14
Baujahr: 1994
Kilometer: 20000
Standard

Also einfach Fett drauf lassen und dann nachfetten, das ist ja noch einfacher
Guenni ist offline   Mit Zitat antworten
Antwort

Lesezeichen

Themen-Optionen

Forumregeln
Es ist dir nicht erlaubt, neue Themen zu verfassen.
Es ist dir nicht erlaubt, auf Beiträge zu antworten.
Es ist dir nicht erlaubt, Anhänge hochzuladen.
Es ist dir nicht erlaubt, deine Beiträge zu bearbeiten.

BB-Code ist an.
Smileys sind an.
[IMG] Code ist aus.
HTML-Code ist aus.

Gehe zu


Alle Zeitangaben in WEZ +1. Es ist jetzt 14:12:23 Uhr.


Powered by vBulletin® Version 3.8.9 (Deutsch)
Copyright ©2000 - 2026, vBulletin Solutions, Inc.