gs-500.de  

Zurück   gs-500.de > GS500(E/F) > Fehlerdiagnose

Hinweise

Antwort
 
Themen-Optionen
Alt 27.06.2008, 12:28:48   #1
Godfather
Neuer Benutzer
 
Registriert seit: 03.04.2007
Ort: Bremen
Beiträge: 8
Standard Im neutralen oder bei gezogener Kupplung 4000 Umdrehungen?!

Hey leute,
ich brauch mal wieder eure Hilfe.
Meine GS läuft wenn sie warm ist im Neutralen oder bei gezogener Kupplung bei 3000-4000 Umdrehungen.
Woran könnte das liegen? Choke? Was kann man da machen?

Und noch was anderes, wie stell ich meine Kupplung richtig ein?
Hab mir den Kupplungzug von Louis geholt, aber irgendwie springt die Kupplung nicht mehr ganz zurück, wenn man sie anzieht und wenn man die Stellschraube weiter rausdreht, dann kommt die Kupplung viel zu spät.
Kann mir da auch jemand helfen?

Wäre super
__________________
Beck's rulez the World!
Godfather ist offline   Mit Zitat antworten
Alt 27.06.2008, 12:38:07   #2
Tobe
Erfahrener Benutzer
 
Benutzerbild von Tobe
 
Registriert seit: 22.08.2007
Ort: thüringische Rhön
Alter: 36
Beiträge: 360
Standard Re: Im neutralen oder bei gezogener Kupplung 4000 Umdrehungen?!

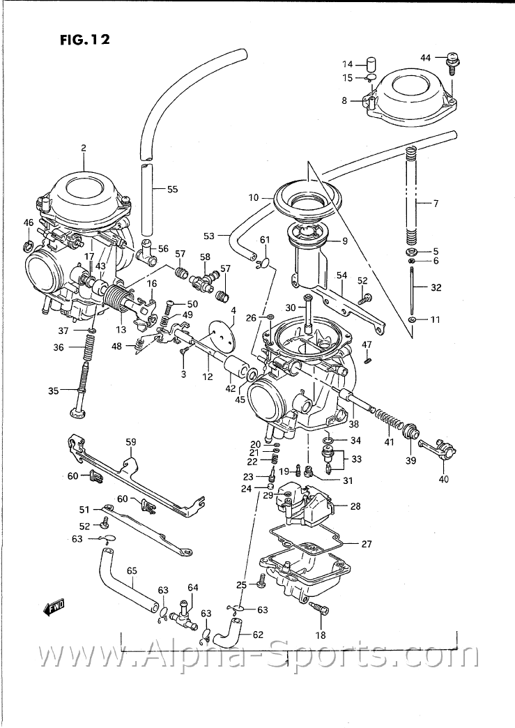
Wegen Standgas -
Wenn der Choke nicht gezogen ist, musst du die Leerlaufdrehzahl am Vergaser einstellen.
Die Drehzahlt stellst du an der langen Schraube (Nr. 35)unter dem Vergaser ein, die Leerlaufdrehzahl sollte bei etwa 1300 U/min liegen:
[attachment=0:4tynyap1]Vergaser.gif[/attachment:4tynyap1]

Bei der Einstellung der Kupplung musst du darauf achten, dass schon eine Viertelumdrehung
der Stellschraube viel ausmacht. Da ist Fingerspitzengefühl gefragt
Miniaturansicht angehängter Grafiken
Klicke auf die Grafik für eine größere Ansicht

Name:	Vergaser.gif
Hits:	715
Größe:	61,1 KB
ID:	975  
Tobe ist offline   Mit Zitat antworten
Alt 27.06.2008, 15:32:44   #3
Godfather
Neuer Benutzer
 
Registriert seit: 03.04.2007
Ort: Bremen
Beiträge: 8
Standard Re: Im neutralen oder bei gezogener Kupplung 4000 Umdrehungen?!

Hat super geklappt.

läuft wieder schön ruhig

Vielen Dank
__________________
Beck's rulez the World!
Godfather ist offline   Mit Zitat antworten
Antwort

Lesezeichen


Forumregeln
Es ist dir nicht erlaubt, neue Themen zu verfassen.
Es ist dir nicht erlaubt, auf Beiträge zu antworten.
Es ist dir nicht erlaubt, Anhänge hochzuladen.
Es ist dir nicht erlaubt, deine Beiträge zu bearbeiten.

BB-Code ist an.
Smileys sind an.
[IMG] Code ist aus.
HTML-Code ist aus.

Gehe zu

Ähnliche Themen
Thema Autor Forum Antworten Letzter Beitrag
Rad dreht sich bei 1Gang und gezogener Kupplung Streetsoldier Fehlerdiagnose 23 26.02.2010 15:15:29
Stottert bei 4000 Umdrehungen Fisherman Fehlerdiagnose 1 10.05.2009 20:56:14
Kupplung rutscht bei 4000 - 5000 rpm durch! maddash Fehlerdiagnose 25 25.08.2008 14:24:52
Motorrad rollt bei gezogener kupplung nicht :( sacchazuija Fehlerdiagnose 27 21.02.2008 15:00:36
nicht mit gezogener Kupplung halten? Bates Motor, Getriebe, Kettensatz 11 13.03.2007 21:37:25


Alle Zeitangaben in WEZ +1. Es ist jetzt 13:20:15 Uhr.


Powered by vBulletin® Version 3.8.9 (Deutsch)
Copyright ©2000 - 2026, vBulletin Solutions, Inc.