gs-500.de  

Zurück   gs-500.de > GS500(E/F) > Vergaser - Kraftstoff - Drosseln - Tuning

Hinweise

Antwort
 
Themen-Optionen
Alt 11.05.2021, 18:27:19   #1
AndiClaudi
Neuer Benutzer
 
Registriert seit: 11.05.2021
Beiträge: 6
Standard Vergaser gs 500 fu

Hallo Freunde hab ein mega problem.
Habe mir eine gs 500 fu gekauft von Bekannten
Bei der vergaser Reinigung wurde jedoch festgestellt das ein vergaser im Eimer ist.Nun zu meiner Frage mir wurde ein vergaser von einer 500 e zugeschickt kann ich den ebenfalls verwenden? Falls nicht hat noch wer so einen vielleicht über ?
AndiClaudi ist offline   Mit Zitat antworten
Alt 11.05.2021, 18:45:30   #2
snailie
Super-Moderator
 
Benutzerbild von snailie
 
Registriert seit: 05.04.2013
Ort: Wuppertal
Alter: 43
Beiträge: 3.413
Baujahr: 2004
Kilometer: 28300
Standard

Was genau bedeutet "im Eimer", was ist da genau kaputt?

Wenn du den Vergaser der E schon hast, wirst du sicherlich festgestellt haben, daß da so einiges anders ist als beim Vergaser der F, unter anderem hat die E noch nicht das PVLS oder den Drosselklappenpoti. Auch meine ich, daß zwischendurch mal die Ansaugstutzen geändert wurden, so daß bei einem einfachen Tausch des Vergasers nicht sicher ist, ob man alle Verbindungen dicht kriegt.
__________________
...still out here in the wind and rain ~ I look a little older but I feel no pain...
.::battered but proud::.
~*~
Forumstreffen 2026 - Es sind noch Plätze frei!!!
snailie ist offline   Mit Zitat antworten
Alt 11.05.2021, 19:20:22   #3
AndiClaudi
Neuer Benutzer
 
Registriert seit: 11.05.2021
Beiträge: 6
Standard

Grüße wow danke für die schnelle Antwort der e vergaser ist noch in der Post aber dann weiß ich schonmal bescheid leider ist ein neuer vergaser doch recht teuer für die gebrauchte Maschine.Was kaputt ist
Sind die Ventile und die gewinde sind komplett zerwürgt.hat hier denn jemand vielleicht noch einen vergaser als Ersatzteil ? Die Maschine sollte nie wieder fahren aber ich habe sie nicht aufgegeben jetzt ist es fast soweit das sie die Straße zurück erobern kann also falls wer wen kennt der wen kennt ect wäre echt super dankbar und mein maschinchen natürlich auch
AndiClaudi ist offline   Mit Zitat antworten
Alt 11.05.2021, 19:50:13   #4
snailie
Super-Moderator
 
Benutzerbild von snailie
 
Registriert seit: 05.04.2013
Ort: Wuppertal
Alter: 43
Beiträge: 3.413
Baujahr: 2004
Kilometer: 28300
Standard

Mein bester Rat: Schreib hier im Forum mal klassikfon an. Das ist unser Vergaserfachmann, der hat schon ganz andere totgeglaubte Vergaser wieder zum laufen bekommen - und das auch noch zu einem guten Kurs.
__________________
...still out here in the wind and rain ~ I look a little older but I feel no pain...
.::battered but proud::.
~*~
Forumstreffen 2026 - Es sind noch Plätze frei!!!
snailie ist offline   Mit Zitat antworten
Alt 11.05.2021, 20:52:38   #5
AmigaHarry
Erfahrener Benutzer
 
Benutzerbild von AmigaHarry
 
Registriert seit: 13.11.2005
Ort: Perchtoldsdorf
Alter: 64
Beiträge: 5.313
Kilometer: 1.1mio
Standard

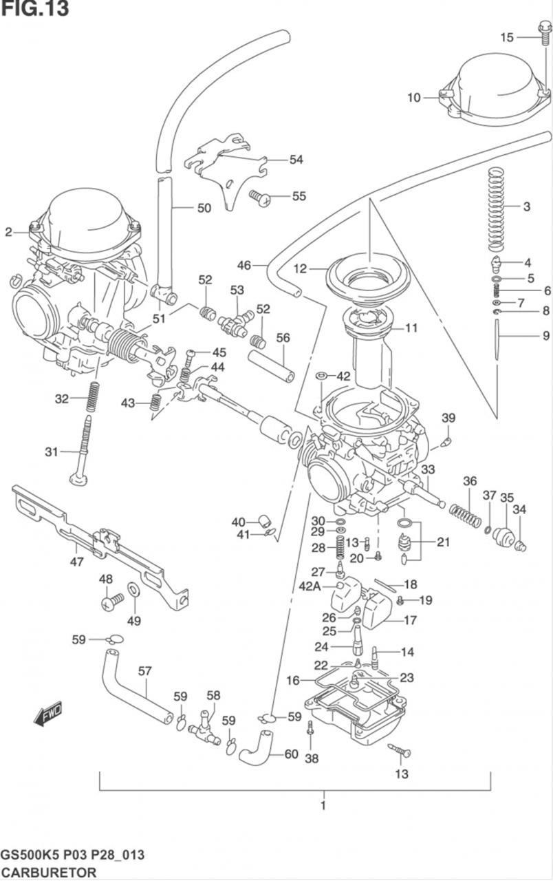
Man bekommt fast alle Teile des Vergasers auch einzeln.
Kannst du angeben, was genau defekt ist (siche Bild)?
Miniaturansicht angehängter Grafiken
Klicke auf die Grafik für eine größere Ansicht

Name:	Vergaser_gs500_0006.jpg
Hits:	1172
Größe:	96,1 KB
ID:	30365  
AmigaHarry ist offline   Mit Zitat antworten
Alt 12.05.2021, 10:34:21   #6
AndiClaudi
Neuer Benutzer
 
Registriert seit: 11.05.2021
Beiträge: 6
Standard

Der Rest der einen schraube steckt noch im vergaser
Miniaturansicht angehängter Grafiken
Klicke auf die Grafik für eine größere Ansicht

Name:	IMG-20210512-WA0011.jpg
Hits:	1173
Größe:	78,0 KB
ID:	30377   Klicke auf die Grafik für eine größere Ansicht

Name:	IMG-20210512-WA0010.jpg
Hits:	1177
Größe:	82,7 KB
ID:	30378  
AndiClaudi ist offline   Mit Zitat antworten
Alt 12.05.2021, 10:36:57   #7
snailie
Super-Moderator
 
Benutzerbild von snailie
 
Registriert seit: 05.04.2013
Ort: Wuppertal
Alter: 43
Beiträge: 3.413
Baujahr: 2004
Kilometer: 28300
Standard

Wie gesagt, ich empfehle dem Vergaser einen Besuch bei klassikfon. Wenn ich mich recht erinnere, hatte er kürzlich genau so einen Fall schon mal.
__________________
...still out here in the wind and rain ~ I look a little older but I feel no pain...
.::battered but proud::.
~*~
Forumstreffen 2026 - Es sind noch Plätze frei!!!
snailie ist offline   Mit Zitat antworten
Alt 12.05.2021, 11:05:18   #8
AmigaHarry
Erfahrener Benutzer
 
Benutzerbild von AmigaHarry
 
Registriert seit: 13.11.2005
Ort: Perchtoldsdorf
Alter: 64
Beiträge: 5.313
Kilometer: 1.1mio
Standard

Das ist kein Grund für teure, neue Vergaser - das lässt sich reparieren. Wenn du es selbst nicht kannst, bist du bei Klassikfon gut aufgehoben Der macht dir dann auch gleich das "rundum Sorglospaket".
AmigaHarry ist offline   Mit Zitat antworten
Alt 13.05.2021, 21:05:32   #9
klassikfon
Erfahrener Benutzer
 
Benutzerbild von klassikfon
 
Registriert seit: 20.08.2010
Ort: Halle (Saale)
Alter: 49
Beiträge: 1.916
Baujahr: 1992
Kilometer: 33.000
Standard

Grüße

Das Problem ist mir bekannt, mit 90%iger Wahrscheinlichkeit lässt sich das lösen. Kleines Restrisiko besteht immer, aber einen Versuch ist es mehr als wert.

Schreib einfach mal PN.

Gruß Ric
__________________
Vergaser-Ultraschallreinigung für Forenmitglieder:

www.vergaseronkel.de

Vergaser zerlegen:http://forum.gs-500.de/showthread.ph...458#post424458
klassikfon ist offline   Mit Zitat antworten
Alt 02.06.2021, 16:52:45   #10
AndiClaudi
Neuer Benutzer
 
Registriert seit: 11.05.2021
Beiträge: 6
Standard

Hallo kurze Antwort zu meinem vergaser Problem die Werkstatt die meine 500er fit machen sollte hat mir geschrieben das sie eingestehen das sie beim vergaser zerlegen eine Panne hatten und haben mir den auch ersetzt ich danke euch nochmals für die ganze angebotene Hilfe und vor allem wie schnell es ging ) hier fühlt man sich direkt wie zuhause in der Garage mit bike und Freunden eine Abschluss frage hätte ich noch ich habe absolut kein Handbuch gefunden für meine 500 fu auch im Internet nicht würde es mir aus ausdrucken als PDF hat wer ne info für mich?
AndiClaudi ist offline   Mit Zitat antworten
Alt 02.06.2021, 16:56:43   #11
snailie
Super-Moderator
 
Benutzerbild von snailie
 
Registriert seit: 05.04.2013
Ort: Wuppertal
Alter: 43
Beiträge: 3.413
Baujahr: 2004
Kilometer: 28300
Standard

Was für ein Handbuch meinst du? Die Bedienungsanleitung, ein Werkstatthandbuch, ein Schrauberhandbuch...?
__________________
...still out here in the wind and rain ~ I look a little older but I feel no pain...
.::battered but proud::.
~*~
Forumstreffen 2026 - Es sind noch Plätze frei!!!
snailie ist offline   Mit Zitat antworten
Alt 02.06.2021, 18:02:45   #12
AndiClaudi
Neuer Benutzer
 
Registriert seit: 11.05.2021
Beiträge: 6
Standard

Werkstatt/ schrauberhandbuch
AndiClaudi ist offline   Mit Zitat antworten
Alt 02.06.2021, 21:29:39   #13
AmigaHarry
Erfahrener Benutzer
 
Benutzerbild von AmigaHarry
 
Registriert seit: 13.11.2005
Ort: Perchtoldsdorf
Alter: 64
Beiträge: 5.313
Kilometer: 1.1mio
Standard

Das ist aber jetzt nicht dein ernst!!
Google liefert auf Suzuki "gs500f werkstatthandbuch download" zig links, wobei der erste schon ein Volltreffer ist.
AmigaHarry ist offline   Mit Zitat antworten
Alt 03.06.2021, 10:45:28   #14
AndiClaudi
Neuer Benutzer
 
Registriert seit: 11.05.2021
Beiträge: 6
Standard

Ja auf englisch aber mein englisch ist recht bescheiden suche daher ein link für eine Anleitung auf deutsch sry hätte ich dazu schreiben sollen
AndiClaudi ist offline   Mit Zitat antworten
Alt 03.06.2021, 20:03:43   #15
Kay73
Erfahrener Benutzer
 
Registriert seit: 18.10.2014
Ort: 18184 Roggentin (bei HRO)
Alter: 53
Beiträge: 1.564
Baujahr: 1993
Kilometer: 100Mm+
Standard

Hilfe bei bescheidenem Englisch
Kay73 ist offline   Mit Zitat antworten
Antwort

Lesezeichen


Forumregeln
Es ist dir nicht erlaubt, neue Themen zu verfassen.
Es ist dir nicht erlaubt, auf Beiträge zu antworten.
Es ist dir nicht erlaubt, Anhänge hochzuladen.
Es ist dir nicht erlaubt, deine Beiträge zu bearbeiten.

BB-Code ist an.
Smileys sind an.
[IMG] Code ist aus.
HTML-Code ist aus.

Gehe zu

Ähnliche Themen
Thema Autor Forum Antworten Letzter Beitrag
Vergaser-Hauptdüsen für Mikuni-Vergaser Suzuki GS 500 U (K4) gs500_ef Vergaser - Kraftstoff - Drosseln - Tuning 5 02.03.2013 17:53:11
Vergaser ? Vergaser - Kraftstoff - Drosseln - Tuning 2 23.09.2005 16:46:16
Vergaser?? Vergaser - Kraftstoff - Drosseln - Tuning 11 13.02.2004 11:08:30


Alle Zeitangaben in WEZ +1. Es ist jetzt 09:22:15 Uhr.


Powered by vBulletin® Version 3.8.9 (Deutsch)
Copyright ©2000 - 2026, vBulletin Solutions, Inc.