gs-500.de  

Zurück   gs-500.de > GS500(E/F) > Vergaser - Kraftstoff - Drosseln - Tuning

Hinweise

Antwort
 
Themen-Optionen
Alt 06.09.2008, 18:59:17   #1
joogl
Erfahrener Benutzer
 
Registriert seit: 11.08.2008
Beiträge: 102
Standard Welcher Wert beim Vergaser Synchronisieren?

Servus

I werd mir in naher Zukunft mit par Kumpls eine Synchronisationsuhr kaufen.
Ich hab zwar schon gesucht im Forum aber da find ich eigtl. nur Anleitungen...

aber wie viel Bar sollen denn die Uhren anzeigen??
Ist da jeder Vergaser unterschiedlich??

gruß
joogl ist offline   Mit Zitat antworten
Alt 06.09.2008, 19:21:57   #2
Rocky
Erfahrener Benutzer
 
Benutzerbild von Rocky
 
Registriert seit: 11.01.2008
Ort: Baden
Alter: 57
Beiträge: 3.866
Standard Re: Welcher Wert beim Vergaser Synchronisieren?

Beim synchronisieren geht es darum beide Vergaser in Übereinstimmung zu bringen

Die gemessene Wert ist dabei ziemlich unwichtig er sollte nur auf beiden Uhren identisch (gleich) sein .

...synchron eben .
__________________
` `

Rocky ist offline   Mit Zitat antworten
Alt 06.09.2008, 19:23:21   #3
joogl
Erfahrener Benutzer
 
Registriert seit: 11.08.2008
Beiträge: 102
Standard Re: Welcher Wert beim Vergaser Synchronisieren?

aber es muss doch einen unterschied geben zwischen -0,2 und -0,6 beispielsweise... oder nicht?
joogl ist offline   Mit Zitat antworten
Alt 06.09.2008, 19:23:21   #4
joogl
Erfahrener Benutzer
 
Registriert seit: 11.08.2008
Beiträge: 102
Standard Re: Welcher Wert beim Vergaser Synchronisieren?

aber es muss doch einen unterschied geben zwischen -0,2 und -0,6 beispielsweise... oder nicht?
joogl ist offline   Mit Zitat antworten
Alt 07.09.2008, 00:59:39   #5
Benni
Gast
 
Beiträge: n/a
Standard Re: Welcher Wert beim Vergaser Synchronisieren?

Ich wette mit dir, dass du auch eine andere Schuhgröße hast als ich... wichtig ist nur, dass deine Schuhe beide gleich groß sind.

Die Werte varrieren nunmal von Maschine zu Maschine.
  Mit Zitat antworten
Alt 07.09.2008, 10:14:19   #6
Saugwurmmensch
Public-Relations-Manager
 
Benutzerbild von Saugwurmmensch
 
Registriert seit: 19.07.2004
Ort: Strausberg
Alter: 42
Beiträge: 24.180
Baujahr: 1998
Kilometer: 22000
Standard Re: Welcher Wert beim Vergaser Synchronisieren?

Die Werte sind (entgegen der Schuhgrößenhypothese ) Drehzahlabhängig!

Je höher der Motor dreht, desto größer ist der Unterdruck (logisch, denn es muss ja auch mehr Gemisch angesaugt werden).

Zum Synchronisieren muss der Motor betriebswarm sein und das Standgas erhöht werden.
Ein synchroner Zeigerausschlag zeigt, dass die Vergaser auch synchron arbeiten.
Nach dem Schrauben an der entsprechenden Synchronisationsschraube immer mal wieder kurze Gasstöße geben. Die Uhren sollten nicht zu arg zittern (sonst kann man nix ablesen) aber auch nicht zu dicht gemacht sein.
Am Ende dann die Leerlaufdrehzahl wieder auf den Normalwert zurückdrehen.
__________________
Wer hat noch keinen Organspendeausweis ?

Warning: may contain Verballhornung.
Suzuki - ride the wings of stain !
Saugwurmmensch ist offline   Mit Zitat antworten
Alt 07.09.2008, 11:29:18   #7
verbali
Erfahrener Benutzer
 
Benutzerbild von verbali
 
Registriert seit: 11.06.2008
Ort: Berlin
Alter: 53
Beiträge: 4.218
Baujahr: 1990
Kilometer: 106000
Standard Re: Welcher Wert beim Vergaser Synchronisieren?

Zitat:
Zitat von joogl
aber es muss doch einen unterschied geben zwischen -0,2 und -0,6 beispielsweise... oder nicht?

Ja , -0,4
__________________
Sollte sich jemanden an meinen Posts stören, beziehe ich mich in jedem Fall auf §20 STGB
verbali ist gerade online   Mit Zitat antworten
Alt 07.09.2008, 15:18:07   #8
joogl
Erfahrener Benutzer
 
Registriert seit: 11.08.2008
Beiträge: 102
Standard Re: Welcher Wert beim Vergaser Synchronisieren?

Zitat:
Zitat von Saugwurmmensch
Die Werte sind (entgegen der Schuhgrößenhypothese ) Drehzahlabhängig!

Je höher der Motor dreht, desto größer ist der Unterdruck (logisch, denn es muss ja auch mehr Gemisch angesaugt werden).
ok, aber wenn man den Unterdruck beispielsweise zu hoch einstellt saugt er auch schon bei niedriger Drehzahl viel Gemisch.
Ist dass dann nicht gut/schlecht?
joogl ist offline   Mit Zitat antworten
Alt 07.09.2008, 15:33:05   #9
Rocky
Erfahrener Benutzer
 
Benutzerbild von Rocky
 
Registriert seit: 11.01.2008
Ort: Baden
Alter: 57
Beiträge: 3.866
Standard Re: Welcher Wert beim Vergaser Synchronisieren?

Zitat:
Zitat von verbali
Zitat:
Zitat von joogl
aber es muss doch einen unterschied geben zwischen -0,2 und -0,6 beispielsweise... oder nicht?

Ja , -0,4
Falsch !

Der Unterschied ist nicht -0,4 sondern 0,4 (:klugscheiß

und @ joogl

..du kannst den Unterdruck an der Synchronschraube der Drosselklappenbetätigung nicht einstellen sondern nur die Unterschiede zwischen beiden Vergasern ausgleichen

Wie SWM schon gesagt hat entsteht der Unterdruck beim Ansaugen des Luft/Benzin Gemischs durch den Motor
und mittels Betätigung der Drosselklappen über den Gasgriff gibst du dem Drängen der Brennräume nach Beatmung mehr oder weniger nach und beeinflußt dadurch die Drehzahl und somit auch den Unterdruck

Comprendes ?

Wenn du es ausprobierst wirst du es sicher verstehen .
__________________
` `

Rocky ist offline   Mit Zitat antworten
Alt 07.09.2008, 17:31:49   #10
joogl
Erfahrener Benutzer
 
Registriert seit: 11.08.2008
Beiträge: 102
Standard Re: Welcher Wert beim Vergaser Synchronisieren?

ahh...solangsam glaub ich vesteh ich

Zitat:
Zitat von Rocky
und mittels Betätigung der Drosselklappen über den Gasgriff gibst du dem Drängen der Brennräume nach Beatmung mehr oder weniger nach und beeinflußt dadurch die Drehzahl und somit auch den Unterdruck
ums zu wiederholen:

je mehr Gas ich gebe, desto mehr werden die Drosselklappen geöffnet
=>
der "Tunnel" ist geöffnet und somit ist da der Unterdruck, dass das Gemisch angesaugt wird.

je nachdem wie viel Gas ich gebe werden die Drosselklappen nur teils geöffnet und somit wird Drehzahl usw beeinflusst.

oder??
joogl ist offline   Mit Zitat antworten
Alt 07.09.2008, 17:44:05   #11
Rocky
Erfahrener Benutzer
 
Benutzerbild von Rocky
 
Registriert seit: 11.01.2008
Ort: Baden
Alter: 57
Beiträge: 3.866
Standard Re: Welcher Wert beim Vergaser Synchronisieren?

Bingo !

Das Synchronisieren dient nur dazu die Stellungen der Drosselklappen zueinander zu optimieren , sodaß beide Zylinder gleichmäßig stark beatmet werden können .

Die Unterdruckmessung fungiert dabei lediglich als Hilfe um selbst minimalste Differenzen feststellen und ausgleichen zu können
__________________
` `

Rocky ist offline   Mit Zitat antworten
Alt 08.09.2008, 11:48:29   #12
joogl
Erfahrener Benutzer
 
Registriert seit: 11.08.2008
Beiträge: 102
Standard Re: Welcher Wert beim Vergaser Synchronisieren?

perfekt...danke dir!!

wird denn dadurch auch Sprit eingespart?
joogl ist offline   Mit Zitat antworten
Alt 08.09.2008, 11:49:10   #13
Benni
Gast
 
Beiträge: n/a
Standard Re: Welcher Wert beim Vergaser Synchronisieren?

Geringfügig, ja
  Mit Zitat antworten
Alt 08.09.2008, 20:55:46   #14
joogl
Erfahrener Benutzer
 
Registriert seit: 11.08.2008
Beiträge: 102
Standard Re: Welcher Wert beim Vergaser Synchronisieren?

aber trotzdem bin ich irgendwie interessiert..

welche Werte erhaltet ihr so bei der Messung??
joogl ist offline   Mit Zitat antworten
Alt 09.09.2008, 10:24:48   #15
mazdamax
Erfahrener Benutzer
 
Benutzerbild von mazdamax
 
Registriert seit: 22.04.2008
Ort: Enzersfeld bei Wien
Alter: 43
Beiträge: 348
Standard Re: Welcher Wert beim Vergaser Synchronisieren?

warte mal ... bei meinem Manometer sind 0,2 und 0,4 angezeigt ... d.h. ich hatte beim sychroniesieren ...... 0,12bar Unterdruck !

Ein Kumpel von mir, war kürzlich mit seiner CB 500 bei mir, er hatte 0,1bar auf beiden !

Drehzahl -> ca. 1700 Undrehungen bei der Einstellung
__________________
http://www.mazdascene.at
mazdamax ist offline   Mit Zitat antworten
Alt 11.09.2008, 09:35:15   #16
joogl
Erfahrener Benutzer
 
Registriert seit: 11.08.2008
Beiträge: 102
Standard Re: Welcher Wert beim Vergaser Synchronisieren?

was haben andere Leute so?

Vor allem Baujahr 92 wäre super interessant. Alles andere aber auch.
joogl ist offline   Mit Zitat antworten
Alt 11.09.2008, 11:16:09   #17
Rocky
Erfahrener Benutzer
 
Benutzerbild von Rocky
 
Registriert seit: 11.01.2008
Ort: Baden
Alter: 57
Beiträge: 3.866
Standard Re: Welcher Wert beim Vergaser Synchronisieren?

...bei mir war der Wert im erhöhten Standgas bei .-0.13

Beim hochdrehen des Motors gingen die Uhren auch mal über -0.3

...wichtig ist aber wirklich nur , daß sich die Nadeln beider Uhren vollkommen synchron bewegen
__________________
` `

Rocky ist offline   Mit Zitat antworten
Alt 11.09.2008, 12:42:22   #18
mazdamax
Erfahrener Benutzer
 
Benutzerbild von mazdamax
 
Registriert seit: 22.04.2008
Ort: Enzersfeld bei Wien
Alter: 43
Beiträge: 348
Standard Re: Welcher Wert beim Vergaser Synchronisieren?

Ich schätze malm, dass sich alle so zwischen 0,1 und 0,15Bar Unterdruck befinden werden.

schließlich geht es hier ja auch um den Hubraum ....

egal welches Baujahr !
__________________
http://www.mazdascene.at
mazdamax ist offline   Mit Zitat antworten
Alt 11.09.2008, 13:50:24   #19
Simon
Erfahrener Benutzer
 
Registriert seit: 16.08.2006
Ort: W`TAL
Beiträge: 179
Standard Re: Welcher Wert beim Vergaser Synchronisieren?

bei mir sind es -0,2B.
Simon ist offline   Mit Zitat antworten
Alt 17.09.2008, 09:46:00   #20
Saugwurmmensch
Public-Relations-Manager
 
Benutzerbild von Saugwurmmensch
 
Registriert seit: 19.07.2004
Ort: Strausberg
Alter: 42
Beiträge: 24.180
Baujahr: 1998
Kilometer: 22000
Standard Re: Welcher Wert beim Vergaser Synchronisieren?

Der absolutwert ist wie oben bereits geschreiben absolut schnurzwurz!
Wenn der Motor so hinüber ist, dass nichtmehr genug Unterdruck am Vergaser ankommt, dann ist der unsynchrone Vergaser das kleinste Problem
__________________
Wer hat noch keinen Organspendeausweis ?

Warning: may contain Verballhornung.
Suzuki - ride the wings of stain !
Saugwurmmensch ist offline   Mit Zitat antworten
Alt 23.09.2009, 17:32:03   #21
Sgt.Maulwurf
Erfahrener Benutzer
 
Benutzerbild von Sgt.Maulwurf
 
Registriert seit: 19.09.2008
Ort: Dahlem
Alter: 35
Beiträge: 715
Baujahr: 1991
Kilometer: 47000
Standard

moin, ich will mich auch mal ranwagen. uhren hab ich schon. welches ist denn diese besagte schraube zum einstellen?

wie mach ich das am besten mit dem tank?-der motor muss ja schließlich dabei laufen. ich hatte mir überlegt, dass ich da irgendwas unterklemm, sodass der ein stück weit hochkommt und ich nen langen spritschlauch nehm.

danke schonmal
Miniaturansicht angehängter Grafiken
Klicke auf die Grafik für eine größere Ansicht

Name:	06.gif
Hits:	5641
Größe:	61,1 KB
ID:	5823  
__________________
Gruß Sgt.Maulwurf

If you're not part of the solutuion, you're part of the problem.
Sgt.Maulwurf ist offline   Mit Zitat antworten
Alt 23.09.2009, 18:55:36   #22
Saugwurmmensch
Public-Relations-Manager
 
Benutzerbild von Saugwurmmensch
 
Registriert seit: 19.07.2004
Ort: Strausberg
Alter: 42
Beiträge: 24.180
Baujahr: 1998
Kilometer: 22000
Standard

Benzinhahn unterm Tank schließen, Benzinschläuche an diesem Benzinhahn abziehen, Tank abnehmen, ON-Schlauch verschließen (ich steck da immer die 1/4" Verlängerung ausm Ratschenkasten rein) und nen kleinen Trichter in den Reserve-Schlauch stecken.
Ganz so durstig ist die GS ja nicht. Da kann man ab und zu nen kleinen Schluck nachkippen.

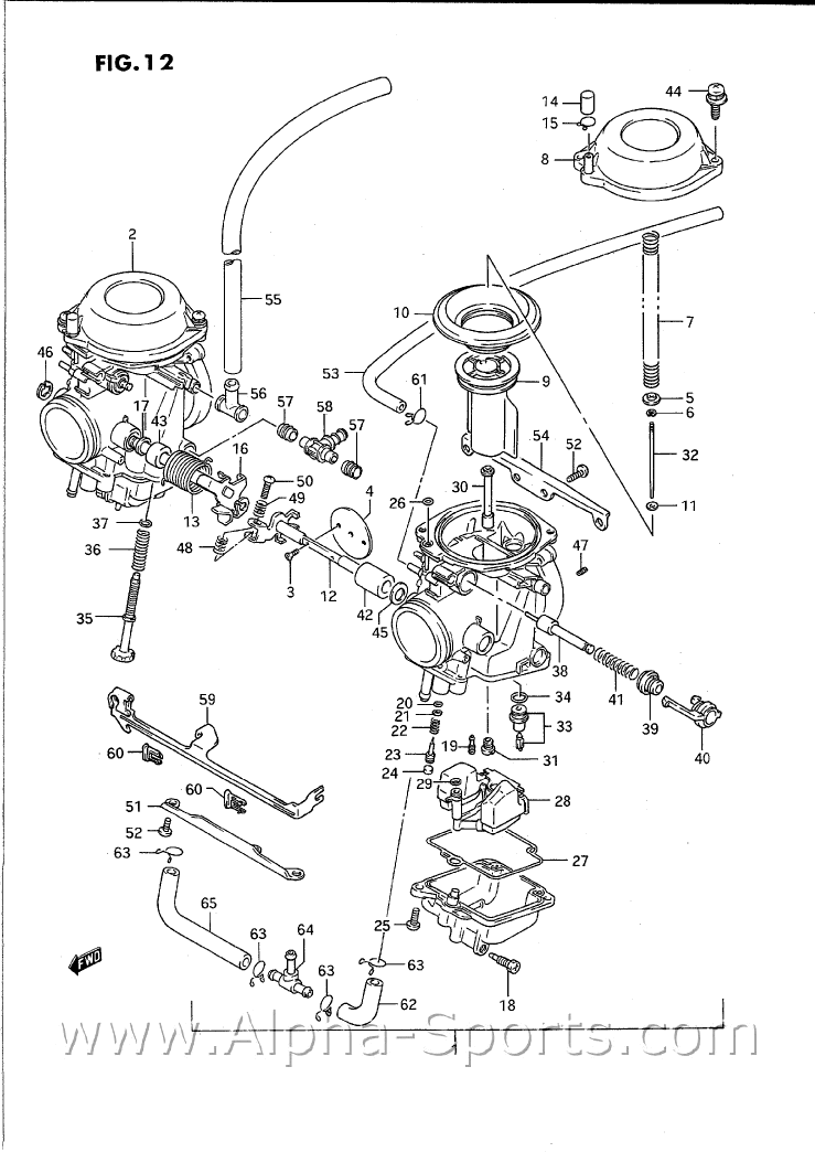
#50 ist die Abgleichschraube.
__________________
Wer hat noch keinen Organspendeausweis ?

Warning: may contain Verballhornung.
Suzuki - ride the wings of stain !
Saugwurmmensch ist offline   Mit Zitat antworten
Alt 23.09.2009, 18:59:36   #23
Sgt.Maulwurf
Erfahrener Benutzer
 
Benutzerbild von Sgt.Maulwurf
 
Registriert seit: 19.09.2008
Ort: Dahlem
Alter: 35
Beiträge: 715
Baujahr: 1991
Kilometer: 47000
Standard

Zitat:
Zitat von Saugwurmmensch Beitrag anzeigen
Benzinhahn unterm Tank schließen, Benzinschläuche an diesem Benzinhahn abziehen, Tank abnehmen, ON-Schlauch verschließen (ich steck da immer die 1/4" Verlängerung ausm Ratschenkasten rein) und nen kleinen Trichter in den Reserve-Schlauch stecken.
Ganz so durstig ist die GS ja nicht. Da kann man ab und zu nen kleinen Schluck nachkippen.

#50 ist die Abgleichschraube.
das klingt ja einfach. ich hatte gedacht, da ist für jeden vergaser eine schraube, naja egal. wie hoch muss das standgas ugf sein?
und der nupsi für die schläuche ist dann die nummer 8 richtig?
__________________
Gruß Sgt.Maulwurf

If you're not part of the solutuion, you're part of the problem.

Geändert von Sgt.Maulwurf (23.09.2009 um 19:03:23 Uhr)
Sgt.Maulwurf ist offline   Mit Zitat antworten
Alt 23.09.2009, 19:15:22   #24
Saugwurmmensch
Public-Relations-Manager
 
Benutzerbild von Saugwurmmensch
 
Registriert seit: 19.07.2004
Ort: Strausberg
Alter: 42
Beiträge: 24.180
Baujahr: 1998
Kilometer: 22000
Standard

Lies doch einfach im Reparaturbuch nach (ich kenne keins, in dem das nicht stehen würde!)...
Das Kapitel schimpft sich zB "Vergaser-Abgleich" und ist meist weit vorn im Buch bei den Wartungsarbeiten (und nicht erst hinten beim Vergaserkram).
__________________
Wer hat noch keinen Organspendeausweis ?

Warning: may contain Verballhornung.
Suzuki - ride the wings of stain !
Saugwurmmensch ist offline   Mit Zitat antworten
Alt 24.09.2009, 14:08:37   #25
Sgt.Maulwurf
Erfahrener Benutzer
 
Benutzerbild von Sgt.Maulwurf
 
Registriert seit: 19.09.2008
Ort: Dahlem
Alter: 35
Beiträge: 715
Baujahr: 1991
Kilometer: 47000
Standard

Zitat:
Zitat von Saugwurmmensch Beitrag anzeigen
Lies doch einfach im Reparaturbuch nach (ich kenne keins, in dem das nicht stehen würde!)...
Das Kapitel schimpft sich zB "Vergaser-Abgleich" und ist meist weit vorn im Buch bei den Wartungsarbeiten (und nicht erst hinten beim Vergaserkram).
also ich habe das hier:
http://www.amazon.de/Suzuki-GS-500-B...3797649&sr=8-1
und ich bin der meinung da steht das nicht drin.
__________________
Gruß Sgt.Maulwurf

If you're not part of the solutuion, you're part of the problem.
Sgt.Maulwurf ist offline   Mit Zitat antworten
Alt 24.09.2009, 15:06:42   #26
Saugwurmmensch
Public-Relations-Manager
 
Benutzerbild von Saugwurmmensch
 
Registriert seit: 19.07.2004
Ort: Strausberg
Alter: 42
Beiträge: 24.180
Baujahr: 1998
Kilometer: 22000
Standard

Na dann schau mal auf Seite 15...
__________________
Wer hat noch keinen Organspendeausweis ?

Warning: may contain Verballhornung.
Suzuki - ride the wings of stain !
Saugwurmmensch ist offline   Mit Zitat antworten
Alt 24.09.2009, 15:07:02   #27
Jais
Erfahrener Benutzer
 
Benutzerbild von Jais
 
Registriert seit: 20.08.2007
Ort: HRO
Alter: 37
Beiträge: 3.244
Baujahr: 2001
Kilometer: 25000
Standard

Seite 15 ausgerissen?
__________________
Gruß, Jais

スズキ

In reality, we are still children. We want to find a playmate for our thoughts and feelings
Jais ist offline   Mit Zitat antworten
Alt 24.09.2009, 15:30:12   #28
Saugwurmmensch
Public-Relations-Manager
 
Benutzerbild von Saugwurmmensch
 
Registriert seit: 19.07.2004
Ort: Strausberg
Alter: 42
Beiträge: 24.180
Baujahr: 1998
Kilometer: 22000
Standard

Das wäre unpraktisch, da die wichtigen Infos auf Seite 16 stehen.
__________________
Wer hat noch keinen Organspendeausweis ?

Warning: may contain Verballhornung.
Suzuki - ride the wings of stain !
Saugwurmmensch ist offline   Mit Zitat antworten
Alt 24.09.2009, 19:27:27   #29
krafti
Erfahrener Benutzer
 
Benutzerbild von krafti
 
Registriert seit: 03.11.2005
Ort: Warsleben
Alter: 68
Beiträge: 2.335
Baujahr: 1999
Kilometer: 111000
Standard

Bevor man die Vergaser synchronisiert..
(Ist bei der GS eher selten erforderlich)

sollte man das Ventilspiel überprüfen.

Die Synchro der Vergaser untereinander verändert sich nicht wirklich eigenständig.
Wie denn auch ?

Es sei denn, ich habe die Vergaser getrennt. Macht das jemand ?
__________________
Gruß Krafti
----------
krafti ist offline   Mit Zitat antworten
Alt 24.09.2009, 19:54:17   #30
Saugwurmmensch
Public-Relations-Manager
 
Benutzerbild von Saugwurmmensch
 
Registriert seit: 19.07.2004
Ort: Strausberg
Alter: 42
Beiträge: 24.180
Baujahr: 1998
Kilometer: 22000
Standard

Da sich aber das Ventilspiel ändert, ändert sich auch die funktionelle Synchronität.

Ich gehe mal davon aus, dass das Ventilspiel eingestellt wurde oder die Kiste untenrum unrund läuft, weil irgendwer mal aufs synchen verzichtet hat.
__________________
Wer hat noch keinen Organspendeausweis ?

Warning: may contain Verballhornung.
Suzuki - ride the wings of stain !
Saugwurmmensch ist offline   Mit Zitat antworten
Alt 24.09.2009, 20:37:16   #31
Rocky
Erfahrener Benutzer
 
Benutzerbild von Rocky
 
Registriert seit: 11.01.2008
Ort: Baden
Alter: 57
Beiträge: 3.866
Standard

die "funktionelle Synchronität" - hehe , geil

das Ventil-Spiel sollte immer im grünen Bereich sein , das ist primär das wichtigste ( weil auch für die Lebensdauer der Motors nicht unerheblich )

das sync`n der Drosselklappen dagegen , könnte man bei lediglich zwei Vergasern zur Not auch ohne Uhren hinbekommen
- vorrausgestzt natürlich man hat zwei gleichgute Augen und das nötige Gespür ( bei vier Vergasern geht das schon nicht mehr so leicht )


einmal ordentlich eingestellt reicht - wenn man das Drosselklappengestänge nicht demontiert - wobei man allerdings nicht unbedingt davon ausgehen kann , daß das ab Werk schon der Fall ist ( die benutzen vermutlich die Methode "mit den Augen" )

Nachkontrollieren darf man natürlich immer gerne , aber wenn es hierbei zu größeren Auffälligkeiten kommt ist vermutlich eher was anderes im Argen als die Stellung der Klappen zueinander

man sollte sich aber nicht einbilden Unterschiede zwischen den Zylindern mittels der Drosselklappe ausgleichen zu können , darum geht es beim Synchronisieren nämlich nicht
Rocky ist offline   Mit Zitat antworten
Alt 24.09.2009, 21:00:43   #32
Saugwurmmensch
Public-Relations-Manager
 
Benutzerbild von Saugwurmmensch
 
Registriert seit: 19.07.2004
Ort: Strausberg
Alter: 42
Beiträge: 24.180
Baujahr: 1998
Kilometer: 22000
Standard

Das versteh ich nicht...

Wie willst du das optisch machen?
Ich schreib ja nicht umsonst "funktionelle Synchronität". Wenn die Vergaser vollständig synchron zueinander eingestellt werden (ausgebaut, quasi statisch), heißt das ja noch lange nicht, dass ihre Funktion (auf die es ja ankommt) auch synchron bezüglich der Motordiskrepanzen ist.

Aber interessieren würde es mich trotzdem!
Hab da ja grad nen schwierigen Fall an den Hacken (hätt ich das gewusst, hätt ich die Kiste nicht im Bekanntenkreis sondern an irgendwen wildfremden vertickt ).

btw: ich hab vor ner Weile gelesen, dass du beim synchen das Leerlaufgemisch einstellst.
Da wüsst ich gern die Tricks für die Feinjustage!
__________________
Wer hat noch keinen Organspendeausweis ?

Warning: may contain Verballhornung.
Suzuki - ride the wings of stain !
Saugwurmmensch ist offline   Mit Zitat antworten
Alt 24.09.2009, 21:30:34   #33
Rocky
Erfahrener Benutzer
 
Benutzerbild von Rocky
 
Registriert seit: 11.01.2008
Ort: Baden
Alter: 57
Beiträge: 3.866
Standard

mit den Uhren machst du eigentlich genau das gleiche im eingebauten Zustand , was du im ausgebauten auch mit Augenmaß erreichen kannst

natürlich ist der Vergleich des Unterdrucks viel genauer und deckt auch feinste Unterschiede auf , während bei der "per Augenmaß-Methode" z.B. Fertigungstoleranzen der Vergaser untereinander unberücksichtigt bleiben
(aber bei Großserienprodukten sind diese meist sehr gering bis nicht vorhanden )

beide Vergaser sollen gleich viel Atemluft zur selben Zeit zur Verfügung stellen , also geht es vereinfacht gesagt nur um die gleichgroße Öffnung der Klappe

und das allerwichtigste ist vor allem daß sich beide Klappen zeitgleich zu öffnen beginnen

Unterschiede zwischen den Zylindern (z.B. in der Kompression) kann man mit einer synchro nicht ausgleichen , falsches Ventilspiel auch nicht



du meinst die Leerlaufgemisch Einstellung ?

- sollte man dann als letztes vornehmen
erst Ventile , dann Drosselklappen (falls verstellt) dann Leerlaufgemisch

nach Veränderungen an Nadelclip oder Düsen natürlich wiederholen

das wichtigste hierbei - der Motor muß richtig heiß sein - der beste tip den ich dir dafür geben kann - verbrenn dich nicht beim etwas fummeligen Verdrehen der Schrauben

Geändert von Rocky (24.09.2009 um 21:38:58 Uhr)
Rocky ist offline   Mit Zitat antworten
Alt 24.09.2009, 21:36:57   #34
Sgt.Maulwurf
Erfahrener Benutzer
 
Benutzerbild von Sgt.Maulwurf
 
Registriert seit: 19.09.2008
Ort: Dahlem
Alter: 35
Beiträge: 715
Baujahr: 1991
Kilometer: 47000
Standard

ich hab das vorhin mal gemacht, stehen jetz bei auf dem selben wert. viel am fahrverhalten hat sich leider nicht geändert. ich denk mal die ventile kommen als nächstes dran.
__________________
Gruß Sgt.Maulwurf

If you're not part of the solutuion, you're part of the problem.
Sgt.Maulwurf ist offline   Mit Zitat antworten
Alt 24.09.2009, 21:40:04   #35
Saugwurmmensch
Public-Relations-Manager
 
Benutzerbild von Saugwurmmensch
 
Registriert seit: 19.07.2004
Ort: Strausberg
Alter: 42
Beiträge: 24.180
Baujahr: 1998
Kilometer: 22000
Standard

Neeee, so ist das nicht gedacht.
Komplett optisch synchrone Vergaser müssen eben nicht synchron funktionieren.
Deren Funktion hängt ja maßgeblich vom anliegenden Unterdruck ab. Und der ist gerade untenrum vom Motorinneren abhängig.
Da kann das Ventilspiel noch so gut eingestellt sein, 100% gleich sind die "Lastwechsel" zwischen den beiden Zylindern nie.
Das fällt allerdings wirklich nur im sensiblen unteren Drehzahlbereich auf.

optisch synchronisieren ist ein guter Anhaltspunkt, aber eben nie perfekt.
Wäre aber mal interessant zu sehen, wie sehr sich die Unterschiede der Zylinder auswirken.


Bleibt aber immernoch die Frage nach deiner Leerlaufgemischeinstellung.
Woran erkennst du, dass die zB 1/8 Umdrehung mehr oder weniger besser oder schlechter ist?
__________________
Wer hat noch keinen Organspendeausweis ?

Warning: may contain Verballhornung.
Suzuki - ride the wings of stain !
Saugwurmmensch ist offline   Mit Zitat antworten
Alt 24.09.2009, 21:49:50   #36
stwsw
Benutzer
 
Benutzerbild von stwsw
 
Registriert seit: 19.08.2009
Ort: 02943 Weißwasser
Beiträge: 43
Baujahr: 1992
Kilometer: 23500
Standard

Zitat:
Zitat von verbali Beitrag anzeigen
Ja , -0,4
ich und bestimmt noch viele andere in diesem Forum sind erstaunt über deine Weisheit und deinem unverwechselbaren Fachwissen.
stwsw ist offline   Mit Zitat antworten
Alt 24.09.2009, 21:55:46   #37
Rocky
Erfahrener Benutzer
 
Benutzerbild von Rocky
 
Registriert seit: 11.01.2008
Ort: Baden
Alter: 57
Beiträge: 3.866
Standard

Zitat:
Anleitung zur Einstellung des Leerlaufgemischs nach Gehör
_________________________________________________

Schritt 1: Gemisch-Grundeinstellung ermitteln

Drehe die Leerlaufgemischschrauben ganz rein (niemals fest anziehen) und notiere Dir, wieviele Umdrehungen es waren.
Nun drehst du sie wieder auf die ursprüngliche Einstellung zurück.
Jetzt hast du die Grundeinstellung ermittelt , die du somit im Falle eines Falles jederzeit wieder herstellen kannst

Schritt 2: Motor warm fahren

Als Nächstes wird der Motor warm gefahren und anschließend der Leerlauf an der zentralen Leerlauf-Regulierschraube auf etwa ±1400U/min eingestellt.


Schritt 3: einstellen

Drehe hierzu eine der zwei Gemischschrauben langsam erst einmal ¼-½ Umdrehung hinein. Wird der Leerlauf schneller oder langsamer ?

Falls sich der Leerlauf erhöht , drehe die Schraube soweit weiter in dieselbe Richtung bis das Drehzahlmaximum erreicht ist

Im gegenteiligen Fall drehe entsprechend in die andere Richtung

Man sucht mit dieser Methode, also die optimale Stellung, bei der der Motor am besten (schnellsten) dreht.

Es gibt hierbei übrigens nicht eine "Spitze" ,sondern ein "Plateau" also einen Bereich von ca ±¼-½ Umdrehungen in der sich die Motordrehzahl nicht verändert

sobald du beim ersten Vergaser die optimale Einstellung gefunden hast reguliere die Leerlaufdrehzahl wieder herunter und stelle den zweiten Vergaser ein

abschließend den Leerlauf wieder auf ca ±1400 einrichten
..das war dies hier

auf ne 1/8 Umdrehung mehr oder weniger kann man das nach der Methode nicht 100% festmachen

der Bereich in dem der Motor gleichmässig gut dreht ist mindestens ne ½ Umdrehung breit ( eher nen tick mehr)

ich hab versucht in dem Bereich in etwa die Mitte zu treffen

mit moderner Meßtechnik liese sich sicher genauer arbeiten , aber für die Abstimmung auf den Duplex-Filter reichts

sehr hilfreich war aber auch die Tabelle auf GS-Twin Com bezüglich der zu verwendenden Hauptdüsen

so hat mich die Umbedüsung nur 5€ gekostet (+Versand )
Rocky ist offline   Mit Zitat antworten
Alt 24.09.2009, 22:05:46   #38
Saugwurmmensch
Public-Relations-Manager
 
Benutzerbild von Saugwurmmensch
 
Registriert seit: 19.07.2004
Ort: Strausberg
Alter: 42
Beiträge: 24.180
Baujahr: 1998
Kilometer: 22000
Standard

Ah, OK.
Danke!
__________________
Wer hat noch keinen Organspendeausweis ?

Warning: may contain Verballhornung.
Suzuki - ride the wings of stain !
Saugwurmmensch ist offline   Mit Zitat antworten
Alt 28.09.2009, 06:54:21   #39
poki
Benutzer
 
Registriert seit: 22.06.2009
Ort: Dortmund
Alter: 38
Beiträge: 30
Baujahr: 1995
Kilometer: 33500
Standard

Ich hab mal noch ne andere Frage zum Synchronisieren.
Hätte jetzt so ne feine Messuhr geliehenerweise zu Hause liegen.

Die Frage die sich mir jetzt aufdrängt:
Am linken Vergaser (in Fahrtrichtung) ist ja der Unterdruckschlauch vom Benzinhahn her angeschlossen. Muss die synchronisation nun mit angeschlossenem oder abgeklemmten Unterdruckschlauch erfolgen?

Mit Unterdruclschlauch müsste ja eigentlich mehr Sinn machen...weil der Unterdruck im Vergaser dann ja wie im "normalen" Betrieb ist.

Hab aber auch schonmal gehört man sollte ihn abklemmen. Was denn nun?

Geändert von poki (28.09.2009 um 07:05:52 Uhr)
poki ist offline   Mit Zitat antworten
Alt 28.09.2009, 08:09:35   #40
berndy
Super-Moderator
 
Benutzerbild von berndy
 
Registriert seit: 16.08.2006
Ort: Schifferstadt/Pfalz
Alter: 63
Beiträge: 10.720
Baujahr: 1995
Kilometer: 66666
Standard

Man sollte die Vergaser so synchronisieren, wie sie im Normalbetrieb laufen, also mit angeschlossenem Unterdruckschlauch, sonst verfälscht man ja alles.
berndy ist offline   Mit Zitat antworten
Alt 28.09.2009, 08:19:56   #41
poki
Benutzer
 
Registriert seit: 22.06.2009
Ort: Dortmund
Alter: 38
Beiträge: 30
Baujahr: 1995
Kilometer: 33500
Standard

Das dachte ich mir schon fast! Vielen Dank!
poki ist offline   Mit Zitat antworten
Antwort

Lesezeichen


Forumregeln
Es ist dir nicht erlaubt, neue Themen zu verfassen.
Es ist dir nicht erlaubt, auf Beiträge zu antworten.
Es ist dir nicht erlaubt, Anhänge hochzuladen.
Es ist dir nicht erlaubt, deine Beiträge zu bearbeiten.

BB-Code ist an.
Smileys sind an.
[IMG] Code ist aus.
HTML-Code ist aus.

Gehe zu

Ähnliche Themen
Thema Autor Forum Antworten Letzter Beitrag
Vergaser Synchronisieren Sgt.Maulwurf Allgemeines 12 24.09.2009 22:41:35
Vergaser synchronisieren? Alcapone1789 Motor, Getriebe, Kettensatz 4 30.06.2008 07:40:55
Vergaser Synchronisieren Vergaser - Kraftstoff - Drosseln - Tuning 8 02.10.2007 21:57:45
Vergaser synchronisieren Vergaser - Kraftstoff - Drosseln - Tuning 6 13.04.2003 00:54:09
Vergaser synchronisieren Vergaser - Kraftstoff - Drosseln - Tuning 7 22.02.2003 20:03:59


Alle Zeitangaben in WEZ +1. Es ist jetzt 10:15:18 Uhr.


Powered by vBulletin® Version 3.8.9 (Deutsch)
Copyright ©2000 - 2026, vBulletin Solutions, Inc.