gs-500.de  

Zurück   gs-500.de > GS500(E/F) > Vergaser - Kraftstoff - Drosseln - Tuning

Hinweise

Antwort
 
Themen-Optionen
Alt 02.04.2015, 22:42:45   #1
eatthefish
Erfahrener Benutzer
 
Benutzerbild von eatthefish
 
Registriert seit: 15.09.2013
Ort: Wien
Alter: 33
Beiträge: 116
Baujahr: 2000
Kilometer: 33600
Unglücklich Vergasermembran will nicht mehr passen

Hallo liebe Leute,

Heut beim Vergaserreinigen bin ich leider über ein Problem gestolpert.

Eine der Vergaser Membranen will einfach nicht mehr zurück in die Rillen, weil sie scheinbar zu groß ist!

Vielleicht sieht man auf dem Bild was ich meine, aber wenn ich sie zu 3/4 mühsam und vorsichtig eingefügt habe, schaut beim letzten Viertel noch mehr raus als überhaupt Platz ist, daher Umfang der Membran ist größer als der Umfang der Rillen wo sie reingehört :/

Ich habe schon gehört das man sie einfach ein bisschen trocknen und wärmen lassen kann und dann sollte sie wieder passen aber heißt das ich kann sie mit dem Fön bearbeiten oder wäre das zu heiß?
Miniaturansicht angehängter Grafiken
Klicke auf die Grafik für eine größere Ansicht

Name:	IMG_20150402_184311890.jpg
Hits:	1289
Größe:	104,9 KB
ID:	22236  
eatthefish ist offline   Mit Zitat antworten
Alt 03.04.2015, 08:30:39   #2
Merle
Erfahrener Benutzer
 
Benutzerbild von Merle
 
Registriert seit: 01.08.2009
Ort: Bergisches Land
Alter: 41
Beiträge: 1.258
Baujahr: 1994
Kilometer: 36000
Standard

Sieht aus als ob die Vergasermembran nicht tief genug sitzen würde und sie sich darum oben so aufwölbt.
Sitzt der Schieber richtig drin mit der Nadel? Warum hast du denn die membran auf dem Kopf drin? Die Feder gehört doch in den Vergaser rein
Lg

Merle
__________________
Meine Moppeds sind jetzt in einem Alter, sie entscheiden selbstständig ob sie mit Dir eine Ausfahrt machen oder nicht.
Merle ist offline   Mit Zitat antworten
Alt 03.04.2015, 09:06:51   #3
berndy
Super-Moderator
 
Benutzerbild von berndy
 
Registriert seit: 16.08.2006
Ort: Schifferstadt/Pfalz
Alter: 63
Beiträge: 10.721
Baujahr: 1995
Kilometer: 66666
Standard

Neenee, die Feder gehört schon in den Vergaserschieber, das kann man eigentlich nicht anders machen.

Die Membran liegt auch nicht eben auf, die ist normal etwas aufgewölbt. Die muss ja etwas Luft nach oben haben, damit der Schieber auch hochgehen kann.

Aber der Einwand mit dem nicht richtig sitzenden Schieber ist schon berechtigt. Muss man halt beim Zusammenbau aufpassen.

Wenn die Membran immer wieder aus der Nut flutscht, hilft es vll. diese mit etwas Fett oder mit ganz wenig nicht aushärtender Dichtmasse zu fixieren.

Wenn allerdings der Wulst viel länger ist als die Nut, dann passt das nie. Dann könnte da auch die falsche Membran drin sein.

Wenn die aber schon drin war und funktioniert hat, dann liegts wahrscheinlich am Zusammenbau.
__________________

Man sollte es so oder so nicht übertreiben.
berndy ist offline   Mit Zitat antworten
Alt 03.04.2015, 09:31:01   #4
AmigaHarry
Erfahrener Benutzer
 
Benutzerbild von AmigaHarry
 
Registriert seit: 13.11.2005
Ort: Perchtoldsdorf
Alter: 64
Beiträge: 5.318
Kilometer: 1.1mio
Standard

Für mich sieht das aus als würde der Schieber nicht richtig sitzen (zu hoch oben). Für die Membranmontage muss er ganz runter (geschlossener Schieberzustand!) - ist die Düsennadel überhaupt richtig im Loch oder sperrt sie sich?
AmigaHarry ist offline   Mit Zitat antworten
Alt 03.04.2015, 09:33:00   #5
Merle
Erfahrener Benutzer
 
Benutzerbild von Merle
 
Registriert seit: 01.08.2009
Ort: Bergisches Land
Alter: 41
Beiträge: 1.258
Baujahr: 1994
Kilometer: 36000
Standard

Amiga harry, dachte ich zu Anfang auch, aber die Membran ist doch auf links. Die Feder muss doch in den Vergaser.
Darum wölbt sich die Membran doch so auf.

Merle
__________________
Meine Moppeds sind jetzt in einem Alter, sie entscheiden selbstständig ob sie mit Dir eine Ausfahrt machen oder nicht.
Merle ist offline   Mit Zitat antworten
Alt 03.04.2015, 10:08:56   #6
gsmattis
Stammtisch Hamburg
 
Benutzerbild von gsmattis
 
Registriert seit: 16.03.2008
Ort: Extertal
Alter: 37
Beiträge: 8.813
Baujahr: 1999
Kilometer: 158000
Standard

Ich würde versuchen, die Membran gleichzeitig mit dem Deckel in die Nut zu drücken.
__________________
Bandit 1200
TL1000S
weil nur 6 Zylinder Sinn ergeben
gsmattis ist offline   Mit Zitat antworten
Alt 03.04.2015, 10:23:24   #7
eatthefish
Erfahrener Benutzer
 
Benutzerbild von eatthefish
 
Registriert seit: 15.09.2013
Ort: Wien
Alter: 33
Beiträge: 116
Baujahr: 2000
Kilometer: 33600
Standard

Danke schon mal für die Tipps

Zusammengebaut ist er meiner Meinung nach richtig, es sitzt alles genau so wie es war als ich ihn auseinander gebaut habe und auch so wie auf dem Vergaser-Microfiche zu sehen ist.

Das Problem ist wie gesagt das die Membran einfach zu groß für die Nut ist, also so, als wäre sie ausgeleiert.

Der Schieber sitzt eigentlich richtig und schließt ganz, so viel kann man da ja nicht falsch machen oder? Gibt ja nur eine Richtung wie er reinpasst.

Aufgemacht habe ich das ganze weil ich beim reinigen bermekt habe, dass eine der beiden Schieber nur langsam oder stockend schleißt und manchmal sogar in der Mitte hängengeblieben ist.

Woran das genau gelegen hat weiß ich nicht, aber jetzt schließen beide Schieber wieder flüssig, nur bekomm ich jetzt halt die blöde Vergasermembran nicht mehr gscheit drauf...

Die Membran mit dem Deckel in die Nut drücken habe ich auch versucht, dann quillt sie aber trotzdem auf einer Seite hervor.

Mit Fett werde ich es mal versuchen wenn sie ein bisschen getrocknet ist, aber falls es nicht funktioniert: Kennt jemand eine gute Quelle für neue Membranen?

Bei Tante Louis finde ich keine mehr.

Danke und Liebe Grüße
eatthefish ist offline   Mit Zitat antworten
Alt 03.04.2015, 10:27:02   #8
Merle
Erfahrener Benutzer
 
Benutzerbild von Merle
 
Registriert seit: 01.08.2009
Ort: Bergisches Land
Alter: 41
Beiträge: 1.258
Baujahr: 1994
Kilometer: 36000
Standard

Ich glaube immer noch das deine Membran auf links ist und die Feder gehört immer noch in den Vergaser und nicht unter den Deckel. Ich kann mir nicht vorstellen das die Maschine in dem Vergaser Zustand gelaufen ist.

Wenn du weiter an deiner Theorie fest hältst ist dir nicht mehr zu Helfen.

Lg
Merle
__________________
Meine Moppeds sind jetzt in einem Alter, sie entscheiden selbstständig ob sie mit Dir eine Ausfahrt machen oder nicht.
Merle ist offline   Mit Zitat antworten
Alt 03.04.2015, 10:52:30   #9
eatthefish
Erfahrener Benutzer
 
Benutzerbild von eatthefish
 
Registriert seit: 15.09.2013
Ort: Wien
Alter: 33
Beiträge: 116
Baujahr: 2000
Kilometer: 33600
Standard

Zitat:
Zitat von Merle Beitrag anzeigen
Ich glaube immer noch das deine Membran auf links ist und die Feder gehört immer noch in den Vergaser und nicht unter den Deckel. Ich kann mir nicht vorstellen das die Maschine in dem Vergaser Zustand gelaufen ist.

Wenn du weiter an deiner Theorie fest hältst ist dir nicht mehr zu Helfen.

Lg
Merle
Ich lasse mir gerne Helfen, dafür bin ich hier und ich schätze es das ihr euch die Zeit nehmt und hier Antwortet :- )

Ich bin mir nicht sicher ob ich verstehe was du mit "das deine Membran auf links ist" meinst!? Das sie verkehrt herum drauf ist, also sollte ich sie einmal umdrehen?

Und wegen der Feder im Vergaser: Im Thread "Vergaser zerlegen für Ultraschallreinigung +++Mit Bildern!+++" von klassikfon sieht man sehr gut wie die Feder zwischen Membran und Deckel befestigt ist. (wo es extra einen Plastik-Kegel zum festhalten gibt)
Hier ein Bild davon aus seinem Thread: http://forum.gs-500.de/attachment.ph...6&d=1300195400
eatthefish ist offline   Mit Zitat antworten
Alt 03.04.2015, 11:16:26   #10
Merle
Erfahrener Benutzer
 
Benutzerbild von Merle
 
Registriert seit: 01.08.2009
Ort: Bergisches Land
Alter: 41
Beiträge: 1.258
Baujahr: 1994
Kilometer: 36000
Standard

Ich schreib dir später gerne nochmal vom PC und zeige dir an Bildern was ich meine.
__________________
Meine Moppeds sind jetzt in einem Alter, sie entscheiden selbstständig ob sie mit Dir eine Ausfahrt machen oder nicht.
Merle ist offline   Mit Zitat antworten
Alt 03.04.2015, 11:25:41   #11
geko4711
Erfahrener Benutzer
 
Benutzerbild von geko4711
 
Registriert seit: 16.05.2011
Ort: Ostsachsen
Alter: 73
Beiträge: 1.602
Baujahr: 1994
Kilometer: 50+++
Standard

Feder gehört auf die Membrane, also direkt unter den Deckel
Die drückt ja auf die Nadel, und die ist auch von oben drin in der Membrane.
__________________
Grüße vom geko4711

geko4711 ist offline   Mit Zitat antworten
Alt 03.04.2015, 11:30:05   #12
gsmattis
Stammtisch Hamburg
 
Benutzerbild von gsmattis
 
Registriert seit: 16.03.2008
Ort: Extertal
Alter: 37
Beiträge: 8.813
Baujahr: 1999
Kilometer: 158000
Standard

Die Feder ist da schon richtig.
Hattest du die Membran vom Schieber getrennt? Wenn ja, mach das nochmal und zieh die Membran auf links.
__________________
Bandit 1200
TL1000S
weil nur 6 Zylinder Sinn ergeben
gsmattis ist offline   Mit Zitat antworten
Alt 03.04.2015, 12:40:51   #13
Merle
Erfahrener Benutzer
 
Benutzerbild von Merle
 
Registriert seit: 01.08.2009
Ort: Bergisches Land
Alter: 41
Beiträge: 1.258
Baujahr: 1994
Kilometer: 36000
Standard

So, jetzt sehe ich das erst mal richtig. Am PC ist das doch was anders.
Es ist auf dem Bild schwer zu erkennen, es sieht aber echt so aus, als wenn der Halter aus dem Deckel, wo die Feder dran befestigt ist, von Dir nach oben zeigend auf die Vergasermembran gelegt wurde.

Die Feder gehört in den Deckel befestigt. In den Schieber kommt die Nadel mit der Reihenfolge: Nadel, Nylonscheibe, Clip, Kunststoffscheibe
Dieses wird dann vorsichtig in die Führung gesetzt und geschaut das die Nadel richtig im Öhr sitzt.
Da ergibt sich die richtige Einbautiefe vom Schieber. Die Membran hat ja eine natürliche Form. Wie sieht die denn aus? Normal ergibt sich das von alleine wenn alles gut passend eingesetzt wurde.

Bitte mach mal ein Foto nur alleine von der Membran und ihrer "in natürlicher Form fallend"

lg

Merle
__________________
Meine Moppeds sind jetzt in einem Alter, sie entscheiden selbstständig ob sie mit Dir eine Ausfahrt machen oder nicht.
Merle ist offline   Mit Zitat antworten
Alt 03.04.2015, 13:29:41   #14
eatthefish
Erfahrener Benutzer
 
Benutzerbild von eatthefish
 
Registriert seit: 15.09.2013
Ort: Wien
Alter: 33
Beiträge: 116
Baujahr: 2000
Kilometer: 33600
Standard

Hab 2 Fotos der Membran angehängt
Miniaturansicht angehängter Grafiken
Klicke auf die Grafik für eine größere Ansicht

Name:	IMG_20150402_185255116.jpg
Hits:	1131
Größe:	95,5 KB
ID:	22237   Klicke auf die Grafik für eine größere Ansicht

Name:	IMG_20150402_185315206.jpg
Hits:	1091
Größe:	87,0 KB
ID:	22238  
eatthefish ist offline   Mit Zitat antworten
Alt 06.04.2015, 19:25:24   #15
AmigaHarry
Erfahrener Benutzer
 
Benutzerbild von AmigaHarry
 
Registriert seit: 13.11.2005
Ort: Perchtoldsdorf
Alter: 64
Beiträge: 5.318
Kilometer: 1.1mio
Standard

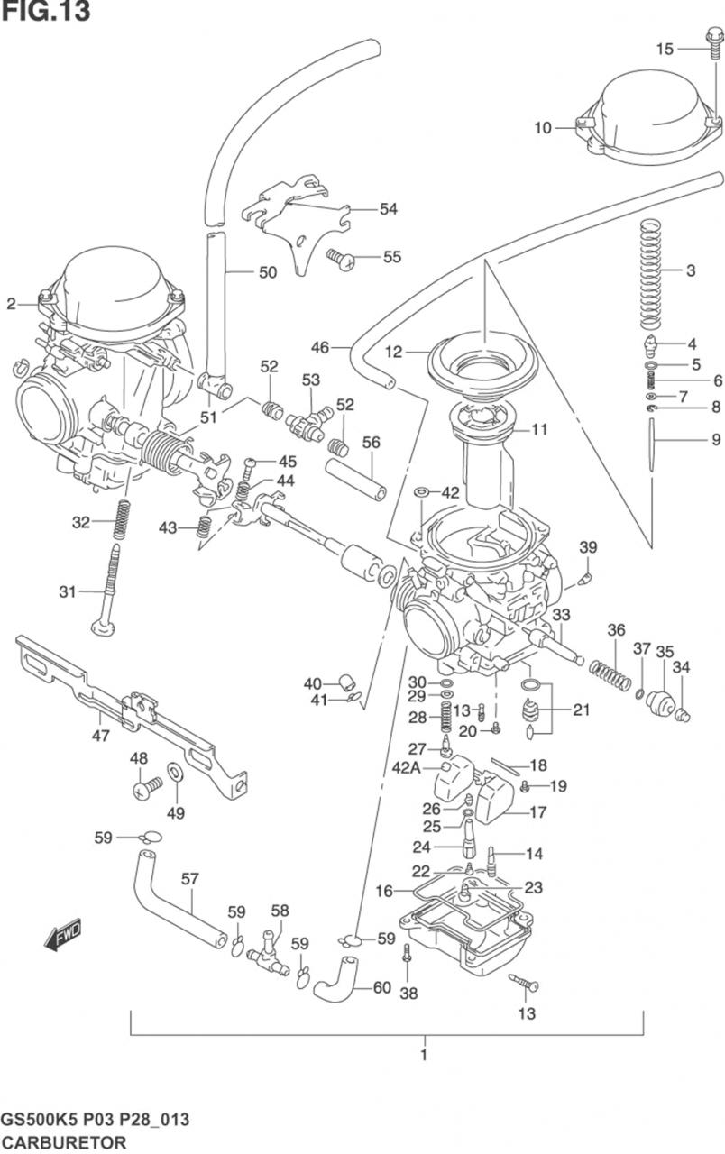
Seh da nichts auffälliges - sollte passen. Das sich die Membrane aufwölbt ist normal - "stopfe" sie etwas nach.....
Anbei ein Bild um alle Missverständnisse über den Einbau zu klären.....
Miniaturansicht angehängter Grafiken
Klicke auf die Grafik für eine größere Ansicht

Name:	CarburatorK3.jpg
Hits:	1082
Größe:	97,6 KB
ID:	22276  
AmigaHarry ist offline   Mit Zitat antworten
Alt 07.04.2015, 09:30:27   #16
eatthefish
Erfahrener Benutzer
 
Benutzerbild von eatthefish
 
Registriert seit: 15.09.2013
Ort: Wien
Alter: 33
Beiträge: 116
Baujahr: 2000
Kilometer: 33600
Standard

Nachdem die Membran ein paar Tage bei Zimmertemperatur herumgelegen ist hat sie wieder ihre ursprüngliche Form angenommen und ich konnte sie ohne große Probleme wieder einbauen.

Danke nochmal für eure Hilfe, jetzt muss ich nur noch die Bremsen machen und dann kann die Saison starten
eatthefish ist offline   Mit Zitat antworten
Antwort

Lesezeichen

Stichworte
vergaser membran


Forumregeln
Es ist dir nicht erlaubt, neue Themen zu verfassen.
Es ist dir nicht erlaubt, auf Beiträge zu antworten.
Es ist dir nicht erlaubt, Anhänge hochzuladen.
Es ist dir nicht erlaubt, deine Beiträge zu bearbeiten.

BB-Code ist an.
Smileys sind an.
[IMG] Code ist aus.
HTML-Code ist aus.

Gehe zu

Ähnliche Themen
Thema Autor Forum Antworten Letzter Beitrag
Kofferträger passen nicht tallend Verkleidungen, Anbauteile und Zubehör 7 31.10.2013 19:32:23
Shin Yo Doppelscheinwerfer passen nicht... anDre2111 Elektrik, Elektronik und Beleuchtung 8 21.06.2009 12:30:30
Hilfe Satteltaschen passen nicht fischli91 Verkleidungen, Anbauteile und Zubehör 13 12.06.2009 21:25:32
Lenkerschwingungsdämpfer passen nicht?! gplchris Verkleidungen, Anbauteile und Zubehör 5 23.02.2006 18:11:11
Spiegel passen nicht Verkleidungen, Anbauteile und Zubehör 24 13.07.2004 10:43:34


Alle Zeitangaben in WEZ +1. Es ist jetzt 20:31:47 Uhr.


Powered by vBulletin® Version 3.8.9 (Deutsch)
Copyright ©2000 - 2026, vBulletin Solutions, Inc.