gs-500.de  

Zurück   gs-500.de > GS500(E/F) > Elektrik, Elektronik und Beleuchtung

Hinweise

Antwort
 
Themen-Optionen
Alt 19.04.2016, 07:49:27   #1
towe
Stammtisch Sachsen
 
Registriert seit: 27.04.2015
Ort: Penig
Alter: 29
Beiträge: 142
Baujahr: 1997
Kilometer: 13200
Standard Check Control

Hallo

Nachdem meine Ganganzeige ja nun brauchbar funktioniert (zumindest von meiner Seite aus), werde ich mich an's nächste Projekt machen.
Check Control für die Beleuchtung.
Mein Ziel ist es, mittels eines Tasters jeweils eine LED je Birne zum leuchten zu bringen, indem ein Prüfstrom durch die jeweilige Lampe geleitet wird.
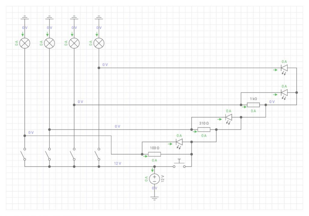
Das ganze wird dann so wie in dem Bild aussehen. Die Lampen oben links haben 55, 21, 10 und 5W, dazu dann die passenden Parallelwiderstände, und als LEDs werde ich welche mit integriertem Reihenwiderstand nutzen (für 12V, 20 mA).
Passt das so?
Bei den Halogenlampen meiner Eliptic-Verkleidung müsste das ja trotzdem so funktionieren, oder?
Miniaturansicht angehängter Grafiken
Klicke auf die Grafik für eine größere Ansicht

Name:	Check Control - EveryCircuit~01.jpg
Hits:	573
Größe:	66,6 KB
ID:	24434  
towe ist offline   Mit Zitat antworten
Alt 19.04.2016, 09:28:49   #2
seife
Erfahrener Benutzer
 
Registriert seit: 28.06.2014
Ort: 02625
Alter: 55
Beiträge: 826
Baujahr: 1994
Kilometer: 46664
Standard

Und wie machst du das mit den parallelgeschalteten Birnen (Blinker vorne/hinten, Standlicht/Rücklicht/Rücklicht, Bremslicht/Bremslicht)?

Edit: Und wozu die Parallelwiderstände zu den LEDs? Verstehe ich nicht so ganz...
seife ist offline   Mit Zitat antworten
Alt 19.04.2016, 10:58:10   #3
towe
Stammtisch Sachsen
 
Registriert seit: 27.04.2015
Ort: Penig
Alter: 29
Beiträge: 142
Baujahr: 1997
Kilometer: 13200
Standard

Die Blinker werden wohl aufgrund der unsinnigen Beschaltung der Kontrolleuchte nicht gehen.
Bei den anderen Lampen hatte ich vor, mit den Parallelwiderständen die LEDs untereinander so abzustimmen, dass sie alle gleich hell leuchten, wenn alle Lampen in Ordnung sind.
Funktioniert bei den parallel geschaltenen Lampen nur eine oder zwei der Lampen, ändert sich ja die Helligkeit. Müsste man dann schaun, ob man die Unterschiede sieht.

Die Parallelwiderstände sind nur dazu da, die Ströme über die LEDs konstant zu halten, also dass bei der LED für das 55W-Abblendlicht der selbe Strom fließt wie für die insgesamt 15W Standlichter.

Ich muss nur nochmal die Kaltwiderstände der einzelnen Lampen messen, damit ich dann auch halbwegs brauchbare Stromunterschiede beim Ausfall einzelner Lampen bekomme.

Hättest du denn eine andere Lösung, wie man diese parallelgeschalten Birnen einzeln diagnostiziert bekommt? Möglichst ohne ein dutzend Relais
towe ist offline   Mit Zitat antworten
Alt 19.04.2016, 12:41:26   #4
seife
Erfahrener Benutzer
 
Registriert seit: 28.06.2014
Ort: 02625
Alter: 55
Beiträge: 826
Baujahr: 1994
Kilometer: 46664
Standard

Zitat:
Zitat von towe Beitrag anzeigen
Funktioniert bei den parallel geschaltenen Lampen nur eine oder zwei der Lampen, ändert sich ja die Helligkeit. Müsste man dann schaun, ob man die Unterschiede sieht.
Das bezweifle ich. Die Lampen haben kalt einen sehr niedrigen Widerstand, da wird bei 20mA pro LED der Spannungsabfall vernachlässigbar sein. Siehe z.B. https://de.wikibooks.org/wiki/Intere...Gl%C3%BChlampe dort ist das Beispiel 12V/8W, Widerstand "warm": 18 Ohm, Widerstand kalt: 1,3 Ohm.

Wenn's bei 5W (Standlicht) also 2 Ohm sind: der Leuchtdiode ist es Helligkeitsmäßig vollkommen Wurst, ob sie 600 Ohm (für 20mA bei 12V) in Reihe hat, oder ob das 601 oder gar 602 sind.

So kleine Widerstände kannst du gar nicht parallel schalten (die brennen dann ab ), daß du da einen meßbaren Unterschied bekommst

Zitat:
Hättest du denn eine andere Lösung, wie man diese parallelgeschalten Birnen einzeln diagnostiziert bekommt? Möglichst ohne ein dutzend Relais
Ich mach immer den Motor an, dann, während der schon läuft, setze ich den Helm auf und ziehe die Handschuhe an. Dabei gehe ich einmal ums Motorrad und sehe ob alles Leuchtet.
Abblend- und Fernlicht sehe ich auch, weil ich meist vor einer Wand parke. Das Bremslicht erkenne ich, weil im Standgas das Abblendlicht etwas dunkler wird, wenn ich auf die Bremse trete. Bzw. ab und zu kontrolliere ich das einfach. Die GS hat ja 2 Brems/Rücklichtbirnen, also ist die Chance, daß beide ausfallen schon eher gering, wenn man der Maschine ein wenig Beachtung schenkt.
Die Blinker blinken -- dank originalem Blinkgeber -- schneller wenn einer ausgefallen ist.

Dafür rostet meine GS, hat Dellen und Kratzer im Lack. DAS ist mir aber egal

In den späten 80ern hat ein Kumpel von mir mal einfach Lichtleiterkabel von den einzelnen lampen ins Cockpit gelegt, das gibt dann einen kleinen leuchtpunkt pro funktionierender Lampe. Funktionierte erstaunlich gut, war aber trotzdem eher ein Gag meiner Meinung nach.
seife ist offline   Mit Zitat antworten
Alt 19.04.2016, 14:03:03   #5
Campino
Erfahrener Benutzer
 
Benutzerbild von Campino
 
Registriert seit: 23.08.2015
Ort: Landsberg am Lech
Beiträge: 1.175
Baujahr: 2001
Kilometer: 100000
Standard

Wäre es nicht geschickter eine Schaltung zu bauen, bei der eine LED aufleuchtet, wenn irgend eines der Lichter nicht geht?
Ka wie das umzusetzen wäre aber sorum kommt es mir sinnvoller vor.
__________________
Als dein Anwalt rate ich dir, mit Höchstgeschwindigkeit zu fahren. Es wäre ein Wunder, wenn wir ankämen, bevor du dich in ein wildes Tier verwandelst.
Campino ist offline   Mit Zitat antworten
Alt 19.04.2016, 14:23:10   #6
towe
Stammtisch Sachsen
 
Registriert seit: 27.04.2015
Ort: Penig
Alter: 29
Beiträge: 142
Baujahr: 1997
Kilometer: 13200
Standard

Pff, selber schaun ist ja viel zu einfach
Dass das ganze noch weniger praktischen Nutzen hat als die Ganganzeige, ist mir ja bewusst.

Aber als gelangweilter Student kann man das schon mal machen.
Bei den Kaltwiderständen hast du natürlich recht. Ohne direkt die Lampen voneinander zu trennen und das ganze über (verlustbehaftete) Leistungsdioden oder Relais zu machen, wird das wohl eher schwierig. Naja, zumindest für's Fern- und Abblendlicht könnte es trotzdem interessant sein.

Campino: In dem Fall müsste man eine Schaltung bauen, die entweder direkt den Strom misst, oder als "Parasit" parallel zur Lampe sitzt -> eventuell mit einem Transistor, der erst dann bestromt wird, wenn über die eigentliche Lampe keine Spannung mehr abfällt. Ich überleg mal noch ein wenig
towe ist offline   Mit Zitat antworten
Alt 19.04.2016, 14:33:56   #7
Campino
Erfahrener Benutzer
 
Benutzerbild von Campino
 
Registriert seit: 23.08.2015
Ort: Landsberg am Lech
Beiträge: 1.175
Baujahr: 2001
Kilometer: 100000
Standard

Also meine Kenntnisse in Elektrotechnik beschränken sich auf das Primitivste...
Meine Idee: Ein Relais parallel zur Lampe (vom Widerstand so ausgelegt, dass es erst durchschaltet wenn die Lampe durchbrennt und die volle Spannung am Relais anliegt) und das schaltet dir deine "Fehlerleuchte ein".
Bestimmt lässt sich das noch eleganter lösen als mit Relais aber da ist jetzt ein Elektroniker gefragt....
Nachteil von der idee: sie frisst permanent Leistung im Relais auf....
__________________
Als dein Anwalt rate ich dir, mit Höchstgeschwindigkeit zu fahren. Es wäre ein Wunder, wenn wir ankämen, bevor du dich in ein wildes Tier verwandelst.
Campino ist offline   Mit Zitat antworten
Alt 19.04.2016, 14:49:12   #8
towe
Stammtisch Sachsen
 
Registriert seit: 27.04.2015
Ort: Penig
Alter: 29
Beiträge: 142
Baujahr: 1997
Kilometer: 13200
Standard

Das Blöde an einer Parallelschaltung ist, dass da immer der gleiche Strom durch fließt, egal ob die Lampe noch mit drin hängt oder nicht:
Ist die Lampe ok und das Relais mit passendem Widerstand drin, fließen über die Lampe (55W) etwa 4.6 A. Über das Relais, bei einem Widerstand von 100 Ohm, etwa 60 mA. Das reicht zum Schalten. Gesamtstrom also 4,66 A.
Ohne die Lampe fließt über das Relais aber trotzdem noch der Strom von 60 mA, und es schaltet damit immer.

Direkt an der Lampe könnte man das eben nur als Reihenschaltung machen, und das wird mit Transistoren lustig (und horrend ineffizient). Mit Relais ist es zwar generell machbar, aber ich kann ja keine 10 Relais irgendwo hinhängen, nur für das Check Control.
towe ist offline   Mit Zitat antworten
Alt 20.04.2016, 06:21:41   #9
Campino
Erfahrener Benutzer
 
Benutzerbild von Campino
 
Registriert seit: 23.08.2015
Ort: Landsberg am Lech
Beiträge: 1.175
Baujahr: 2001
Kilometer: 100000
Standard

Wie wärs mit sowas: Zitat aus einem anderen Forum:
Zitat:
Ja und nein.

Bipolartransistoren, also die Dinger die eine Basis haben sind Stromgesteuert. Der Basisstrom baut die SPerrschichten zwischen Kollektor und Emitter ab so dass der Arbeitsstrom fließen kann. Hier zählt rein der Basisstrom! Dafür braucht man natürlich auch eine Spannung damit überhaupt der Basisstrom fließen kann, aber wenn man "nichts" anbietet, kann auch kein Basisstrom fließen.

Hier geht man einfach hin und benutzt zwei Transistoren. Der Arbeitstransistor kriegt einen Basisstrom z.B. über einen Widerstand so das er ständig leitet. Der Steuertransistor leitet den Strom vom Widerstand dann nach Masse ab, "klaut" also dem Arbeitstransistor den Basisstrom, so dass der zu geht wenn der STeuertransistor auf geht. Ein ganz übliches Verfahren um invertiert schalten zu können.
Wie gesagt ich bin kein Elektroniker aber die Idee mit einem Lämpchen das mich informiert wenn mein Licht nicht geht gefällt mir
__________________
Als dein Anwalt rate ich dir, mit Höchstgeschwindigkeit zu fahren. Es wäre ein Wunder, wenn wir ankämen, bevor du dich in ein wildes Tier verwandelst.
Campino ist offline   Mit Zitat antworten
Alt 20.04.2016, 07:38:05   #10
seife
Erfahrener Benutzer
 
Registriert seit: 28.06.2014
Ort: 02625
Alter: 55
Beiträge: 826
Baujahr: 1994
Kilometer: 46664
Standard

Ihr wollt einfach ein modernes Motorrad mit Zentraler Fahrzeugelektrik (ZFE, volkstümlich auch als "CAN-Bus" bezeichnet, obwohl die mit dem CAN-Bus erstmal gar nichts zu tun hat), die macht das dann schon: die mißt den Stromverbrauch der einzelnen Verbraucher und wenn z.B. das Rücklicht kaputt ist, dann wird erstens gewarnt und zweitens das Bremslicht mit reduzierter Helligkeit dauernd eingeschaltet.

Zweifelsohne könnte man versuchen, sich selber eine ZFE für die GS500 zu bauen. Ich persönlich gehe davon aus, daß bei den normalen Hobbyfähigkeiten dabei ein Gerät rauskommt, das dem rauhen Einsatz an einem Fahrzeug nicht gewachsen ist (siehe towes Ganganzeige) und regelmäßig dazu führt, daß eben Dinge wegen Defekten in dieser ZFE ausfallen.

Wie oft gehen denn bei euch Lampen kaputt?
Bei mir sind in den letzten 2 Jahren mit der GS500 auf 14000km genau 0 (in Worten: Null, also keine) Lampen kaputtgegangen. Der einzige Beleuchtungsausfall war die LED die ich vor einem Jahr in den Drehzahlmesser eingebaut hatte. Das Problem habe ich vor kurzem dadurch gelöst, daß ich wieder auf die 22 Jahre alten Originallämpchen (zum Glück hatte ich die noch ) zurückgerüstet habe.

Wenn wirklich bei mir regelmäßig Lampen ausfallen würden, dann wäre die Lichtleitermethode wohl mein Mittel der Wahl. Lowcost, lowtech, zuverlässig.

Die ganze Aktion klingt für mich daher ein wenig nach "Hallo, hallo, ich hätte da bitte gern mal ein Problem!"
seife ist offline   Mit Zitat antworten
Alt 20.04.2016, 07:52:36   #11
Campino
Erfahrener Benutzer
 
Benutzerbild von Campino
 
Registriert seit: 23.08.2015
Ort: Landsberg am Lech
Beiträge: 1.175
Baujahr: 2001
Kilometer: 100000
Standard

@seife:

ich glaube es geht nicht darum ob es sinnvoll ist oder nicht.... es geht darum ein kleines Projekt zu starten und sich daran austoben zu können.
Ich kann towe durchaus verstehen... ich denke mal er hat einfach Spaß am selbst machen und daran sich mit seiner Maschine zu beschäftigen.
Wenn dem so ist dann ist jedes Problemchen das auftaucht kein Rückschlag sondern eine Motivation zur Verbesserung.

in diesem sinne: versuchs, bau deine Schaltung (wie auch immer sie letzendlich aussieht) und halt uns auf dem Laufenden
__________________
Als dein Anwalt rate ich dir, mit Höchstgeschwindigkeit zu fahren. Es wäre ein Wunder, wenn wir ankämen, bevor du dich in ein wildes Tier verwandelst.
Campino ist offline   Mit Zitat antworten
Alt 20.04.2016, 10:50:56   #12
seife
Erfahrener Benutzer
 
Registriert seit: 28.06.2014
Ort: 02625
Alter: 55
Beiträge: 826
Baujahr: 1994
Kilometer: 46664
Standard

Der einzige zuverlässige Weg das zu implementieren wäre, eine Strommessung auf dem Weg zu jeder Lampe / jedem Beleuchtungsstrang einzubauen. Und die Chance daß du dir dabei was einbaust (Wackelkontakt), das dazu führt daß deswegen die Lampe ausfällt...

...aber was schreib ich. Mir ist ein zuverlässiges Fahrzeug wichtig, aber jeder kann seine Prioritäten selber setzen
seife ist offline   Mit Zitat antworten
Alt 20.04.2016, 11:16:11   #13
Campino
Erfahrener Benutzer
 
Benutzerbild von Campino
 
Registriert seit: 23.08.2015
Ort: Landsberg am Lech
Beiträge: 1.175
Baujahr: 2001
Kilometer: 100000
Standard

und genau das macht den Reiz aus... sowas zu bauen und zu beweisen, dass es auch anders geht
__________________
Als dein Anwalt rate ich dir, mit Höchstgeschwindigkeit zu fahren. Es wäre ein Wunder, wenn wir ankämen, bevor du dich in ein wildes Tier verwandelst.
Campino ist offline   Mit Zitat antworten
Alt 20.04.2016, 11:29:24   #14
snailie
Super-Moderator
 
Benutzerbild von snailie
 
Registriert seit: 05.04.2013
Ort: Wuppertal
Alter: 43
Beiträge: 3.416
Baujahr: 2004
Kilometer: 28300
Standard

Ich habe gerade irgendwie ein Cockpit á la KITT vor Augen, wo lauter kleine Lämpchen leuchten und/oder blinken... Aber gut, auch wenn sich mir persönlich der Sinn nicht recht erschließt (wenn ich einmal um die Maschine rumlaufe, was ich eigentlich vor jeder Fahrt tue, dann sehe ich ja, ob alle Birnchen ihren Dienst tun) und ich auch von solchen elektronischen Basteleien nicht gerade den Plan habe, es klingt nach einem ganz witzigen Projekt und ich bin gespannt, was daraus wird.

PS: "Check Control" hat für mich irgendwie den Charme von Wüste Sahara oder La Ola-Welle... Aber ja, es klingt immer noch besser als "Leuchtmittelüberwachungs- und -kontrollsystem)
__________________
...still out here in the wind and rain ~ I look a little older but I feel no pain...
.::battered but proud::.
~*~
Forumstreffen 2026 - Es sind noch Plätze frei!!!
snailie ist offline   Mit Zitat antworten
Alt 20.04.2016, 12:11:22   #15
towe
Stammtisch Sachsen
 
Registriert seit: 27.04.2015
Ort: Penig
Alter: 29
Beiträge: 142
Baujahr: 1997
Kilometer: 13200
Standard

Zugegebenermaßen ist das ganze natürlich sehr nah an "sinnlos", und auch um einiges aufwändiger und "parasitärer" an der Maschine dran als z.B. mein Gangsensor.
Momentan tendiere ich dazu, bei den Einzelnen Birnen (Abblend-, Fernlicht) die "direkte" Lösung aus meinem Ausgangspost zu nutzen. Besonders deswegen, weil ja dort auch ausreichend Strom ankommen muss.
Für das vordere Standlicht wäre ein Shunt denkbar, über dessen Spannungsabfall ich dann einen Transistor ansteuern könnte - somit ist das von den Rückleuchten unabhängig.
Aber wie ich die Bremslichter / Rücklichter einzeln überwacht bekomme, hat sich mir bisher noch nicht ergeben. Dazu müsste ich ja vier Shunts in das Gehäuse des Rücklichtes einbringen, und das wäre dann doch ein wenig zu viel. Leider machen die Shunts auch nur auf der Masseseite des Verbrauchers wirklich Sinn.

Achso, das ganze mit ACS715's zu machen wäre zwar auch denkbar, ist mir dann aber doch ein wenig zu teuer.

Letzteres sähe dann etwa so aus.

Geändert von towe (20.04.2016 um 12:44:44 Uhr)
towe ist offline   Mit Zitat antworten
Alt 20.04.2016, 13:34:15   #16
AmigaHarry
Erfahrener Benutzer
 
Benutzerbild von AmigaHarry
 
Registriert seit: 13.11.2005
Ort: Perchtoldsdorf
Alter: 64
Beiträge: 5.317
Kilometer: 1.1mio
Standard

Warum so kompliziert. Setze ein "nicht Gatter" (invertierender Transistor https://de.wikipedia.org/wiki/Nicht-Gatter) parallel NACH deiner Lampe und ziehe deine Kontrolleuchte über das Nicht-Gatter. Sobald die Lampe durchbrennt, gibts keine Spannung am Eingang des Nicht-Gatters und es schaltet die Kontrolleuchte an. Fertig.
AmigaHarry ist offline   Mit Zitat antworten
Alt 20.04.2016, 17:26:35   #17
towe
Stammtisch Sachsen
 
Registriert seit: 27.04.2015
Ort: Penig
Alter: 29
Beiträge: 142
Baujahr: 1997
Kilometer: 13200
Standard

So ähnlich hab ich das auch schon probiert.
Das Problem ist, dass ich das einfach nicht hinbekomme, ohne irgendwas in Reihe zu den Lampen zu schalten. Nach der Lampe geht ja (bei den Rückleuchten) auch schlecht, wenn die auf ein gemeinsames Blech gehen.
Die Spannung liegt ja trotzdem an, 12V direkt vor der Lampe, 0V direkt danach, egal ob die Lampe ganz ist oder nicht.
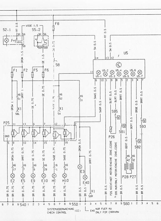
Also muss ich den Strom messen, und das geht praktisch nur in Reihe.

Selbst bei originalen Systemen wurde das über einen Shunt gemacht:
Miniaturansicht angehängter Grafiken
Klicke auf die Grafik für eine größere Ansicht

Name:	stromlauf.jpg
Hits:	601
Größe:	54,9 KB
ID:	24439  

Geändert von towe (20.04.2016 um 20:11:48 Uhr)
towe ist offline   Mit Zitat antworten
Alt 20.04.2016, 20:32:05   #18
AmigaHarry
Erfahrener Benutzer
 
Benutzerbild von AmigaHarry
 
Registriert seit: 13.11.2005
Ort: Perchtoldsdorf
Alter: 64
Beiträge: 5.317
Kilometer: 1.1mio
Standard

Na dann schalt halt nacher noch eine Diode, bevor sie auf den gemeinsamen Kontakt gehen......
Wenn die Lampe OK ist liegen i.d.R. danach noch immer mehr als 0V an - das sollte für den Transistor reichen.....
Probier einmal einen normalen Transistor aus, ob er schaltet....
AmigaHarry ist offline   Mit Zitat antworten
Alt 22.04.2016, 17:08:40   #19
towe
Stammtisch Sachsen
 
Registriert seit: 27.04.2015
Ort: Penig
Alter: 29
Beiträge: 142
Baujahr: 1997
Kilometer: 13200
Standard

So, neue Version:
Jetzt ist das alles erstmal lastunabhängig, d.h., ich brauch mir keine Sorgen über unterschiedliche Widerstände für Unterschiedliche Birnen machen bzw. darüber, dass die Widerstände im kalten Zustand ja geringer sind.

Für die "verbundenen" Leuchtmittel müsste ich aber wohl dennoch auf Leistungsdioden zurückgreifen.
Wie würdet ihr das abwägen: Lieber rund 0,7V weniger Spannung an der Lampe, oder die "Ungewissheit" ob auch wirklich alle funktionieren?

Link zur aktuellen Version
towe ist offline   Mit Zitat antworten
Alt 22.04.2016, 17:39:53   #20
Thom
Gast
 
Beiträge: n/a
Standard

Zitat:
Zitat von towe Beitrag anzeigen
oder die "Ungewissheit" ob auch wirklich alle funktionieren?

Link zur aktuellen Version
Was macht das Checkcontrol dann für einen Sinn?
  Mit Zitat antworten
Alt 22.04.2016, 19:36:51   #21
towe
Stammtisch Sachsen
 
Registriert seit: 27.04.2015
Ort: Penig
Alter: 29
Beiträge: 142
Baujahr: 1997
Kilometer: 13200
Standard

Fast keinen, aber ich kann mir die morgendliche Runde um's Motorrad sparen und muss nur einen Knopf drücken.
towe ist offline   Mit Zitat antworten
Antwort

Lesezeichen


Forumregeln
Es ist dir nicht erlaubt, neue Themen zu verfassen.
Es ist dir nicht erlaubt, auf Beiträge zu antworten.
Es ist dir nicht erlaubt, Anhänge hochzuladen.
Es ist dir nicht erlaubt, deine Beiträge zu bearbeiten.

BB-Code ist an.
Smileys sind an.
[IMG] Code ist aus.
HTML-Code ist aus.

Gehe zu

Ähnliche Themen
Thema Autor Forum Antworten Letzter Beitrag
Kompletter Check zu Saisonbeginn Amygdala Pflege und Wartung 22 12.05.2011 17:28:10
Striptease vs. parental control Saugwurmmensch Fun 4 24.12.2009 13:53:05
Auspuff Sound Check uvm. Toblerone Auspuff 24 02.03.2008 14:43:34
Ich check grad was nicht. Geht um Gabelölstand Fahrwerk 8 06.07.2005 11:13:36


Alle Zeitangaben in WEZ +1. Es ist jetzt 05:49:19 Uhr.


Powered by vBulletin® Version 3.8.9 (Deutsch)
Copyright ©2000 - 2026, vBulletin Solutions, Inc.