gs-500.de  

Zurück   gs-500.de > GS500(E/F) > Elektrik, Elektronik und Beleuchtung

Hinweise

Antwort
 
Themen-Optionen
Alt 14.04.2009, 16:47:23   #1
Pershing
Benutzer
 
Registriert seit: 23.08.2008
Ort: Recklinghausen
Alter: 36
Beiträge: 44
Baujahr: 1997
Standard Startknopf nach Sturz kaputt ?!

Hallo,

hab mich gestern aufs Ei gelegt, dabei hat der Scheinwerfer nen Schlag abbekommen.
Nach dem Unfall sprang die Karre wieder an und ich bin noch 20 km gefahren bis ich ne kleine Pause gemacht habe. Als ich die Maschine dann wieder starten wollte, tat sich nix.
Erstmal den ADAC angerufen, als der kam und auf den Knopf drückte lief wieder alles.

Hab mir gedacht, dass das nicht sein kann, weil ich der Stunde die ich auf den "gelben Engel" gewartet hab ca. 30 mal den Knopf gedrückt hab. Hab dann wieder ausgemacht und als ich wieder anmachen wollte, kam wieder nix.
Der Herr vom ADAC hat dann am Lenker gerüttelt und am Kabel der Startknopfs, bis es wieder ging. Meinte dann wäre wohl ein Wackelkontakt verursacht durch den Sturz.

Heute hab ich dann mal den genauen Schaden begutachtet und mal den Scheinwerfer aufgeschraubt.
Ich kann dort nix finden, hab alle Stecker nochmal festgedrückt. Blinker und Licht funktionieren auch einwandfrei nur der Startknopf macht keinen Ton.

Als ich mir dann die Schaltpläne im Reparaturhandbuch anguckte stellte ich fest, dass die Farben der Kabel nicht übereinstimmen. Im Handbuch sind die Schaltpläne für Bauhjahr 1989 und 1991.

Hat jemand einen Schaltplan für Baujahr 1997, oder hat sonst eine Idee warum der Knopf nicht funktioniert.
Krieg die Karre mittlerweile auch nicht mehr durch rütteln am Kabel zum laufen.
In die Werkstatt möchte ich nicht unbedingt, die haben mir vor 2 Wochen schon das Geld aus der Tache gezogen.
Pershing ist offline   Mit Zitat antworten
Alt 14.04.2009, 17:41:46   #2
Knallbirne
Erfahrener Benutzer
 
Registriert seit: 28.02.2009
Ort: Bremerhaven
Alter: 36
Beiträge: 153
Baujahr: 2004
Kilometer: 40.000
Standard Re: Startknopf nach Sturz kaputt ?!

Kann doch auch sein, dass das Kabel gebrochen ist. Geh doch mal mit nem Widerstandsmesser dran und zubbel ein bisschen am Kabel.


Die Aussage ist ohne Gewähr, ich hab doch selbst keine Ahnung
Knallbirne ist offline   Mit Zitat antworten
Alt 14.04.2009, 17:56:13   #3
Saugwurmmensch
Public-Relations-Manager
 
Benutzerbild von Saugwurmmensch
 
Registriert seit: 19.07.2004
Ort: Strausberg
Alter: 42
Beiträge: 24.180
Baujahr: 1998
Kilometer: 22000
Standard Re: Startknopf nach Sturz kaputt ?!

Und wenns ausreicht, dass der ADAC am Kabel rüttelt, schraub mal die Armatur auf und schau da nach.
__________________
Wer hat noch keinen Organspendeausweis ?

Warning: may contain Verballhornung.
Suzuki - ride the wings of stain !
Saugwurmmensch ist offline   Mit Zitat antworten
Alt 15.04.2009, 15:36:34   #4
Pershing
Benutzer
 
Registriert seit: 23.08.2008
Ort: Recklinghausen
Alter: 36
Beiträge: 44
Baujahr: 1997
Standard Re: Startknopf nach Sturz kaputt ?!

So, hab mir mal den Schaltplan angeguckt.
Da tun sich jetzt 2 Fragen auf:
1. Wo laufen die Kabel vom Killschalter lang, aus dem Kabel vom Gasgriff richtung Scheinwerfer kommen 8 Kabel raus Orange, Orage/Weiß, Orange/Blau, Grau, 2x Schwarz die sich zu nem 6er Stecker Bündeln und ein Gelb/Weißes und Gelb/Grünes die zu einem anderen Stecker verlaufen. Die 4 Kabel vom Killschalter kommen irgenwo unter dem Zündschloss raus, aber ich sehe keine Verbindung zum Schalter.

2. Gehe ich richtig in der Annahme, dass das Gelb/Grüne Kabel vom Startknopf zum Anlasser geht und für den Wackelkontakt verantwortlich ist?
Pershing ist offline   Mit Zitat antworten
Alt 21.04.2009, 17:43:10   #5
Pershing
Benutzer
 
Registriert seit: 23.08.2008
Ort: Recklinghausen
Alter: 36
Beiträge: 44
Baujahr: 1997
Standard Re: Startknopf nach Sturz kaputt ?!

So, bin ein bisschen schlauer.

Hab den Wackelkontakt jetzt mal grob auf das Gelb/grüne Kabel vom E-Starter zum Anlasserrelai eingegrenzt.
Mittlerweile ist es wieder so, dass die Maschine mal anspringt mal nicht.
An der grauen Verbindungsstelle im Schaltplan sind auch wenn die Karre nicht anspringt ca. 12 Volt zu messen, wenn ich den Starter drücke.
Also gehe ich mal davon, dass das Problem von der Verbindungsstelle abwärts Richtung Relais liegt.
Könnten denn jetzt theoretisch auch die anderen 3 Kabel (2x rot, 1x schwarz/weiß) die im Relais landen kaputt sein?
Komme mit dem Messtab nur schwer an die "Metallnöppel" dran, der zeigt mir immer 0 Volt an.
Wenn ich das Anlasserrelai trenne, leuchten meine Cockpitlampen nicht mehr, also Öl, Neutral usw.
Wie sind die denn damit verbunden und kann man dadurch eines der anderen 3 Kabel ausschließen, da die Lampen vom Wackelkontakt nicht betroffen sind?

PS: Vielleicht kann man den thread besser ins Elektronik Forum verschieben.
Pershing ist offline   Mit Zitat antworten
Alt 22.04.2009, 14:16:34   #6
Pershing
Benutzer
 
Registriert seit: 23.08.2008
Ort: Recklinghausen
Alter: 36
Beiträge: 44
Baujahr: 1997
Standard Re: Startknopf nach Sturz kaputt ?!

Keiner ne Idee?
Pershing ist offline   Mit Zitat antworten
Alt 22.04.2009, 15:37:22   #7
Saugwurmmensch
Public-Relations-Manager
 
Benutzerbild von Saugwurmmensch
 
Registriert seit: 19.07.2004
Ort: Strausberg
Alter: 42
Beiträge: 24.180
Baujahr: 1998
Kilometer: 22000
Standard Re: Startknopf nach Sturz kaputt ?!

Miss doch einfach die paar restlichen kabel auch noch durch.
Das Anlasserrelais ist nur in die Gummihalterung gesteckt. Wenn du das rausziehst, kommst du vielleicht besser an die Kabel.
Ansonsten hat die GS eine einzige Hauptsicherung. (grüner Halter) Und die Ersatzsicherung steckt in dem Gummi, den auch das Anlasserrelais hält.
Ohne die Sicherung ist die gesamte GS-Elektrik tot. Wundert also nicht, dass nach abziehen des Steckers keine Lampe mehr leuchtet
__________________
Wer hat noch keinen Organspendeausweis ?

Warning: may contain Verballhornung.
Suzuki - ride the wings of stain !
Saugwurmmensch ist offline   Mit Zitat antworten
Alt 22.04.2009, 16:56:49   #8
Pershing
Benutzer
 
Registriert seit: 23.08.2008
Ort: Recklinghausen
Alter: 36
Beiträge: 44
Baujahr: 1997
Standard Re: Startknopf nach Sturz kaputt ?!

Achso, der Metallpömpel ist das Relais.
Ich wollte die 4 Kabel messen die an dem roten Fuse Stecker reingehen.
Daür hab ich das Ding auseinander gezogen. Wie krieg ich denn jetzt das Ende vom Gelb/grünen Kabel gemessen, wenn ich den Roten und grünen Stecker nicht trennen darf
Pershing ist offline   Mit Zitat antworten
Alt 22.04.2009, 17:11:57   #9
Saugwurmmensch
Public-Relations-Manager
 
Benutzerbild von Saugwurmmensch
 
Registriert seit: 19.07.2004
Ort: Strausberg
Alter: 42
Beiträge: 24.180
Baujahr: 1998
Kilometer: 22000
Standard Re: Startknopf nach Sturz kaputt ?!

Kommste da nicht vor und hinter dem Stecker dran?

Das Relais macht keinen Mucks, wenn die Kiste nicht starten will?
Weiß nicht, ob das Relais noch irgendwie Feedback vom Anlasser bekommt, sodass es kein Geräusch macht, wenn kein Anlasser dran hängt. Kann ich mir aber nicht vorstellen.
Also liegt das Problem doch entweder am Relais selbst oder zwischen Startknopf und Relais oder Batterie und Relais.
__________________
Wer hat noch keinen Organspendeausweis ?

Warning: may contain Verballhornung.
Suzuki - ride the wings of stain !
Saugwurmmensch ist offline   Mit Zitat antworten
Alt 22.04.2009, 17:28:42   #10
Pershing
Benutzer
 
Registriert seit: 23.08.2008
Ort: Recklinghausen
Alter: 36
Beiträge: 44
Baujahr: 1997
Standard Re: Startknopf nach Sturz kaputt ?!

Relais macht keinen Ton, deswegen hab ich auch das Gelb/grüne Kabel vom Startknopf zum Fuse Stecker in Verdacht.
Das Signal geht vom Statknopf selber aus, wenn ich diesen Drücke fließen schonmal 12 Volt.
Wenn kein Signal am Relais ankommt, tut es so als wäre nix.

Das Dicke schwarze Kabel vom Relais zum zum Anlasser wollt ich als letztes testen, da ich dafür die Anlasserabdeckung abmachen muss, weiß nicht ob das geht ohne den Vergaser auszubauen. Aber wenn das Relais normal einen Ton macht, wenn bis dahin alles funktioniert, kann ich das Kabel schonmal ausschließen

Ist jetzt gerade aber auch blöd, weil zur Zeit springt sie an. Muss ich warten oder solang rumfummeln bis das Probelm wieder auftritt und dann messen.

Danke schonmal für die Hilfe, langsam komm ich der Ursache näher.


Edith:

Kam, von hinten an das Gelb/grüne Kabel dran, wenn ich den Startknopf drücke, kommen 9,40 Volt an dem Kabel an obwohl 12,xx Volt losgeschickt werden.
Deutet das auf einen Kabelbruch hin, oder brauch das Relais nicht mehr Volt und die bleiben irgendwo auf der Strecke?
Pershing ist offline   Mit Zitat antworten
Alt 22.04.2009, 19:20:55   #11
AmigaHarry
Erfahrener Benutzer
 
Benutzerbild von AmigaHarry
 
Registriert seit: 13.11.2005
Ort: Perchtoldsdorf
Alter: 64
Beiträge: 5.318
Kilometer: 1.1mio
Standard Re: Startknopf nach Sturz kaputt ?!

1. Gelb/grün geht nach den Starterknopf auch noch über den Kupplungsschalter bevor es zum Anlasserrelais kommt. Also auch diesen überprüfen.
2. Sollte das Relais defekt sein kann es sehr wohl Strom aufnehmen (wobei die Spannung dann einbricht) ohne das es etwas tut! Hänge also mal Gelb/grün vom Relais ab und sieh nach ob dann 12V am Kabel anliegen. Wenn ja (was ich für sehr warscheinlich halte) liegt es an der Steuerspule des Anlasserrelais. Diese hat einen Widerstand von 3-5 Ohm. Diese kannst du nur richtig Messen wenn MINDESTENS ein Pol abgehängt ist (also z.B. gleich gelb/grün)! Sonst misst du die Innenwiderstände aller möglichen Komponenten der Suzi mit.....
AmigaHarry ist offline   Mit Zitat antworten
Alt 23.04.2009, 07:13:04   #12
cha0s
Gast
 
Beiträge: n/a
Standard Re: Startknopf nach Sturz kaputt ?!

Zitat:
Zitat von AmigaHarry
Diese kannst du nur richtig Messen wenn MINDESTENS ein Pol abgehängt ist (also z.B. gleich gelb/grün)! Sonst misst du die Innenwiderstände aller möglichen Komponenten der Suzi mit.....
bzw. wird er nie wieder was messen wenn er bei angeklemmten meßgerät den startknopf drückt
  Mit Zitat antworten
Alt 23.04.2009, 07:25:32   #13
AmigaHarry
Erfahrener Benutzer
 
Benutzerbild von AmigaHarry
 
Registriert seit: 13.11.2005
Ort: Perchtoldsdorf
Alter: 64
Beiträge: 5.318
Kilometer: 1.1mio
Standard Re: Startknopf nach Sturz kaputt ?!

Wenn er einen Pol abgeklemmt hat, darf er das sogar, ohne das er das Multimeter in den Himmel befördert.......
AmigaHarry ist offline   Mit Zitat antworten
Alt 24.04.2009, 09:09:06   #14
F4lke
Benutzer
 
Registriert seit: 16.07.2007
Ort: Würzburg
Alter: 38
Beiträge: 70
Standard Re: Startknopf nach Sturz kaputt ?!

Es sei denn, er schaltet auf den Ampere-Messbereich!

Wenn du den Wackelkontakt auf eine bestimmte Leitung eingegrenzt hast, klemms beidseitig ab und messe dann einfach den Innenwiderstand der Leitung wenn es beidseitig abgeklemmt ist und einfach am Kabel rumwackeln. Ausserdem denk ich, dass über 9V für ein Relais reichen dürften.
__________________
Es gibt 10 Arten von Menschen, die einen die das binäre Zahlensystem verstehen und die anderen...

GS 500F von 2004 (Orginalzustand)
F4lke ist offline   Mit Zitat antworten
Alt 24.04.2009, 20:53:54   #15
Pershing
Benutzer
 
Registriert seit: 23.08.2008
Ort: Recklinghausen
Alter: 36
Beiträge: 44
Baujahr: 1997
Standard Re: Startknopf nach Sturz kaputt ?!

Zitat:
Zitat von AmigaHarry
1. Gelb/grün geht nach den Starterknopf auch noch über den Kupplungsschalter bevor es zum Anlasserrelais kommt. Also auch diesen überprüfen.
Hab ich im Schaltplan nix von gesehen, wo ist denn der Kupplungsschalter?


Zitat:
Zitat von AmigaHarry
2. Sollte das Relais defekt sein kann es sehr wohl Strom aufnehmen (wobei die Spannung dann einbricht) ohne das es etwas tut! Hänge also mal Gelb/grün vom Relais ab und sieh nach ob dann 12V am Kabel anliegen. Wenn ja (was ich für sehr warscheinlich halte) liegt es an der Steuerspule des Anlasserrelais. Diese hat einen Widerstand von 3-5 Ohm. Diese kannst du nur richtig Messen wenn MINDESTENS ein Pol abgehängt ist (also z.B. gleich gelb/grün)! Sonst misst du die Innenwiderstände aller möglichen Komponenten der Suzi mit.....
Werd ich morgen mal testen.
Kann ich das Kabel einfach aus dem Fuse Stecker rausziehen und wieder reinstecken?

Dann hoff ich mal, dass mir das Multimeter nicht explodiert.
Pershing ist offline   Mit Zitat antworten
Alt 25.04.2009, 13:52:00   #16
cha0s
Gast
 
Beiträge: n/a
Standard Re: Startknopf nach Sturz kaputt ?!

Zitat:
Zitat von Pershing
Kann ich das Kabel einfach aus dem Fuse Stecker rausziehen und wieder reinstecken?
hää, fuse? grundsätzlich kannst du alle stecker auftrennen und wieder zusammenstecken ohne dass irgendwas schaden nimmt.
  Mit Zitat antworten
Alt 25.04.2009, 15:49:29   #17
Pershing
Benutzer
 
Registriert seit: 23.08.2008
Ort: Recklinghausen
Alter: 36
Beiträge: 44
Baujahr: 1997
Standard Re: Startknopf nach Sturz kaputt ?!

Hatte das Relais ausgebaut und dann wieder eingebaut und ein bisschen an den Kabeln rumgefummelt, dann sprang die Kiste wieder nicht an.
Hab dann am Gelb/Grünen Kabel 0 Volt gemessen, hab dann den Lenker hin und hergeschlagen bis es wieder ging und dann 10 Volt gemessen.

Jetzt wollt ich das Kabel einfach mal mit einem anderen Kabel überbrücken.
Was brauch ich denn da für ein Kabel? 1,5mm?
Weiß jemand wo ich so Kabel meterweise kaufen kann, am besten auch gleich in gelb/grüner Isolierung?
Pershing ist offline   Mit Zitat antworten
Alt 25.04.2009, 18:06:57   #18
AmigaHarry
Erfahrener Benutzer
 
Benutzerbild von AmigaHarry
 
Registriert seit: 13.11.2005
Ort: Perchtoldsdorf
Alter: 64
Beiträge: 5.318
Kilometer: 1.1mio
Standard Re: Startknopf nach Sturz kaputt ?!

Der Kupplungsschalter befindet sich natürlich beim Kupplungshebel! Solltest du ein Importmodell besitzen kann es sein das du den nicht hast (statt dessen ist eine Diode eingebaut). Wenn du also bisher ohne die Kupplung zu ziehen starten konntest hast du diesen Schalter nicht, oder er wurde vom Vorbesitzer überbrückt. Ich nehme auch an, daß deine Kontaktprobleme dort oder am Eingang zum Starterknopfgehäuse (bzw. an den Steckern) zu suchen sind. Bevor du hier was überbrückst (wo du dann möglicherweise mit dem TÜV Probleme kriegst) prüfe also erstmal die Steckverbinder dieser Kabelstränge und den Durchgang der Schalter bei Bewegung. Wenn die Kabel brechen dann gerne beim Eingang ins Schaltergehäuse.....
Welchen Schaltplan verwendest du? Kenne keinen an dem der Kupplungsschalter nicht eingezeichnet wäre........
AmigaHarry ist offline   Mit Zitat antworten
Alt 25.04.2009, 18:55:29   #19
Multiman
Stammtisch Franken
 
Benutzerbild von Multiman
 
Registriert seit: 06.03.2008
Ort: Kronshagen / Mistelgau (bei Bayreuth)
Alter: 38
Beiträge: 1.928
Baujahr: 1992
Standard Re: Startknopf nach Sturz kaputt ?!

ab welchem jahr gabs den kupplungschalter? ^^'
weil meine bj92 geht ohne kupplung an
__________________
GS 500 E KM-Stand Gekauft:39.393 Aktuelle: 57.000
GPX 600 R KM-Stand Gekauft:50.884 Aktuelle: 54.000
Multiman ist offline   Mit Zitat antworten
Alt 25.04.2009, 18:57:57   #20
Pershing
Benutzer
 
Registriert seit: 23.08.2008
Ort: Recklinghausen
Alter: 36
Beiträge: 44
Baujahr: 1997
Standard Re: Startknopf nach Sturz kaputt ?!

Konnte bisher immer starten ohne die Kupplung zu ziehen.
Benutze diesesn Schaltplan, dort geht das gelb/grüne Kabel vom Starter durch zum Relais.

Den Startknopf selbst habe ich ausgeschlossen, weil ich an der Steckverbindung im Scheinwerfergehäuse immer die nötigen 12 Volt habe, wenn ich den Knopf drücke.
Ob die Maschine anspringt oder nicht, die 12 Volt werden immer "losgeschickt".
Pershing ist offline   Mit Zitat antworten
Alt 25.04.2009, 20:12:52   #21
AmigaHarry
Erfahrener Benutzer
 
Benutzerbild von AmigaHarry
 
Registriert seit: 13.11.2005
Ort: Perchtoldsdorf
Alter: 64
Beiträge: 5.318
Kilometer: 1.1mio
Standard Re: Startknopf nach Sturz kaputt ?!

Dieser Schaltplan ist auch einem der nachgemachten Reparaturhandbücher - kein offizieller von Suzuki und nicht vollständig.
Der Kupplungsschalter wurde bereits ab der ersten GS (89) vebaut, aber nicht für jedes Land (damals für E3/28/33, kurz darauf auch für E24/02/04....), ab 97 dann für alle... - deine sollte das dann eigentlich haben - so sie eine echte 97er ist und nicht eine frühere die erst 97 angemeldet wurde......
AmigaHarry ist offline   Mit Zitat antworten
Alt 25.04.2009, 21:04:03   #22
Pershing
Benutzer
 
Registriert seit: 23.08.2008
Ort: Recklinghausen
Alter: 36
Beiträge: 44
Baujahr: 1997
Standard Re: Startknopf nach Sturz kaputt ?!

Von der Rahmennummer her ist es schon Baujahr 1997.
Dann werd ich morgen mal nach diesem Kupplungsschalter suchen.
Hat den jemand einen vollständigen Schaltplan für Baujahr 97?
Macht ja wenig Sinn mit einem unvollständigen zu arbeiten.
Pershing ist offline   Mit Zitat antworten
Alt 27.04.2009, 14:39:34   #23
Pershing
Benutzer
 
Registriert seit: 23.08.2008
Ort: Recklinghausen
Alter: 36
Beiträge: 44
Baujahr: 1997
Standard Re: Startknopf nach Sturz kaputt ?!

Ich habe einen Kupplungsschalter und der Schlauch durch den die beiden Kabel laufen hat einen Riss. Wäre möglich, dass der durch den Sturz entstanden ist.

Am eingehenden Kabel vom Kupplungsschalter habe ich 12 Volt.
Wie kann ich denn den Kupplungsschalter selber testen?

Edit:
Hab den Schalter überbrückt, kommen trotzdem nur 9,6 Volt am Relais an.
Wie kann ich das rückführende Kabel auf einen Bruch testen?
Pershing ist offline   Mit Zitat antworten
Alt 28.04.2009, 07:44:48   #24
AmigaHarry
Erfahrener Benutzer
 
Benutzerbild von AmigaHarry
 
Registriert seit: 13.11.2005
Ort: Perchtoldsdorf
Alter: 64
Beiträge: 5.318
Kilometer: 1.1mio
Standard Re: Startknopf nach Sturz kaputt ?!

Wie misst du die Spannung genau? Wo nimmst du die Masse ab? Am Relais oder irgendwo anders?
Hast du die reine Leerlaufspannung (d.h. ohne das Relais als Last) gemessen? Dazu das Relais abklemmen und nur an den Kabeln direkt messen.
AmigaHarry ist offline   Mit Zitat antworten
Alt 29.04.2009, 15:27:24   #25
Pershing
Benutzer
 
Registriert seit: 23.08.2008
Ort: Recklinghausen
Alter: 36
Beiträge: 44
Baujahr: 1997
Standard Re: Startknopf nach Sturz kaputt ?!

Ich steck den schwarzen Messer vom Multimeter in ein Loch in der Gabelbrücke und mit dem roten am Kabel selber.

Hab jetzt mal das gelb/grüne Kabel vom Kupplungsschalter bis zum Fuse Stecker überbrückt.
Kabel ist in Ordnung, kommen trotzdem nur 9,45 Volt an.
Entweder da zieht irgendetwas anderes den Strom weg, oder das ist ganz normal.

Könnte vielleicht mal jemand an seiner GS gucken, wie viel Volt am Ende des gelb/grünen Kabels ankommen? Geht ganz schnell, es muss nur die Linke Verkleidung abgemacht werden.

Werde mal das mit der Leerlaufspannung testen.
Pershing ist offline   Mit Zitat antworten
Alt 29.04.2009, 15:47:58   #26
cha0s
Gast
 
Beiträge: n/a
Standard Re: Startknopf nach Sturz kaputt ?!

ich geh gleich messen. stell die karre mal auf den hauptständer, seitenständer rein, anlasserrelais abklemmen, zündschlüssel raus. mess mal den widerstand zwischen irgendeiner orangenen strippe und der grün/gelben bei gedrückten startknopf. killschalter auf "run"
  Mit Zitat antworten
Alt 29.04.2009, 16:04:06   #27
Pershing
Benutzer
 
Registriert seit: 23.08.2008
Ort: Recklinghausen
Alter: 36
Beiträge: 44
Baujahr: 1997
Standard Re: Startknopf nach Sturz kaputt ?!

Zitat:
Zitat von cha0s
ich geh gleich messen. stell die karre mal auf den hauptständer, seitenständer rein, anlasserrelais abklemmen, zündschlüssel raus. mess mal den widerstand zwischen irgendeiner orangenen strippe und der grün/gelben bei gedrückten startknopf. killschalter auf "run"
Wie klemm ich das Anlasserrelais denn richtig ab?
Hab jetzt einfach das rote und schwarze Kabel vom Relais abgeschraubt.

Hab das jetzt so gemacht und einen Widersatnd von ca. 11 Ohm gemessen, es machte keinen unterschied, ob der Startknopf gedrückt war oder nicht.
Pershing ist offline   Mit Zitat antworten
Alt 29.04.2009, 16:48:44   #28
cha0s
Gast
 
Beiträge: n/a
Standard Re: Startknopf nach Sturz kaputt ?!

hm nee, da hast du was falsch gemacht. die strecke von orange nach grün/ gelb ist von zünd-plus über seitenständerrelais zum killschalter und von da aus zum anlasserknopf. ggf. kupplungsschalter noch drinn. dauernd 11ohm ohne den knopf zu drücken kann also nicht sein. mit abklemmen meinte ich vor allen das grün/ gelbe ab, da sollst du wenn möglich messen. rot oder schwarz ab zur sicherheit.

edit: hab übrigends volle batteriespannung am grün/ gelben eingang des relais.
  Mit Zitat antworten
Alt 29.04.2009, 16:55:23   #29
Pershing
Benutzer
 
Registriert seit: 23.08.2008
Ort: Recklinghausen
Alter: 36
Beiträge: 44
Baujahr: 1997
Standard Re: Startknopf nach Sturz kaputt ?!

Alles merkwürdig.

Wie klemm ich denn das gelb/grüne Kabel ab, kann es ja nicht einfach aus der Fassung ziehen?
Pershing ist offline   Mit Zitat antworten
Alt 29.04.2009, 16:58:16   #30
cha0s
Gast
 
Beiträge: n/a
Standard Re: Startknopf nach Sturz kaputt ?!

ich hab durch die isolierung durchgestochen. hab allerdings auch sehr feine meßspitzen. alternative is kabel auftrennen und nachher wieder verlöten/ verklemmen und neu mit isolierband abdichten.
  Mit Zitat antworten
Alt 29.04.2009, 17:17:59   #31
AmigaHarry
Erfahrener Benutzer
 
Benutzerbild von AmigaHarry
 
Registriert seit: 13.11.2005
Ort: Perchtoldsdorf
Alter: 64
Beiträge: 5.318
Kilometer: 1.1mio
Standard Re: Startknopf nach Sturz kaputt ?!

Ich denke es ist weit einfacher wenn du nur den Widerstand der einzelnen Kabel vom Relais weg zum Starterknopf bzw. zur Masse misst..... wenn da mehr als 1-2 Ohm sind stimmt was nicht.... Alle Kabel lassen sich vom Relais abziehen bzw. abschrauben! in deinem Fall gehts aber nur um die Steuerleitungen - das sind die beiden dünnen Kabel........

Ich hoffe du hast deine 12V am Eingang zum Starterknopf auch mit eingeschaltenem Engine-Stopp-Schalter gemessen, denn die CDI zieht im Stillstand auch Strom - und gar nicht mal wenig - du würdest sonst "Äpfel mit Birnen" vergleichen.....das würde dann deine 9V erklären........
AmigaHarry ist offline   Mit Zitat antworten
Alt 29.04.2009, 17:51:32   #32
Pershing
Benutzer
 
Registriert seit: 23.08.2008
Ort: Recklinghausen
Alter: 36
Beiträge: 44
Baujahr: 1997
Standard Re: Startknopf nach Sturz kaputt ?!

Ich blick da langsam nicht mehr durch.
Meine Batterie leert sich durch das ständige Knopf gedrücke auch langsam.

@cha0s
Wenn ich nur eine offene Stelle zum messen brauche vor dem Stecker, reicht es ja auch wenn ich den Messstab am Kupplungsschalter in das Kabel stecke. Auch da hab ich nur 10 - 11 Ohm unabhängig davon ob ich den Knopf drücke.


@AmigaHarry
Ist mit Masse der Minus-Pol der Batterie gemeint?
Den Eingang zum Starterknopf hab ich garnicht gemessen.
Die 12 Volt hab ich an der Metallverbindung hinter dem Scheinwerfer gemessen.
Aber wenn am Startknopf keine 12 Volt ankommen würden, würden diese auch nicht 20 cm weiter auftauchen.
Hab alles mit eingeschaltetem Killschalter gemessen, fließt denn überhaupt Strom wenn dieser Aus ist?

Das was ich an diesen 9 ,4 Volt nicht verstehe ist ja, dass ich in dem gelb/grünen Kabel bis zu einem Punkt immer 12 Volt habe, wenn ich den Knopf drücke. Am gleichen Kabel ein paar cm weiter messe ich aufeinmal 9 Volt. Ich mein wenn etwas anderes Strom ziehen würde, müsste ich überall die 9 Volt haben. Der Strom denkt sich ja nicht, "och, das ist eine schöne Stelle ab hier klau ich mir mal 3 Volt."
Pershing ist offline   Mit Zitat antworten
Alt 29.04.2009, 18:07:23   #33
cha0s
Gast
 
Beiträge: n/a
Standard Re: Startknopf nach Sturz kaputt ?!

haste nächsten montag nachmittag was vor?
  Mit Zitat antworten
Alt 30.04.2009, 20:42:56   #34
AmigaHarry
Erfahrener Benutzer
 
Benutzerbild von AmigaHarry
 
Registriert seit: 13.11.2005
Ort: Perchtoldsdorf
Alter: 64
Beiträge: 5.318
Kilometer: 1.1mio
Standard Re: Startknopf nach Sturz kaputt ?!

Zitat:
Zitat von Pershing
Aber wenn am Startknopf keine 12 Volt ankommen würden, würden diese auch nicht 20 cm weiter auftauchen.
Hab alles mit eingeschaltetem Killschalter gemessen, fließt denn überhaupt Strom wenn dieser Aus ist?

Das was ich an diesen 9 ,4 Volt nicht verstehe ist ja, dass ich in dem gelb/grünen Kabel bis zu einem Punkt immer 12 Volt habe, wenn ich den Knopf drücke. Am gleichen Kabel ein paar cm weiter messe ich aufeinmal 9 Volt. Ich mein wenn etwas anderes Strom ziehen würde, müsste ich überall die 9 Volt haben. Der Strom denkt sich ja nicht, "och, das ist eine schöne Stelle ab hier klau ich mir mal 3 Volt."
Dann musst du dir diese "20 cm" genau ansehen, denn da MUSS was sein - wie du schon sagtest: der Strom verdünnisiert sich nicht von selbst........(da hat der gute Kirchhoff was dagegen ). Sieh dir vor allem alle Steckverbinder in diesem Bereich genau an.

Wenn der Notaus auf aus ist sollte normalerweise kein Starten möglich sein - normalerweise! Villeicht hat aber dein Sturz wo Kontakte geschaffen wo keine hingehören....
AmigaHarry ist offline   Mit Zitat antworten
Alt 02.05.2009, 08:53:04   #35
cha0s
Gast
 
Beiträge: n/a
Standard Re: Startknopf nach Sturz kaputt ?!

wir werden uns das am montag gemeinsam ansehen. hab mal n seitenständer- und anlasserrelais bereitgelegt, schaden kanns ja nich wenn ich die dinge mitnehme.
  Mit Zitat antworten
Alt 02.05.2009, 17:50:46   #36
cha0s
Gast
 
Beiträge: n/a
Standard Re: Startknopf nach Sturz kaputt ?!

@amiga, im whb ist der kupplungsschalter nicht beschrieben, kannst du mir ne grobe skizze machen wie der schalter auf den anlasserstromkreis wirkt?
  Mit Zitat antworten
Alt 02.05.2009, 20:27:02   #37
AmigaHarry
Erfahrener Benutzer
 
Benutzerbild von AmigaHarry
 
Registriert seit: 13.11.2005
Ort: Perchtoldsdorf
Alter: 64
Beiträge: 5.318
Kilometer: 1.1mio
Standard Re: Startknopf nach Sturz kaputt ?!

der hängt einfach seriell in der Leitung zwischen Starterknopf und Relais......
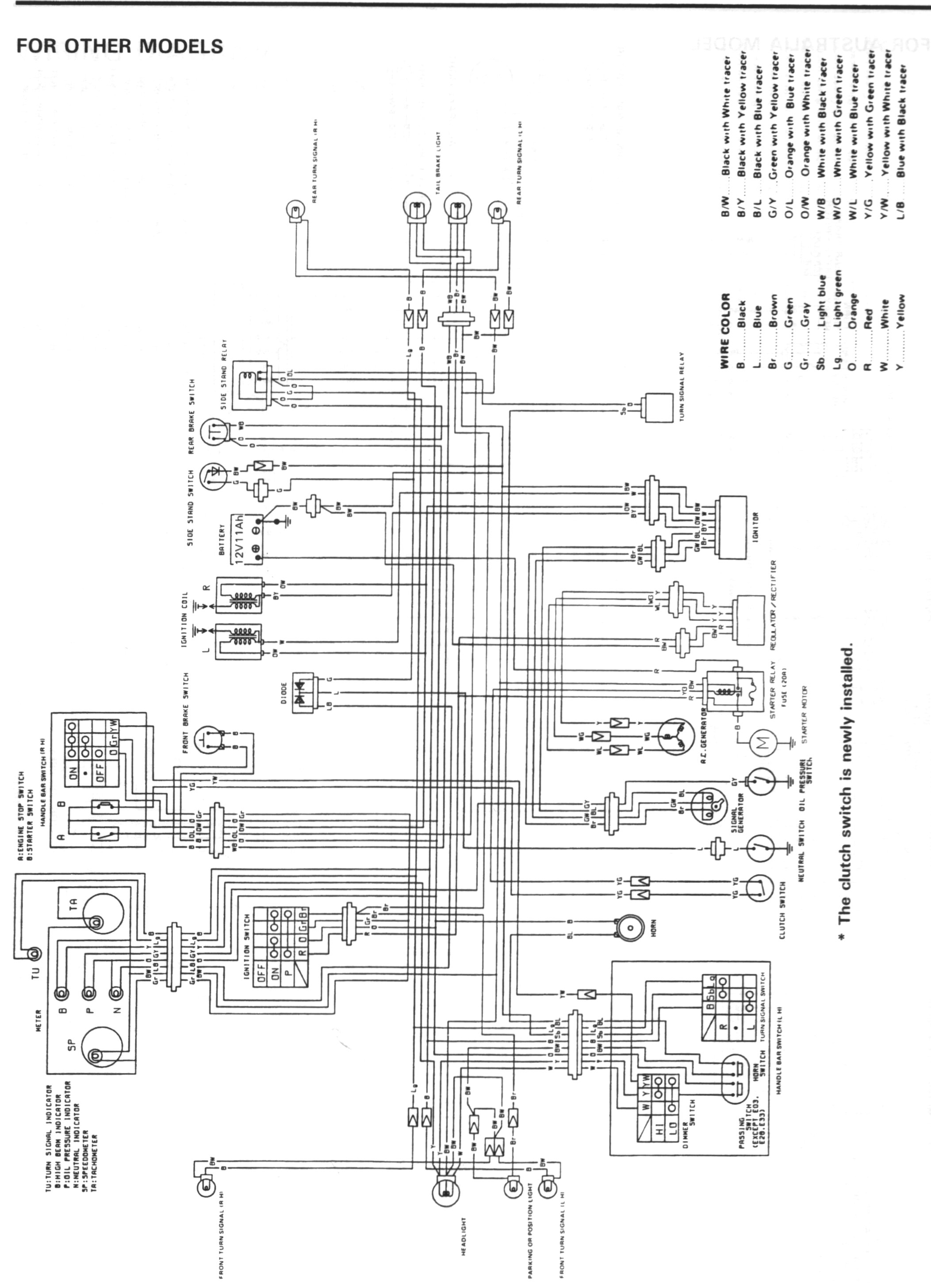
(kann keine Bilder hochladen - weis nicht warum.... - sende mir PN dann kriegst du den Schaltplan direkt.....)
AmigaHarry ist offline   Mit Zitat antworten
Alt 02.05.2009, 20:33:10   #38
AmigaHarry
Erfahrener Benutzer
 
Benutzerbild von AmigaHarry
 
Registriert seit: 13.11.2005
Ort: Perchtoldsdorf
Alter: 64
Beiträge: 5.318
Kilometer: 1.1mio
Standard Re: Startknopf nach Sturz kaputt ?!

Jetzt gehts....
Miniaturansicht angehängter Grafiken
Klicke auf die Grafik für eine größere Ansicht

Name:	Schaltplan97.jpg
Hits:	1240
Größe:	491,0 KB
ID:	3888  
AmigaHarry ist offline   Mit Zitat antworten
Alt 04.05.2009, 18:14:14   #39
cha0s
Gast
 
Beiträge: n/a
Standard Re: Startknopf nach Sturz kaputt ?!

na denn. der kupplungsschalter ist auf jeden fall hinnüber. mal geht er, mal geht er nicht, stellenweise zog das abnlasserrelais an obwohl die kupplung garnicht gezogen war. das anlasserrelais hatte zwar auch mal einen kurzen, der im ausgebauten zustand allerdings wieder weg war. dieses problem läßt sich aber auf isolationsprobleme im scheinwerfer zurück führen. ich bin mir ziemlich sicher daß die geschichte mit einen neuen kupplungsschalter gegessen ist. sonst fahr ich nochmal hin, den weg kenn ich ja jetzt
  Mit Zitat antworten
Alt 04.05.2009, 20:41:32   #40
Pershing
Benutzer
 
Registriert seit: 23.08.2008
Ort: Recklinghausen
Alter: 36
Beiträge: 44
Baujahr: 1997
Standard Re: Startknopf nach Sturz kaputt ?!



Vielen Dank nochmal für die Hilfe.
Es kommt wieder Hoffnung auf, meld mich hier wieder wenn es erste Erkenntnisse gibt.
Pershing ist offline   Mit Zitat antworten
Alt 22.05.2009, 17:00:08   #41
Pershing
Benutzer
 
Registriert seit: 23.08.2008
Ort: Recklinghausen
Alter: 36
Beiträge: 44
Baujahr: 1997
Standard Re: Startknopf nach Sturz kaputt ?!

Problem ist seit 400 km nicht mehr aufgetreten.
Also war es zum Glück nur der Kupplungsschalter.

Pershing ist offline   Mit Zitat antworten
Alt 22.05.2009, 20:01:21   #42
AmigaHarry
Erfahrener Benutzer
 
Benutzerbild von AmigaHarry
 
Registriert seit: 13.11.2005
Ort: Perchtoldsdorf
Alter: 64
Beiträge: 5.318
Kilometer: 1.1mio
Standard Re: Startknopf nach Sturz kaputt ?!

Schön das es nicht mehr war.....
AmigaHarry ist offline   Mit Zitat antworten
Antwort

Lesezeichen


Forumregeln
Es ist dir nicht erlaubt, neue Themen zu verfassen.
Es ist dir nicht erlaubt, auf Beiträge zu antworten.
Es ist dir nicht erlaubt, Anhänge hochzuladen.
Es ist dir nicht erlaubt, deine Beiträge zu bearbeiten.

BB-Code ist an.
Smileys sind an.
[IMG] Code ist aus.
HTML-Code ist aus.

Gehe zu

Ähnliche Themen
Thema Autor Forum Antworten Letzter Beitrag
Lenkerschaden nach Sturz Josua Klaus Fahrwerk 34 02.06.2008 19:50:28
Problem bei instandsetztung nach Sturz... Suse_84 Fahrwerk 5 16.08.2007 08:55:00
Anlasser nach überbrücken kaputt? Gyroscope Motor, Getriebe, Kettensatz 11 24.01.2007 14:38:41
Reperatur nach Sturz Auspuff 2 12.08.2004 16:43:26
Lenkerschaden nach Sturz Verkleidungen, Anbauteile und Zubehör 6 11.10.2003 03:37:58


Alle Zeitangaben in WEZ +1. Es ist jetzt 10:42:54 Uhr.


Powered by vBulletin® Version 3.8.9 (Deutsch)
Copyright ©2000 - 2026, vBulletin Solutions, Inc.