gs-500.de  

Zurück   gs-500.de > GS500(E/F) > Vergaser - Kraftstoff - Drosseln - Tuning

Hinweise

Antwort
 
Themen-Optionen
Alt 19.09.2010, 17:23:26   #1
Küstennebel
Neuer Benutzer
 
Registriert seit: 14.08.2009
Ort: Goangelloch
Alter: 61
Beiträge: 27
Baujahr: 1993
Kilometer: 50230
Standard läuft nur auf PRI

moin moin
habe leider nichts zum tehma gefunden
habe nen kleines problemchen, war heut mal wieder unterwegs las sie meist im stand etwas warm laufen dan cock raus und los geht (sonst immer) das problemchen was heute auftrat ist in normaler benzinhanstellung und auch auf reserve geht sie mir immer wieder aus bin dan auf PRI bis nach hause bevor ich als schrauber nub auf ursachen forschung geh hoff ich das jemand helfen kann
danke im voraus
Küstennebel ist offline   Mit Zitat antworten
Alt 19.09.2010, 17:25:40   #2
Jais
Erfahrener Benutzer
 
Benutzerbild von Jais
 
Registriert seit: 20.08.2007
Ort: HRO
Alter: 37
Beiträge: 3.244
Baujahr: 2001
Kilometer: 25000
Standard

Hast du vor kurzem an der Maschine rumgeschraubt? Dann hast du vielleicht nur vergessen, den Unterdruckschlauch wieder an den Vergaser anzuschließen.

Ansonsten Unterdruckschlauch kontrollieren auf Risse oder ähnliche Beschädigungen.
__________________
Gruß, Jais

スズキ

In reality, we are still children. We want to find a playmate for our thoughts and feelings
Jais ist offline   Mit Zitat antworten
Alt 19.09.2010, 18:00:58   #3
Küstennebel
Neuer Benutzer
 
Registriert seit: 14.08.2009
Ort: Goangelloch
Alter: 61
Beiträge: 27
Baujahr: 1993
Kilometer: 50230
Standard

nein hab nichts verändert letztes we war noch alles ok
Küstennebel ist offline   Mit Zitat antworten
Alt 24.09.2010, 21:35:44   #4
Küstennebel
Neuer Benutzer
 
Registriert seit: 14.08.2009
Ort: Goangelloch
Alter: 61
Beiträge: 27
Baujahr: 1993
Kilometer: 50230
Standard

na sind ja nicht so viele die mal nen tipp haben komm zur zeit nicht mal zum nachschauen kein we arbeit 12 am tag mit we werd aber bei gelegenheit mal schauen ob sich da was gelöst hat über weitere tips wär ich dank bar danke im voraus
Küstennebel ist offline   Mit Zitat antworten
Alt 25.09.2010, 07:08:09   #5
berndy
Super-Moderator
 
Benutzerbild von berndy
 
Registriert seit: 16.08.2006
Ort: Schifferstadt/Pfalz
Alter: 63
Beiträge: 10.720
Baujahr: 1995
Kilometer: 66666
Standard

So viel kanns ja auch nicht sein.

Unterdruckschlauch ab, gerissen ...

Benzinhahn defekt

Schmutz im Benzinhahn

Schläuche vertauscht

Schlauch geknickt.

Tank leer.

Die letzen drei schließe ich mal aus, hat ja keiner dran rum geschraubt und getankt wirst du ja haben.
berndy ist offline   Mit Zitat antworten
Alt 25.09.2010, 09:53:44   #6
JannF
Erfahrener Benutzer
 
Benutzerbild von JannF
 
Registriert seit: 26.07.2010
Ort: Oldenburg
Beiträge: 134
Baujahr: 2001
Kilometer: 8400
Standard

@Küstennebel: Wenn du Satzzeichen verwendest, liest sich alles leichter und du bekommst auch eher ne Rückmeldung....
__________________
JannF

JannF ist offline   Mit Zitat antworten
Alt 25.09.2010, 10:13:26   #7
cha0s
Gast
 
Beiträge: n/a
Standard

Zitat:
Zitat von JannF Beitrag anzeigen
Wenn du Satzzeichen verwendest, liest sich alles leichter und du bekommst auch eher ne Rückmeldung....
wenn wir jais und berndy jetzt noch dazu kriegen, solche posts nicht ohne den kritikpunkt "satzzeichen" zu beantworten, gibt sich der eine oder andere sicher etwas mehr mühe.
  Mit Zitat antworten
Alt 25.09.2010, 15:35:53   #8
rudibert
Erfahrener Benutzer
 
Benutzerbild von rudibert
 
Registriert seit: 04.04.2010
Ort: Dénia/Alicante
Alter: 62
Beiträge: 436
Baujahr: 1989
Kilometer: 33560
Daumen runter

Der in der Pornoindustrie verwendete Begriff Cock, hat auch wenig mit dem Choke zu tun, den wir an unseren Maschinen haben.
Nutzt doch ruhig mal das Internet, um z.B. Nachzuschauen, wie die Begriffe für Gegenstände sind oder Geschriebenes zu korrigieren.

Man nimmt einen Beitrag außerdem von vornherein anders war, wenn der Text Struktur erkennen läßt (Satzzeichen z.B. oder Worte, die wirklich in der deutschen Sprache existieren...) und nicht wie völliger Kauderwelsch daherkommt.

Und zu diesem Thema nichts zu finden, ist die ganz hohe Kunst des "Wald vor Bäumen nicht Sehens"
__________________
... wenn ich soviel würde, wie ich könnte, müßte ich definitiv zu oft tanken
rudibert ist offline   Mit Zitat antworten
Alt 26.09.2010, 15:08:42   #9
Jais
Erfahrener Benutzer
 
Benutzerbild von Jais
 
Registriert seit: 20.08.2007
Ort: HRO
Alter: 37
Beiträge: 3.244
Baujahr: 2001
Kilometer: 25000
Standard

Zitat:
Zitat von cha0s Beitrag anzeigen
wenn wir jais und berndy jetzt noch dazu kriegen, solche posts nicht ohne den kritikpunkt "satzzeichen" zu beantworten, gibt sich der eine oder andere sicher etwas mehr mühe.
Ich gelobe Besserung, kann aber für nix garantieren.
__________________
Gruß, Jais

スズキ

In reality, we are still children. We want to find a playmate for our thoughts and feelings
Jais ist offline   Mit Zitat antworten
Alt 07.10.2010, 21:52:47   #10
Küstennebel
Neuer Benutzer
 
Registriert seit: 14.08.2009
Ort: Goangelloch
Alter: 61
Beiträge: 27
Baujahr: 1993
Kilometer: 50230
Lächeln

Zitat:
Zitat von berndy Beitrag anzeigen
So viel kanns ja auch nicht sein.

Unterdruckschlauch ab, gerissen ...

Benzinhahn defekt

Schmutz im Benzinhahn

Schläuche vertauscht

Schlauch geknickt.

Tank leer.

Die letzen drei schließe ich mal aus, hat ja keiner dran rum geschraubt und getankt wirst du ja haben.
danke wie kann ich mit wenig aufwand heraus finden ob der benzinhan defekt ist,habe tank und sieb darin kontoliert ist ok und sauber kein rost schmutz oder ähnliches,auch keine abgerissenen oder geknickten schläuche gefunden
danke fürs bemühen bin halt kein schrauber ebend handwerker
Küstennebel ist offline   Mit Zitat antworten
Alt 07.10.2010, 23:07:24   #11
cha0s
Gast
 
Beiträge: n/a
Standard

trotz kritik gibt sich der user keine mühe. dann mach ich mir auch keine.
  Mit Zitat antworten
Alt 10.10.2010, 08:38:09   #12
berndy
Super-Moderator
 
Benutzerbild von berndy
 
Registriert seit: 16.08.2006
Ort: Schifferstadt/Pfalz
Alter: 63
Beiträge: 10.720
Baujahr: 1995
Kilometer: 66666
Standard

Den Unterdruckbenzinhahn kann man prinzipiell selber testen.

Der Hahn hat vier Anschlüsse. Auf der einen (rechten) Seite gehen zwei Schläuche rein, der eine ist für PRI/RES, der andere für ON. Links geht der Schlauch zum Vergaser. Auf der Rückseite ist noch der Anschluss für den Unterdruckschlauch. Dieser geht zu dem Stutzen am linken Vergaser. Sonst nirgends anschließen, das funktioniert nur dort.

Zum Testen baut man den Hahn aus und schließt an den entsprechenden Stutzen auf der rechten Seite ein Gefäß mit einer Flüssigkeit an. Dann saugt man an dem Stutzen auf der Rückseite. Sperrt das Ventil ohne Unterdruck, ists ok. Sperrte es nicht, anderen Stutzen versuchen. Gibt das Ventil mit Unterdruck frei, auch ok. Stellt man auf PRI muss die Flüssigkeit auch ohne Unterdruck laufen. Klappt das nicht, anderen Stutzen probieren.

Siehe auch:

http://forum.gs-500.de/showthread.php?t=16743

http://forum.gs-500.de/showthread.php?t=16744

Möglicherweise ist der Unterdruckschlauch zum Vergaser oder der Stutzen auch verstopft.

Es ist leider nicht jedem gegeben ein fehlerfreies Deutsch zu schreiben und die Interpunktion halbwegs zu beherrschen. Solange ich verstehe, was der Ratsuchende will, gibt es auch eine Antwort, wenn ich eine habe.
berndy ist offline   Mit Zitat antworten
Alt 10.10.2010, 14:10:34   #13
freaky930
Erfahrener Benutzer
 
Registriert seit: 27.01.2007
Ort: Köln
Beiträge: 136
Standard

moin!
schließ mal einen schlauch direkt an - den anderen verstopfen.

ich gehe mal stark davon aus das die membrane im benzinhahn kaputt ist.

24euronen bei louis sollten abhilfe schaffen...
__________________
StGB § 328 :Verursachen einer nuklearen Explosion: 5 Jahre Haft.
UrhG § 106,108a : Verbreitung von Raubkopien: 5 Jahre Haft.
freaky930 ist offline   Mit Zitat antworten
Alt 10.10.2010, 16:32:19   #14
berndy
Super-Moderator
 
Benutzerbild von berndy
 
Registriert seit: 16.08.2006
Ort: Schifferstadt/Pfalz
Alter: 63
Beiträge: 10.720
Baujahr: 1995
Kilometer: 66666
Standard

@freaky930 Was gibts denn bei Louis für 24 € ?

Für die Gs gibts keinen Reparatursatz für den Unterdruckbenzinhahn.

Ein neuer Unterdruckbenzinhahn kostet >50 €.

Den Unterdruckschlauch an einen anderen Stutzen anschließen, was soll das bringen? Der Stutzen am rechten Vergaser ist verschlossen.

Küstennebel soll doch einfach mal überprüfen, ob der Hahn tatsächlich defekt ist bzw. die Unterdruckleitung irgendwo verstopft ist.

Ansonsten bliebe noch eine preiswerte Alternative: ein einfacher Absperrhahn für 10 €.

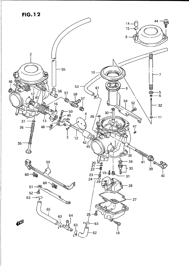
Der Unterdruckschlauch ist der mit der Nr: 53.

Der Benzinschlauch vom Benzinhahn wird an das T-Stück Nr. 58 angeschlossen. Und der Schlauch 55 geht über die Airbox ins Leere.
Miniaturansicht angehängter Grafiken
Klicke auf die Grafik für eine größere Ansicht

Name:	06a.GIF
Hits:	979
Größe:	55,8 KB
ID:	8382  
berndy ist offline   Mit Zitat antworten
Alt 11.10.2010, 18:01:18   #15
Küstennebel
Neuer Benutzer
 
Registriert seit: 14.08.2009
Ort: Goangelloch
Alter: 61
Beiträge: 27
Baujahr: 1993
Kilometer: 50230
Standard

ich bedanke mich für die hilfreichen,tips werd sie am we mal testen meine vermutung geht auch in richtung defektem benzihnhan, nicht der im tank!
und sory das ich kein lehrer bin und eder gramatik nicht so kundig bin wie mansch andrer hier.
noch mals danke werde berichten ob ich ervolg hatte kann etwas dauern
Küstennebel ist offline   Mit Zitat antworten
Antwort

Lesezeichen


Forumregeln
Es ist dir nicht erlaubt, neue Themen zu verfassen.
Es ist dir nicht erlaubt, auf Beiträge zu antworten.
Es ist dir nicht erlaubt, Anhänge hochzuladen.
Es ist dir nicht erlaubt, deine Beiträge zu bearbeiten.

BB-Code ist an.
Smileys sind an.
[IMG] Code ist aus.
HTML-Code ist aus.

Gehe zu

Ähnliche Themen
Thema Autor Forum Antworten Letzter Beitrag
Sprit läuft aus Astraholiker Vergaser - Kraftstoff - Drosseln - Tuning 21 18.03.2010 12:05:16
GS läuft synchronisiert, läuft nicht so doll Capt.Cockroach Fehlerdiagnose 10 13.09.2008 07:16:47
sprit läuft aus Vergaser - Kraftstoff - Drosseln - Tuning 6 18.10.2004 15:02:23
öl läuft Motor, Getriebe, Kettensatz 6 19.02.2003 21:58:17
Öl läuft aus... Motor, Getriebe, Kettensatz 2 29.08.2002 09:09:53


Alle Zeitangaben in WEZ +1. Es ist jetzt 00:54:57 Uhr.


Powered by vBulletin® Version 3.8.9 (Deutsch)
Copyright ©2000 - 2026, vBulletin Solutions, Inc.