gs-500.de  

Zurück   gs-500.de > GS500(E/F) > Fehlerdiagnose

Hinweise

Antwort
 
Themen-Optionen
Alt 22.07.2014, 18:55:27   #1
der schreiner
Stammtisch Rhein - Ruhr
 
Benutzerbild von der schreiner
 
Registriert seit: 07.07.2014
Ort: Wuppertal
Alter: 57
Beiträge: 613
Baujahr: 92
Kilometer: 25tkm
Ausrufezeichen Nur kurz gelaufen

Hallo,
ich habe Heute das erstemal versucht die Susi zu Starten. Nach längeren Örgeln, Überprüfung der Zündkerzen und allen Benzinhahneinstellungen sprang sie für ca 30 sek an. Sie lief verständlicher Weise etwas unruhig und machte trotz voll gezogenen Choke etwa 1200 U/min. Dann starb sie wieder ab und ließ sich auch leider nicht mehr zum laufen bewegen.
Das Bike ist Bj 92 und hat ca 5 Jahre unbewegt in der Garage gestanden. Ich habe hier in einigen Beiträgen etwas über die Benzinschläuche gelesen. Kann das auch hier der Fall gewesen sein? Tauschen wollte ich die so oder so, aber ich traue mich noch nicht wirklich an den Vergaser ran.
Gesehen und gelesen habe ich auch diese Seite:

http://www.gs-500.info/index.php?tit...chf%C3%BChrung

Damit sollte ich das wohl hin bekommen

Meine Frage ist daher, kann das auch an was anderem liegen? Hat schonmal jemand dieses Problem gehabt und eine Lösung gefunden?

Nebenbei bemerkt, da ist auch noch der alte Sprit im Tank. Mit dem habe ich das Startprozedere durchgeführt. Laut einem Bekannten wäre das Okay, bin mir aber nicht Sicher.

Über Hilfe wäre ich sehr Dankbar.
__________________
Gruß, vom schreiner !

Du hast im Leben 3 Möglichkeiten:
Nachgeben, Aufgeben oder alles geben
der schreiner ist offline   Mit Zitat antworten
Alt 22.07.2014, 18:58:19   #2
nightrage
Neuer Benutzer
 
Registriert seit: 03.02.2014
Beiträge: 29
Baujahr: 1996
Standard

Wenn sie lange stand würde ich mal die Vergaser reinigen. Hier kommen einige aus dem Raum Wuppertal, da kann dir bestimmt jemand helfen!

Zitat:
Zitat von der schreiner Beitrag anzeigen
Nebenbei bemerkt, da ist auch noch der alte Sprit im Tank. Mit dem habe ich das Startprozedere durchgeführt. Laut einem Bekannten wäre das Okay, bin mir aber nicht Sicher.
Kohlenwasserstoffe sind unter Ausschluss von Luft generell erstmal ewig "haltbar" afaik. Zum rumprobieren wird es noch reichen, danach einfach frischen Sprit tanken. Wenn sich die Gase verflüchtigen zündet es eh nicht mehr so gut.

Zitat:
Beim Ottokraftstoff können leichtflüchtige Bestandteile verdampfen und Kaltstart sowie Fahrverhalten in der Warmlaufphase der Motoren verschlechtern. Teilweise haben diese leichtflüchtigen Bestandteile auch eine relativ hohe Klopffestigkeit (ausgedrückt in Oktanzahlen), die sich dann auch verschlechtert.

Geändert von nightrage (22.07.2014 um 19:18:57 Uhr)
nightrage ist offline   Mit Zitat antworten
Alt 22.07.2014, 19:17:35   #3
berndy
Super-Moderator
 
Benutzerbild von berndy
 
Registriert seit: 16.08.2006
Ort: Schifferstadt/Pfalz
Alter: 63
Beiträge: 10.720
Baujahr: 1995
Kilometer: 66666
Standard

Benzin altert.

In dem Saft sind leichtflüchtige Bestandteile, die u.a. auch für ein besseres Zündverhalten verantwortlich sind.

Wenn Benzin zu alt ist bzw. wenn die leichtflüchtigen Bestandteile schon ausgedampft sind, zündet Benzin nur widerwillig bis gar nicht.

Ich würde das alte Benzin ablassen und neues probieren. Das alte Benzin kann man neuem Benzin beimischen und aufbrauchen.

Der Tipp mit dem Vergaser reinigen ist auch richtig. Es ist nicht zwangsläufig so aber nach längeren Standpausen leider sehr oft der Fall, dass auch Düsen zugesetzt sind.

Außerdem kann sich im Tank auch Kondenswasser angesammelt haben. Guck auch nach Rost im Tank.

Bevor du weitere Startversuche unternimmst, solltest du auch mal alle Schläuche kontrollieren. Wenn der Unterdruckschlauch des Benzinhahns porös ist, macht der Hahn nicht auf.

Die Schläuche würde ich aber nur tauschen, wenn das auch erforderlich ist, sprich, wenn die undicht sind und dann nur gegen qualitativ hochwertige Schläuche, keine Zubehör-Billigware. Die sind meistens schneller undicht wie die alten originalen.
__________________

Man sollte es so oder so nicht übertreiben.
berndy ist offline   Mit Zitat antworten
Alt 22.07.2014, 19:19:23   #4
der schreiner
Stammtisch Rhein - Ruhr
 
Benutzerbild von der schreiner
 
Registriert seit: 07.07.2014
Ort: Wuppertal
Alter: 57
Beiträge: 613
Baujahr: 92
Kilometer: 25tkm
Standard

Hätte es dann Sinn auch mal neuen Kraftstoff einzufüllen. Vielleicht auch mit einer höheren Oktanzahl (Super Plus)?
__________________
Gruß, vom schreiner !

Du hast im Leben 3 Möglichkeiten:
Nachgeben, Aufgeben oder alles geben
der schreiner ist offline   Mit Zitat antworten
Alt 22.07.2014, 19:22:21   #5
nightrage
Neuer Benutzer
 
Registriert seit: 03.02.2014
Beiträge: 29
Baujahr: 1996
Standard

Zitat:
Zitat von der schreiner Beitrag anzeigen
Hätte es dann Sinn auch mal neuen Kraftstoff einzufüllen. Vielleicht auch mit einer höheren Oktanzahl (Super Plus)?
Durch eine höhere Oktanzahl würde ein Motor im Normalfall ruhiger laufen, aber ich denke das Problem liegt an anderer Stelle.
Natürlich kannst du mal just for fun Plus tanken, neuer Sprit muss so oder so rein
nightrage ist offline   Mit Zitat antworten
Alt 22.07.2014, 19:28:08   #6
der schreiner
Stammtisch Rhein - Ruhr
 
Benutzerbild von der schreiner
 
Registriert seit: 07.07.2014
Ort: Wuppertal
Alter: 57
Beiträge: 613
Baujahr: 92
Kilometer: 25tkm
Standard

Den Unterdruckschlauch habe ich nur kurz Überblickt, dort konnte ich keine Schäden feststellen.
Rost ist ebenfalls nicht im Tank, konnte nichts bei der Sichtprobe entdecken und nach mehrfachen schütteln des Tankes waren auch keine Rostflocken im Benzin.

Ich werde mir Morgen erstmal neuen Sprit besorgen und den Unterdruckschlauch genauer betrachten. Die Benzinschläuche sind Äußerlich noch in Ordnung, ich hatte nur die Vermutung das diese sich zusetzen könnten.
__________________
Gruß, vom schreiner !

Du hast im Leben 3 Möglichkeiten:
Nachgeben, Aufgeben oder alles geben
der schreiner ist offline   Mit Zitat antworten
Alt 22.07.2014, 19:41:11   #7
berndy
Super-Moderator
 
Benutzerbild von berndy
 
Registriert seit: 16.08.2006
Ort: Schifferstadt/Pfalz
Alter: 63
Beiträge: 10.720
Baujahr: 1995
Kilometer: 66666
Standard

Die Schläuche setzen sich nicht zu, wenn kein Dreck rein kommt.

Du kannst mal die Schwimmerkammerabläufe aufschrauben und das Benzin ablassen. Guck dir mal an, was da rausläuft (geeignetes Gefäß drunter halten). Wenn du den Benzinhahn dabei auf PRI stellst, kannst du auch gucken, ob die Schwimmernadelventile öffnen. Aber bitte wieder auf ON oder RES stellen. Sonst kann es passieren, dass dir Benzin in den Motor läuft.

Wenn da Schmodder oder stark schmutziges Benzin raus kommt, sind die Vergaser mit Sicherheit auch dreckig.

Die Düsen setzen sich bei längerer Standzeit gerne zu. Da hilft nur Vergaser zerlegen, alles gründlich reinigen und erneut probieren.

Rechne damit, dass es beim ersten Mal auch nicht gleicht klappt.

Oft hängen dann auch die Schwimmernadelventile oder irgendeine Dichtung ist undicht.

Ich würde es aber zuerst mit frischem Benzin probieren. Das macht die wenigste Arbeit.
__________________

Man sollte es so oder so nicht übertreiben.
berndy ist offline   Mit Zitat antworten
Alt 22.07.2014, 20:24:47   #8
der schreiner
Stammtisch Rhein - Ruhr
 
Benutzerbild von der schreiner
 
Registriert seit: 07.07.2014
Ort: Wuppertal
Alter: 57
Beiträge: 613
Baujahr: 92
Kilometer: 25tkm
Standard

Ich glaube das mit dem Benzin mache ich als allererstes.
Wenn dann wirklich der Vergaser zerlegt werden muss, werde ich mir Hilfe holen müssen. Freiwillige vor

Der Tipp mit der Ablassschraube ist auch Klasse, dann kann ich ja auch sehen ob Benzin im Vergaser ist.
Ich gehe mal davon aus, dass der Vergaser sich im Normalfall auch wieder beim Starten füllt. Oder muss ich da auch was beachten ?
__________________
Gruß, vom schreiner !

Du hast im Leben 3 Möglichkeiten:
Nachgeben, Aufgeben oder alles geben
der schreiner ist offline   Mit Zitat antworten
Alt 22.07.2014, 20:32:24   #9
geko4711
Erfahrener Benutzer
 
Benutzerbild von geko4711
 
Registriert seit: 16.05.2011
Ort: Ostsachsen
Alter: 73
Beiträge: 1.602
Baujahr: 1994
Kilometer: 50+++
Standard

Zitat:
Zitat von der schreiner Beitrag anzeigen
...
Ich gehe mal davon aus, dass der Vergaser sich im Normalfall auch wieder beim Starten füllt. Oder muss ich da auch was beachten ?
Wenn allles normal ist, wird auf ON nur Sprit fließen, wenn der Motor läuft (Unterdruck erzeugt). Also kurz au PRI stellen, Vergaser voll laufen lassen, zurück auf ON und starten; wie gesagt, klappt nur, wenn alles normal funkioniert
__________________
Grüße vom geko4711

geko4711 ist offline   Mit Zitat antworten
Alt 22.07.2014, 20:45:14   #10
Saugwurmmensch
Public-Relations-Manager
 
Benutzerbild von Saugwurmmensch
 
Registriert seit: 19.07.2004
Ort: Strausberg
Alter: 42
Beiträge: 24.180
Baujahr: 1998
Kilometer: 22000
Standard

Super + vertragen viele GS nicht gut und laufen dann unruhiger als mit Super.

Nach 5 Jahren Standzeit werden die Vergaser verharzt sein und evtl. auch der ein oder andere O-Ring undicht.

Ich würde als erstes einen Falschlufttest machen. Wenn es nirgends Falschluft zieht, Vergaser ausbauen, zerlegen, reinigen.

Dass der Sprit die Ursache für´s Ausgehen ist, wage ich zu bezweifeln. Schließlich lief die Kiste ja...warum sollte sie dann plötzlich ausgehen, wenns die ganze Zeit nur den alten Sprit gab?!

Frisches Benzin ist aber immer eine gute Idee
__________________
Wer hat noch keinen Organspendeausweis ?

Warning: may contain Verballhornung.
Suzuki - ride the wings of stain !
Saugwurmmensch ist offline   Mit Zitat antworten
Alt 22.07.2014, 20:49:33   #11
der schreiner
Stammtisch Rhein - Ruhr
 
Benutzerbild von der schreiner
 
Registriert seit: 07.07.2014
Ort: Wuppertal
Alter: 57
Beiträge: 613
Baujahr: 92
Kilometer: 25tkm
Standard

okay, dann werde ich erstmal den Test mit dem Benzin (Super) machen und dann mal schauen was passiert.

Drückt mal die Daumen
__________________
Gruß, vom schreiner !

Du hast im Leben 3 Möglichkeiten:
Nachgeben, Aufgeben oder alles geben
der schreiner ist offline   Mit Zitat antworten
Alt 22.07.2014, 20:53:40   #12
Saugwurmmensch
Public-Relations-Manager
 
Benutzerbild von Saugwurmmensch
 
Registriert seit: 19.07.2004
Ort: Strausberg
Alter: 42
Beiträge: 24.180
Baujahr: 1998
Kilometer: 22000
Standard

Glaub ich nicht dran...

Schraub mal die Kerzen raus...vielleicht ist die Kiste abgesoffen, weil eine Schwimmernadel hängt oder sonstewas.
__________________
Wer hat noch keinen Organspendeausweis ?

Warning: may contain Verballhornung.
Suzuki - ride the wings of stain !
Saugwurmmensch ist offline   Mit Zitat antworten
Alt 22.07.2014, 22:18:22   #13
heypunk
Erfahrener Benutzer
 
Benutzerbild von heypunk
 
Registriert seit: 13.06.2013
Ort: Linsengericht
Alter: 34
Beiträge: 118
Baujahr: 1995
Kilometer: 73000
Standard

Trau dich ruhig an den Vergaser ran.
Vergaser aus dem Mopped geht wie folgt:
  1. Sitzbank runternehmen
  2. Heckverkleidung abmachen
  3. Schrauben die durch den Rahmen hinten am Tank fest sind lösen
  4. Tank leicht anheben und Benzinhahn unter dem Tank (an den 2 Schläuchen) zudrehen. 90° ist zu, 180° ist offen, 270° ist zu, 360° ist offen
  5. Benzinkanister neben die Maschine stellen
  6. Schlauchschellen unterm Tank abfummeln und nacheinander die Schläuche abziehen, Rest Benzin in den Kanister laufen lassen
  7. Tank abnehmen
  8. Benzinhahn am Rahmen abschrauben, Achtung: Benzin läuft nach!
  9. Einen Schlauch nehmen, Schraube 18 (auf beiden Seiten) aufschrauben und Benzin ablaufen lassen http://www.alpha-sports.com/spst/1995%20GS500E/06.gif
  10. Alle Schläuche vom Vergaser abnehmen
  11. Befestigungsschrauben der Airbox (großer schwarzer Kasten zwischen Batterie und Vergaser) lösen
  12. Alle 4 Schlauchschellen zur Airbox und zum Motor öffnen
  13. Entlüftungsschlauch (Ventildeckel zur Airbox) abziehen
  14. Airbox rausnehmen
  15. Vergaser nach hinten ziehen und ebenfalls rausnehmen
  16. Bowdenzug abnehmen
  17. Dieser Anleitung folgen: http://forum.gs-500.de/showthread.php?t=26642
Noch Fragen?
__________________
http://www.ska-allueren.de
heypunk ist offline   Mit Zitat antworten
Alt 24.07.2014, 12:44:14   #14
der schreiner
Stammtisch Rhein - Ruhr
 
Benutzerbild von der schreiner
 
Registriert seit: 07.07.2014
Ort: Wuppertal
Alter: 57
Beiträge: 613
Baujahr: 92
Kilometer: 25tkm
Daumen hoch

So,
habe es Gestern nicht mehr geschafft an der Susi zu arbeiten.
Dafür aber Heute.

Habe den alten Sprit entfernt und die Vergaser leerlaufen lassen. Den neuen Sprit rein, die frisch geladene Batterie angeschlossen und den Bezinhahn auf "PRI".

Und was soll ich euch sagen (Schreiben), kurzer Druck auf den Starter und ein fauchen erfüllte den Garagenhof. Nach der Warmlaufphase bin ich ein kurzes Stück über den Hof gefahren und alles lief wie geschmiert.
War dann doch wohl das alte Benzin
Ob ich die Vergaser trotzdem noch reinigen werde, weiß ich derzeit noch nicht.
Ich bin erstmal froh das alles läuft und sonst keine Mängel erkennbar sind.
Nach einer kleineren Inspektion (Öl, Kerzen und Luftfilter) sollte alles soweit im grünen Bereich liegen. Dann werden mein Sohn und ich erstmal die Optik nach unseren Wünschen gestallten.

Wir danken alle Beteiligten für die Hilfe und die wirklich sehr guten Tipps. Die haben uns das alles sehr erleichtert.
__________________
Gruß, vom schreiner !

Du hast im Leben 3 Möglichkeiten:
Nachgeben, Aufgeben oder alles geben
der schreiner ist offline   Mit Zitat antworten
Alt 24.07.2014, 12:53:07   #15
DonArcturus
Stammtisch München
 
Benutzerbild von DonArcturus
 
Registriert seit: 25.03.2013
Ort: Gräfelfing bei München
Beiträge: 1.557
Baujahr: 2010
Kilometer: 35000
Standard

Zitat:
Zitat von der schreiner Beitrag anzeigen
Ob ich die Vergaser trotzdem noch reinigen werde, weiß ich derzeit noch nicht.
Würde ich machen. Dann läufst du keine Gefahr, unterwegs liegen zu bleiben.
__________________
"Ha ha!" - Admiral Nelson
DonArcturus ist offline   Mit Zitat antworten
Alt 24.07.2014, 13:09:44   #16
Saugwurmmensch
Public-Relations-Manager
 
Benutzerbild von Saugwurmmensch
 
Registriert seit: 19.07.2004
Ort: Strausberg
Alter: 42
Beiträge: 24.180
Baujahr: 1998
Kilometer: 22000
Standard

Wenn die Kiste jetzt läuft, warum sollte er dann unterwegs liegenbleiben?
__________________
Wer hat noch keinen Organspendeausweis ?

Warning: may contain Verballhornung.
Suzuki - ride the wings of stain !
Saugwurmmensch ist offline   Mit Zitat antworten
Alt 24.07.2014, 13:16:28   #17
GSchick
Benutzer
 
Benutzerbild von GSchick
 
Registriert seit: 24.10.2012
Ort: Wellendingen
Beiträge: 51
Baujahr: 1992
Standard

Never touch a running system.

__________________
Gruss Günter

Zitat:
Da nimmst du ein Stück Schweissdraht und tüttelst das hier so rum (aus Werner - Beinhart)
GSchick ist offline   Mit Zitat antworten
Alt 24.07.2014, 13:23:58   #18
DonArcturus
Stammtisch München
 
Benutzerbild von DonArcturus
 
Registriert seit: 25.03.2013
Ort: Gräfelfing bei München
Beiträge: 1.557
Baujahr: 2010
Kilometer: 35000
Standard

Bei mir sind auch unterwegs die Schwimmer in der Schwimmerkammer hängengeblieben. Aber gut, da sind die Teile ja auch beweglich.
__________________
"Ha ha!" - Admiral Nelson
DonArcturus ist offline   Mit Zitat antworten
Alt 24.07.2014, 14:11:51   #19
der schreiner
Stammtisch Rhein - Ruhr
 
Benutzerbild von der schreiner
 
Registriert seit: 07.07.2014
Ort: Wuppertal
Alter: 57
Beiträge: 613
Baujahr: 92
Kilometer: 25tkm
Standard

ich glaube das ich erst weiß ob ich den Vergaser reinigen muss, wenn ich etwas länger damit gefahren bin.
Aber eigentlich gebe ich da Saugwurmmensch da recht. Wenn es funzt dan sollte man es lassen
__________________
Gruß, vom schreiner !

Du hast im Leben 3 Möglichkeiten:
Nachgeben, Aufgeben oder alles geben
der schreiner ist offline   Mit Zitat antworten
Alt 24.07.2014, 18:05:36   #20
berndy
Super-Moderator
 
Benutzerbild von berndy
 
Registriert seit: 16.08.2006
Ort: Schifferstadt/Pfalz
Alter: 63
Beiträge: 10.720
Baujahr: 1995
Kilometer: 66666
Standard

Ich würde am Anfang erst einmal kurze Strecken fahren, bei denen ich bei Bedarf das Motorrad noch selbst nach Hause bringen kann. Wenn etwas nicht in Ordnung ist, merkt man das in den meisten Fällen nach ein paar Kilometern.

Fahr halt am Anfang einfach ein paar Mal ums Quadrat.

Wenn es dann ohne Probleme läuft, auch größere Strecken.

Aber wenn es einwandfrei angesprungen und gefahren ist, würde ich an den Vergasern erst einmal nichts machen.

Wenn man etwas zerlegt, muss man immer damit rechnen, dass etwas kaputt geht. Die Schrauben an den Vergasern sind sehr weich, die Dichtungen können reißen usw. Dann hat man wieder Probleme.

Ich öffne nur etwas, wenn es anders nicht geht.

Man kann auch, wenn man will und an die Wirkung glaubt, Kraftstoffsystemreiniger versuchen. Bei meiner hat es jedenfalls nichts geschadet. Ob es genutzt hat, weiß ich nicht, sie läuft wie vorher.
__________________

Man sollte es so oder so nicht übertreiben.
berndy ist offline   Mit Zitat antworten
Alt 24.07.2014, 18:29:19   #21
derbekloppte
Benutzer
 
Registriert seit: 20.06.2011
Ort: Wuppertal
Beiträge: 43
Baujahr: 1991
Kilometer: 38000
Standard Einmal durch die Kohlfurt

Hallo,

als Probefahrt bietet sich wunderbar die Kohlfurt an - je nachdem aus welchem Ortsteil du kommst ist das Ding schön warm (wenn das Möp kalt ist sollte man ja nicht so hoch drehen, < 5.000 Umins), und da darfste eh nur 90, also bei der GS 100 nach Tacho, und es ist nicht weit weg und schön fahren...(seit meiner Kindheit eine meine Lieblisngstrecken, Priorei ist ja leder für Möps gesperrt...)

Und wenn was schief geht ist es nicht so weit, und wenn alles glatt geht über Solingen und die A3/ A46 zurück, ist ne schöne Möpstunde!

Gruß

Ludger
derbekloppte ist offline   Mit Zitat antworten
Alt 24.07.2014, 18:30:22   #22
derbekloppte
Benutzer
 
Registriert seit: 20.06.2011
Ort: Wuppertal
Beiträge: 43
Baujahr: 1991
Kilometer: 38000
Standard Einmal durch die Kohlfurt

Hallo,

als Probefahrt bietet sich wunderbar die Kohlfurt an - je nachdem aus welchem Ortsteil du kommst ist das Ding schön warm (wenn das Möp kalt ist sollte man ja nicht so hoch drehen, < 5.000 Umins), und da darfste eh nur 90, also bei der GS 100 nach Tacho, und es ist nicht weit weg und schön fahren...(seit meiner Kindheit eine meine Lieblingsstrecken, Priorei ist ja leder für Möps gesperrt...)

Und wenn was schief geht ist es nicht so weit, und wenn alles glatt geht über Solingen und die A3/ A46 zurück, ist ne schöne Möpstunde!

Gruß

Ludger
derbekloppte ist offline   Mit Zitat antworten
Alt 25.07.2014, 07:03:48   #23
der schreiner
Stammtisch Rhein - Ruhr
 
Benutzerbild von der schreiner
 
Registriert seit: 07.07.2014
Ort: Wuppertal
Alter: 57
Beiträge: 613
Baujahr: 92
Kilometer: 25tkm
Standard

Zitat:
Zitat von derbekloppte Beitrag anzeigen
Hallo,

als Probefahrt bietet sich wunderbar die Kohlfurt an - je nachdem aus welchem Ortsteil du kommst ist das Ding schön warm (wenn das Möp kalt ist sollte man ja nicht so hoch drehen, < 5.000 Umins), und da darfste eh nur 90, also bei der GS 100 nach Tacho, und es ist nicht weit weg und schön fahren...(seit meiner Kindheit eine meine Lieblingsstrecken, Priorei ist ja leder für Möps gesperrt...)

Und wenn was schief geht ist es nicht so weit, und wenn alles glatt geht über Solingen und die A3/ A46 zurück, ist ne schöne Möpstunde!

Gruß

Ludger
Ja, stimmt. Ist ne Schöne Runde. Allerdings auch sehr überwacht.
Mit der längeren Probrfahrt werde ich noch etwas warten müssen, da ich ja noch Umbaue und das Möp keinen TÜV hat
__________________
Gruß, vom schreiner !

Du hast im Leben 3 Möglichkeiten:
Nachgeben, Aufgeben oder alles geben
der schreiner ist offline   Mit Zitat antworten
Alt 05.06.2016, 11:40:03   #24
der schreiner
Stammtisch Rhein - Ruhr
 
Benutzerbild von der schreiner
 
Registriert seit: 07.07.2014
Ort: Wuppertal
Alter: 57
Beiträge: 613
Baujahr: 92
Kilometer: 25tkm
Standard

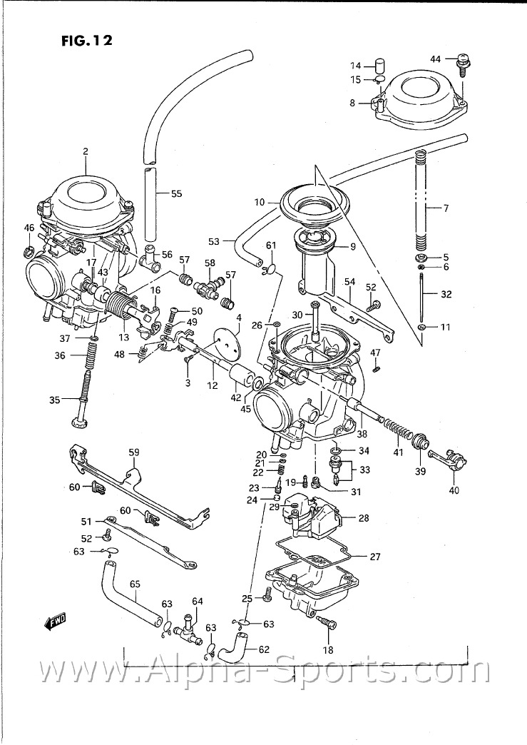
So, nach langem hin und her habe ich mich heute an den Vergaser gewagt.
Ich hab mir alles beschriftet und gekennzeichnet, aber eins ist mir natürlich durch die Lappen gegangen

Auf der angehängten Zeichnung trägt der Schlauch die Nummer 55.
Ich habe in meinem Eifer nicht aufgepasst wo der vom Vergaser hinführt. Denke aber das er ins Nichts ausläuft und unter der Airbox liegen sollte.



Liege ich damit richtig ??
Miniaturansicht angehängter Grafiken
Klicke auf die Grafik für eine größere Ansicht

Name:	06.gif
Hits:	1030
Größe:	61,1 KB
ID:	24833  
__________________
Gruß, vom schreiner !

Du hast im Leben 3 Möglichkeiten:
Nachgeben, Aufgeben oder alles geben
der schreiner ist offline   Mit Zitat antworten
Alt 05.06.2016, 11:42:06   #25
der schreiner
Stammtisch Rhein - Ruhr
 
Benutzerbild von der schreiner
 
Registriert seit: 07.07.2014
Ort: Wuppertal
Alter: 57
Beiträge: 613
Baujahr: 92
Kilometer: 25tkm
Standard

Noch eine kleine Frage am Rande

Womit macht man den Vergaser von Außen sauber, Benzin?, Terpetin? oder ???

Muss oder soll ich da was beachten ??
__________________
Gruß, vom schreiner !

Du hast im Leben 3 Möglichkeiten:
Nachgeben, Aufgeben oder alles geben
der schreiner ist offline   Mit Zitat antworten
Alt 05.06.2016, 11:49:53   #26
der schreiner
Stammtisch Rhein - Ruhr
 
Benutzerbild von der schreiner
 
Registriert seit: 07.07.2014
Ort: Wuppertal
Alter: 57
Beiträge: 613
Baujahr: 92
Kilometer: 25tkm
Standard

Wieder was gelernt, erst schauen dann schreiben

Gerade wurde dieser Link gepostet:

http://gs-500.info/index.php?title=B...chf%C3%BChrung

Jetzt bin ich mir sicher das es der Schlauch ÜBER der Airbox ist.




__________________
Gruß, vom schreiner !

Du hast im Leben 3 Möglichkeiten:
Nachgeben, Aufgeben oder alles geben
der schreiner ist offline   Mit Zitat antworten
Alt 05.06.2016, 14:41:06   #27
Merle
Erfahrener Benutzer
 
Benutzerbild von Merle
 
Registriert seit: 01.08.2009
Ort: Bergisches Land
Alter: 41
Beiträge: 1.258
Baujahr: 1994
Kilometer: 36000
Standard

Ich nehm Benzin zum reinigen
__________________
Meine Moppeds sind jetzt in einem Alter, sie entscheiden selbstständig ob sie mit Dir eine Ausfahrt machen oder nicht.
Merle ist offline   Mit Zitat antworten
Alt 05.06.2016, 15:10:57   #28
snailie
Super-Moderator
 
Benutzerbild von snailie
 
Registriert seit: 05.04.2013
Ort: Wuppertal
Alter: 43
Beiträge: 3.413
Baujahr: 2004
Kilometer: 28300
Standard

Ich auch, hab grad gestern mit drei schmärigen Gasern meine neue Reinigungsauflaufform eingeweiht, und genug altes Benzin hatte ich auch noch da...
__________________
...still out here in the wind and rain ~ I look a little older but I feel no pain...
.::battered but proud::.
~*~
Forumstreffen 2026 - Es sind noch Plätze frei!!!
snailie ist offline   Mit Zitat antworten
Alt 05.06.2016, 16:31:10   #29
Saugwurmmensch
Public-Relations-Manager
 
Benutzerbild von Saugwurmmensch
 
Registriert seit: 19.07.2004
Ort: Strausberg
Alter: 42
Beiträge: 24.180
Baujahr: 1998
Kilometer: 22000
Standard

Was macht ihr dann eigentlich mit der Brühe?
Und was macht man mit altem Sprit...mittlerweile tummeln sich einige Kanister mit Benzin hier, das ich keinem Vergaser mehr zumuten würde...
__________________
Wer hat noch keinen Organspendeausweis ?

Warning: may contain Verballhornung.
Suzuki - ride the wings of stain !
Saugwurmmensch ist offline   Mit Zitat antworten
Alt 05.06.2016, 16:59:35   #30
Merle
Erfahrener Benutzer
 
Benutzerbild von Merle
 
Registriert seit: 01.08.2009
Ort: Bergisches Land
Alter: 41
Beiträge: 1.258
Baujahr: 1994
Kilometer: 36000
Standard

Ich kann es bei einer Tankstelle entsorgen, welche auch ne kleine Servicewerkstatt hat.
Alternative geht auch der Entsorgungshof, der möchte aber nicht umfüllen, da kannste das Zeug nur in Kanister lassen welche du auch nicht behalten willst. Das allerdings finde ich echt umständlich. Bei der Tanke haben die nen Sammelbehälter und fertig.
__________________
Meine Moppeds sind jetzt in einem Alter, sie entscheiden selbstständig ob sie mit Dir eine Ausfahrt machen oder nicht.
Merle ist offline   Mit Zitat antworten
Alt 05.06.2016, 17:04:58   #31
berndy
Super-Moderator
 
Benutzerbild von berndy
 
Registriert seit: 16.08.2006
Ort: Schifferstadt/Pfalz
Alter: 63
Beiträge: 10.720
Baujahr: 1995
Kilometer: 66666
Standard

Sofern der alte Sprit sauber ist, verbrennt der in meinem Fiesta. Wird im Tank vermischt mit frischem Sprit.

Das dreckige Zeug bringt man zum Schadstoffmobil. Die nehmen normalerweise alle Chemikalien in haushaltsüblichen Kleinmengen bis max. 20 L. Sogar wenn man nicht genau weiß, was es ist. Wenn man weiß, was es ist, ist es natürlich besser.
__________________

Man sollte es so oder so nicht übertreiben.
berndy ist offline   Mit Zitat antworten
Alt 05.06.2016, 17:13:45   #32
snailie
Super-Moderator
 
Benutzerbild von snailie
 
Registriert seit: 05.04.2013
Ort: Wuppertal
Alter: 43
Beiträge: 3.413
Baujahr: 2004
Kilometer: 28300
Standard

Zitat:
Zitat von Saugwurmmensch Beitrag anzeigen
Und was macht man mit altem Sprit...
Genau die Frage hab ich mir auch gestellt, nachdem ich den brauchbaren Sprit aus drei GSen abgepumpt und in mein Auto gekippt hatte... aber in einem war halt noch Rost mit drin und in einem anderen Wasser. Im Internet geguckt bei unserem örtlichen Entsorger, da standen fürs Schadstoffmobil alle möglichen Flüssigkeiten (Altöl, Bremsflüssigkeit, Kühlflüssigkeit etc.), nur kein Benzin oder Kraftstoff allgemein. Also angerufen und siehe da, ich kann die Plempe bei mir um die Ecke auf dem Recyclinghof abgeben. Allerdings, wie Merle schon sagte, dürfen die nicht umfüllen, ich muß es also in einem Behältnis abgeben, welches ich danach nicht wiedersehe. Mir wurde von dem Herrn am Telefon empfohlen, einfach in den nächsten Baumarkt zu gehen und mir dort einen Eimer mit Deckel zu kaufen... falls vorhanden geht auch ein leerer Farbeimer oder sowas. Inwieweit auch Plastikflaschen gehen, weiß ich jetzt nicht, weil der Typ sagte was davon, daß es ja verboten wäre, solche Flüssigkeiten in Getränkeflaschen umzufüllen...
__________________
...still out here in the wind and rain ~ I look a little older but I feel no pain...
.::battered but proud::.
~*~
Forumstreffen 2026 - Es sind noch Plätze frei!!!
snailie ist offline   Mit Zitat antworten
Alt 05.06.2016, 20:26:59   #33
Exsecutor
Neuer Benutzer
 
Benutzerbild von Exsecutor
 
Registriert seit: 29.05.2016
Ort: Mettmann
Beiträge: 24
Baujahr: 1991
Kilometer: 41100
Standard

Ich würde den Sprit erst mal durch einen Kaffeefilter laufen lassen. Das was dann übrig bleibt sollte in einem PKW nutzbar sein. Aber nur den Sprit aus den Tanks. Das Zeug womit gereinigt wurde kann man nur noch entsorgen.
Exsecutor ist offline   Mit Zitat antworten
Alt 06.06.2016, 08:21:04   #34
der schreiner
Stammtisch Rhein - Ruhr
 
Benutzerbild von der schreiner
 
Registriert seit: 07.07.2014
Ort: Wuppertal
Alter: 57
Beiträge: 613
Baujahr: 92
Kilometer: 25tkm
Standard

Ich nehme ihn zum Grill anzünden.

Ne, nur Spaß...

Ab zum Bauhof und gut ist, aber wenn ein Schrauber das nimmt, auch gut. Und direkt auch noch das Altöl dabei und freie Fläche im Regal.
__________________
Gruß, vom schreiner !

Du hast im Leben 3 Möglichkeiten:
Nachgeben, Aufgeben oder alles geben
der schreiner ist offline   Mit Zitat antworten
Antwort

Lesezeichen


Forumregeln
Es ist dir nicht erlaubt, neue Themen zu verfassen.
Es ist dir nicht erlaubt, auf Beiträge zu antworten.
Es ist dir nicht erlaubt, Anhänge hochzuladen.
Es ist dir nicht erlaubt, deine Beiträge zu bearbeiten.

BB-Code ist an.
Smileys sind an.
[IMG] Code ist aus.
HTML-Code ist aus.

Gehe zu

Ähnliche Themen
Thema Autor Forum Antworten Letzter Beitrag
GS 500 E Bj 95 44000 gelaufen kaufen? mikam22 Allgemeines 4 08.02.2009 22:08:34
dumm gelaufen Fehlerdiagnose 12 07.08.2005 02:06:04
wie viele kilometer hat eure gelaufen? Allgemeines 39 19.06.2004 02:00:14


Alle Zeitangaben in WEZ +1. Es ist jetzt 13:44:48 Uhr.


Powered by vBulletin® Version 3.8.9 (Deutsch)
Copyright ©2000 - 2026, vBulletin Solutions, Inc.