gs-500.de  

Zurück   gs-500.de > GS500(E/F) > Fehlerdiagnose

Hinweise

Antwort
 
Themen-Optionen
Alt 04.10.2021, 19:42:51   #51
Tzwen
Benutzer
 
Benutzerbild von Tzwen
 
Registriert seit: 18.05.2021
Ort: Eifel
Alter: 25
Beiträge: 46
Baujahr: 1995
Kilometer: 13000
Standard

Zitat:
Zitat von gsmattis Beitrag anzeigen
Dann probier es mal mit Nadel höher hängen (Clip Richtung langes Ende setzen).

Nadel höher hängen bringt leider nix.
Kann sie auch nicht ganz ausfahren.

Also warm gefahren (100 Grad), Mal auf die 10000 gedreht, da stottert se was rum und bei 9.500 nimmt sie das Gas komplett weg, wenn ich viel Gas gebe.

Irgendwas liegt im Magen.
Sie hat ein meines Erachtens nach ein Volllast Problem.
Wenn ich wenig Gas gebe ist alles jut, aber wenn ich mehr Bums möchte, macht sie das nicht wie sie soll.. Stottern, ungleichmäßiges hochdrehen mit kurzen Leistungsverlust usw.


Achja was vllt auch interessant sein könnte, sind die Kerzenbilder.

Rechts braun, links Knall weiß. (Aus Fahrtrichtung betrachtet), Kerzenbild nach einer 180 Kilometern Tour.

Neuen Benzinhahn hab ich eigentlich.
Miniaturansicht angehängter Grafiken
Klicke auf die Grafik für eine größere Ansicht

Name:	IMG_20210929_162427.jpg
Hits:	1375
Größe:	84,6 KB
ID:	30606   Klicke auf die Grafik für eine größere Ansicht

Name:	IMG_20210929_162537.jpg
Hits:	1370
Größe:	74,2 KB
ID:	30607  
Tzwen ist offline   Mit Zitat antworten
Alt 05.10.2021, 16:57:58   #52
klassikfon
Erfahrener Benutzer
 
Benutzerbild von klassikfon
 
Registriert seit: 20.08.2010
Ort: Halle (Saale)
Alter: 49
Beiträge: 1.916
Baujahr: 1992
Kilometer: 33.000
Standard

Bei Problemen auf der linken Seite ist mein Hauptverdacht immer Unterdruckschlauch und Benzinhahn. Was ein "eigentlich" neuer Benzinhan ist, weiß ich jetzt aber auch nicht.

Ansonsten mutmaße ich mal zusätzlich noch was. Ultraschallreinigung ist ne Wissenschaft für sich. ein Bad und eine Chemikalie zu kaufen und alles reinzuwerfen, kann auch schrecklich in die Hose gehen.

Gruß Ric
__________________
Vergaser-Ultraschallreinigung für Forenmitglieder:

www.vergaseronkel.de

Vergaser zerlegen:http://forum.gs-500.de/showthread.ph...458#post424458
klassikfon ist offline   Mit Zitat antworten
Alt 05.10.2021, 18:01:16   #53
berndy
Super-Moderator
 
Benutzerbild von berndy
 
Registriert seit: 16.08.2006
Ort: Schifferstadt/Pfalz
Alter: 63
Beiträge: 10.720
Baujahr: 1995
Kilometer: 66666
Standard

Ehrlich gesagt werde ich nicht so ganz schlau aus der "blumigen" Umschreibung von Tzwen.

In Fahrtrichtung gesehen ist das Gegenteil von aus Fahrtichtung gesehen. Wenn ich in Richtung Mond gucke, schaue ich von der Erde hoch. Wenn ich aus Richtung Mond gucke, schaue ich auf die Erde runter.

Wenn etwas im Magen liegt, beschwert es das Wohlbefinden eines Menschen. Wenn etwas im Argen liegt, ist es nicht so, wie es sein soll. Ich denke, Tzwen meint letzteres.

Also, um es auf den Punkt zu bringen, ich weiß jetzt nicht, welche Seite Tzwen meint.

Man gibt immer in Fahrtrichtung an. Also so, als wenn man drauf/drin sitzt und nach vorne guckt und nicht aus Fahrtrichtung, weil das das Gegenteil bedeutet.
__________________

Man sollte es so oder so nicht übertreiben.
berndy ist offline   Mit Zitat antworten
Alt 06.10.2021, 13:52:07   #54
klassikfon
Erfahrener Benutzer
 
Benutzerbild von klassikfon
 
Registriert seit: 20.08.2010
Ort: Halle (Saale)
Alter: 49
Beiträge: 1.916
Baujahr: 1992
Kilometer: 33.000
Standard

Zitat:
Zitat von berndy Beitrag anzeigen

Man gibt immer in Fahrtrichtung an. Also so, als wenn man drauf/drin sitzt und nach vorne guckt und nicht aus Fahrtrichtung, weil das das Gegenteil bedeutet.
+1
__________________
Vergaser-Ultraschallreinigung für Forenmitglieder:

www.vergaseronkel.de

Vergaser zerlegen:http://forum.gs-500.de/showthread.ph...458#post424458
klassikfon ist offline   Mit Zitat antworten
Alt 06.10.2021, 18:50:05   #55
Zweiradfreund
Neuer Benutzer
 
Registriert seit: 11.09.2021
Ort: Weil am Rhein
Beiträge: 28
Baujahr: 2000
Kilometer: 23000
Standard

Ich würde an seiner Stelle nochmal die Membranen checken ob die Risse haben, und ob die kleinen O-Ringe unter dem Deckel oben auch drin sind. Auch mal prüfen ob er die richtigen Vergaser-deckel hat, und ob die Schieber gut laufen, wieviel Löcher die haben, und nicht klemmen. Was meint ihr dazu? Man will ja helfen, aber so ins blaue raten...

grüssle
Zweiradfreund ist offline   Mit Zitat antworten
Alt 25.10.2021, 11:38:22   #56
Tzwen
Benutzer
 
Benutzerbild von Tzwen
 
Registriert seit: 18.05.2021
Ort: Eifel
Alter: 25
Beiträge: 46
Baujahr: 1995
Kilometer: 13000
Standard

Servus,

ich gehe mal auf den Kommentar zu meinen "blumigen" Umschreibungen nicht ein.


Ich habe festgestellt, dass ein Vergaserdeckel (Der über der Membran) Risse besitzt. Als Hätte da mal aus Versehen jemand mit einem Hammer drauf geschlagen.

Dieser sitzt auf dem linken Vergaser, was erklären könnte, weshalb der linke Zylinder zu mager läuft und meine Probleme beim Beschleunigen vorhanden sind.

Ich versuch den erstmal, mit handelsüblichen Dingen zu flicken, wenn das nicht , kommt ein neuer und dann melde ich mich nochmal.


Achja zu dir klassikfon: Der Benzinhahn ist nicht "eigentlich" neu, er ist neu!
Tzwen ist offline   Mit Zitat antworten
Alt 25.10.2021, 17:43:02   #57
Tzwen
Benutzer
 
Benutzerbild von Tzwen
 
Registriert seit: 18.05.2021
Ort: Eifel
Alter: 25
Beiträge: 46
Baujahr: 1995
Kilometer: 13000
Standard

Nabend,

ich habe noch eine Frage, da ich verwirrt bin.
Ich gehe fest davon aus, dass meine Suzuki Baujahr 1994-1995 ist, so steht's zumindest im Fahrzeugschein.
Da sie vermutlich aus dem Ausland kommt (Meilentacho),
weiß ich nicht ob diese Angaben soweit korrekt sind.

Unter den Vergaserdeckeln waren allerdings die Anschläge verbaut, welche für ein anderes Baujahr sprechen (1989-1993) oder sehe ich das falsch?

Ich hab sie nämlich von 34 PS auf 46 PS entdrosselt und diese Anschläge instinktiv rausgenommen, da diese ja nur für die gedrosselte Variante wichtig und richtig sind?
Keine Löcher im Gasschieber und Ansaugstutzen sind die offenen (34mm).

Im Kit für das Baujahr 1995 waren übrigens die 125 Düse für Links und 122.5 Düse für rechts vorhanden.
Tzwen ist offline   Mit Zitat antworten
Alt 25.10.2021, 18:13:27   #58
Zweiradfreund
Neuer Benutzer
 
Registriert seit: 11.09.2021
Ort: Weil am Rhein
Beiträge: 28
Baujahr: 2000
Kilometer: 23000
Standard

Die Federn für die Gasschieber sollten für offene Leistung 10cm lang sein. Unten an den Gasschiebern sollten dann 2 Löcher sein. Und es gibt verschiedene Nockenwellen. 94-96 hat 36,090-36,130 Einlassnockenhöhe. Auslassnocken 36,090-36,130. Alle anderen Baujahre 36,789-36,819 Einlass und Auslass 36,291-36,321. (Daten aus dem Blauen Haynes Buch). Da steht auch welche Rahmennummer welches Baujahr hat. BJ 93-95 122409-133783. ab 96 137535. Ob das korrekt ist kann ich nicht sagen. Ich hatte mal einen BMW als Reimport USA, der hatte eine nachträgliche Fahrgestellplakette eingenietet, und eine Klebevin (Aufkleber mit Hologramm an der B-Säule) und er war ausgenullt, d.h. er hatte in den Fahrzeugpapieren keine Typnummer und Herstellernummer. Wenn du deinen Meilentacho nicht mehr willst, kannst ihn mir gerne geben. Ich wollte den so aus spaß nachträglich einbauen. Nur der kostet bei CSM recht viel. Kilometerstand ist egal, kann man ja justieren.
grüssle
Miniaturansicht angehängter Grafiken
Klicke auf die Grafik für eine größere Ansicht

Name:	b574-suzuki-gs-500-e-gm51b-gasschieber-membrane-vergaser-diaphragm-13501-02d10_2.jpg
Hits:	1365
Größe:	39,5 KB
ID:	30628  
Zweiradfreund ist offline   Mit Zitat antworten
Alt 25.10.2021, 18:35:57   #59
Tzwen
Benutzer
 
Benutzerbild von Tzwen
 
Registriert seit: 18.05.2021
Ort: Eifel
Alter: 25
Beiträge: 46
Baujahr: 1995
Kilometer: 13000
Standard

Zitat:
Zitat von Zweiradfreund Beitrag anzeigen
Die Federn für die Gasschieber sollten für offene Leistung 10cm lang sein. Unten an den Gasschiebern sollten dann 2 Löcher sein. Und es gibt verschiedene Nockenwellen. 94-96 hat 36,090-36,130 Einlassnockenhöhe. Auslassnocken 36,090-36,130. Alle anderen Baujahre 36,789-36,819 Einlass und Auslass 36,291-36,321. (Daten aus dem Blauen Haynes Buch). Da steht auch welche Rahmennummer welches Baujahr hat. BJ 93-95 122409-133783. ab 96 137535. Ob das korrekt ist kann ich nicht sagen. Ich hatte mal einen BMW als Reimport USA, der hatte eine nachträgliche Fahrgestellplakette eingenietet, und eine Klebevin (Aufkleber mit Hologramm an der B-Säule) und er war ausgenullt, d.h. er hatte in den Fahrzeugpapieren keine Typnummer und Herstellernummer. Wenn du deinen Meilentacho nicht mehr willst, kannst ihn mir gerne geben. Ich wollte den so aus spaß nachträglich einbauen. Nur der kostet bei CSM recht viel. Kilometerstand ist egal, kann man ja justieren.
grüssle

Ist interessant, meine Rahmennummer ist allerdings nicht genullt, sondern komplett falsch (glaub ich)
Sie lautet: JS1GM51AXS2101149

Edit: Im Fahrzeugschein steht zu 2.2 (Code zu D.2)
ebenfalls 0000000
Tzwen ist offline   Mit Zitat antworten
Alt 25.10.2021, 19:04:56   #60
Zweiradfreund
Neuer Benutzer
 
Registriert seit: 11.09.2021
Ort: Weil am Rhein
Beiträge: 28
Baujahr: 2000
Kilometer: 23000
Standard

Hab mal nach Bildern für eine Amerikanische GS geschaut. Deine müsste eine S sein 95er Baujahr. Sollte korrekt sein. Kann auch eine Englische sein
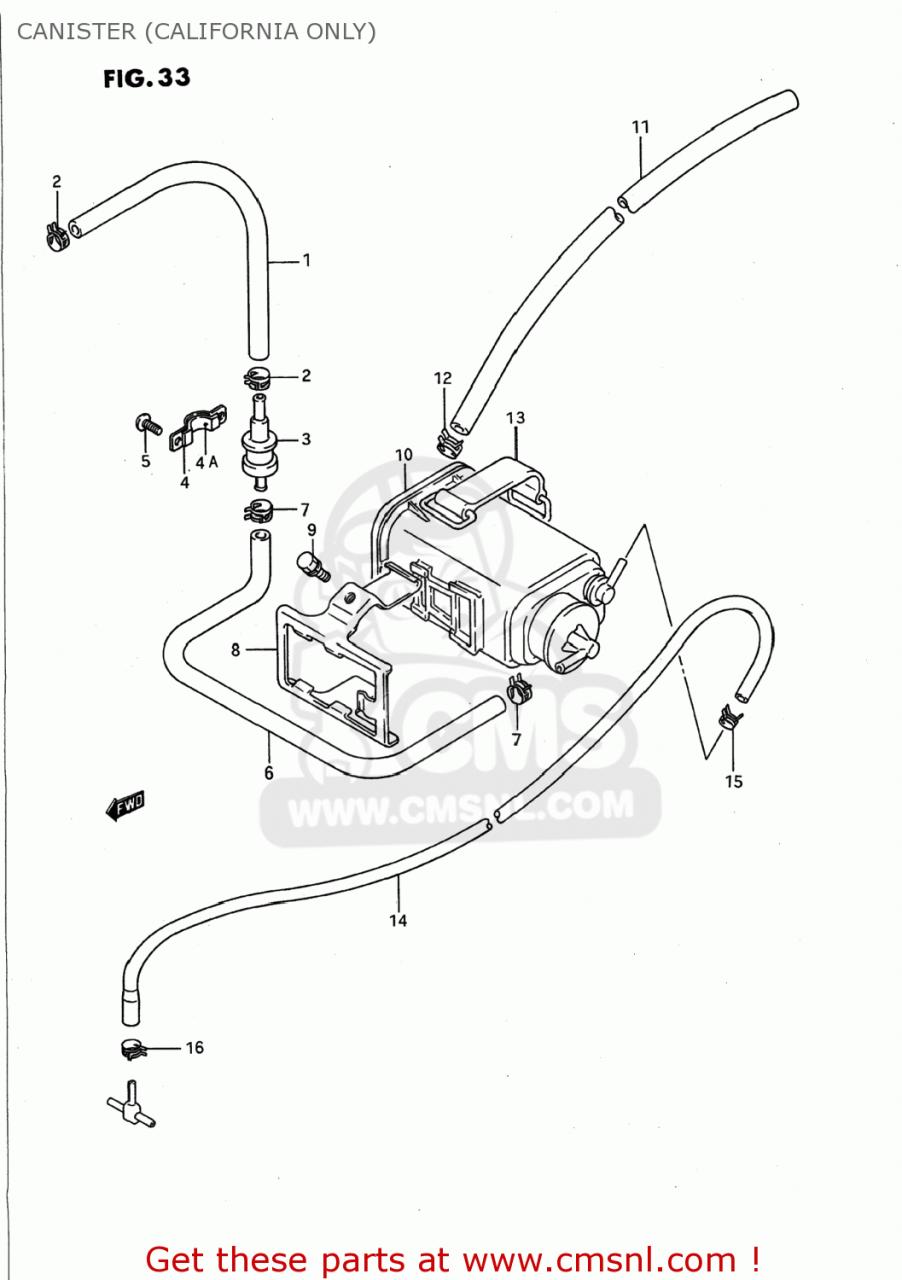
Auf den Bildern sieht man das die für Kalifornien einen Aktivkohlebehälter hatten für Benzindämpfe. Umweltgesetze dort sind sehr streng. Und unten am Vergaser sind noch 2 Schläuche mit einem T-Stück verbunden, kannst ja mal schauen ob die Stutzen da unten offen sind oder überhaupt da sind. Auf dem Vergaserbild die 62 und 65. Düsen wären 122,5 beide, für den Vergaser.
Nachtrag: Die USA Modelle hatten keinen Lichtschalter an der rechten Armatur weil da das Licht immer an sein muss sobald Zündung an ist.
Miniaturansicht angehängter Grafiken
Klicke auf die Grafik für eine größere Ansicht

Name:	suzuki-gs500e-1995-s-usa-e03-carburetor_big3IMG00902144_7e5e.jpg
Hits:	1321
Größe:	109,8 KB
ID:	30629   Klicke auf die Grafik für eine größere Ansicht

Name:	suzuki-gs500e-1995-s-usa-e03-canister-california-only_big3IMG00902143_7699.jpg
Hits:	1300
Größe:	80,4 KB
ID:	30630  

Geändert von Zweiradfreund (25.10.2021 um 19:15:11 Uhr)
Zweiradfreund ist offline   Mit Zitat antworten
Alt 03.03.2022, 18:58:23   #61
Tzwen
Benutzer
 
Benutzerbild von Tzwen
 
Registriert seit: 18.05.2021
Ort: Eifel
Alter: 25
Beiträge: 46
Baujahr: 1995
Kilometer: 13000
Standard

Servuuus, hab lang nix mehr geschrieben, da die Suzuki im Winter still stand.

Ich dachte meine Suzuki läuft jetzt genau so wie sie soll, allerdings läuft sie wohl immer noch nicht so, wie ich es möchte.

Im Stand läuft die Jute auf beiden Zylindern, nachdem ich die porösen Ansaugstutzen erneuert habe.

Im niedertourigen Bereich bin ich mit ihr zudem auch sehr zu frieden.
Sie läuft und zieht sauber durch.

Wenn ich allerdings mal die 46 Pferde rauskitzeln will & etwas sportlicher unterwegs bin, fängt der Blödsinn an.
Wenn ich über 6000 Umdrehungen 3/4 Gas gebe, stottert sie sich kurz einen ab & irgendwann will sie dann mal ziehen, wenn ich dann allerdings schalte, fängt das Ganze wieder von vorne an.

Vollgas ist ganz schwierig im hochtourigen Bereich: Stottern, stottern, stottern, wenn ich etwas Gas wegnehme zieht sie.

Bis 140 Km/h krieg ich sie noch, im 5ten vielleicht noch bis 150, aber dann mit ordentlich Anlauf, danach ist tote Hose.
Auch nur wenn ich das Gas die ganze Zeit korrigiere, als müsste ich den Bereich finden, wo das Verhältnis zwischen Luft und Sprit stimmt.


Was bestimmt auch wichtig sein kann: Die Jute spuckt im Leerlauf Fehlzündungen in regelmäßigen Abständen.
Man hört also aus dem Auspuff durchgehend: Poff.. Poff.. Poff.. Poff. Poff. Poff
Bin langsam echt am verzweifeln, viel dran gemacht, aber zicken tut Sie immer noch.


Ich kann hier mal festhalten, was ich im Laufe von 4 Monaten alles gemacht habe:
-neuer Benzinhahn (Membran war defekt)
-Neues Öl, Ölfilter, Luftfilter ohne Rohr innen, Zündkerzen
-Vergaser mehrmals ultraschallgereinigt,
neues Keyster Vergaser-Kit verbaut (Das war vor dem Winter)
-Probeweise die Clips versetzt, damit sie fetter läuft, war auch nicht die Lösung
-Pri-Stellung löst das Problem auch nicht
-Tank hat innen gar kein Rost, Rost-Partikel sind es also auch nicht.


Sorry für den Roman, ich versuche immer alles, so gut wie möglich. zu erklären.


Send Help!
Tzwen ist offline   Mit Zitat antworten
Alt 03.03.2022, 19:48:59   #62
Jim Knopf
Erfahrener Benutzer
 
Benutzerbild von Jim Knopf
 
Registriert seit: 06.12.2010
Ort: 74635 Kupferzell
Alter: 58
Beiträge: 7.388
Baujahr: 1989
Kilometer: 33333
Standard

Hast du die Vergaser geschallt?
__________________
Duracell ist Scheiße
Jim Knopf ist offline   Mit Zitat antworten
Alt 03.03.2022, 21:46:44   #63
AmigaHarry
Erfahrener Benutzer
 
Benutzerbild von AmigaHarry
 
Registriert seit: 13.11.2005
Ort: Perchtoldsdorf
Alter: 64
Beiträge: 5.312
Kilometer: 1.1mio
Standard

Die Nadelposition hat keinen Einfluss auf den Leerlauf. Die Fehlzündungen bedeuten viel zu mager bei Standgas. Und das wird nur von der Lehrlaufgemischdüse (deswegen heisst sie auch so) bzw. auch Falschluft beeinflusst. Die Grundeinstellung scheint da nicht zu passen und die Synchronisierung gehört auch angesehen.

Die Nadel beeinflusst das Gemisch im mittleren Drehzahlbereich, und oben raus ist nur mehr die Hauptdüse aktiv. Wenn es also oben ein Problem gibt, passt entweder die Hauptdüse nicht, oder der Vergaser ist noch immer wo verdreckt (siehe Frage von Jim!) und sie kriegt zu wenig Sprit. Um da den Unterdruckbenzinhahn auszuschließen, fahr einmal auf der Stellung PRI (nachher aber NICHT VERGESSEN SOFORT wieder auf ON zu stellen). Wenn es dann geht hat dein Hahn ein Problem.

Und last but not least: Das ewige Thema vom richtigen Luftfilter!

Dann gibts allerdings noch das (aber unwarscheinlicherere) Thema das es oben auch ein elektrisches Problem sein kann (Zündspule, Hallkontaktgeber, Lichtmaschine/Gleichrichter). Kümmer dich aber erst einmal um den Vergaser!
AmigaHarry ist offline   Mit Zitat antworten
Alt 03.03.2022, 23:23:02   #64
Tzwen
Benutzer
 
Benutzerbild von Tzwen
 
Registriert seit: 18.05.2021
Ort: Eifel
Alter: 25
Beiträge: 46
Baujahr: 1995
Kilometer: 13000
Standard

Zitat:
Zitat von AmigaHarry Beitrag anzeigen
Kümmer dich aber erst einmal um den Vergaser!
Juuu, dann muss ich wohl nochmal den Vergaser anrühren, schade.

Ja die Vergaser wurden ultraschallgereinigt, was allerdings vor dem Winter geschehen ist. (Ich hatte die Kammern nicht geleert, da stand noch Benzin über´m Winter drinne..)


Dann schraub´ ich mal wieder ´neh Runde.

Luftfilter ist ein Hiflo offen, der richtige für mein Baujahr.
Tzwen ist offline   Mit Zitat antworten
Alt 04.03.2022, 05:45:53   #65
gsmattis
Stammtisch Hamburg
 
Benutzerbild von gsmattis
 
Registriert seit: 16.03.2008
Ort: Extertal
Alter: 37
Beiträge: 8.808
Baujahr: 1999
Kilometer: 158000
Standard

Zitat:
Zitat von Tzwen Beitrag anzeigen
Luftfilter ist ein Hiflo offen, der richtige für mein Baujahr.
Wenn du mit offen ohne Innenrohr meinst, dann passt das.
__________________
Bandit 1200
TL1000S
weil nur 6 Zylinder Sinn ergeben
gsmattis ist offline   Mit Zitat antworten
Alt 13.03.2022, 17:36:05   #66
Tzwen
Benutzer
 
Benutzerbild von Tzwen
 
Registriert seit: 18.05.2021
Ort: Eifel
Alter: 25
Beiträge: 46
Baujahr: 1995
Kilometer: 13000
Standard

Servus, kleine Frage meinerseits, habe heute das Ventilspiel kontrolliert.

Auf dem Shrim steht 2 8,
Sollen das jetzt 280 mm sein?

Sehe gerade das das Bild unscharf ist.

in der Mitte vom Shrim befindet sich keine Zahl, einfach nur eine Art Kreis.
Miniaturansicht angehängter Grafiken
Klicke auf die Grafik für eine größere Ansicht

Name:	IMG_20220313_161911.jpg
Hits:	1252
Größe:	73,0 KB
ID:	30977  
Tzwen ist offline   Mit Zitat antworten
Alt 13.03.2022, 18:34:15   #67
gsmattis
Stammtisch Hamburg
 
Benutzerbild von gsmattis
 
Registriert seit: 16.03.2008
Ort: Extertal
Alter: 37
Beiträge: 8.808
Baujahr: 1999
Kilometer: 158000
Standard

Es gibt ab Werk auch "krumme" Werte, also könnte auch 258, 268 etc sein. Einfach mit einer Bügelmessschraube messen. Ausgehend von dem IST Wert musst du da die Größe für den neuen Shim wissen.
__________________
Bandit 1200
TL1000S
weil nur 6 Zylinder Sinn ergeben
gsmattis ist offline   Mit Zitat antworten
Antwort

Lesezeichen


Forumregeln
Es ist dir nicht erlaubt, neue Themen zu verfassen.
Es ist dir nicht erlaubt, auf Beiträge zu antworten.
Es ist dir nicht erlaubt, Anhänge hochzuladen.
Es ist dir nicht erlaubt, deine Beiträge zu bearbeiten.

BB-Code ist an.
Smileys sind an.
[IMG] Code ist aus.
HTML-Code ist aus.

Gehe zu

Ähnliche Themen
Thema Autor Forum Antworten Letzter Beitrag
Klackerndes Geräusch bei 4000+ Umdrehungen RobinDunn Fehlerdiagnose 6 08.03.2021 18:19:08
Geht unter 4000 Umdrehungen aus. FreeSpiritMarco Fehlerdiagnose 17 29.03.2017 16:04:01
Dreht auf 4000 Umdrehungen KnaxSi Vergaser - Kraftstoff - Drosseln - Tuning 26 26.08.2014 21:40:58
nur 4000 Umdrehungen mit choke flocooper Fehlerdiagnose 32 14.06.2013 19:58:31
Stottert bei 4000 Umdrehungen Fisherman Fehlerdiagnose 1 10.05.2009 20:56:14


Alle Zeitangaben in WEZ +1. Es ist jetzt 16:38:14 Uhr.


Powered by vBulletin® Version 3.8.9 (Deutsch)
Copyright ©2000 - 2026, vBulletin Solutions, Inc.