gs-500.de  

Zurück   gs-500.de > GS500(E/F) > Vergaser - Kraftstoff - Drosseln - Tuning

Hinweise

Antwort
 
Themen-Optionen
Alt 02.07.2013, 17:45:02   #1
Teufelchen88
Erfahrener Benutzer
 
Benutzerbild von Teufelchen88
 
Registriert seit: 15.09.2010
Ort: Langenhagen
Alter: 37
Beiträge: 1.035
Baujahr: 1999
Kilometer: 18.900
Standard So ein Mist: GS auf PRI abgestellt...

:h ammer:
Ich habe meine GS tootal in Gedanken versunken auf Pri abgestellt. Hab es jetzt 1 woche spaäter durch den starken Benzin/Öl geruch in der garage festgestellt... Ich bin sie in der zwischenzeit niocht gefahren und hab auch nicht versucht sie zu starten.
Wie gehe ich jetzt richtig vor?
Ich werde auf jeden fall am wochenende jetzt einen Ölwechsel machen
aber wie bekomme ich die schwimmerkammern jetzt leer (Hab die noch nie geleert).
Bräuchte also so gesehen ne schritt für schritt anleitung
__________________
Tank/ Verkleidungsteile matt schwarz, Rahmen glänzend schwarz, LED RL schwarz, Halogen Blinker, HI-Q Top Grip Alu Fußrasten schwarz, Polisport Halo LED Maske, IXIL Competition Range ESD, weisse Felgenrandaufkleber, Balu Racing Bugspoiler, Progressive Gabelfedern, Koso db01r, Lenkerenden schwarz, Edelstahl Kettenschutz schwarz, schwarze Brems-/ Kupplungshebel, Stahlflex Lucas vorn, YSS Federbein, Sturzpads GSG, Universal Kennzeichenhalter
Teufelchen88 ist offline   Mit Zitat antworten
Alt 02.07.2013, 17:49:32   #2
icumblood
Erfahrener Benutzer
 
Benutzerbild von icumblood
 
Registriert seit: 13.09.2005
Ort: Weilheim / Teck
Alter: 41
Beiträge: 1.875
Baujahr: kp
Kilometer: kp
Standard

Ablassschraube aufdrehen und auslaufendes Benzin mittels schlauch oder kleinem behältnis auffangen.
__________________
...Wird es Nass
- - > . < - -
^
|
*Klick*
icumblood ist offline   Mit Zitat antworten
Alt 02.07.2013, 17:51:02   #3
berndy
Super-Moderator
 
Benutzerbild von berndy
 
Registriert seit: 16.08.2006
Ort: Schifferstadt/Pfalz
Alter: 63
Beiträge: 10.721
Baujahr: 1995
Kilometer: 66666
Standard

Einfach die Ablassschrauben öffnen. Vorher ein geeignetes Gefäß drunter halten. Da ist nicht viel drin.

Die Ablassschrauben sollten rechts und links unten rausgucken.

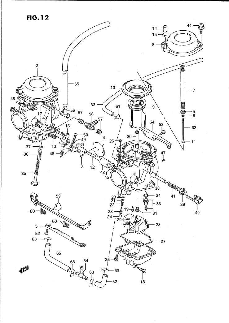
Die Position 18 ist das.
Miniaturansicht angehängter Grafiken
Klicke auf die Grafik für eine größere Ansicht

Name:	06a.GIF
Hits:	649
Größe:	55,8 KB
ID:	17061  
__________________

Man sollte es so oder so nicht übertreiben.
berndy ist offline   Mit Zitat antworten
Alt 02.07.2013, 17:53:50   #4
Teufelchen88
Erfahrener Benutzer
 
Benutzerbild von Teufelchen88
 
Registriert seit: 15.09.2010
Ort: Langenhagen
Alter: 37
Beiträge: 1.035
Baujahr: 1999
Kilometer: 18.900
Standard

muss ich den vergaser auch reinigen bzw öffnen wegen der schwimmernadel?
__________________
Tank/ Verkleidungsteile matt schwarz, Rahmen glänzend schwarz, LED RL schwarz, Halogen Blinker, HI-Q Top Grip Alu Fußrasten schwarz, Polisport Halo LED Maske, IXIL Competition Range ESD, weisse Felgenrandaufkleber, Balu Racing Bugspoiler, Progressive Gabelfedern, Koso db01r, Lenkerenden schwarz, Edelstahl Kettenschutz schwarz, schwarze Brems-/ Kupplungshebel, Stahlflex Lucas vorn, YSS Federbein, Sturzpads GSG, Universal Kennzeichenhalter
Teufelchen88 ist offline   Mit Zitat antworten
Alt 02.07.2013, 18:26:24   #5
berndy
Super-Moderator
 
Benutzerbild von berndy
 
Registriert seit: 16.08.2006
Ort: Schifferstadt/Pfalz
Alter: 63
Beiträge: 10.721
Baujahr: 1995
Kilometer: 66666
Standard

Naja, wenn die Schwimmernadeln nicht zuverlässig schließen, was ja der Fall ist, wenn die Vergaser überlaufen, sollte man da auch mal gucken.

Ich würde jetzt aber mal nicht gleich alle Pferde scheu machen.

Dass Benzin ins Öl gelangt, ist der schlimmste anzunehmende Unfall. Das kann passieren, muss aber nicht unbedingt passieren.

Dass sich eine kleine Benzinlache unter dem Motorrad bildet, muss nicht zwangsläufig auch bedeuten, dass Benzin ins Öl gelaufen ist.

Man muss das natürlich abklären, bevor man wieder fährt.

Ein deutlicher Hinweis ist auf jeden Fall, wenn der Ölstand signifikant höher ist als normal. Wenn der Ölstand so ist, wie zuvor, dann ist auch nicht viel Benzin ins Öl gelaufen. Man kann auch am Öl riechen, riecht es deutlich nach Benzin, dann sollte man wechseln.

Normalerweise läuft das Benzin aus den Schwimmerkammern über die Lüftungslöcher an den Schwimmerkammergehäusen nach außen. Die Schwimmerkammern müssen ja belüftet werden.

Ich hatte es schon, dass die Schwimmernadeln gehangen haben. Auf PRI tropften dann die Vergaser ganz gewaltig, da lief auch nichts ins Öl.
__________________

Man sollte es so oder so nicht übertreiben.
berndy ist offline   Mit Zitat antworten
Alt 02.07.2013, 18:33:49   #6
majestic_morpheus
Super-Moderator
 
Benutzerbild von majestic_morpheus
 
Registriert seit: 09.06.2006
Ort: 85435 Erding
Alter: 50
Beiträge: 6.739
Baujahr: 1992
Kilometer: 68000
Standard

Zitat:
Zitat von berndy Beitrag anzeigen
Ein deutlicher Hinweis ist auf jeden Fall, wenn der Ölstand signifikant höher ist als normal. Wenn der Ölstand so ist, wie zuvor, dann ist auch nicht viel Benzin ins Öl gelaufen.
Dazu muss man aber den vorherigen Ölstand kennen
__________________



__________________________________________________ ____

Entdrosseln - die FAQ (ins PDF schauen)

FAQ - immer einen Blick wert
majestic_morpheus ist offline   Mit Zitat antworten
Alt 02.07.2013, 18:37:34   #7
berndy
Super-Moderator
 
Benutzerbild von berndy
 
Registriert seit: 16.08.2006
Ort: Schifferstadt/Pfalz
Alter: 63
Beiträge: 10.721
Baujahr: 1995
Kilometer: 66666
Standard

Den meinen kenne ich: Steht immer auf F.

Edit:

Das ist ja nicht so, dass genau so viel Benzin ins Öl läuft, dass der Ölstand dann genau bei F stehen bleibt. Man weiß ja ungefähr, wie viel Öl die eigene GS braucht. Wenn man alle zwei Tankungen 0,3 L nachkippen muss, einen Tank schon verfahren hat und der Ölstand nun über F steht, braucht man nicht mehr am Öl riechen. Nichtwahr?
__________________

Man sollte es so oder so nicht übertreiben.
berndy ist offline   Mit Zitat antworten
Alt 02.07.2013, 18:49:43   #8
Teufelchen88
Erfahrener Benutzer
 
Benutzerbild von Teufelchen88
 
Registriert seit: 15.09.2010
Ort: Langenhagen
Alter: 37
Beiträge: 1.035
Baujahr: 1999
Kilometer: 18.900
Standard

Im Öl ist nix war grad kontrollieren und hab den Haupt benzinhahn erst mal zu gedreht.
Ist es schlimm wenn da Benzin raus ist ? (Siehe Bild 1)
Sind das die Schrauben? (Bild 2)

Bild 1
http://up.picr.de/15051860zn.jpg

Bild2
http://up.picr.de/15051873ih.jpg
__________________
Tank/ Verkleidungsteile matt schwarz, Rahmen glänzend schwarz, LED RL schwarz, Halogen Blinker, HI-Q Top Grip Alu Fußrasten schwarz, Polisport Halo LED Maske, IXIL Competition Range ESD, weisse Felgenrandaufkleber, Balu Racing Bugspoiler, Progressive Gabelfedern, Koso db01r, Lenkerenden schwarz, Edelstahl Kettenschutz schwarz, schwarze Brems-/ Kupplungshebel, Stahlflex Lucas vorn, YSS Federbein, Sturzpads GSG, Universal Kennzeichenhalter
Teufelchen88 ist offline   Mit Zitat antworten
Alt 02.07.2013, 18:56:57   #9
majestic_morpheus
Super-Moderator
 
Benutzerbild von majestic_morpheus
 
Registriert seit: 09.06.2006
Ort: 85435 Erding
Alter: 50
Beiträge: 6.739
Baujahr: 1992
Kilometer: 68000
Standard

Die Schrauben sind die richtigen.

Schmeiß den Benzinfilter auf Bild 1 raus. Der ist nicht original und die Dinger machen i.d.R. mehr Probleme als sie lösen.
__________________



__________________________________________________ ____

Entdrosseln - die FAQ (ins PDF schauen)

FAQ - immer einen Blick wert
majestic_morpheus ist offline   Mit Zitat antworten
Alt 02.07.2013, 18:59:02   #10
Saugwurmmensch
Public-Relations-Manager
 
Benutzerbild von Saugwurmmensch
 
Registriert seit: 19.07.2004
Ort: Strausberg
Alter: 42
Beiträge: 24.180
Baujahr: 1998
Kilometer: 22000
Standard

Was ist denn das für Murks auf dem ersten Bild?
Besorg dir nen neuen Benzinschlauch und schmeiß den Filter und das komische Klebebandgeraffel raus!

Auf Bild 2 die Kreuzschlitzschraube ist die Ablassschraube für den einen Vergaser. Auf der anderen Seite hast du noch eine.
__________________
Wer hat noch keinen Organspendeausweis ?

Warning: may contain Verballhornung.
Suzuki - ride the wings of stain !
Saugwurmmensch ist offline   Mit Zitat antworten
Alt 02.07.2013, 19:06:01   #11
Teufelchen88
Erfahrener Benutzer
 
Benutzerbild von Teufelchen88
 
Registriert seit: 15.09.2010
Ort: Langenhagen
Alter: 37
Beiträge: 1.035
Baujahr: 1999
Kilometer: 18.900
Standard

Ok danke. Der Benzinfilter ist seit Winter drin also ein neuer. Hatte damals wegen Dreck im Tank einen eingebaut bekommen in der Werkstatt. Läuft alles Super. Will den aber spätestens nächsten Winter rausschmeißen. Will dann die Schläuche ersetzen. Klebeband wo? Die gelbe stelle da ist erst jetzt gekommen wo alles da nass ist... Keine Ahnung ist schmierig.

Hier noch mal größer das ganze
http://up.picr.de/15052194vk.jpg
__________________
Tank/ Verkleidungsteile matt schwarz, Rahmen glänzend schwarz, LED RL schwarz, Halogen Blinker, HI-Q Top Grip Alu Fußrasten schwarz, Polisport Halo LED Maske, IXIL Competition Range ESD, weisse Felgenrandaufkleber, Balu Racing Bugspoiler, Progressive Gabelfedern, Koso db01r, Lenkerenden schwarz, Edelstahl Kettenschutz schwarz, schwarze Brems-/ Kupplungshebel, Stahlflex Lucas vorn, YSS Federbein, Sturzpads GSG, Universal Kennzeichenhalter
Teufelchen88 ist offline   Mit Zitat antworten
Alt 02.07.2013, 19:12:50   #12
berndy
Super-Moderator
 
Benutzerbild von berndy
 
Registriert seit: 16.08.2006
Ort: Schifferstadt/Pfalz
Alter: 63
Beiträge: 10.721
Baujahr: 1995
Kilometer: 66666
Standard

Zitat:
Zitat von Teufelchen88 Beitrag anzeigen
Im Öl ist nix war grad kontrollieren und hab den Haupt benzinhahn erst mal zu gedreht.
Ist es schlimm wenn da Benzin raus ist ? (Siehe Bild 1)
Sind das die Schrauben? (Bild 2)

Bild 1
http://up.picr.de/15051860zn.jpg

Bild2
http://up.picr.de/15051873ih.jpg
Kommt drauf an, wie du das meinst.

Wenn du meinst, dass da das Benzin ausgelaufen ist, dann ist das schlimm, dann ist das Ding undicht.

Wenn du meinst, dass da kein Benzin mehr drin ist, dann ist das nicht schlimm, das läuft aus dem Tank wieder nach.

Wenn nicht, muss man kurz mal am Schlauch saugen, aber bitte nicht mit dem Mund, nimm eine Einwegspritze. Benzin schmeckt nicht nur nicht gut, das ist auch sehr ungesund.
__________________

Man sollte es so oder so nicht übertreiben.
berndy ist offline   Mit Zitat antworten
Alt 02.07.2013, 19:27:14   #13
Teufelchen88
Erfahrener Benutzer
 
Benutzerbild von Teufelchen88
 
Registriert seit: 15.09.2010
Ort: Langenhagen
Alter: 37
Beiträge: 1.035
Baujahr: 1999
Kilometer: 18.900
Standard

Denker mal das da zuviel Druck drauf war. Meine damit das da alles nass ist und evtl auch in die Öffnung rein gelaufen. Also hinter den Deckel.
__________________
Tank/ Verkleidungsteile matt schwarz, Rahmen glänzend schwarz, LED RL schwarz, Halogen Blinker, HI-Q Top Grip Alu Fußrasten schwarz, Polisport Halo LED Maske, IXIL Competition Range ESD, weisse Felgenrandaufkleber, Balu Racing Bugspoiler, Progressive Gabelfedern, Koso db01r, Lenkerenden schwarz, Edelstahl Kettenschutz schwarz, schwarze Brems-/ Kupplungshebel, Stahlflex Lucas vorn, YSS Federbein, Sturzpads GSG, Universal Kennzeichenhalter
Teufelchen88 ist offline   Mit Zitat antworten
Alt 03.07.2013, 16:50:28   #14
Teufelchen88
Erfahrener Benutzer
 
Benutzerbild von Teufelchen88
 
Registriert seit: 15.09.2010
Ort: Langenhagen
Alter: 37
Beiträge: 1.035
Baujahr: 1999
Kilometer: 18.900
Standard

Hab ein Problem: wollte grad die schwimmerkammern leeren. Nur lässt sich keine der beiden Schrauben drehen. Bzw der Schraubendreher dreht durch. Schrauben sind ziemlich rund. Was nun?
__________________
Tank/ Verkleidungsteile matt schwarz, Rahmen glänzend schwarz, LED RL schwarz, Halogen Blinker, HI-Q Top Grip Alu Fußrasten schwarz, Polisport Halo LED Maske, IXIL Competition Range ESD, weisse Felgenrandaufkleber, Balu Racing Bugspoiler, Progressive Gabelfedern, Koso db01r, Lenkerenden schwarz, Edelstahl Kettenschutz schwarz, schwarze Brems-/ Kupplungshebel, Stahlflex Lucas vorn, YSS Federbein, Sturzpads GSG, Universal Kennzeichenhalter
Teufelchen88 ist offline   Mit Zitat antworten
Alt 03.07.2013, 17:32:44   #15
Saugwurmmensch
Public-Relations-Manager
 
Benutzerbild von Saugwurmmensch
 
Registriert seit: 19.07.2004
Ort: Strausberg
Alter: 42
Beiträge: 24.180
Baujahr: 1998
Kilometer: 22000
Standard

Tjaaa...mehr Druck und ein perfekt passender Schraubendreher hätte das vielleicht verhindert.
Jetzt musst du die Vergaser eben gefüllt ausbauen.
Wenn du dann die Schwimmerkammern in der Hand hast, solltest du versuchen, die Schrauben zu retten (einen Schlitz reinsägen zB), da du die für´s Einmotten im Winter brauchst.
__________________
Wer hat noch keinen Organspendeausweis ?

Warning: may contain Verballhornung.
Suzuki - ride the wings of stain !
Saugwurmmensch ist offline   Mit Zitat antworten
Alt 03.07.2013, 18:39:17   #16
Teufelchen88
Erfahrener Benutzer
 
Benutzerbild von Teufelchen88
 
Registriert seit: 15.09.2010
Ort: Langenhagen
Alter: 37
Beiträge: 1.035
Baujahr: 1999
Kilometer: 18.900
Standard

Hab so geschafft die waren ja schon mehr oder weniger rund... Naja Kammern sind geleert und sie springt auch gut an. Wenn das Wetter passt wird dann auch ne Ründe Probe gefahren.
__________________
Tank/ Verkleidungsteile matt schwarz, Rahmen glänzend schwarz, LED RL schwarz, Halogen Blinker, HI-Q Top Grip Alu Fußrasten schwarz, Polisport Halo LED Maske, IXIL Competition Range ESD, weisse Felgenrandaufkleber, Balu Racing Bugspoiler, Progressive Gabelfedern, Koso db01r, Lenkerenden schwarz, Edelstahl Kettenschutz schwarz, schwarze Brems-/ Kupplungshebel, Stahlflex Lucas vorn, YSS Federbein, Sturzpads GSG, Universal Kennzeichenhalter
Teufelchen88 ist offline   Mit Zitat antworten
Alt 03.07.2013, 19:37:07   #17
berndy
Super-Moderator
 
Benutzerbild von berndy
 
Registriert seit: 16.08.2006
Ort: Schifferstadt/Pfalz
Alter: 63
Beiträge: 10.721
Baujahr: 1995
Kilometer: 66666
Standard

Auf dem Benzinfilter kann kaum Druck drauf sein. Nur das, was die Benzinsäule drückt, das sind ein paar mBar.

Ich denke, da ist einfach Benzin von oben, von den Schwimmerkammern, drüber gelaufen.

Wenn Benzin hinter den Ritzeldeckel gelaufen ist, wird's da mal richtig sauber. Ich würd den Deckel mal abmachen und das Zeugs da drin abwischen. Da sammelt sich altes Kettenfett, das wird mit der Zeit schon ein ansehnlicher Haufen Schmodder.

Ja, die Vergaserschrauben. Das ist ein Thema für sich.

Mit perfekt passendem Werkzeug und der richtigen Technik geht's aber.

Ich hab das so gemacht: Vergaser ausbauen, zwischen die Beine klemmen, so dass man an die Schwimmerkammerschrauben kommt, dann mit einem Schlagschraubendreher und Hammer mal auf die Schrauben geschlagen. Dann waren sie offen.

Blöd nur, dass man die Vergaser nicht richtig einspannen kann. Man muss die Beine schon ziemlich fest zusammendrücken.

Wer nicht weiß, was ein Schlagschraubendreher ist:

http://www.louis.de/_30c6e33f5c57bed...artnr=10003903

Der setzt den Hammerschlag in eine Drehung um. Beim Draufschlagen wird der Schraubendreher zudem noch in den Schraubenkopf gedrückt. Das Werkzeug kann so eigentlich nicht abrutschen.
__________________

Man sollte es so oder so nicht übertreiben.
berndy ist offline   Mit Zitat antworten
Alt 03.07.2013, 19:39:40   #18
Saugwurmmensch
Public-Relations-Manager
 
Benutzerbild von Saugwurmmensch
 
Registriert seit: 19.07.2004
Ort: Strausberg
Alter: 42
Beiträge: 24.180
Baujahr: 1998
Kilometer: 22000
Standard

Ui, auf den Vergaser und besonders die dünnen Aluguss Schwimmerkammern würde ich nicht schlagen!
Die brechen mit etwas Pech und sind einigermaßen teuer (und gebraucht einzeln selten zu bekommen).
__________________
Wer hat noch keinen Organspendeausweis ?

Warning: may contain Verballhornung.
Suzuki - ride the wings of stain !
Saugwurmmensch ist offline   Mit Zitat antworten
Alt 03.07.2013, 19:59:12   #19
berndy
Super-Moderator
 
Benutzerbild von berndy
 
Registriert seit: 16.08.2006
Ort: Schifferstadt/Pfalz
Alter: 63
Beiträge: 10.721
Baujahr: 1995
Kilometer: 66666
Standard

So fest kannst du gar nicht da drauf schlagen, wenn du das zwischen den Beinen einklemmst, das tut nämlich weh. Man muss da auch nicht fest draufschlagen. Es geht ja um einen Prellschlag und darum, dass der Kreuzschlitz nicht abrutscht.

Mit Werkzeug geht man ja auch mit Bedacht und der nötigen Vorsicht um.

Edit: Man haut ja auch nicht sinnlos auf die Schwimmerkammern sondern auf den Schlagschraubendreher, der im Kreuzschlitz steckt.
__________________

Man sollte es so oder so nicht übertreiben.
berndy ist offline   Mit Zitat antworten
Alt 03.07.2013, 20:01:31   #20
Saugwurmmensch
Public-Relations-Manager
 
Benutzerbild von Saugwurmmensch
 
Registriert seit: 19.07.2004
Ort: Strausberg
Alter: 42
Beiträge: 24.180
Baujahr: 1998
Kilometer: 22000
Standard

Ah, ich knie oft am Boden und hab die Gaser zwischen den Beinen, damit ich beim Schrauben von oben den nötigen Druck aufbauen kann.
Aber wenn bei dir die Gaser nicht auf dem Boden aufliegen, wird das Alu überleben
__________________
Wer hat noch keinen Organspendeausweis ?

Warning: may contain Verballhornung.
Suzuki - ride the wings of stain !
Saugwurmmensch ist offline   Mit Zitat antworten
Alt 03.07.2013, 20:14:03   #21
berndy
Super-Moderator
 
Benutzerbild von berndy
 
Registriert seit: 16.08.2006
Ort: Schifferstadt/Pfalz
Alter: 63
Beiträge: 10.721
Baujahr: 1995
Kilometer: 66666
Standard

Auf den Boden würde ich die Vergaser eh nicht auflegen. Wenn dann auf den Arbeitstisch. Wenn ich fester schlagen wollte, würde ich die so fixieren und an den Verschraubungspunkten unterbauen, dass sich der Schlag von oben auf die Tischplatte überträgt. Also die Laschen gar nicht auf Biegung beansprucht werden.

Bei dem Schlagschraubendreher geht's ja um die Drehung zum Zeitpunkt des Schlages. Da kann der Kreuzschlitz nicht abrutschen.

Und die Schrauben sitzen gar nicht so fest in den Vergasern. Die Köpfe sind nur sehr weich.

Mit meiner Methode waren jedenfalls die Schrauben offen und die Köpfe nicht vergnaddelt.
__________________

Man sollte es so oder so nicht übertreiben.
berndy ist offline   Mit Zitat antworten
Antwort

Lesezeichen


Forumregeln
Es ist dir nicht erlaubt, neue Themen zu verfassen.
Es ist dir nicht erlaubt, auf Beiträge zu antworten.
Es ist dir nicht erlaubt, Anhänge hochzuladen.
Es ist dir nicht erlaubt, deine Beiträge zu bearbeiten.

BB-Code ist an.
Smileys sind an.
[IMG] Code ist aus.
HTML-Code ist aus.

Gehe zu

Ähnliche Themen
Thema Autor Forum Antworten Letzter Beitrag
Bike auf Pri abgestellt ? Papaschlumpf Motor, Getriebe, Kettensatz 10 13.05.2009 10:32:49
Mist! TÜV verpasst!! danger_gerbi TÜV, ABE, Gutachten, ... 31 03.07.2008 22:53:14
So ein Mist !! klobrille Fehlerdiagnose 8 19.02.2008 08:21:01
Mist gebaut... Slashy Motor, Getriebe, Kettensatz 34 03.08.2007 19:33:53
So ein Mist! Was nun...? BenPower Allgemeines 17 13.04.2007 11:28:45


Alle Zeitangaben in WEZ +1. Es ist jetzt 23:14:33 Uhr.


Powered by vBulletin® Version 3.8.9 (Deutsch)
Copyright ©2000 - 2026, vBulletin Solutions, Inc.