gs-500.de  

Zurück   gs-500.de > GS500(E/F) > Fehlerdiagnose

Hinweise

Antwort
 
Themen-Optionen
Alt 01.03.2011, 13:24:30   #1
RotorSteffen
Benutzer
 
Benutzerbild von RotorSteffen
 
Registriert seit: 10.01.2011
Ort: 76199 Karlsruhe, Rüppurr/ 76297 Stutensee, Blankenloch
Alter: 33
Beiträge: 37
Baujahr: 2005
Kilometer: 20000
Standard Hilfe susi zickt

Hi Leute hab ein Problem mit der susi,

So ich Bin sie heute zum ersten mal gefahren (sie ist aus 34PS gedrosselt worden). Als ich sie angemacht habe war alles ok. Nach 2min Fahrt mit ca 20 bis 30kmh fängt der Drehzahlmesser an wackeln und das immer heftiger ( Motor bleibt aber normal) mit der Zeit ist er Dan ganz ausgefallen.

Ausreden beschleunigte sie am Anfang recht schlech und bei 60 war Schluss. Nach 20 min fahr Schaft sie immerhin 80kmh aber dann ist schuss. Kann mir da jemand weiterhelfen????


Gr rotor
RotorSteffen ist offline   Mit Zitat antworten
Alt 01.03.2011, 13:32:31   #2
VaidenCains
Benutzer
 
Benutzerbild von VaidenCains
 
Registriert seit: 04.06.2010
Ort: Augsburg
Alter: 35
Beiträge: 34
Baujahr: 1996
Kilometer: 35000
Standard

Tach Steffen,
gerade muss ich doch dezent schmunzeln.
Also das mit deinem Drehzahlmesser, guck mal unten
am Drehzahlmesser sollte ein Kabel hängen mit einer Schraube
zum festziehen. Bei mir lockert die sich ganz gern und dann fällt er auch aus.

Das Problem mit dem schlechten Beschleunigen bis max. bis 60 km/h hoch, habe
ich nun auch. Habe schon ein bisschen rumgeschaut, was ich jetzt so gelesen
habe scheint das wohl ein Problem mit dem Vergaser zu sein
(gegebenenfalls läuft dein Maschinchen auch nur auf einem Zylinder).

Nachdem ich jetzt seit Oktober immer wieder Probleme habe, gebe ich die kleine GS nun in die Hände der Werkstatt meines Vertrauens.
Sollte das Problem schnell behoben sein, werde ich dir hier nochmals bescheid geben
VaidenCains ist offline   Mit Zitat antworten
Alt 01.03.2011, 13:42:33   #3
cha0s
Gast
 
Beiträge: n/a
Standard

Haste das Benzin über den Winter abgelassen?
  Mit Zitat antworten
Alt 01.03.2011, 13:46:30   #4
RotorSteffen
Benutzer
 
Benutzerbild von RotorSteffen
 
Registriert seit: 10.01.2011
Ort: 76199 Karlsruhe, Rüppurr/ 76297 Stutensee, Blankenloch
Alter: 33
Beiträge: 37
Baujahr: 2005
Kilometer: 20000
Standard

Ne habe sie erst Ende Januar bekommen. Tack war so halb voll. Hab auch vorhin getankt( kein E10)
RotorSteffen ist offline   Mit Zitat antworten
Alt 01.03.2011, 13:53:52   #5
cha0s
Gast
 
Beiträge: n/a
Standard

Leerlauf ist tadellos?
  Mit Zitat antworten
Alt 01.03.2011, 14:26:52   #6
RotorSteffen
Benutzer
 
Benutzerbild von RotorSteffen
 
Registriert seit: 10.01.2011
Ort: 76199 Karlsruhe, Rüppurr/ 76297 Stutensee, Blankenloch
Alter: 33
Beiträge: 37
Baujahr: 2005
Kilometer: 20000
Standard

Ja, sonst ist alles einwantfrei
RotorSteffen ist offline   Mit Zitat antworten
Alt 01.03.2011, 14:32:20   #7
Hoschy
Stammtisch Rhein - Ruhr
 
Benutzerbild von Hoschy
 
Registriert seit: 28.04.2009
Ort: nähe Leverkusen
Alter: 35
Beiträge: 81
Standard

Schau mal ob sich nach dem starten beide Krümmer gleich erwärmen. (Hand anhalten reicht um das festzustellen)
__________________
Gewalt & Spätzle!
Hoschy ist offline   Mit Zitat antworten
Alt 01.03.2011, 15:01:19   #8
cha0s
Gast
 
Beiträge: n/a
Standard

Bleibt ein Krümmer kalt, entsprechende Zündkerze ausdrehen und gucken ob sie feucht oder verrust ist. Kerzenstecker auf ausgebaute Kerze stecken, mit einer isolierten Zange das Kerzengewinde an den Rahmen halten und gucken, ob beim Starten ein Funke sichtbar ist.
Erwärmen sich die Krümmer nicht gleichmäßig, Vergaser ausbauen, Schwimmerkammerdeckel ab und gucken ob Dreck drin ist. Ergebnisse hier posten, dann sehen wir weiter.
  Mit Zitat antworten
Alt 01.03.2011, 15:22:34   #9
RotorSteffen
Benutzer
 
Benutzerbild von RotorSteffen
 
Registriert seit: 10.01.2011
Ort: 76199 Karlsruhe, Rüppurr/ 76297 Stutensee, Blankenloch
Alter: 33
Beiträge: 37
Baujahr: 2005
Kilometer: 20000
Standard

Ok danke, mach ich gleich wenn sie wider kalt ist

Vorab ich hab schon mal beide Kerzen ausgedreht, die recht ist meinermeinung nach in Ordnung die linke ist rabenschwarz
RotorSteffen ist offline   Mit Zitat antworten
Alt 01.03.2011, 15:27:06   #10
cha0s
Gast
 
Beiträge: n/a
Standard

Schwarz? Dann spar dir das mit dem Stecker abziehen. Nimm gleich den Gaser auseinander und guck nach dem Schwimmer. Der wird hängen. Infolge dessen wird das Gemisch gnadenlos überfettet.
  Mit Zitat antworten
Alt 01.03.2011, 15:30:22   #11
RotorSteffen
Benutzer
 
Benutzerbild von RotorSteffen
 
Registriert seit: 10.01.2011
Ort: 76199 Karlsruhe, Rüppurr/ 76297 Stutensee, Blankenloch
Alter: 33
Beiträge: 37
Baujahr: 2005
Kilometer: 20000
Standard

Könte das das Problem mit den Max 80kmh sein
RotorSteffen ist offline   Mit Zitat antworten
Alt 01.03.2011, 16:03:54   #12
berndy
Super-Moderator
 
Benutzerbild von berndy
 
Registriert seit: 16.08.2006
Ort: Schifferstadt/Pfalz
Alter: 63
Beiträge: 10.720
Baujahr: 1995
Kilometer: 66666
Standard

Ja, wenn ein Zylinder nicht oder nur schlecht läuft, gibts auch keine richtige Leistung.
__________________

Man sollte es so oder so nicht übertreiben.
berndy ist offline   Mit Zitat antworten
Alt 01.03.2011, 16:33:22   #13
RotorSteffen
Benutzer
 
Benutzerbild von RotorSteffen
 
Registriert seit: 10.01.2011
Ort: 76199 Karlsruhe, Rüppurr/ 76297 Stutensee, Blankenloch
Alter: 33
Beiträge: 37
Baujahr: 2005
Kilometer: 20000
Standard

Beide Zylinder Weden gleichmäßig warm
RotorSteffen ist offline   Mit Zitat antworten
Alt 01.03.2011, 16:37:35   #14
VaidenCains
Benutzer
 
Benutzerbild von VaidenCains
 
Registriert seit: 04.06.2010
Ort: Augsburg
Alter: 35
Beiträge: 34
Baujahr: 1996
Kilometer: 35000
Standard

An dieser Stelle hätte ich noch eine Frage.
Bei meiner Kleinen ist es so das die rechte Seite
etwas schneller warm wird als die linke.

Woran kann das liegen? Nach einiger Zeit sind beide Seiten
gleich warm.
VaidenCains ist offline   Mit Zitat antworten
Alt 01.03.2011, 17:56:20   #15
berndy
Super-Moderator
 
Benutzerbild von berndy
 
Registriert seit: 16.08.2006
Ort: Schifferstadt/Pfalz
Alter: 63
Beiträge: 10.720
Baujahr: 1995
Kilometer: 66666
Standard

Ich hatte vor ein paar Wochen, nach der langen Standzeit über den Winter, auch das Problem, dass mein Motor nur auf dem linken Zylinder laufen wollte.

Der Grund dafür war, dass das Schwimmernadelventil am rechten Vergaser oben festgeklebt war, also keinen Sprit durchgelassen hat.

Bei dieser Aktion konnte ich schön feststellen, dass der rechte Zylinder nicht richtig warm wurde. Gut, der lief ja auch nicht. Trotzdem wurde nach einiger Zeit der Zylinderblock auch rechts warm.

Ich habe dann mit einer Sprühflasche Wasser auf die Krümmer gesprüht, da kann man sehr gut erkennen, ob der betreffende Zylinder richtig läuft ohne sich die Finger zu verbrennen. Am rechten Krümmer blieb das Wasser hängen und lief ab, am linken Krümmer zischte und dampfte es.

Wenn ein Zylinder länger braucht als der andere, bis er warm ist, kann das daran liegen, dass er nicht richtig läuft. Das merkt man aber auch beim Fahren, die Maschine zieht nicht richtig und bockt.

Zuerst würde ich da dann mal nachsehen, ob überhaupt ein Zündfunke vorhanden ist und Benzin in die Schwimmerkammer läuft.

Käme kein Benzin, würde ich mal die Vergaser ausbauen und an dem betreffenden Vergaser nachsehen, was es ist.

Oft hängt einfach nur das Schwimmernadelventil.

Das kann man mit kleinem Werkzeug in einer Stunde machen.

Hätte ich keinen Zündfunken, würde ich mal an der Zündung suchen.
__________________

Man sollte es so oder so nicht übertreiben.

Geändert von berndy (01.03.2011 um 18:01:36 Uhr) Grund: Berichtigung
berndy ist offline   Mit Zitat antworten
Alt 01.03.2011, 20:21:36   #16
klassikfon
Erfahrener Benutzer
 
Benutzerbild von klassikfon
 
Registriert seit: 20.08.2010
Ort: Halle (Saale)
Alter: 49
Beiträge: 1.918
Baujahr: 1992
Kilometer: 33.000
Standard

Bei Bedarf:

http://forum.gs-500.de/showthread.php?t=25766

Gruß Ric
__________________
Vergaser-Ultraschallreinigung für Forenmitglieder:

www.vergaseronkel.de

Vergaser zerlegen:http://forum.gs-500.de/showthread.ph...458#post424458
klassikfon ist offline   Mit Zitat antworten
Alt 01.03.2011, 22:24:39   #17
RotorSteffen
Benutzer
 
Benutzerbild von RotorSteffen
 
Registriert seit: 10.01.2011
Ort: 76199 Karlsruhe, Rüppurr/ 76297 Stutensee, Blankenloch
Alter: 33
Beiträge: 37
Baujahr: 2005
Kilometer: 20000
Standard

ein wunder ist geschehen.

Ich habe vorhin ja die Kerzen rausgeschraubt als sich sie wider drin hatten. lief sie auf einmal einwandfrei. (Auf der Autoban ca 160km/h). ich hoffe der erfolg hällt an und sie macht mir nicht in 200 km wider die zicken.

PS. Die schwarze kerze habe ich mit einer Drahtbürste etwas gereinigt.

Jetzt bleibt noch das problem mit dem Drehzahlmesser der nicht mehr funktionier. auserdem kamm noch hinzu das der km Stand auf 20000km umgesprungen ist und dort hängt. das heist das sich nur noch has weiße rad dreht und die 20...km bleiben stehen

pps. <der Tacho hat ne extra welle und der Drehralmesser auch oder??? Also zwei ???

dank euch schon mal im vorraus

gr Rotor

Geändert von RotorSteffen (01.03.2011 um 23:52:51 Uhr)
RotorSteffen ist offline   Mit Zitat antworten
Alt 02.03.2011, 01:49:50   #18
VaidenCains
Benutzer
 
Benutzerbild von VaidenCains
 
Registriert seit: 04.06.2010
Ort: Augsburg
Alter: 35
Beiträge: 34
Baujahr: 1996
Kilometer: 35000
Standard

Also bei meiner alten führen jedenfalls insgesammt 2 dieser "Kabel" (Schrauben/Wellen - Frag mich nicht wie genau die heißen =)
zum "Cockpit" eines zum Drehzahlmesser das andere zum Tacho
VaidenCains ist offline   Mit Zitat antworten
Alt 02.03.2011, 03:36:59   #19
berndy
Super-Moderator
 
Benutzerbild von berndy
 
Registriert seit: 16.08.2006
Ort: Schifferstadt/Pfalz
Alter: 63
Beiträge: 10.720
Baujahr: 1995
Kilometer: 66666
Standard

Zitat:
Zitat von RotorSteffen Beitrag anzeigen
ein wunder ist geschehen.

Ich habe vorhin ja die Kerzen rausgeschraubt als sich sie wider drin hatten. lief sie auf einmal einwandfrei. (Auf der Autoban ca 160km/h). ich hoffe der erfolg hällt an und sie macht mir nicht in 200 km wider die zicken.

PS. Die schwarze kerze habe ich mit einer Drahtbürste etwas gereinigt.

Jetzt bleibt noch das problem mit dem Drehzahlmesser der nicht mehr funktionier. auserdem kamm noch hinzu das der km Stand auf 20000km umgesprungen ist und dort hängt. das heist das sich nur noch has weiße rad dreht und die 20...km bleiben stehen

pps. <der Tacho hat ne extra welle und der Drehralmesser auch oder??? Also zwei ???

dank euch schon mal im vorraus

gr Rotor

Möglich, dass sich das Problem von selbst gelöst hat. Manchmal zündet ein Zylinder nicht richtig und säuft dann wegen zu viel unverbranntem Benzin ab. Nach dem Reinigen der Kerze funktionierts dann wieder. Musst halt beobachten.

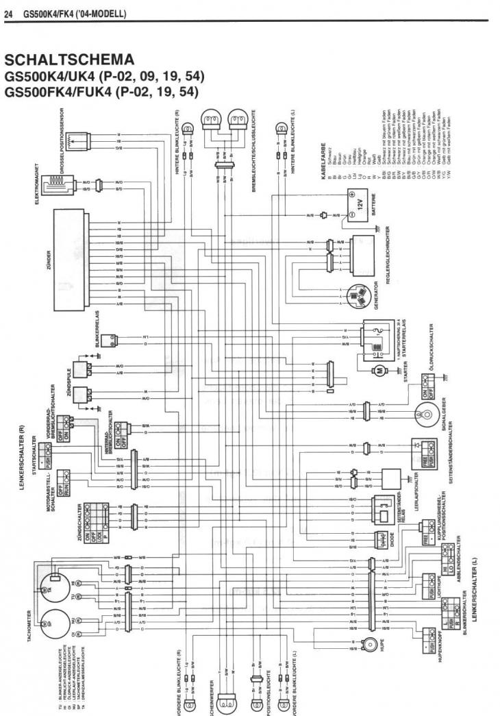
Bei der 2005er GS müsste der Drehzahlmesser elektronisch sein. Geht also keine Welle sondern ein Kabelstrang in den Becher. Möglich, dass da an den Kontakten was lose, korrodiert, ein Kabel gebrochen, die Elektronik oder Mechanik defekt ist.

http://www.gs-500.info/index.php?tit...odelljahr_-_04

Ich würd das Ding mal ausbauen und nach den Kontaktstellen gucken.

Vll. hat sich auch nur etwas gesteckt und bedarf eines kleinen Klapses.
__________________

Man sollte es so oder so nicht übertreiben.
berndy ist offline   Mit Zitat antworten
Alt 02.03.2011, 10:33:04   #20
RotorSteffen
Benutzer
 
Benutzerbild von RotorSteffen
 
Registriert seit: 10.01.2011
Ort: 76199 Karlsruhe, Rüppurr/ 76297 Stutensee, Blankenloch
Alter: 33
Beiträge: 37
Baujahr: 2005
Kilometer: 20000
Standard

Danke danke,

das mit dem elecktrischen Drezahlmesser hab ich heute nacht in einer nächtlichen schrauberstund (oder zwei ) selbst herausgefunden, Danke trodzdem.
Habe die schrauben gelöst und wider fefästigt (Keine korusion). Wo finde ich eigendlich das andere ende der kabel, vieleicht ist da ja was zu finden.

Gr Rotor
RotorSteffen ist offline   Mit Zitat antworten
Alt 02.03.2011, 16:13:47   #21
berndy
Super-Moderator
 
Benutzerbild von berndy
 
Registriert seit: 16.08.2006
Ort: Schifferstadt/Pfalz
Alter: 63
Beiträge: 10.720
Baujahr: 1995
Kilometer: 66666
Standard

Da kann ich dir nicht weiter helfen, ich habe eine 95er und mein Buch geht auch nur bis 97.

Ich denke mal, dass der Drehzahlimpuls von der Zündung irgendwo abgegriffen wird.

Da müsste man mal AmigaHarry fragen.
__________________

Man sollte es so oder so nicht übertreiben.
berndy ist offline   Mit Zitat antworten
Alt 02.03.2011, 18:00:25   #22
RotorSteffen
Benutzer
 
Benutzerbild von RotorSteffen
 
Registriert seit: 10.01.2011
Ort: 76199 Karlsruhe, Rüppurr/ 76297 Stutensee, Blankenloch
Alter: 33
Beiträge: 37
Baujahr: 2005
Kilometer: 20000
Standard

Entwarnung, der Drehzahlmesser geht wider, es war ein Stecker hinter dem Scheinwerfer lose. Ich danke nochmal allen führs mithelfe.

Jetzt bleibt Nur noch der km Zähler der nicht mer mitdreht seit er auf 20000km gesprungen ist

Hoch hoffet ihr könnt mir in meinem letzten Problem helfen
RotorSteffen ist offline   Mit Zitat antworten
Alt 02.03.2011, 18:04:55   #23
AmigaHarry
Erfahrener Benutzer
 
Benutzerbild von AmigaHarry
 
Registriert seit: 13.11.2005
Ort: Perchtoldsdorf
Alter: 64
Beiträge: 5.313
Kilometer: 1.1mio
Standard

Dei Drehzahlmesser hat entweder einen internen Masseschluss (dann ist er leider tot - ausser du kannst seine Platine reparieren) oder das Signalkabel hat eine Unterbrechung. Er bekommt sein Signal direkt von der CDI (Kabel:Schwarz/Rote-Streifen). Zudem kann auch das + Kabel (Orange) bzw. das - Kabel (SW-weisse Streifn) einen Kontaktfehler haben. Diese Kabel auf Durchgang und intakte Stromversorgung prüfen.......


Edit:
Oh - ich bin zu spät - gut das er wieder geht.....

Die KM-Anzeige ist mechanisch und hängt vermutlich. Du kannst durch die Öffnung der Beleuchtung versuchen mit einem Draht die Walzen etwas zu bewegen - villeicht geht es dann wieder. Wenn nicht musst du den kompletten Tacho zerlegen (Zierring aufbördeln) und nachsehen was da los ist.....
Miniaturansicht angehängter Grafiken
Klicke auf die Grafik für eine größere Ansicht

Name:	AN26.jpg
Hits:	1493
Größe:	113,1 KB
ID:	9416  
AmigaHarry ist offline   Mit Zitat antworten
Alt 02.03.2011, 18:07:09   #24
bigimotik1988
Erfahrener Benutzer
 
Benutzerbild von bigimotik1988
 
Registriert seit: 20.09.2009
Ort: hamburg
Alter: 37
Beiträge: 884
Baujahr: 1994
Kilometer: 25000
Standard

lass es so, dann kannst sie später besser verkaufen hihi

nein spaß,

hatte das bei meinem drehzahlmesser, das der nur bis 6kumin ging, im gehäuse waren spinnenweben, die das ding festhielten.

vllt hackt bei dir auch nur was
__________________
Faster, faster until the thrill of speed overcomes the fear of death
bigimotik1988 ist offline   Mit Zitat antworten
Alt 02.03.2011, 20:50:21   #25
RotorSteffen
Benutzer
 
Benutzerbild von RotorSteffen
 
Registriert seit: 10.01.2011
Ort: 76199 Karlsruhe, Rüppurr/ 76297 Stutensee, Blankenloch
Alter: 33
Beiträge: 37
Baujahr: 2005
Kilometer: 20000
Standard

Ich vermute auch das er harkt da er bis (gemau) 20000 gelaufen ist und dann einfach nicht umgesprungen. Ausßerdem ist die 20000 nicht zu 100% umgesprungen also nicht mittig, sonder nur zu ca. 90%. Wie schon beschrieben dreht sich der Tages km und der 100m Zähler (weißes Rad ) tadelos mit

Gr rotor
RotorSteffen ist offline   Mit Zitat antworten
Antwort

Lesezeichen


Forumregeln
Es ist dir nicht erlaubt, neue Themen zu verfassen.
Es ist dir nicht erlaubt, auf Beiträge zu antworten.
Es ist dir nicht erlaubt, Anhänge hochzuladen.
Es ist dir nicht erlaubt, deine Beiträge zu bearbeiten.

BB-Code ist an.
Smileys sind an.
[IMG] Code ist aus.
HTML-Code ist aus.

Gehe zu

Ähnliche Themen
Thema Autor Forum Antworten Letzter Beitrag
Hilfe!!! Meine Gs zickt...... Schnegge Fehlerdiagnose 14 21.08.2007 17:39:04
Meine Susi spasstet hilfe!!!!!!!!! Vergaser - Kraftstoff - Drosseln - Tuning 4 06.06.2007 18:01:55
HIlfe,meine susi geht nicht mehr an!!!!!! Allgemeines 2 22.04.2007 22:20:04
susi zickt rum,rucklen und keine leistung Vergaser - Kraftstoff - Drosseln - Tuning 21 05.05.2004 11:23:02
Hilfe was ist mit meiner susi Vergaser - Kraftstoff - Drosseln - Tuning 12 23.05.2003 17:26:21


Alle Zeitangaben in WEZ +1. Es ist jetzt 10:12:40 Uhr.


Powered by vBulletin® Version 3.8.9 (Deutsch)
Copyright ©2000 - 2026, vBulletin Solutions, Inc.