gs-500.de  

Zurück   gs-500.de > GS500(E/F) > Fehlerdiagnose

Hinweise

Antwort
 
Themen-Optionen
Alt 19.03.2021, 22:42:42   #1
giulio1
Neuer Benutzer
 
Registriert seit: 19.03.2021
Beiträge: 5
Standard Schlechte Gasannahme bei gezogenem Choke

Hi, da ich neu im Forum bin, kurz zu mir: Ich bin Giulio komme aus Süddeutschland und habe mir vor kurzem eine 93er GS als erstes Motorrad gekauft. Kurz nachdem ich sie gekauft hatte fingen die Probleme auch schon an: der Motor hat Falschluft gezogen, was sich aber durch das Austauschen der beiden O ringe an den Ansaugstutzen beheben ließ. Ich hatte dann das Problem, dass sie kalt kein Gas annahm was ich jedoch durch das Reinigen der Vergasern beheben konnte, wobei sie jedoch bei vollast manchmal ruckelte, weshalb ich den Vergaser vor kurzem erneut im Ultraschallbad gereinigt habe und im Zuge dessen noch neue O-Ringe montiert habe. Nun läuft ohne choke perfekt, aber bei gezogenem Choke geht sich beim schnellen Gasgeben aus und wenn man langsam gas gibt, steigt die Drehzahl erst einige Sekunden später an. Außerdem bleibt die Leerlaufdrehzahl trotz gezogenem Choke nur bei 2000 u/min. Ich habe den Vergaser bereits mehrmals gereinigt und ihn auch zu einer Suzuki Werkstatt zum Ultraschallreinigen gegeben, aber das Problem besteht weiterhin. Wäre schön, wenn mir jemand, der vielleicht schon mal ein ähnliches Problem hatte einen Tipp geben könnte.
giulio1 ist offline   Mit Zitat antworten
Alt 20.03.2021, 03:04:48   #2
berndy
Super-Moderator
 
Benutzerbild von berndy
 
Registriert seit: 16.08.2006
Ort: Schifferstadt/Pfalz
Alter: 63
Beiträge: 10.721
Baujahr: 1995
Kilometer: 66666
Standard

Könnte u.U. auch am Luftfilter liegen.

http://forum.gs-500.de/showthread.php?t=10261
__________________

Man sollte es so oder so nicht übertreiben.
berndy ist offline   Mit Zitat antworten
Alt 20.03.2021, 09:48:43   #3
AmigaHarry
Erfahrener Benutzer
 
Benutzerbild von AmigaHarry
 
Registriert seit: 13.11.2005
Ort: Perchtoldsdorf
Alter: 64
Beiträge: 5.317
Kilometer: 1.1mio
Standard

Gibt 2 Möglichkeiten: Zu fett oder zu mager! Beides hat solche Symptome.

Daher Kerzenbild ansehen! Das gibt den Hinweis wohin die Reise geht.

Weiters LuFi (hat Berndy schon gesagt). Der muss EXAKT passen. Die GS ist extrem empfindlich auf den LuFi - am Besten das Suzuki-Original kaufen um diesen Punkt auszuschließen.

Je nachdem was da rauskommt kann man weitermachen - dann gehts erst an die Einstellung der Vergaser....
AmigaHarry ist offline   Mit Zitat antworten
Alt 20.03.2021, 09:55:50   #4
giulio1
Neuer Benutzer
 
Registriert seit: 19.03.2021
Beiträge: 5
Standard

Ich habe mir mal den Luftfilter angeschaut, es steht keine Nummer drauf also wahrscheinlich kein originaler. Da sie mit dem Luftfilter aber schon mal gut lief gehe ich nicht davon aus, dass es daran liegt. Die Co Schrauben sind auf 2,5 Umdrehungen eingestellt, wenn in der Richtung was nicht passen würde, müsste sie ja auch warm schlecht laufen.
Ich werde gleich noch ein Video hochladen. Danke schonmal für die Antworten.
giulio1 ist offline   Mit Zitat antworten
Alt 20.03.2021, 10:17:01   #5
giulio1
Neuer Benutzer
 
Registriert seit: 19.03.2021
Beiträge: 5
Standard

https://www.youtube.com/watch?v=h5cmdJt_CWY
giulio1 ist offline   Mit Zitat antworten
Alt 20.03.2021, 12:24:50   #6
AmigaHarry
Erfahrener Benutzer
 
Benutzerbild von AmigaHarry
 
Registriert seit: 13.11.2005
Ort: Perchtoldsdorf
Alter: 64
Beiträge: 5.317
Kilometer: 1.1mio
Standard

Das ist mit Choke?
Dann hats was anderes: Das Hauptsystem arbeitet nicht - sie kriegt keinen Sprit über die Hauptdüse. Das kann am Schwimmerstand, den Hauptdüsen/Düsenstöcken (auf Oringe achten), der Nadel oder den Schiebermembranen liegen.
Theoretisch könnte noch eine Unterversorgung über die Spritleitung vorliegen (oberer Benzinhahn ganz offen?)
AmigaHarry ist offline   Mit Zitat antworten
Alt 20.03.2021, 18:35:27   #7
Andre61
Gast
 
Beiträge: n/a
Standard

gude..
ich meinte mal gelesen zu haben das im Benzinhan ein kleiner Filter ist.
  Mit Zitat antworten
Alt 20.03.2021, 19:08:17   #8
snailie
Super-Moderator
 
Benutzerbild von snailie
 
Registriert seit: 05.04.2013
Ort: Wuppertal
Alter: 43
Beiträge: 3.416
Baujahr: 2004
Kilometer: 28300
Standard

Zitat:
Zitat von Andre61 Beitrag anzeigen
ich meinte mal gelesen zu haben das im Benzinhan ein kleiner Filter ist.
Im Benzinhahn, der im Tank selbst ist (gerne als "Montagebenzinhahn" apostrophiert), ist ein Sieb, wenn auch kein kleines. Der andere Benzinhahn hat eine Membran, kein Sieb.

Das mit dem Sieb ist aber insofern ein guter Punkt, als daß nachträglich in die Leitungen eingebaute Benzinfilter auch gerne mal mehr Unheil anrichten, als daß sie helfen... ist da ein Benzinfilter ins Schlauchwerk eingebracht worden?
__________________
...still out here in the wind and rain ~ I look a little older but I feel no pain...
.::battered but proud::.
~*~
Forumstreffen 2026 - Es sind noch Plätze frei!!!
snailie ist offline   Mit Zitat antworten
Alt 20.03.2021, 19:39:08   #9
GStec
Erfahrener Benutzer
 
Benutzerbild von GStec
 
Registriert seit: 01.07.2020
Ort: Hagen,NRW
Alter: 60
Beiträge: 168
Baujahr: 2003
Standard

Leerlaufdrehzahl wird bei warmen Motor eingestellt. Zw.1100 u. 1300 U/min., Choke reguliert nur bei kaltem Motor nach. Aber 2000U/min ist nicht nötig. Undichtigkeiten ? Mit Bremsenreiniger absprühen, wenn sich Drehzahl erhöht liegt da was vor. LG,Andy
GStec ist offline   Mit Zitat antworten
Alt 20.03.2021, 21:44:08   #10
giulio1
Neuer Benutzer
 
Registriert seit: 19.03.2021
Beiträge: 5
Standard

Zitat:
Das ist mit Choke?
Dann hats was anderes: Das Hauptsystem arbeitet nicht - sie kriegt keinen Sprit über die Hauptdüse. Das kann am Schwimmerstand, den Hauptdüsen/Düsenstöcken (auf Oringe achten), der Nadel oder den Schiebermembranen liegen.
Theoretisch könnte noch eine Unterversorgung über die Spritleitung vorliegen (oberer Benzinhahn ganz offen?)
Das Video ist mit Choke. Aber wenn das Hauptsystem nicht arbeiten würde müsste sie doch auch im warmen Zustand ohne choke schlecht laufen - was sie aber nicht tut. Die Membrane sind in Ordnung und die O-Ringe habe ich getauscht. Schwimmerstand müsste passen, wenn ich ihn richtig gemessen habe.

Ein Benzinfilter wurde nachträglich nicht verbaut. Leerlauf ist auf 1300 warm eingestellt.

Mittlerweile habe ich die vermutung, dass es an der Zündung liegen könnte. Wenn ich bei kaltem Motor fahre, fühlt es sich immer wieder so an, als ob man das Killswitch drücken würde, und dann dreht der Motor plötzlich wieder hoch und es gibt auch fehlzündungen.
giulio1 ist offline   Mit Zitat antworten
Alt 20.03.2021, 22:59:47   #11
GStec
Erfahrener Benutzer
 
Benutzerbild von GStec
 
Registriert seit: 01.07.2020
Ort: Hagen,NRW
Alter: 60
Beiträge: 168
Baujahr: 2003
Standard

Video gesehen. Eindeutig Vergaser. Elektrik kannst Du ausschließen. Schau Dir mal die Videos von Klassikfon an. Youtube : Vergaseronkel. Da könnte sich die Antwort schon erschließen. Nur Ultraschallen heißt nicht automatisch Revision, grad bei älteren Moppeds u. Standzeiten. Und bei "Fachwerkstätten" wär ich immer vorsichtig. Laß uns auf jeden Fall wissen was es war, wenn s soweit behoben ist. Viel Erfolg.
GStec ist offline   Mit Zitat antworten
Alt 20.03.2021, 23:14:40   #12
berndy
Super-Moderator
 
Benutzerbild von berndy
 
Registriert seit: 16.08.2006
Ort: Schifferstadt/Pfalz
Alter: 63
Beiträge: 10.721
Baujahr: 1995
Kilometer: 66666
Standard

Ich finde, der Motor läuft im kalten Zustand zu mager.

"Fehlzündungen" sind wohl eher Vergaserpatschen, deutet auch auf zu mager hin.

Die elektronische Zündung funktioniert entweder oder eben nicht. Und wenn, dann verweigert sie im warmen Zustand eher als im kalten Zustand.

Braucht denn deine GS den Choke überhaupt, damit sie kalt anspringt?

2,5 Umdrehungen der Leerlaufgemischschrauben sind eigentlich schon etwas fett. Bei meiner 95er hab ich die LGS auf knapp 2 Umdrehungen und die springt immer ohne Choke an.

Sicher, dass es kein Nebenluftproblem gibt? Schläuche alle da und dicht, Luftfilter sitzt richtig im Gehäuse ...?

Sind alle Beilagscheiben an den Düsennadeln richtig positioniert?
__________________

Man sollte es so oder so nicht übertreiben.
berndy ist offline   Mit Zitat antworten
Alt 21.03.2021, 08:44:48   #13
AmigaHarry
Erfahrener Benutzer
 
Benutzerbild von AmigaHarry
 
Registriert seit: 13.11.2005
Ort: Perchtoldsdorf
Alter: 64
Beiträge: 5.317
Kilometer: 1.1mio
Standard

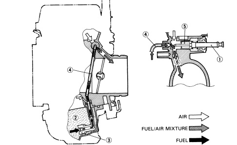
Ein Vergasermotor nimmt in den seltensten Fällen sofort nach den Start Gas an - und zwar umso schlechter, je kälter die Luft ist. Dazu kommt noch das der Sprit sehr kalt ist und schlecht verdampft (deswegen haben viele Vergasermaschinen auch eine "Vergaserheizung" (kein Scherz, kommt nicht von Etel-Tuning)
Es kann bei sehr mager eingestellten Maschinen schon vorkommen, das sie die erste Minute nur schlecht oder gar nicht Gas annehmen, wenn es sehr kalt ist. Aber danach sollte es passen. Wenn dem so ist, solltest du das lassen wie es ist. Auch meine GS500F braucht bei diesen Aussentemperaturen gut 30s bis sie Gas anzunehmen beginnt (die F sind halt auch sehr mager eingestellt -> sehr, sehr helles Grau im Kerzenbild)

Wenn dem nicht so ist, wirst du dir den Vergaser (und sein drumherum) nochmals genau ansehen müssen - vor allem die Gemischanfettung über den Choker (geht er ganz auf, alles dicht von aussen)

Bitte sieh die Düse Nr. 3 an, und ob der Kanal zum Chokekolben durchgängig ist.
Miniaturansicht angehängter Grafiken
Klicke auf die Grafik für eine größere Ansicht

Name:	Starter_Carb.jpeg
Hits:	1576
Größe:	36,7 KB
ID:	30171  
AmigaHarry ist offline   Mit Zitat antworten
Alt 21.03.2021, 11:21:53   #14
snailie
Super-Moderator
 
Benutzerbild von snailie
 
Registriert seit: 05.04.2013
Ort: Wuppertal
Alter: 43
Beiträge: 3.416
Baujahr: 2004
Kilometer: 28300
Standard

Zitat:
Zitat von AmigaHarry Beitrag anzeigen
Bitte sieh die Düse Nr. 3 an, und ob der Kanal zum Chokekolben durchgängig ist.
Das ist die Düse IM Schwimmer, oder?
__________________
...still out here in the wind and rain ~ I look a little older but I feel no pain...
.::battered but proud::.
~*~
Forumstreffen 2026 - Es sind noch Plätze frei!!!
snailie ist offline   Mit Zitat antworten
Alt 21.03.2021, 18:04:38   #15
AmigaHarry
Erfahrener Benutzer
 
Benutzerbild von AmigaHarry
 
Registriert seit: 13.11.2005
Ort: Perchtoldsdorf
Alter: 64
Beiträge: 5.317
Kilometer: 1.1mio
Standard

In der Schwimmerkammer.
AmigaHarry ist offline   Mit Zitat antworten
Alt 21.03.2021, 19:09:03   #16
klassikfon
Erfahrener Benutzer
 
Benutzerbild von klassikfon
 
Registriert seit: 20.08.2010
Ort: Halle (Saale)
Alter: 49
Beiträge: 1.918
Baujahr: 1992
Kilometer: 33.000
Standard

Naja....im Kunststoff von der Halterung des Schwimmers. Die sind gern mal zu und schwierig zu schallen.

Kannst mir die Gaser gern zum Revidieren schicken. Bei Interesse PN.

Gruß Ric
__________________
Vergaser-Ultraschallreinigung für Forenmitglieder:

www.vergaseronkel.de

Vergaser zerlegen:http://forum.gs-500.de/showthread.ph...458#post424458
klassikfon ist offline   Mit Zitat antworten
Alt 21.03.2021, 19:11:21   #17
snailie
Super-Moderator
 
Benutzerbild von snailie
 
Registriert seit: 05.04.2013
Ort: Wuppertal
Alter: 43
Beiträge: 3.416
Baujahr: 2004
Kilometer: 28300
Standard

Zitat:
Zitat von klassikfon Beitrag anzeigen
Naja....im Kunststoff von der Halterung des Schwimmers.
Jene meinte ich. Wir sprachen ja erst kürzlich darüber...
__________________
...still out here in the wind and rain ~ I look a little older but I feel no pain...
.::battered but proud::.
~*~
Forumstreffen 2026 - Es sind noch Plätze frei!!!
snailie ist offline   Mit Zitat antworten
Alt 21.03.2021, 19:32:23   #18
klassikfon
Erfahrener Benutzer
 
Benutzerbild von klassikfon
 
Registriert seit: 20.08.2010
Ort: Halle (Saale)
Alter: 49
Beiträge: 1.918
Baujahr: 1992
Kilometer: 33.000
Standard

Zitat:
Zitat von takoda Beitrag anzeigen
Jene meinte ich. Wir sprachen ja erst kürzlich darüber...
Ich weiß. 😉
__________________
Vergaser-Ultraschallreinigung für Forenmitglieder:

www.vergaseronkel.de

Vergaser zerlegen:http://forum.gs-500.de/showthread.ph...458#post424458
klassikfon ist offline   Mit Zitat antworten
Alt 21.03.2021, 22:10:37   #19
AmigaHarry
Erfahrener Benutzer
 
Benutzerbild von AmigaHarry
 
Registriert seit: 13.11.2005
Ort: Perchtoldsdorf
Alter: 64
Beiträge: 5.317
Kilometer: 1.1mio
Standard

Sorry ja.
Ich bin nicht richtig da - habe immer wieder hohes Fieber durch den Covid-Scheiß
AmigaHarry ist offline   Mit Zitat antworten
Alt 25.03.2021, 08:51:46   #20
giulio1
Neuer Benutzer
 
Registriert seit: 19.03.2021
Beiträge: 5
Standard

Also ich habe nun die Vergaser sowie die Schwimmer nochmal einzeln im Ultraschallbad gereinigt und den Chokekanal ordentlich mit Druckluft durchgeblasen. Die Gasannahme ist kalt deutlich besser geworden aber immer noch nicht perfekt. Da ich keine Lust mehr habe den Vergaser nochmal auszubauen und meine Reinigungsflüssigkeit auch alle ist, werde ich es erstmal so lassen und eventuell Vergaserreiniger oder Verdünnung zum Benzin hinzugeben.
Vielen Danke an alle für die Hilfe.
giulio1 ist offline   Mit Zitat antworten
Antwort

Lesezeichen

Stichworte
choke, vergaser


Forumregeln
Es ist dir nicht erlaubt, neue Themen zu verfassen.
Es ist dir nicht erlaubt, auf Beiträge zu antworten.
Es ist dir nicht erlaubt, Anhänge hochzuladen.
Es ist dir nicht erlaubt, deine Beiträge zu bearbeiten.

BB-Code ist an.
Smileys sind an.
[IMG] Code ist aus.
HTML-Code ist aus.

Gehe zu

Ähnliche Themen
Thema Autor Forum Antworten Letzter Beitrag
Schlechte eigenartige Gasannahme Ne0n Fehlerdiagnose 6 03.04.2017 08:46:35
Schlechte/Verzögerte Gasannahme bei hohen Drehzahlen - Choke-Problem? poki Vergaser - Kraftstoff - Drosseln - Tuning 5 26.09.2009 13:42:14
Schlechte Gasannahme micha Vergaser - Kraftstoff - Drosseln - Tuning 0 19.08.2007 17:51:22
entdrosselt schlechte gasannahme Vergaser - Kraftstoff - Drosseln - Tuning 20 23.03.2007 09:34:54
schlechte gasannahme Vergaser - Kraftstoff - Drosseln - Tuning 6 12.04.2003 16:55:45


Alle Zeitangaben in WEZ +1. Es ist jetzt 23:12:06 Uhr.


Powered by vBulletin® Version 3.8.9 (Deutsch)
Copyright ©2000 - 2026, vBulletin Solutions, Inc.